MERC 500-7/8
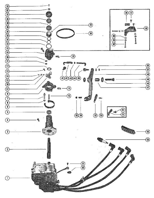
IGNITION DRIVER AND PILOT ASSEMBLY
IGNITION DRIVER AND PILOT ASSEMBLY
| № | Артикул | Наименование | Деталей в узле | Комментарий | Цена | |
| 1 | IGNITION DRIVER ASSEMBLY, COMPLETE (SEE PAGE 7 FOR BREAKDOWN | 1,1,1 | снято с производства | |||
| 2 | SHAFT, IGNITION DRIVER | 1,1,1 | снято с производства | |||
| 3 | PILOT ASSEMBLY, IGNITION DRIVER | 1,1,1 | снято с производства | |||
| 4 | SCREW, ADAPTOR AND PILOT TO IGNITION DRIVER (5/8") | 4,4,4 | цена по запросу | |||
| 5 | BALL BEARING, IGNITION DRIVER PILOT | 1,1,1 | снято с производства | |||
| 6 | SPRING, HORSESHOE - IGNITION DRIVER PILOT | 1,1,1 | снято с производства | |||
| 7 | PIN, ANCHOR - HORSESHOE SPRING TO PILOT | 1,1,1 | снято с производства | |||
| 8 | WASHER, HORSESHOE SPRING TO ANCHOR PIN | 1,1,1 | цена по запросу | |||
| 9 | ECONOMIZER COLLAR AND PIN ASSEMBLY | 1,1,1 | снято с производства | |||
| 10 | PIN, ECONOMIZER COLLAR - SPRING RETAINER | 1,1,1 | снято с производства | |||
| 11 | FITTING, GREASE - ECONOMIZER COLLAR | 1,1,1 | снято с производства | |||
| 12 | PLATE, THROTTLE ACTUATOR | 1,1,1 | цена по запросу | |||
| 13 | SCREW, THROTTLE ACTUATOR TO ECONOMIZER COLLAR (1/2") | 2,2,2 | снято с производства | |||
| 14 | SCREW, ADJUSTING - THROTTLE ACTUATOR (1") | 1,1,1 | снято с производства | |||
| 15 | NUT, THROTTLE ACTUATOR ADJUSTING SCREW | 1,1,1 | цена по запросу | |||
| 16 | CAP, THROTTLE ACTUATOR ADJUSTING SCREW | 1,1,1 | 500 руб. | |||
| 17 | WASHER, IGNITION DRIVER PILOT TO ADAPTOR | 1,1,1 | снято с производства | |||
| 18 | ADAPTOR, IGNITION DRIVER | 1,1,1 | снято с производства | |||
| 19 | SCREW, ADAPTOR AND PILOT TO CRANKCASE (1 1/2") | 3,3,3 | цена по запросу | |||
| 20 | WASHER, ADAPTOR AND PILOT TO CRANKCASE SCREW | 3,3,3 | 360 руб. | |||
| 21 | NUT, ADAPTOR AND PILOT TO CRANKCASE SCREW | 3,3,3 | цена по запросу | |||
| 22 | FITTING, GREASE - IGNITION DRIVER ADAPTOR | 1,1,1 | снято с производства | |||
| 23 | WASHER, IGNITION DRIVER PILOT | 1,1,1 | снято с производства | |||
| 24 | TAB WASHER, ADAPTOR CAP FASTENING | 1,1,1 | снято с производства | |||
| 25 | WASHER, WAVE - IGNITION DRIVER BALL BEARING TENSION | 1,1,1 | снято с производства | |||
| 26 | CAP, IGNITION DRIVER ADAPTOR AND PILOT FASTENING | 1,1,1 | снято с производства | |||
| 27 | KEY, IGNITION DRIVER | 1,1,1 | снято с производства | |||
| 28 | HUB, DRIVEN PULLEY | 1,1,1 | снято с производства | |||
| 29 | DRIVEN PULLEY ASSEMBLY | 1,1,1 | снято с производства | |||
| 30 | PIN, ROLL - FLANGE | 2,2,2 | 210 руб. | |||
| 31 | FLANGE, DRIVEN PULLEY | 1,1,1 | снято с производства | |||
| 32 | шайба винта ролика | 1,1,1 | снято с производства | |||
| 33 | SCREW, PULLEY (5/8") | ,1,1 | цена по запросу | |||
| 33 | SCREW, PULLEY (5/8") | 1,, | цена по запросу | |||
| 34 | ремень газо-распределительного механизма | 1,1,1 | цена по запросу | |||
| 35 | PLATE, THROTTLE STOP SERIAL #2623519 AND BELOW | 1,1,1 | снято с производства | |||
| 35 | PLATE, THROTTLE STOP (SERIAL #2623520 AND UP) | ,1,1 | снято с производства | |||
| 36 | SPACER, THROTTLE STOP PLATE TO ADAPTOR | 1,1,1 | снято с производства | |||
| 37 | SCREW, THROTTLE STOP PLATE TO ADAPTOR (7/8") | 2,2,2 | цена по запросу | |||
| 38 | SCREW, THROTTLE STOP ADJUSTING (1 1/2") | 3,3,3 | снято с производства | |||
| 39 | NUT, THROTTLE STOP ADJUSTING SCREW | 3,3,3 | цена по запросу | |||
| 40 | нейлоновая крышка регулировочного винта | 3,3,3 | 500 руб. | |||
| 41 | SWIVEL, LINKAGE - ECONOMIZER COLLAR | 1,1,1 | снято с производства | |||
| 42 | SWIVEL AND LINK ROD ASSEMBLY | 1,1,1 | снято с производства | |||
| 43 | NUT, UPPER LINK ROD ADJUSTING | 1,1,1 | снято с производства | |||
| 44 | приводная штанга верхняя | 1,1,1 | снято с производства | |||
| 45 | SWIVEL, UPPER LINK ROD TO THROTTLE CONTROL LEVER | 1,1,1 | цена по запросу | |||
| 46 | рычаг управления дросселем | 1,, | снято с производства | |||
| 46 | рычаг управления дросселем | ,1,1 | снято с производства | |||
| 47 | вкладыш винта рычага дросселя | ,1,1 | снято с производства | |||
| 47 | вкладыш винта рычага дросселя | 1,, | снято с производства | |||
| 48 | SCREW, THROTTLE LEVER TO EXHAUST COVER (1 1/2") | 1,1,1 | снято с производства | |||
| 49 | шайба винта рычага дросселя | ,1,1 | 170 руб. | |||
| 49 | шайба винта рычага дросселя | 2,, | 170 руб. | |||
| 50 | SPRING, QUICK DISCONNECT - THROTTLE CABLE TO THROTTLE LEVER | 1,, | снято с производства | |||
| 51 | SCREW, ANCHOR - QUICK DISCONNECT SPRING TO THROTTLE LEVER | 1,, | снято с производства | |||
| 52 | LATCH, THROTTLE CONTROL LEVER (THROTTLE CABLE) | ,1,1 | 930 руб. | |||
| 53 | винт крепления защелки к рычагу управления дросселем (7/8") | ,1,1 | цена по запросу | |||
| 54 | пружина сжатия винта защелки | ,1,1 | 500 руб. | |||
| 55 | гайка винта защелки | ,1,1 | цена по запросу | |||
| 56 | WASHER, UPPER SWIVEL TO THROTTLE LEVER | 1,1,1 | цена по запросу | |||
| 57 | NUT, UPPER SWIVEL TO THROTTLE LEVER | 1,1,1 | цена по запросу | |||
| 58 | SPARK PLUG (CHAMPION - L19V) | 4,4,4 | цена по запросу | |||
| 59 | SPACER, IGNITION WIRE | 1,1,1 | снято с производства | |||
| 60 | BRACKET, TAB - CRANKCASE SCREW - IGNITION DRIVER GROUND STRA | 1,1,1 | цена по запросу | |||
| 61 | SCREW, IGNITION DRIVER GROUND STRAP TO TAB BRACKET (3/8") | 1,1,1 | цена по запросу | |||
| - | SPACER, DRIVEN PULLEY | 1,1,1 | снято с производства | |||
| 1 | Art.: IGNITION DRIVER ASSEMBLY, COMPLETE (SEE PAGE 7 FOR BREAKDOWN Деталей в узле: 1,1,1 снято с производства 2 | Art.: 45-27951 SHAFT, IGNITION DRIVER Деталей в узле: 1,1,1 снято с производства 3 | Art.: 47883A1 PILOT ASSEMBLY, IGNITION DRIVER Деталей в узле: 1,1,1 снято с производства 4 | Art.: SCREW, ADAPTOR AND PILOT TO IGNITION DRIVER (5/8") Деталей в узле: 4,4,4 цена по запросу 5 | Art.: 30-20066 BALL BEARING, IGNITION DRIVER PILOT Деталей в узле: 1,1,1 снято с производства 6 | Art.: 24-27944 SPRING, HORSESHOE - IGNITION DRIVER PILOT Деталей в узле: 1,1,1 снято с производства 7 | Art.: 17-27962 PIN, ANCHOR - HORSESHOE SPRING TO PILOT Деталей в узле: 1,1,1 снято с производства 8 | Art.: 12-29245 WASHER, HORSESHOE SPRING TO ANCHOR PIN Деталей в узле: 1,1,1 цена по запросу
9 | Art.: 48103A1 ECONOMIZER COLLAR AND PIN ASSEMBLY Деталей в узле: 1,1,1 снято с производства 10 | Art.: 17-27961 PIN, ECONOMIZER COLLAR - SPRING RETAINER Деталей в узле: 1,1,1 снято с производства 11 | Art.: 22-25094 FITTING, GREASE - ECONOMIZER COLLAR Деталей в узле: 1,1,1 снято с производства 12 | PLATE, THROTTLE ACTUATOR Деталей в узле: 1,1,1 цена по запросу 13 | Art.: 10-46420 SCREW, THROTTLE ACTUATOR TO ECONOMIZER COLLAR (1/2") Деталей в узле: 2,2,2 снято с производства 14 | Art.: 10-23015 SCREW, ADJUSTING - THROTTLE ACTUATOR (1") Деталей в узле: 1,1,1 снято с производства 15 | Art.: NUT, THROTTLE ACTUATOR ADJUSTING SCREW Деталей в узле: 1,1,1 цена по запросу 16 | Art.: 48039 CAP, THROTTLE ACTUATOR ADJUSTING SCREW Деталей в узле: 1,1,1 17 | Art.: 12-46246 WASHER, IGNITION DRIVER PILOT TO ADAPTOR Деталей в узле: 1,1,1 снято с производства 18 | Art.: ADAPTOR, IGNITION DRIVER Деталей в узле: 1,1,1 снято с производства 19 | Art.: SCREW, ADAPTOR AND PILOT TO CRANKCASE (1 1/2") Деталей в узле: 3,3,3 цена по запросу 20 | Art.: 12-20084 WASHER, ADAPTOR AND PILOT TO CRANKCASE SCREW Деталей в узле: 3,3,3 21 | Art.: NUT, ADAPTOR AND PILOT TO CRANKCASE SCREW Деталей в узле: 3,3,3 цена по запросу 22 | Art.: 22-25094 FITTING, GREASE - IGNITION DRIVER ADAPTOR Деталей в узле: 1,1,1 снято с производства 23 | Art.: 12-27939 WASHER, IGNITION DRIVER PILOT Деталей в узле: 1,1,1 снято с производства 24 | Art.: 14-27960 TAB WASHER, ADAPTOR CAP FASTENING Деталей в узле: 1,1,1 снято с производства 25 | Art.: 13-27959 WASHER, WAVE - IGNITION DRIVER BALL BEARING TENSION Деталей в узле: 1,1,1 снято с производства 26 | Art.: 27955 CAP, IGNITION DRIVER ADAPTOR AND PILOT FASTENING Деталей в узле: 1,1,1 снято с производства 27 | Art.: 28-28657 KEY, IGNITION DRIVER Деталей в узле: 1,1,1 снято с производства 28 | Art.: 29784 HUB, DRIVEN PULLEY Деталей в узле: 1,1,1 снято с производства 29 | Art.: 29783A1 DRIVEN PULLEY ASSEMBLY Деталей в узле: 1,1,1 снято с производства 30 | Art.: 17-24873 PIN, ROLL - FLANGE Деталей в узле: 2,2,2 31 | Art.: 29785 FLANGE, DRIVEN PULLEY Деталей в узле: 1,1,1 снято с производства 32 | Art.: 12-20138 шайба винта ролика Деталей в узле: 1,1,1 снято с производства 33 | Art.: SCREW, PULLEY (5/8") Деталей в узле: ,1,1 цена по запросу 33 | Art.: SCREW, PULLEY (5/8") Деталей в узле: 1,, цена по запросу 34 | Art.: 20140 ремень газо-распределительного механизма Деталей в узле: 1,1,1 цена по запросу
35 | Art.: PLATE, THROTTLE STOP SERIAL #2623519 AND BELOW Деталей в узле: 1,1,1 снято с производства 35 | Art.: 53458 PLATE, THROTTLE STOP (SERIAL #2623520 AND UP) Деталей в узле: ,1,1 снято с производства 36 | Art.: 23-48456 SPACER, THROTTLE STOP PLATE TO ADAPTOR Деталей в узле: 1,1,1 снято с производства 37 | Art.: SCREW, THROTTLE STOP PLATE TO ADAPTOR (7/8") Деталей в узле: 2,2,2 цена по запросу 38 | Art.: 10-24933 SCREW, THROTTLE STOP ADJUSTING (1 1/2") Деталей в узле: 3,3,3 снято с производства 39 | Art.: 11-20013 NUT, THROTTLE STOP ADJUSTING SCREW Деталей в узле: 3,3,3 цена по запросу
40 | Art.: 26852 нейлоновая крышка регулировочного винта Деталей в узле: 3,3,3 41 | Art.: 27947 SWIVEL, LINKAGE - ECONOMIZER COLLAR Деталей в узле: 1,1,1 снято с производства 42 | Art.: 25996A1 SWIVEL AND LINK ROD ASSEMBLY Деталей в узле: 1,1,1 снято с производства 43 | Art.: 11-25168 NUT, UPPER LINK ROD ADJUSTING Деталей в узле: 1,1,1 снято с производства 44 | Art.: 37700 приводная штанга верхняя Деталей в узле: 1,1,1 снято с производства 45 | Art.: 27948 SWIVEL, UPPER LINK ROD TO THROTTLE CONTROL LEVER Деталей в узле: 1,1,1 цена по запросу
46 | Art.: рычаг управления дросселем Деталей в узле: 1,, снято с производства 46 | Art.: рычаг управления дросселем Деталей в узле: ,1,1 снято с производства 47 | Art.: 23-45818 вкладыш винта рычага дросселя Деталей в узле: ,1,1 снято с производства 47 | Art.: 23-29529 вкладыш винта рычага дросселя Деталей в узле: 1,, снято с производства 48 | Art.: 10-47273 SCREW, THROTTLE LEVER TO EXHAUST COVER (1 1/2") Деталей в узле: 1,1,1 снято с производства 49 | Art.: шайба винта рычага дросселя Деталей в узле: ,1,1 49 | Art.: шайба винта рычага дросселя Деталей в узле: 2,, 50 | Art.: 24-37934 SPRING, QUICK DISCONNECT - THROTTLE CABLE TO THROTTLE LEVER Деталей в узле: 1,, снято с производства 51 | Art.: 10-38069 SCREW, ANCHOR - QUICK DISCONNECT SPRING TO THROTTLE LEVER Деталей в узле: 1,, снято с производства 52 | Art.: 39483 LATCH, THROTTLE CONTROL LEVER (THROTTLE CABLE) Деталей в узле: ,1,1 53 | Art.: винт крепления защелки к рычагу управления дросселем (7/8") Деталей в узле: ,1,1 цена по запросу 54 | Art.: 24-20099 пружина сжатия винта защелки Деталей в узле: ,1,1 55 | Art.: гайка винта защелки Деталей в узле: ,1,1 цена по запросу 56 | Art.: 12-29245 WASHER, UPPER SWIVEL TO THROTTLE LEVER Деталей в узле: 1,1,1 цена по запросу
57 | Art.: NUT, UPPER SWIVEL TO THROTTLE LEVER Деталей в узле: 1,1,1 |
