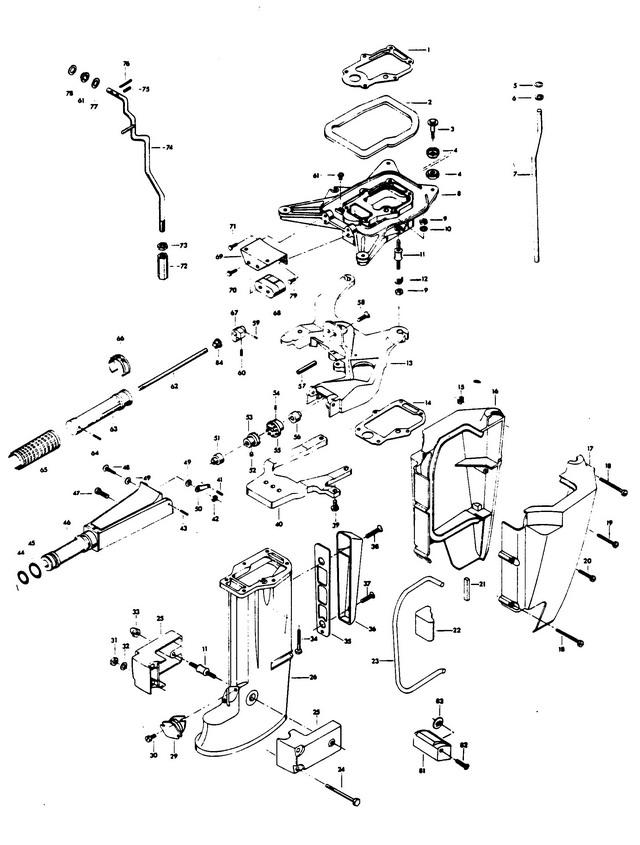
25 H.P.
MOTOR LEG
MOTOR LEG
| № | Артикул | Наименование | Деталей в узле | Комментарий | Цена | |
| 1 | GASKET, CYLINDER EXHAUST | 1 | снято с производства | |||
| 2 | PACKING, SUPPORT PLATE | 1 | снято с производства | |||
| 3 | FASTENER, SUPPORT PLATE MOUNT | 4 | снято с производства | |||
| 4 | MOUNT, SUPPORT PLATE | 8 | снято с производства | |||
| 5 | SEAL, WATER LINE UPPER | 1 | цена по запросу | |||
| 6 | PLAIN WASHER | 1 | цена по запросу | |||
| 7 | INLET WATER LINE | 1 | снято с производства | |||
| 8 | PLATE, SHOCK MOUNT | 1 | снято с производства | |||
| 9 | HEX NUT, 3/8 - 16 | 4 | цена по запросу | |||
| 10 | PLAIN WASHER | 2 | цена по запросу | |||
| 11 | SHOCK MOUNT | 4 | снято с производства | |||
| 12 | TAB, SHOCK MOUNT SIDE | 2 | снято с производства | |||
| 13 | PLATE, KINGPIN MOUNTING | 1 | снято с производства | |||
| 14 | GASKET, LEG EXHAUST | 1 | снято с производства | |||
| 15 | HEX NUT | 5 | цена по запросу | |||
| 16 | MOTOR LEG COVER, STARBOARD W/PACKING | 1 | снято с производства | |||
| 17 | MOTOR LEG COVER, PORT W/PACKING | 1 | снято с производства | |||
| 18 | FILL HD SCREW, 10 - 24 X 2 1/2 | 3 | снято с производства | |||
| 19 | FILL HD SCREW, 10 - 24 X 1 7/8 | 1 | снято с производства | |||
| 20 | FILL HD SCREW, 10 - 24 X 1 3/8 | 1 | 230 руб. | |||
| 21 | PACKING, LEG COVER UPPER FRONT | 1 | снято с производства | |||
| 22 | PACKING, LEG COVER LOWER FRONT | 2 | снято с производства | |||
| 23 | PACKING, LEG COVER | 2 | снято с производства | |||
| 24 | HEX CAP SCREW, 5/16 - 18 X 3 1/4 | 2 | 1100 руб. | |||
| 25 | COVER, SHOCK MOUNT LOWER | 2 | снято с производства | |||
| 26 | MOTOR LEG | 1 | снято с производства | |||
| 29 | SHOCK MOUNT LOWER THRUST | 1 | снято с производства | |||
| 30 | FILL HD SCREW, 5/16 - 18 X 1/2 | 2 | снято с производства | |||
| 31 | HEX NUT, 5/16 - 18 | 2 | цена по запросу | |||
| 32 | SPRING LOCKWASHER | 2 | цена по запросу | |||
| 33 | ACORN NUT, 3/8 - 16 | 2 | снято с производства | |||
| 34 | SCREW, MOTOR LEG TO CYLINDER | 6 | снято с производства | |||
| 35 | GASKET, MOTOR LEG EXHAUST COVER | 1 | снято с производства | |||
| 36 | COVER, MOTOR LEG EXHAUST | 1 | снято с производства | |||
| 37 | FLAT HD SCREW, 1/4 - 20 X 1 1/8 | 1 | снято с производства | |||
| 38 | FLAT HD SCREW, 1/4 - 20 X 1 1/2 | 1 | снято с производства | |||
| 39 | HEX HD SCREW W/SPRING LOCKWASHER, 5/16 - 18 X 1 | 3 | снято с производства | |||
| 40 | ручка переноски двигателя | 1 | снято с производства | |||
| 41 | SPRING PIN FOR MANUAL START MODELS | 1 | снято с производства | |||
| 42 | LOCK NUT FOR MANUAL START MODELS | 1 | цена по запросу | |||
| 43 | SPRING PIN FOR MANUAL START MODELS | 1 | цена по запросу | |||
| 44 | SEAL, STEERING HANDLE GRIP FOR MANUAL START MODELS | 1 | цена по запросу | |||
| 45 | SEAL, STEERING HANDLE GRIP FOR MANUAL START MODELS | 1 | цена по запросу | |||
| 46 | STEERING HANDLE FOR MANUAL START MODELS | 1 | снято с производства | |||
| 47 | SCREW, TILLER IDLE STOP FOR MANUAL START MODELS | 1 | снято с производства | |||
| 48 | STEERING HANDLE PIVOT BOLT FOR MANUAL START MODELS | 1 | снято с производства | |||
| 49 | WASHER, STEERING HANDLE PIVOT BOLT FOR MANUAL START MODELS | 2 | снято с производства | |||
| 50 | WASHER, RETAINING STEERING HANDLE PIVOT BOLT | 1 | FOR MANUAL START MODELS | снято с производства | ||
| 51 | BEARING, STEERING HANDLE GEAR | 1 | FOR MANUAL START MODELS | снято с производства | ||
| 52 | HEX SOCKET HEADLESS SET SCREW, 5/16 - 24 X 1/4, | 1 | FOR MANUAL START MODELS | снято с производства | ||
| 53 | GEAR, STEERING HANDLE W/SET SCREW FOR MANUAL START MODELS | 1 | снято с производства | |||
| 54 | SOCKET HD CAP SCREW, 10 - 24 X 3/4 FOR MANUAL START MODELS | 1 | снято с производства | |||
| 55 | GEAR, MAGNETO CONTROL SHAFT FOR MANUAL START MODELS | 1 | снято с производства | |||
| 56 | BEARING, MAGNETO CONTROL SHAFT FOR MANUAL START MODELS | 1 | снято с производства | |||
| 57 | SPRING PIN | 1 | снято с производства | |||
| 58 | FLAT HD SCREW, 1/4 - 28 X 5/8 | 2 | снято с производства | |||
| 59 | SPRING PIN FOR MANUAL START MODELS | 1 | цена по запросу | |||
| 60 | SCREW, THROTTLE STOP FOR MANUAL START MODELS | 1 | снято с производства | |||
| 61 | Подшипник | 2 | цена по запросу | |||
| 62 | SHAFT, STEERING HANDLE FOR MANUAL START MODELS | 1 | снято с производства | |||
| 63 | STEERING HANDLE GRIP W/SLEEVE FOR MANUAL START MODELS | 1 | снято с производства | |||
| 64 | SPRING PIN FOR MANUAL START MODELS | 1 | цена по запросу | |||
| 65 | SLEEVE, STEERING HANDLE GRIP FOR MANUAL START MODELS | 1 | снято с производства | |||
| 66 | INDICATOR, SPEED CONTROL FOR MANUAL START MODELS | 1 | снято с производства | |||
| 67 | THROTTLE STOP FOR MANUAL START MODELS | 1 | снято с производства | |||
| 68 | SHOCK MOUNT UPPER THRUST | 1 | цена по запросу | |||
| 69 | BRACKET, SHOCK MOUNT UPPER THRUST | 1 | снято с производства | |||
| 70 | HEX HD SCREW W/SPRING LOCKWASHER, 1/4 - 28 X 5/8 | 2 | снято с производства | |||
| 71 | SLOTTED HEX CAP SCREW W/SPRING LOCKWASHER, 1/4 - 20 X 3/4 | 2 | цена по запросу | |||
| 72 | COUPLING, GEAR SHIFT ROD | 1 | снято с производства | |||
| 73 | HEX NUT, 1/4 - 20 | 1 | цена по запросу | |||
| 74 | GEAR SHIFT ROD UPPER | 1 | снято с производства | |||
| 75 | SPRING PIN | 1 | цена по запросу | |||
| 76 | шплинт | 1 | снято с производства | |||
| 77 | BOWED WASHER | 1 | снято с производства | |||
| 78 | PLAIN WASHER | 1 | цена по запросу | |||
| 79 | HEX CAP SCREW, 1/4 - 20 X 5/8 | 2 | цена по запросу | |||
| 81 | COVER, KING PIN MOUNTING PLATE FOR ELECTRIC START MODELS | 1 | снято с производства | |||
| 82 | PAN HD SCREW, 1/4 - 20 X 1 1/4 FOR ELECTRIC START MODELS | 2 | снято с производства | |||
| 83 | SPEED NUT FOR ELECTRIC START MODELS | 2 | снято с производства | |||
| 84 | BEARING, FOR MANUAL START MODELS | 1 | цена по запросу | |||
| 1 | Art.: F458279 GASKET, CYLINDER EXHAUST Деталей в узле: 1 снято с производства 2 | Art.: F183756-1 PACKING, SUPPORT PLATE Деталей в узле: 1 снято с производства 3 | Art.: F458887 FASTENER, SUPPORT PLATE MOUNT Деталей в узле: 4 снято с производства 4 | Art.: F458347 MOUNT, SUPPORT PLATE Деталей в узле: 8 снято с производства 5 | Art.: SEAL, WATER LINE UPPER Деталей в узле: 1 цена по запросу 6 | Art.: PLAIN WASHER Деталей в узле: 1 цена по запросу 7 | Art.: F142244 INLET WATER LINE Деталей в узле: 1 снято с производства 8 | Art.: F458963 PLATE, SHOCK MOUNT Деталей в узле: 1 снято с производства 9 | Art.: HEX NUT, 3/8 - 16 Деталей в узле: 4 цена по запросу 10 | Art.: PLAIN WASHER Деталей в узле: 2 цена по запросу 11 | Art.: F458962 SHOCK MOUNT Деталей в узле: 4 снято с производства 12 | Art.: F458076 TAB, SHOCK MOUNT SIDE Деталей в узле: 2 снято с производства 13 | Art.: 817809A1 PLATE, KINGPIN MOUNTING Деталей в узле: 1 снято с производства 14 | Art.: F458453 GASKET, LEG EXHAUST Деталей в узле: 1 снято с производства 15 | Art.: HEX NUT Деталей в узле: 5 цена по запросу 16 | Art.: F2A436145 MOTOR LEG COVER, STARBOARD W/PACKING Деталей в узле: 1 снято с производства 17 | Art.: F2A436135 MOTOR LEG COVER, PORT W/PACKING Деталей в узле: 1 снято с производства 18 | Art.: F1810 FILL HD SCREW, 10 - 24 X 2 1/2 Деталей в узле: 3 снято с производства 19 | Art.: F1811 FILL HD SCREW, 10 - 24 X 1 7/8 Деталей в узле: 1 снято с производства 20 | Art.: FILL HD SCREW, 10 - 24 X 1 3/8 Деталей в узле: 1 21 | Art.: F190323-1 PACKING, LEG COVER UPPER FRONT Деталей в узле: 1 снято с производства 22 | Art.: F436322 PACKING, LEG COVER LOWER FRONT Деталей в узле: 2 снято с производства 23 | Art.: F190321-1 PACKING, LEG COVER Деталей в узле: 2 снято с производства 24 | Art.: F1491 HEX CAP SCREW, 5/16 - 18 X 3 1/4 Деталей в узле: 2 25 | Art.: F461707-1 COVER, SHOCK MOUNT LOWER Деталей в узле: 2 снято с производства 26 | Art.: F461133-2 MOTOR LEG Деталей в узле: 1 снято с производства 29 | Art.: F183346-1 SHOCK MOUNT LOWER THRUST Деталей в узле: 1 снято с производства 30 | Art.: F1129 FILL HD SCREW, 5/16 - 18 X 1/2 Деталей в узле: 2 снято с производства 31 | Art.: HEX NUT, 5/16 - 18 Деталей в узле: 2 цена по запросу 32 | Art.: SPRING LOCKWASHER Деталей в узле: 2 цена по запросу 33 | Art.: F2009 ACORN NUT, 3/8 - 16 Деталей в узле: 2 снято с производства 34 | Art.: F458166-2 SCREW, MOTOR LEG TO CYLINDER Деталей в узле: 6 снято с производства 35 | Art.: F190833 GASKET, MOTOR LEG EXHAUST COVER Деталей в узле: 1 снято с производства 36 | Art.: F190832-2 COVER, MOTOR LEG EXHAUST Деталей в узле: 1 снято с производства 37 | Art.: F1150 FLAT HD SCREW, 1/4 - 20 X 1 1/8 Деталей в узле: 1 снято с производства 38 | Art.: F1148 FLAT HD SCREW, 1/4 - 20 X 1 1/2 Деталей в узле: 1 снято с производства 39 | Art.: F1745 HEX HD SCREW W/SPRING LOCKWASHER, 5/16 - 18 X 1 Деталей в узле: 3 снято с производства 40 | Art.: F385647 ручка переноски двигателя Деталей в узле: 1 снято с производства 41 | Art.: F8550 SPRING PIN FOR MANUAL START MODELS Деталей в узле: 1 снято с производства 42 | Art.: LOCK NUT FOR MANUAL START MODELS Деталей в узле: 1 цена по запросу
43 | Art.: F1664 SPRING PIN FOR MANUAL START MODELS Деталей в узле: 1 цена по запросу
44 | Art.: SEAL, STEERING HANDLE GRIP FOR MANUAL START MODELS Деталей в узле: 1 цена по запросу 45 | Art.: SEAL, STEERING HANDLE GRIP FOR MANUAL START MODELS Деталей в узле: 1 цена по запросу 46 | Art.: STEERING HANDLE FOR MANUAL START MODELS Деталей в узле: 1 снято с производства 47 | Art.: F458519 SCREW, TILLER IDLE STOP FOR MANUAL START MODELS Деталей в узле: 1 снято с производства 48 | Art.: F295080 STEERING HANDLE PIVOT BOLT FOR MANUAL START MODELS Деталей в узле: 1 снято с производства 49 | Art.: F295175 WASHER, STEERING HANDLE PIVOT BOLT FOR MANUAL START MODELS Деталей в узле: 2 снято с производства 50 | Art.: F295457 WASHER, RETAINING STEERING HANDLE PIVOT BOLT (FOR MANUAL START MODELS)Деталей в узле: 1 снято с производства 51 | Art.: F295689 BEARING, STEERING HANDLE GEAR (FOR MANUAL START MODELS)Деталей в узле: 1 снято с производства 52 | Art.: F1954 HEX SOCKET HEADLESS SET SCREW, 5/16 - 24 X 1/4, (FOR MANUAL START MODELS)Деталей в узле: 1 снято с производства 53 | Art.: FA413815 GEAR, STEERING HANDLE W/SET SCREW FOR MANUAL START MODELS Деталей в узле: 1 снято с производства 54 | Art.: F1642 SOCKET HD CAP SCREW, 10 - 24 X 3/4 FOR MANUAL START MODELS Деталей в узле: 1 снято с производства 55 | Art.: F288691 GEAR, MAGNETO CONTROL SHAFT FOR MANUAL START MODELS Деталей в узле: 1 снято с производства 56 | Art.: F288689 BEARING, MAGNETO CONTROL SHAFT FOR MANUAL START MODELS Деталей в узле: 1 снято с производства 57 | Art.: F1663 SPRING PIN Деталей в узле: 1 снято с производства 58 | Art.: F1160 FLAT HD SCREW, 1/4 - 28 X 5/8 Деталей в узле: 2 снято с производства 59 | Art.: SPRING PIN FOR MANUAL START MODELS Деталей в узле: 1 цена по запросу 60 | Art.: F458690 SCREW, THROTTLE STOP FOR MANUAL START MODELS Деталей в узле: 1 снято с производства 61 | Art.: Подшипник Деталей в узле: 2 цена по запросу 62 | Art.: F458688 SHAFT, STEERING HANDLE FOR MANUAL START MODELS Деталей в узле: 1 снято с производства 63 | Art.: FA456137 STEERING HANDLE GRIP W/SLEEVE FOR MANUAL START MODELS Деталей в узле: 1 снято с производства 64 | Art.: SPRING PIN FOR MANUAL START MODELS Деталей в узле: 1 цена по запросу 65 | Art.: SLEEVE, STEERING HANDLE GRIP FOR MANUAL START MODELS Деталей в узле: 1 снято с производства 66 | Art.: F286894-3 INDICATOR, SPEED CONTROL FOR MANUAL START MODELS Деталей в узле: 1 снято с производства 67 | Art.: F458198 THROTTLE STOP FOR MANUAL START MODELS Деталей в узле: 1 снято с производства 68 | Art.: SHOCK MOUNT UPPER THRUST Деталей в узле: 1 цена по запросу 69 | Art.: F40956 BRACKET, SHOCK MOUNT UPPER THRUST Деталей в узле: 1 снято с производства 70 | Art.: F1211 HEX HD SCREW W/SPRING LOCKWASHER, 1/4 - 28 X 5/8 Деталей в узле: 2 снято с производства 71 | Art.: SLOTTED HEX CAP SCREW W/SPRING LOCKWASHER, 1/4 - 20 X 3/4 Деталей в узле: 2 цена по запросу 72 | Art.: F901704 COUPLING, GEAR SHIFT ROD Деталей в узле: 1 снято с производства 73 | Art.: HEX NUT, 1/4 - 20 Деталей в узле: 1 цена по запросу 74 | Art.: F461615 GEAR SHIFT ROD UPPER Деталей в узле: 1 снято с производства 75 | Art.: SPRING PIN Деталей в узле: 1 цена по запросу 76 | Art.: F1020 шплинт Деталей в узле: 1 снято с производства 77 | Art.: F8049 BOWED WASHER Деталей в узле: 1 |
