45 H.P.
силовая головка
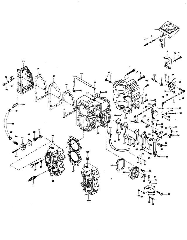
силовая головка
| № | Артикул | Наименование | Деталей в узле | Комментарий | Цена | |
| 1 | BRACKET, STARTER MOUNTING | 1 | цена по запросу | |||
| 2 | шпилька | 3 | снято с производства | |||
| 3 | SPRING LOCKWASHER | 4 | цена по запросу | |||
| 4 | HEX NUT, 5/16 - 18 | 3 | цена по запросу | |||
| 5 | STARTER MOUNTING BRACKET, LOWER | 1 | снято с производства | |||
| 6 | HEX SLOT HD SCREW, 1/4 - 20 X 5/8 | 2 | снято с производства | |||
| 7 | HEX SOCKET HD CAP SCREW, 3/8 - 16 X 2 1/4 | 1 | цена по запросу | |||
| 8 | HEX SOCKET HD CAP SCREW, 3/8 - 16 X 1 5/8 | 5 | 1630 руб. | |||
| 9 | HEX HD SCREW, 1/4 - 20 X 3/4 | 9 | цена по запросу | |||
| 10 | шпилька кулачка дросселя | 1 | цена по запросу | |||
| 11 | THROTTLE CAM BEARING | 2 | снято с производства | |||
| 12 | HEX NUT, 10 - 32 | 2 | цена по запросу | |||
| 13 | INTERNAL TOOTH LOCKWASHER | 4 | цена по запросу | |||
| 14 | дроссельный кулачок | 1 | снято с производства | |||
| 15 | BALL JOINT W/BEARING | 2 | 2350 руб. | |||
| 16 | HEX NUT, 10 - 32 | 2 | цена по запросу | |||
| 17 | ELASTIC STOP NUT, 1/4 - 20 | 1 | цена по запросу | |||
| 18 | приводная штанга дросселя | 1 | снято с производства | |||
| 19 | FILL HD SCREW, 8 - 32 X 1 1/8 | 2 | снято с производства | |||
| 20 | буфер | 2 | цена по запросу | |||
| 21 | STOP NUT, 8 - 32 | 2 | 380 руб. | |||
| 22 | SPARK CONTROL SWIVEL | 2 | снято с производства | |||
| 23 | SPARK CONTROL BEARING, L.H. | 1 | цена по запросу | |||
| 24 | HEX NUT, 10 - 24 | 1 | цена по запросу | |||
| 25 | привод управления подачей искры | 1 | снято с производства | |||
| 26 | SPARK CONTROL BEARING, R.H. | 1 | снято с производства | |||
| 27 | FILL HD SCREW, 10 - 24 X 1 | 4 | цена по запросу | |||
| 28 | TOWERSHAFT BEARING | 4 | снято с производства | |||
| 29 | TOWERSHAFT W/CLAMP AND SWIVEL | 1 | снято с производства | |||
| 30 | PLASTIC RIVET | 1 | снято с производства | |||
| 31 | FILL HD SCREW, 1/4 - 20 X 3/4 | 1 | снято с производства | |||
| 32 | FILL HD SCREW W/LOCKWASHER, 10 - 24 X 3/8 | 2 | цена по запросу | |||
| 33 | PIVOT SCREW | 2 | снято с производства | |||
| 34 | SWIVEL W/SCREW AND NUT | 1 | снято с производства | |||
| 35 | Подшипник | 1 | цена по запросу | |||
| 36 | SHIFT ARM BEARING | 2 | снято с производства | |||
| 37 | STOP NUT, 7/16 - 20 | 1 | цена по запросу | |||
| 38 | SHIFT ARM W/CLAMP AND SWIVEL | 1 | снято с производства | |||
| 39 | FLAT HD SCREW, 1/4 - 20 X 1 | 2 | снято с производства | |||
| 40 | FILL HD SCREW, 6 - 32 X 7/8 | 2 | снято с производства | |||
| 41 | SWITCH, NEUTRAL INTERLOCK | 1 | снято с производства | |||
| 42 | SLOTTED PAN HD SCREW, 1/4 - 20 X 1 | 2 | снято с производства | |||
| 43 | CYLINDER DRAIN COVER | 1 | снято с производства | |||
| 44 | CYLINDER DRAIN COVER GASKET | 1 | цена по запросу | |||
| 45 | PAN HD SCREW, 4 - 40 X 3/16 | 2 | снято с производства | |||
| 46 | PLAIN WASHER | 2 | цена по запросу | |||
| 47 | CYLINDER DRAIN REED STOP | 2 | снято с производства | |||
| 48 | REED, CYLINDER DRAIN | 2 | цена по запросу | |||
| 49 | CYLNDR DRAIN REED PLATE W/REEDS,REED STOPS,SCREWS & SCREEN | 1 | снято с производства | |||
| 50 | SCREEN, CYLINDER DRAIN REED PLATE | 2 | снято с производства | |||
| 51 | CYLINDER DRAIN REED PLATE GASKET | 1 | 260 руб. | |||
| 52 | посадочный штифт | 2 | цена по запросу | |||
| 53 | CYLINDER W/CRANKCASE COVER, DEFLECTOR PLATE AND SCREWS | 1 | снято с производства | |||
| 54 | WELCH PLUG | 1 | снято с производства | |||
| 55 | TRANSFER PORT COVER GASKET | 2 | 1500 руб. | |||
| 56 | TRANSFER PORT COVER | 1 | снято с производства | |||
| 57 | PLAIN WASHER | 2 | цена по запросу | |||
| 58 | ELBOW, FUEL LINE | 1 | снято с производства | |||
| 59 | ROD END CONNECTOR STUD | 2 | снято с производства | |||
| 60 | INTERNAL TOOTH LOCKWASHER | 4 | цена по запросу | |||
| 61 | CONNECTOR STUD BRACKET | 1 | снято с производства | |||
| 62 | HEX CAP SCREW, 5/16 - 18 X 5/8 | 1 | цена по запросу | |||
| 63 | HEX CAP SCREW, 1/4 - 20 X 3/4 | 3 | цена по запросу | |||
| 64 | HEX NUT, 10 - 32 | 2 | цена по запросу | |||
| 65 | колено | 1 | снято с производства | |||
| 66 | Шланг | 1 | снято с производства | |||
| 67 | CYLINDER HEAD GASKET | 1 | цена по запросу | |||
| 68 | HEAD, CYLINDER FOR C.D. MODELS | 1 | снято с производства | |||
| 68A | головка блока | 1 | снято с производства | |||
| 71 | SPARK PLUG (L-4-J) | 2 | цена по запросу | |||
| 76 | SPRING LOCKWASHER | 11 | цена по запросу | |||
| 78 | HEX HD CAP SCREW, 3/8 - 16 X 2 1/4 | 10 | цена по запросу | |||
| 79 | PLAIN WASHER | 10 | цена по запросу | |||
| 80 | заглушка трубки | 1 | снято с производства | |||
| 81 | GROMMET, THERMOSTAT | 1 | 390 руб. | |||
| 82 | термостат | 1 | цена по запросу | |||
| 83 | THERMOSTAT COVER GASKET | 1 | 220 руб. | |||
| 84 | крышка термостата | 1 | цена по запросу | |||
| 85 | FILL HD SCREW, 10 - 24 X 1 1/16 | 3 | цена по запросу | |||
| 86 | FITTING, THERMOSTAT | 1 | снято с производства | |||
| 87 | зажим | 2 | цена по запросу | |||
| 88 | WATER TUBE, THERMOSTAT | 1 | снято с производства | |||
| 89 | FITTING, THERMOSTAT | 1 | снято с производства | |||
| 90 | HEX HD SCREW, 1/4 - 20 X 2 1/8 | 9 | снято с производства | |||
| 91 | LEAD WIRE CLIP | 1 | снято с производства | |||
| 92 | HEX HD SCREW, 1/4 - 20 X 5/8 | 4 | снято с производства | |||
| 93 | EXHAUST PORT COVER | 1 | снято с производства | |||
| 94 | EXHAUST PORT PLATE GASKET | 2 | цена по запросу | |||
| 95 | EXHAUST PORT PLATE | 1 | цена по запросу | |||
| 96 | колено | 1 | снято с производства | |||
| 97 | Шланг | 1 | снято с производства | |||
| 98 | колено | 1 | снято с производства | |||
| 99 | SPRING PIN | 1 | цена по запросу | |||
| 100 | пробка | 1 | снято с производства | |||
| 101 | FILL HD SCREW, 1/4 - 20 X 1 | 1 | цена по запросу | |||
| 102 | HEX NUT | 1 | цена по запросу | |||
| - | GASKET SET (NOT SHOWN) | 1 | цена по запросу | |||
| - | CRANKCASE PARTING LINE SEAL (NOT SHOWN) | 1 | цена по запросу | |||
| - | SPARK PLUG (UL-18V) FOR C.D. MODELS | 2 | цена по запросу | |||
| - | силовой агрегат без навесного оборудования, коллекторов, маховика, поддона и головки блока цилиндров | 1 | INCLUDES ALL ITEMS MARKED WITH AN ASTERISK (*). ALSO REFER TO CRANKSHAFT PAGE. | снято с производства | ||
| 1 | Art.: F345427-1 BRACKET, STARTER MOUNTING Деталей в узле: 1 цена по запросу
| ||||||||||||||||||||||||||||||||||||||||||||||||||||||||||||||||||||||||||||||||||||||||||||||||||||||||||||||||||||||||||||||||||||||||||||||||||||||||||||||||||
| 2 | Art.: F307211 шпилька Деталей в узле: 3 снято с производства 3 | Art.: SPRING LOCKWASHER Деталей в узле: 4 цена по запросу 4 | Art.: HEX NUT, 5/16 - 18 Деталей в узле: 3 цена по запросу 5 | Art.: F433675 STARTER MOUNTING BRACKET, LOWER Деталей в узле: 1 снято с производства 6 | Art.: HEX SLOT HD SCREW, 1/4 - 20 X 5/8 Деталей в узле: 2 снято с производства 7 | Art.: HEX SOCKET HD CAP SCREW, 3/8 - 16 X 2 1/4 Деталей в узле: 1 цена по запросу 8 | HEX SOCKET HD CAP SCREW, 3/8 - 16 X 1 5/8 Деталей в узле: 5 9 | Art.: HEX HD SCREW, 1/4 - 20 X 3/4 Деталей в узле: 9 цена по запросу 10 | Art.: шпилька кулачка дросселя Деталей в узле: 1 цена по запросу 11 | Art.: F269319 THROTTLE CAM BEARING Деталей в узле: 2 снято с производства 12 | Art.: HEX NUT, 10 - 32 Деталей в узле: 2 цена по запросу 13 | Art.: F8058 INTERNAL TOOTH LOCKWASHER Деталей в узле: 4 цена по запросу
14 | Art.: F433192 дроссельный кулачок Деталей в узле: 1 снято с производства 15 | Art.: BALL JOINT W/BEARING Деталей в узле: 2 16 | Art.: HEX NUT, 10 - 32 Деталей в узле: 2 цена по запросу 17 | Art.: ELASTIC STOP NUT, 1/4 - 20 Деталей в узле: 1 цена по запросу 18 | Art.: приводная штанга дросселя Деталей в узле: 1 снято с производства 19 | Art.: F1134 FILL HD SCREW, 8 - 32 X 1 1/8 Деталей в узле: 2 снято с производства 20 | Art.: буфер Деталей в узле: 2 цена по запросу 21 | Art.: STOP NUT, 8 - 32 Деталей в узле: 2 22 | Art.: SPARK CONTROL SWIVEL Деталей в узле: 2 снято с производства 23 | Art.: SPARK CONTROL BEARING, L.H. Деталей в узле: 1 цена по запросу
24 | Art.: HEX NUT, 10 - 24 Деталей в узле: 1 цена по запросу 25 | Art.: F269445-1 привод управления подачей искры Деталей в узле: 1 снято с производства 26 | Art.: SPARK CONTROL BEARING, R.H. Деталей в узле: 1 снято с производства 27 | Art.: FILL HD SCREW, 10 - 24 X 1 Деталей в узле: 4 цена по запросу 28 | Art.: TOWERSHAFT BEARING Деталей в узле: 4 снято с производства 29 | TOWERSHAFT W/CLAMP AND SWIVEL Деталей в узле: 1 снято с производства 30 | Art.: F1727 PLASTIC RIVET Деталей в узле: 1 снято с производства 31 | Art.: FILL HD SCREW, 1/4 - 20 X 3/4 Деталей в узле: 1 снято с производства 32 | Art.: FILL HD SCREW W/LOCKWASHER, 10 - 24 X 3/8 Деталей в узле: 2 цена по запросу 33 | Art.: F405457 PIVOT SCREW Деталей в узле: 2 снято с производства 34 | Art.: FK405020 SWIVEL W/SCREW AND NUT Деталей в узле: 1 снято с производства 35 | Art.: Подшипник Деталей в узле: 1 цена по запросу 36 | Art.: F269052 SHIFT ARM BEARING Деталей в узле: 2 снято с производства 37 | Art.: STOP NUT, 7/16 - 20 Деталей в узле: 1 цена по запросу 38 | SHIFT ARM W/CLAMP AND SWIVEL Деталей в узле: 1 снято с производства 39 | Art.: F1136 FLAT HD SCREW, 1/4 - 20 X 1 Деталей в узле: 2 снято с производства 40 | Art.: F2016 FILL HD SCREW, 6 - 32 X 7/8 Деталей в узле: 2 снято с производства 41 | Art.: F84449 SWITCH, NEUTRAL INTERLOCK Деталей в узле: 1 снято с производства 42 | Art.: F1446 SLOTTED PAN HD SCREW, 1/4 - 20 X 1 Деталей в узле: 2 снято с производства 43 | Art.: FA433471 CYLINDER DRAIN COVER Деталей в узле: 1 снято с производства 44 | Art.: F93472-1 CYLINDER DRAIN COVER GASKET Деталей в узле: 1 цена по запросу
45 | Art.: F1286 PAN HD SCREW, 4 - 40 X 3/16 Деталей в узле: 2 снято с производства 46 | Art.: PLAIN WASHER Деталей в узле: 2 цена по запросу 47 | Art.: F93920 CYLINDER DRAIN REED STOP Деталей в узле: 2 снято с производства 48 | Art.: REED, CYLINDER DRAIN Деталей в узле: 2 цена по запросу 49 | Art.: CYLNDR DRAIN REED PLATE W/REEDS,REED STOPS,SCREWS & SCREEN Деталей в узле: 1 снято с производства 50 | Art.: F93811 SCREEN, CYLINDER DRAIN REED PLATE Деталей в узле: 2 снято с производства 51 | Art.: F93748-1 CYLINDER DRAIN REED PLATE GASKET Деталей в узле: 1 52 | Art.: F8559 посадочный штифт Деталей в узле: 2 цена по запросу
53 | Art.: FA478010 CYLINDER W/CRANKCASE COVER, DEFLECTOR PLATE AND SCREWS Деталей в узле: 1 снято с производства 54 | Art.: F1524 WELCH PLUG Деталей в узле: 1 снято с производства 55 | TRANSFER PORT COVER GASKET Деталей в узле: 2 56 | Art.: TRANSFER PORT COVER Деталей в узле: 1 снято с производства 57 | Art.: PLAIN WASHER Деталей в узле: 2 цена по запросу 58 | Art.: F84314-2 ELBOW, FUEL LINE Деталей в узле: 1 снято с производства 59 | Art.: F98273 ROD END CONNECTOR STUD Деталей в узле: 2 снято с производства 60 | Art.: F8058 INTERNAL TOOTH LOCKWASHER Деталей в узле: 4 цена по запросу
61 | Art.: 817746A1 CONNECTOR STUD BRACKET Деталей в узле: 1 снято с производства 62 | Art.: HEX CAP SCREW, 5/16 - 18 X 5/8 Деталей в узле: 1 цена по запросу 63 | Art.: HEX CAP SCREW, 1/4 - 20 X 3/4 Деталей в узле: 3 цена по запросу 64 | Art.: HEX NUT, 10 - 32 Деталей в узле: 2 цена по запросу 65 | Art.: F404801 колено Деталей в узле: 1 снято с производства 66 | Шланг Деталей в узле: 1 снято с производства 67 | Art.: F201529-1 CYLINDER HEAD GASKET Деталей в узле: 1 цена по запросу
68 | Art.: F2A467518 HEAD, CYLINDER FOR C.D. MODELS Деталей в узле: 1 снято с производства 68A | Art.: головка блока Деталей в узле: 1 снято с производства 71 | Art.: SPARK PLUG (L-4-J) Деталей в узле: 2 цена по запросу 76 | Art.: SPRING LOCKWASHER Деталей в узле: 11 цена по запросу 78 | Art.: HEX HD CAP SCREW, 3/8 - 16 X 2 1/4 Деталей в узле: 10 цена по запросу 79 | Art.: PLAIN WASHER Деталей в узле: 10 цена по запросу 80 | Art.: F328109 заглушка трубки Деталей в узле: 1 снято с производства 81 | Art.: F97504 GROMMET, THERMOSTAT Деталей в узле: 1 82 | Art.: термостат Деталей в узле: 1 цена по запросу 83 | Art.: THERMOSTAT COVER GASKET Деталей в узле: 1 84 | Art.: крышка термостата Деталей в узле: 1 цена по запросу 85 | Art.: FILL HD SCREW, 10 - 24 X 1 1/16 Деталей в узле: 3 цена по запросу 86 | Art.: F97275 FITTING, THERMOSTAT Деталей в узле: 1 снято с производства 87 | Art.: зажим Деталей в узле: 2 цена по запросу 88 | Art.: WATER TUBE, THERMOSTAT Деталей в узле: 1 снято с производства 89 | Art.: FITTING, THERMOSTAT Деталей в узле: 1 |
