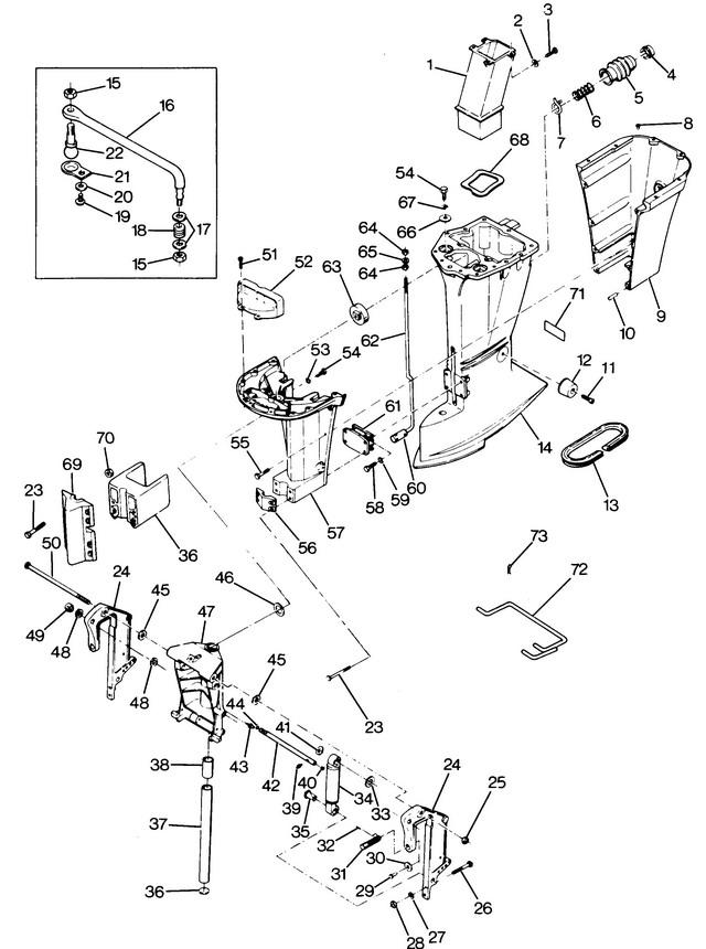
FORCE 1987 125 H.P.
MOTOR LEG
MOTOR LEG
| № | Артикул | Наименование | Деталей в узле | Комментарий | Цена | |
| 1 | выпускная труба | 1 | снято с производства | |||
| 2 | SPRING LOCKWASHER | 4 | цена по запросу | |||
| 3 | HEX SLOT HD SCREW, 1/4 - 20 X 3/4 | 4 | цена по запросу | |||
| 4 | Палец-вкладыш | 1 | снято с производства | |||
| 5 | BOOT IDLE EXHAUST | 1 | 3070 руб. | |||
| 6 | Пружина | 1 | 410 руб. | |||
| 7 | зажим | 1 | цена по запросу | |||
| 8 | пробка | 2 | снято с производства | |||
| 9 | MOTOR LEG COVER REAR | 1 | снято с производства | |||
| 10 | SPRING PIN | 2 | цена по запросу | |||
| 11 | HEX SOCKET HD CAP SCREWS, 5/16 - 18 X 9/16 | 2 | цена по запросу | |||
| 12 | SHOCK MOUNT LOWER REAR | 2 | снято с производства | |||
| 13 | SEAL, MOTOR LEG | 1 | снято с производства | |||
| 14 | MOTOR LEG (20 INCH MODELS) | 1 | цена по запросу | |||
| 15 | STOP NUT, 3/8 - 24 | 2 | цена по запросу | |||
| 17 | PLAIN WASHER | 2 | цена по запросу | |||
| 18 | Пружина | 1 | цена по запросу | |||
| 19 | PAN HD SCREW, 8 - 32 X 1/4 | 1 | цена по запросу | |||
| 20 | SPRING LOCKWASHER | 1 | цена по запросу | |||
| 21 | фиксатор | 1 | снято с производства | |||
| 22 | STEERING BALL STUD | 1 | снято с производства | |||
| 23 | HEX BOLT, 5/16 - 18 X 1-3/4 | 8 | цена по запросу | |||
| 24 | STERN BRACKET | 2 | снято с производства | |||
| 25 | STOP NUT | 1 | цена по запросу | |||
| 26 | HEX HD SCREW, 3/8 - 16 X 3 | 2 | снято с производства | |||
| 27 | PLAIN WASHER | 2 | снято с производства | |||
| 28 | HEX NUT | 2 | цена по запросу | |||
| 29 | шпилька | 2 | снято с производства | |||
| 30 | CLAMP SCREW FOOT | 2 | снято с производства | |||
| 31 | Винт зажима | 2 | снято с производства | |||
| 32 | SPRING PIN | 2 | 50 руб. | |||
| 33 | PLAIN WASHER | 2 | снято с производства | |||
| 34 | SHOCK ABSORBER W/BUSHING - 178344 | 1 | снято с производства | |||
| 35 | Подшипник | 2 | 770 руб. | |||
| 36 | COVER SHOCK MT. LOWER (25 INCH MODELS) | 1 | снято с производства | |||
| 37 | KINGPIN (20 INCH MODELS) | 1 | цена по запросу | |||
| 38 | Подшипник | 2 | снято с производства | |||
| 39 | пресс-масленка | 1 | снято с производства | |||
| 40 | пробка | 1 | снято с производства | |||
| 41 | SPRING BOWED WASHER | 2 | снято с производства | |||
| 42 | TUBE, STEERING SUPPORT | 1 | снято с производства | |||
| 43 | пресс-масленка | 3 | снято с производства | |||
| 44 | SEAL, STEERING SUPPORT TUBE | 1 | цена по запросу | |||
| 45 | FRICTION WASHER | 4 | снято с производства | |||
| 46 | шайба | 1 | снято с производства | |||
| 47 | поворотный кронштейн | 1 | W/ILLUS. 38 AND 43 ORIGINAL FORCE P/N A 369072-2 | снято с производства | ||
| 48 | NUT, STEERING SUPPORT TUBE | 2 | снято с производства | |||
| 49 | Крышка | 1 | снято с производства | |||
| 50 | STERN BRACKET PIVOT BOLT | 1 | снято с производства | |||
| 51 | HEX HD SCREW, 10 - 24 X 1/2 | 4 | снято с производства | |||
| 52 | BAFFLE, AIR INTAKE | 1 | снято с производства | |||
| 53 | SPRING LOCKWASHER | 2 | цена по запросу | |||
| 54 | HEX HD SCREW, 3/8 - 16 X 3/4 | 4 | цена по запросу | |||
| 55 | HEX HD SCREW, 1/4 - 20 X 1-1/4 | 6 | 310 руб. | |||
| 56 | KINGPIN CAP (20 INCH MODELS) | 1 | снято с производства | |||
| 57 | LEG COVER FRONT | 1 | W/ILLUS. 55 | снято с производства | ||
| 58 | HEX BOLT, 5/16 - 18 X 7/8 | 4 | цена по запросу | |||
| 59 | SPRING LOCKWASHER | 4 | цена по запросу | |||
| 60 | COUPLER, GEAR SHIFT ROD | 1 | цена по запросу | |||
| 61 | SHOCK MOUNT LOWER | 1 | снято с производства | |||
| 62 | GEAR SHIFT ROD UPPER (20 INCH MODELS) | 1 | снято с производства | |||
| 63 | SHOCK MOUNT UPPER | 2 | снято с производства | |||
| 64 | LOCK NUT | 2 | снято с производства | |||
| 65 | PLAIN WASHER | 1 | цена по запросу | |||
| 66 | WASHER (SET OF 2 SHOCK MOUNT WASHERS) | 2 | W/ILLUS. 67 | снято с производства | ||
| 67 | PLAIN WASHER | 2 | цена по запросу | |||
| 68 | уплотнение выпускной трубы | 1 | снято с производства | |||
| 69 | KINGPIN CAP (25 INCH MODELS) | 1 | снято с производства | |||
| 70 | HEX NUT 5/16 - 18 | 4 | цена по запросу | |||
| 71 | DECAL, POWER FLOW | 1 | снято с производства | |||
| 72 | TRAILERING BRACKET | 1 | цена по запросу | |||
| 73 | PIN, COTTER | 1 | цена по запросу | |||
| - | GEAR SHIFT ROD UPPER (25 INCH MODELS) | 1 | цена по запросу | |||
| - | MOTOR LEG (25 INCH MODELS) | 1 | цена по запросу | |||
| - | KINGPIN (25 INCH MODELS) | 1 | снято с производства | |||
| 1 | Art.: F85660-1 выпускная труба Деталей в узле: 1 снято с производства 2 | Art.: SPRING LOCKWASHER Деталей в узле: 4 цена по запросу 3 | Art.: HEX SLOT HD SCREW, 1/4 - 20 X 3/4 Деталей в узле: 4 цена по запросу 4 | Art.: Палец-вкладыш Деталей в узле: 1 снято с производства 5 | BOOT IDLE EXHAUST Деталей в узле: 1 6 | Art.: F85380 Пружина Деталей в узле: 1 7 | Art.: F85772 зажим Деталей в узле: 1 цена по запросу
8 | Art.: F1729 пробка Деталей в узле: 2 снято с производства 9 | MOTOR LEG COVER REAR Деталей в узле: 1 снято с производства 10 | Art.: F1664 SPRING PIN Деталей в узле: 2 цена по запросу
11 | Art.: F1263 HEX SOCKET HD CAP SCREWS, 5/16 - 18 X 9/16 Деталей в узле: 2 цена по запросу
12 | Art.: F438962 SHOCK MOUNT LOWER REAR Деталей в узле: 2 снято с производства 13 | Art.: F178323 SEAL, MOTOR LEG Деталей в узле: 1 снято с производства 14 | MOTOR LEG (20 INCH MODELS) Деталей в узле: 1 цена по запросу 15 | Art.: STOP NUT, 3/8 - 24 Деталей в узле: 2 цена по запросу 17 | Art.: PLAIN WASHER Деталей в узле: 2 цена по запросу 18 | Art.: F523300-1 Пружина Деталей в узле: 1 цена по запросу
19 | Art.: F1280 PAN HD SCREW, 8 - 32 X 1/4 Деталей в узле: 1 цена по запросу
20 | Art.: SPRING LOCKWASHER Деталей в узле: 1 цена по запросу 21 | Art.: F523930 фиксатор Деталей в узле: 1 снято с производства 22 | Art.: F523273 STEERING BALL STUD Деталей в узле: 1 снято с производства 23 | Art.: HEX BOLT, 5/16 - 18 X 1-3/4 Деталей в узле: 8 цена по запросу 24 | Art.: 1400-817958A6 STERN BRACKET Деталей в узле: 2 снято с производства 25 | Art.: STOP NUT Деталей в узле: 1 цена по запросу 26 | Art.: HEX HD SCREW, 3/8 - 16 X 3 Деталей в узле: 2 снято с производства 27 | Art.: F1904 PLAIN WASHER Деталей в узле: 2 снято с производства 28 | Art.: HEX NUT Деталей в узле: 2 цена по запросу 29 | Art.: F353480 шпилька Деталей в узле: 2 снято с производства 30 | Art.: F84074 CLAMP SCREW FOOT Деталей в узле: 2 снято с производства 31 | Art.: Винт зажима Деталей в узле: 2 снято с производства 32 | Art.: F8538 SPRING PIN Деталей в узле: 2 33 | Art.: F1710 PLAIN WASHER Деталей в узле: 2 снято с производства 34 | SHOCK ABSORBER W/BUSHING - 178344 Деталей в узле: 1 снято с производства 35 | Art.: F449362 Подшипник Деталей в узле: 2 36 | Art.: COVER SHOCK MT. LOWER (25 INCH MODELS) Деталей в узле: 1 снято с производства 37 | Art.: FS85019 KINGPIN (20 INCH MODELS) Деталей в узле: 1 цена по запросу
38 | Art.: Подшипник Деталей в узле: 2 снято с производства 39 | Art.: F523274 пресс-масленка Деталей в узле: 1 снято с производства 40 | Art.: F9052 пробка Деталей в узле: 1 снято с производства 41 | Art.: F1711 SPRING BOWED WASHER Деталей в узле: 2 снято с производства 42 | Art.: TUBE, STEERING SUPPORT Деталей в узле: 1 снято с производства 43 | Art.: F213274 пресс-масленка Деталей в узле: 3 снято с производства 44 | Art.: SEAL, STEERING SUPPORT TUBE Деталей в узле: 1 цена по запросу 45 | Art.: F84286-1 FRICTION WASHER Деталей в узле: 4 снято с производства 46 | Art.: F84011 шайба Деталей в узле: 1 снято с производства 47 | Art.: 817783A5 поворотный кронштейн (W/ILLUS. 38 AND 43 ORIGINAL FORCE P/N A 369072-2)Деталей в узле: 1 снято с производства 48 | Art.: F523280 NUT, STEERING SUPPORT TUBE Деталей в узле: 2 снято с производства 49 | Art.: F9018 Крышка Деталей в узле: 1 снято с производства 50 | Art.: F85037-1 STERN BRACKET PIVOT BOLT Деталей в узле: 1 снято с производства 51 | Art.: F1912 HEX HD SCREW, 10 - 24 X 1/2 Деталей в узле: 4 снято с производства 52 | Art.: BAFFLE, AIR INTAKE Деталей в узле: 1 снято с производства 53 | Art.: SPRING LOCKWASHER Деталей в узле: 2 цена по запросу 54 | Art.: HEX HD SCREW, 3/8 - 16 X 3/4 Деталей в узле: 4 цена по запросу 55 | Art.: F2030 HEX HD SCREW, 1/4 - 20 X 1-1/4 Деталей в узле: 6 56 | Art.: KINGPIN CAP (20 INCH MODELS) Деталей в узле: 1 снято с производства 57 | LEG COVER FRONT (W/ILLUS. 55)Деталей в узле: 1 снято с производства 58 | Art.: HEX BOLT, 5/16 - 18 X 7/8 Деталей в узле: 4 цена по запросу 59 | Art.: SPRING LOCKWASHER Деталей в узле: 4 цена по запросу 60 | Art.: F85704 COUPLER, GEAR SHIFT ROD Деталей в узле: 1 цена по запросу
61 | Art.: SHOCK MOUNT LOWER Деталей в узле: 1 снято с производства 62 | Art.: F85615-1 GEAR SHIFT ROD UPPER (20 INCH MODELS) Деталей в узле: 1 снято с производства 63 | Art.: F85965 SHOCK MOUNT UPPER Деталей в узле: 2 снято с производства 64 | Art.: F2108 LOCK NUT Деталей в узле: 2 снято с производства 65 | Art.: PLAIN WASHER Деталей в узле: 1 цена по запросу 66 | Art.: FA85355-1 WASHER (SET OF 2 SHOCK MOUNT WASHERS) (W/ILLUS. 67)Деталей в узле: 2 снято с производства 67 | Art.: PLAIN WASHER Деталей в узле: 2 цена по запросу 68 | Art.: F439736 уплотнение выпускной трубы Деталей в узле: 1 снято с производства 69 | Art.: KINGPIN CAP (25 INCH MODELS) Деталей в узле: 1 снято с производства 70 | Art.: HEX NUT 5/16 - 18 Деталей в узле: 4 |
