45 H.P.
ELECTRIC STARTER
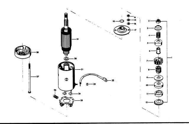
ELECTRIC STARTER
| № | Артикул | Наименование | Деталей в узле | Комментарий | Цена | |
| 1 | BENDIX DRIVE | 1 | снято с производства | |||
| 2 | гайка | 1 | снято с производства | |||
| 3 | ограничитель | 1 | снято с производства | |||
| 4 | Пружина | 1 | снято с производства | |||
| 5 | CUP, PINION | 1 | снято с производства | |||
| 6 | втулка | 1 | снято с производства | |||
| 7 | ведущая шестерня | 1 | снято с производства | |||
| 8 | SCREW SHAFT | 1 | снято с производства | |||
| 9 | шайба | 1 | снято с производства | |||
| 10 | крышка | 1 | снято с производства | |||
| 11 | Подушка | 1 | снято с производства | |||
| 12 | CUP, CUSHION THRUST | 1 | снято с производства | |||
| 14 | HEX NUT, 1/4 - 20 | 2 | цена по запросу | |||
| 15 | стопорная шайба | 2 | снято с производства | |||
| 16 | PLAIN WASHER | 2 | цена по запросу | |||
| 17 | HEAD ASSEMBLY, DRIVE END | 1 | снято с производства | |||
| 18 | "O" RING SEAL | 1 | снято с производства | |||
| 19 | сердечник | 1 | снято с производства | |||
| 20 | THRUST WASHER PACKAGE | 1 | снято с производства | |||
| 21 | FRAME AND FIELD ASSEMBLY | 1 | INCLUDES ITEM 24 | снято с производства | ||
| 22 | STARTER LEAD | 1 | цена по запросу | |||
| 23 | HEX LOCK NUT, 1/4 - 20 | 1 | снято с производства | |||
| 24 | набор контактных щеток | 1 | цена по запросу | |||
| 25 | BRUSH PLATE AND HOLDER | 1 | цена по запросу | |||
| 26 | Набор пружин | 1 | цена по запросу | |||
| 27 | THRU BOLT PACKAGE (SET OF 2 BOLTS) | 1 | снято с производства | |||
| 28 | HEAD ASSEMBLY, COMMUTATOR END | 1 | ||||
| - | STARTER MOTOR COMPLETE (NOT SHOWN) | 1 | цена по запросу | |||
| 1 | Art.: F15113 BENDIX DRIVE Деталей в узле: 1 снято с производства 2 | Art.: F15087 гайка Деталей в узле: 1 снято с производства 3 | Art.: F15109 ограничитель Деталей в узле: 1 снято с производства 4 | Art.: F15088 Пружина Деталей в узле: 1 снято с производства 5 | Art.: F15115 CUP, PINION Деталей в узле: 1 снято с производства 6 | Art.: F15116 втулка Деталей в узле: 1 снято с производства 7 | Art.: ведущая шестерня Деталей в узле: 1 снято с производства 8 | Art.: SCREW SHAFT Деталей в узле: 1 снято с производства 9 | Art.: F15091 шайба Деталей в узле: 1 снято с производства 10 | Art.: F15105 крышка Деталей в узле: 1 снято с производства 11 | Art.: F15106 Подушка Деталей в узле: 1 снято с производства 12 | Art.: F15104 CUP, CUSHION THRUST Деталей в узле: 1 снято с производства 14 | Art.: HEX NUT, 1/4 - 20 Деталей в узле: 2 цена по запросу 15 | Art.: F8060 стопорная шайба Деталей в узле: 2 снято с производства 16 | Art.: PLAIN WASHER Деталей в узле: 2 цена по запросу 17 | Art.: F15021-1 HEAD ASSEMBLY, DRIVE END Деталей в узле: 1 снято с производства 18 | Art.: F15000 "O" RING SEAL Деталей в узле: 1 снято с производства 19 | Art.: F15044 сердечник Деталей в узле: 1 снято с производства 20 | Art.: F15073 THRUST WASHER PACKAGE Деталей в узле: 1 снято с производства 21 | Art.: F15043 FRAME AND FIELD ASSEMBLY (INCLUDES ITEM 24)Деталей в узле: 1 снято с производства 22 | Art.: STARTER LEAD Деталей в узле: 1 цена по запросу 23 | Art.: HEX LOCK NUT, 1/4 - 20 Деталей в узле: 1 |
