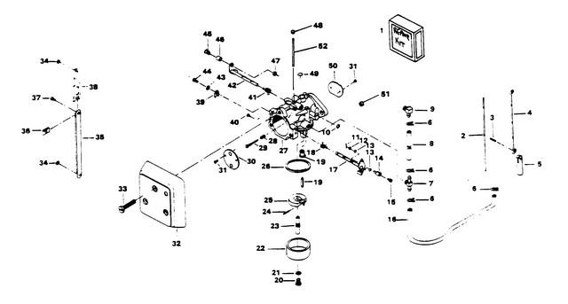
FORCE 125 H.P.
карбюратор (589061-1)
карбюратор (589061-1)
| № | Артикул | Наименование | Деталей в узле | Комментарий | Цена | |
| 1 | REPAIR PARTS KIT. | 1 | INCLUDES ALL ITEMS MARKED WITH AN ASTERISK (*). | цена по запросу | ||
| 2 | приводная штанга воздушной заслонки | 1 | снято с производства | |||
| 3 | GROOVE PIN | 1 | снято с производства | |||
| 4 | тяга диффузора | 1 | снято с производства | |||
| 5 | плунжер | 1 | снято с производства | |||
| 6 | зажим | 4 | цена по запросу | |||
| 7 | FUEL FITTING | 1 | 5280 руб. | |||
| 8 | Топливопровод | 1 | цена по запросу | |||
| 9 | колено | 1 | снято с производства | |||
| 10 | E-образная стопорная шайба | 1 | снято с производства | |||
| 11 | шплинт | 2 | цена по запросу | |||
| 12 | PLAIN WASHER | 3 | цена по запросу | |||
| 13 | O-RING SEAL | 5 | цена по запросу | |||
| 14 | SWIVEL, TOP CARBURETOR | 1 | снято с производства | |||
| 15 | FILL HD SCREW, 6 - 32 X 1/4 | 2 | снято с производства | |||
| 16 | Топливопровод | 1 | снято с производства | |||
| 17 | вал воздушной заслонки и рычаг | 1 | снято с производства | |||
| 18 | CHOKE SHAFT RETURN SPRING | 1 | 580 руб. | |||
| 19 | впускная игла и седло | 1 | W/LITERATURE | не посталяется заказывайте 851903A1 | ||
| 20 | FUEL BOWL RETAINING SCREW | 1 | 920 руб. | |||
| 21 | FUEL BOWL RETAINING SCREW GASKET | 2 | 330 руб. | |||
| 22 | камера топливной смеси | 1 | 1640 руб. | |||
| 23 | главный распылитель | 1 | 3900 руб. | |||
| 24 | FLOAT LEVER PIN | 1 | 640 руб. | |||
| 25 | поплавок | 1 | 4400 руб. | |||
| 26 | FUEL BOWL GASKET | 1 | 340 руб. | |||
| 27 | CARBURETOR COMPLETE | 2 | цена по запросу | |||
| 28 | IDLE MIXTURE SCREW SPRING | 1 | цена по запросу | |||
| 29 | винт регулировки качества смеси на холостом ходу | 1 | 1480 руб. | |||
| 30 | CHOKE, SHUTTER | 1 | снято с производства | |||
| 31 | CHOKE AND THROTTLE SHUTTER SCREW | 4 | 300 руб. | |||
| 32 | Крышка карбюратора | 2 | цена по запросу | |||
| 33 | PAN HD. SCREW, 1/4 - 20 X 1-3/8 | 6 | 560 руб. | |||
| 34 | стопорное кольцо | 2 | цена по запросу | |||
| 35 | THROTTLE TIE BAR W/SWIVEL | 1 | снято с производства | |||
| 36 | TIE BAR RETAINER NUT | 1 | 320 руб. | |||
| 37 | FILL HD. SCREW, 8 - 32 X 3/8 | 1 | 130 руб. | |||
| 38 | TIE BAR END W/SWIVEL | 1 | снято с производства | |||
| 39 | CLIP, CHOKE SHAFT | 1 | снято с производства | |||
| 40 | MAIN FUEL JET STD. .0937 SEA LEVEL - 1500 FT. | 1 | снято с производства | |||
| 41 | THROTTLE SHAFT RETURN SPRING | 1 | 1970 руб. | |||
| 42 | THROTTLE SHAFT AND LEVER | 1 | цена по запросу | |||
| 43 | стопорная шайба | 1 | снято с производства | |||
| 44 | винт | 1 | снято с производства | |||
| 45 | THROTTLE ROLLER SHAFT | 1 | снято с производства | |||
| 46 | THROTTLE ROLLER | 1 | снято с производства | |||
| 47 | STOP NUT, 8 - 32 | 1 | 380 руб. | |||
| 48 | BODY CHANNEL CUP PLUG | 4 | 840 руб. | |||
| 49 | BODY CHANNEL WELCH PLUG | 1 | 350 руб. | |||
| 50 | заслонка дросселя | 1 | снято с производства | |||
| 51 | CUP, METERING | 1 | снято с производства | |||
| 52 | BY PASS TUBE | 1 | 1670 руб. | |||
| - | GASKET SET. | 1 | INCLUDES ILLUS. 21, 26 AND 31 ON PAGE 10. | 910 руб. | ||
| - | SWIVEL, CHOKE ROD (BOTTOM CARBURETOR) (NOT SHOWN) | 1 | снято с производства | |||
| - | MAIN FUEL JET OPT. .086 6000 FT. & UP | - | 1580 руб. | |||
| - | MAIN FUEL JET OPT. .088 4500 - 6000 FT. | - | 1710 руб. | |||
| - | MAIN FUEL JET OPT. .092 1500 - 3000 FT. | - | цена по запросу | |||
| - | MAIN FUEL JET OPT. .090 3000 - 4500 FT. | - | цена по запросу | |||
| 1 | Art.: REPAIR PARTS KIT. (INCLUDES ALL ITEMS MARKED WITH AN ASTERISK (*).)Деталей в узле: 1 цена по запросу 2 | Art.: F85509-1 приводная штанга воздушной заслонки Деталей в узле: 1 снято с производства 3 | Art.: F2033 GROOVE PIN Деталей в узле: 1 снято с производства 4 | Art.: F440925 тяга диффузора Деталей в узле: 1 снято с производства 5 | Art.: F391926-1 плунжер Деталей в узле: 1 снято с производства 6 | Art.: зажим Деталей в узле: 4 цена по запросу 7 | Art.: FUEL FITTING Деталей в узле: 1 8 | Топливопровод Деталей в узле: 1 цена по запросу 9 | Art.: F84314-2 колено Деталей в узле: 1 снято с производства 10 | Art.: FO16620 E-образная стопорная шайба Деталей в узле: 1 снято с производства 11 | Art.: шплинт Деталей в узле: 2 цена по запросу 12 | Art.: PLAIN WASHER Деталей в узле: 3 цена по запросу 13 | Art.: O-RING SEAL Деталей в узле: 5 цена по запросу 14 | Art.: F184033-1 SWIVEL, TOP CARBURETOR Деталей в узле: 1 снято с производства 15 | Art.: F1059 FILL HD SCREW, 6 - 32 X 1/4 Деталей в узле: 2 снято с производства 16 | Топливопровод Деталей в узле: 1 снято с производства 17 | Art.: FO16301 вал воздушной заслонки и рычаг Деталей в узле: 1 снято с производства 18 | Art.: FO17885 CHOKE SHAFT RETURN SPRING Деталей в узле: 1 19 | Art.: FK10107 впускная игла и седло (W/LITERATURE)Деталей в узле: 1 не посталяется заказывайте 851903A1 20 | Art.: FO16132 FUEL BOWL RETAINING SCREW Деталей в узле: 1 21 | Art.: FO5323 FUEL BOWL RETAINING SCREW GASKET Деталей в узле: 2 22 | Art.: FO16130 камера топливной смеси Деталей в узле: 1 23 | Art.: FO16133 главный распылитель Деталей в узле: 1 24 | Art.: FO13944 FLOAT LEVER PIN Деталей в узле: 1 25 | Art.: поплавок Деталей в узле: 1 26 | Art.: FO15623 FUEL BOWL GASKET Деталей в узле: 1 27 | Art.: CARBURETOR COMPLETE Деталей в узле: 2 цена по запросу 28 | Art.: IDLE MIXTURE SCREW SPRING Деталей в узле: 1 цена по запросу 29 | Art.: FO14166 винт регулировки качества смеси на холостом ходу Деталей в узле: 1 30 | Art.: FO17719 CHOKE, SHUTTER Деталей в узле: 1 снято с производства 31 | CHOKE AND THROTTLE SHUTTER SCREW Деталей в узле: 4 32 | Art.: Крышка карбюратора Деталей в узле: 2 цена по запросу 33 | PAN HD. SCREW, 1/4 - 20 X 1-3/8 Деталей в узле: 6 34 | Art.: стопорное кольцо Деталей в узле: 2 цена по запросу 35 | Art.: FA178233 THROTTLE TIE BAR W/SWIVEL Деталей в узле: 1 снято с производства 36 | Art.: F1693 TIE BAR RETAINER NUT Деталей в узле: 1 37 | Art.: F1064 FILL HD. SCREW, 8 - 32 X 3/8 Деталей в узле: 1 38 | Art.: FA85193 TIE BAR END W/SWIVEL Деталей в узле: 1 снято с производства 39 | Art.: FO9678 CLIP, CHOKE SHAFT Деталей в узле: 1 снято с производства 40 | Art.: FO14191 MAIN FUEL JET STD. .0937 SEA LEVEL - 1500 FT. Деталей в узле: 1 снято с производства 41 | Art.: FO16143 THROTTLE SHAFT RETURN SPRING Деталей в узле: 1 42 | Art.: FO17884 THROTTLE SHAFT AND LEVER Деталей в узле: 1 цена по запросу
43 | Art.: FO992 стопорная шайба Деталей в узле: 1 снято с производства 44 | Art.: FO1974 винт Деталей в узле: 1 снято с производства 45 | Art.: THROTTLE ROLLER SHAFT Деталей в узле: 1 снято с производства 46 | Art.: THROTTLE ROLLER Деталей в узле: 1 снято с производства 47 | Art.: STOP NUT, 8 - 32 Деталей в узле: 1 48 | Art.: FO10588 BODY CHANNEL CUP PLUG Деталей в узле: 4 49 | Art.: FO16128 BODY CHANNEL WELCH PLUG Деталей в узле: 1 50 | Art.: FO16142 заслонка дросселя Деталей в узле: 1 снято с производства 51 | Art.: F433473 CUP, METERING Деталей в узле: 1 снято с производства 52 | Art.: FO16993 BY PASS TUBE Деталей в узле: 1 |
