MERC 500
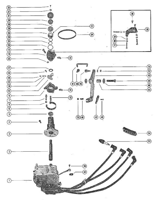
IGNITION DRIVER AND PILOT ASSEMBLY
IGNITION DRIVER AND PILOT ASSEMBLY
| № | Артикул | Наименование | Деталей в узле | Комментарий | Цена | |
| 1 | IGNITION DRIVER ASSEBMLY, COMPLETE | 1 | снято с производства | |||
| 2 | SHFT, IGNITION DRIVE | 1 | снято с производства | |||
| 3 | PILOT ASSEMBLY, IGNITION DRIVE | 1 | снято с производства | |||
| 4 | SCREW, ADAPTOR AND PILOT TO IGNITION DRIVE (5/8") | 4 | цена по запросу | |||
| 5 | BALL BEARING, IGNITION DRIVE PILOT | 1 | снято с производства | |||
| 6 | SPRING, HORESHOE - IGNITION DRIVE PILOT | 1 | снято с производства | |||
| 7 | PIN, ANCHOR - HORSESHOE SPRING TO ANCHOR PIN | 1 | снято с производства | |||
| 8 | WASHER, HORSESHOE SPRING TO ANCHOR PIN | 1 | цена по запросу | |||
| 9 | EXONOMIZER COLLAR AND PIN ASSEMBLY | 1 | снято с производства | |||
| 10 | PIN, ECONOMIZER COLLAR - SPRING RETAINER | 1 | снято с производства | |||
| 11 | FITTING, GREASE - ECONOMIZER COLLAR | 1 | снято с производства | |||
| 12 | PLATE, THROTTLE ACTUATOR | 1 | 3530 руб. | |||
| 13 | SCREW, TRHOTTLE ACTUATOR TO ECONOMIZER COLLAR (1/2") | 2 | снято с производства | |||
| 14 | SCREW, ADJUSTING - THROTTLE ACTUATOR (1") | 1 | снято с производства | |||
| 15 | NUT, THROTTLE ACTUATOR ADJUSTING SCREW | 1 | цена по запросу | |||
| 16 | CAP, THROTTLE ACTUATOR ADJUSING SCREW | 1 | 500 руб. | |||
| 17 | WASHER, IGNITION DRIVE PILOT TO ADAPTOR | 1 | снято с производства | |||
| 18 | ADAPTOR, IGNITION DRIVE | 1 | снято с производства | |||
| 19 | SCREW, ADAPTOR AND PILOT TO CRANKCASE (1-1/4") | 3 | цена по запросу | |||
| 20 | WASHER, ADAPTOR AND PILOT TO CRANKCASE SCREW | 3 | 360 руб. | |||
| 22 | FITTING GREASE - IGNITION DRIVE ADAPTOR | 1 | снято с производства | |||
| 23 | WASHER, IGNITION DRIVER PILOT | 1 | снято с производства | |||
| 24 | TAB WASHER, ADAPTOR CAP FASTENING | 1 | снято с производства | |||
| 25 | WASHER, WAVE - IGNITION DRIVER BALL BEARING TENSION | 1 | снято с производства | |||
| 26 | CAP, IGNITION DRIVE ADAPTOR AND PILOT FASTENING | 1 | снято с производства | |||
| 27 | KEY, IGNITION DRIVE | 1 | снято с производства | |||
| 28 | HUB, DRIVEN PULLEY | 1 | снято с производства | |||
| 29 | DRIVE PULLEY ASSEMBLY | 1 | снято с производства | |||
| 30 | PIN, ROLL - FLANGE | 2 | 210 руб. | |||
| 31 | FALNGE, DRIVEN PULLEY | 1 | снято с производства | |||
| 32 | шайба винта ролика | 1 | снято с производства | |||
| 33 | SCREW, PULLEY (5/8") | 1 | цена по запросу | |||
| 34 | ремень газо-распределительного механизма | 1 | цена по запросу | |||
| 35 | PLATE, THROTTLE STOP | 1 | снято с производства | |||
| 36 | SCREW, THROTTLE STOP PLATE TO ADAPTOR (7/8") | 2 | цена по запросу | |||
| 37 | SCREW, THROTTLE STOP ADJUSTING (1 5/8") | 3 | цена по запросу | |||
| 38 | NUT, THROTTLE STOP ADJUSTING SCREW | 3 | цена по запросу | |||
| 39 | CAP, MYLON - ADJUSTING SCREW | 3 | 500 руб. | |||
| 40 | SWIVEL, LINKAGE - ECONOMIZER COLLAR | 1 | снято с производства | |||
| 41 | приводная штанга | 1 | снято с производства | |||
| 42 | SWIVEL, UPPER LINK ROD TO THROTTLE CONTROL LEVER | 1 | цена по запросу | |||
| 43 | рычаг управления дросселем | 1 | снято с производства | |||
| 44 | вкладыш винта рычага дросселя | 1 | снято с производства | |||
| 45 | SCREW, THROTTLE LEVER TO EXHAUST COVER (1 1/2") | 1 | снято с производства | |||
| 46 | шайба винта рычага дросселя | 1 | 170 руб. | |||
| 47 | LATCH, THROTTLE CONTROL LEVER (THROTTLE CABLE) | 1 | 930 руб. | |||
| 48 | винт крепления защелки к рычагу управления дросселем (7/8") | 1 | цена по запросу | |||
| 49 | пружина сжатия винта защелки | 1 | 500 руб. | |||
| 50 | гайка винта защелки | 1 | цена по запросу | |||
| 51 | WASHER, UPPER SWIVEL TO THROTTLE LEVER | 1 | цена по запросу | |||
| 52 | NUT, UPPER SWIVEL TO THROTTLE LEVER | 1 | цена по запросу | |||
| 53 | SPARK PLUG (CHAMPION L-76-V) | 4 | цена по запросу | |||
| 54 | SPACER, IGNITION WIRE | 1 | снято с производства | |||
| 55 | BRACKET, TAB - CRANKCASE - IGNITION DRIVER GROUND STRAP | 1 | цена по запросу | |||
| 56 | SCRW, IGNITION DRIVER GROUND STRAP TO TAB BRACKET (3/8") | 1 | цена по запросу | |||
| - | SPACER, DRIVE PULLEY | 1 | снято с производства | |||
| 1 | Art.: 333-4674A3 IGNITION DRIVER ASSEBMLY, COMPLETE Деталей в узле: 1 снято с производства 2 | Art.: 45-27951 SHFT, IGNITION DRIVE Деталей в узле: 1 снято с производства 3 | Art.: 47883A1 PILOT ASSEMBLY, IGNITION DRIVE Деталей в узле: 1 снято с производства 4 | Art.: SCREW, ADAPTOR AND PILOT TO IGNITION DRIVE (5/8") Деталей в узле: 4 цена по запросу 5 | Art.: 30-20066 BALL BEARING, IGNITION DRIVE PILOT Деталей в узле: 1 снято с производства 6 | Art.: 24-27944 SPRING, HORESHOE - IGNITION DRIVE PILOT Деталей в узле: 1 снято с производства 7 | Art.: 17-27962 PIN, ANCHOR - HORSESHOE SPRING TO ANCHOR PIN Деталей в узле: 1 снято с производства 8 | Art.: 12-29245 WASHER, HORSESHOE SPRING TO ANCHOR PIN Деталей в узле: 1 цена по запросу
9 | Art.: 48103A1 EXONOMIZER COLLAR AND PIN ASSEMBLY Деталей в узле: 1 снято с производства 10 | Art.: 17-27961 PIN, ECONOMIZER COLLAR - SPRING RETAINER Деталей в узле: 1 снято с производства 11 | Art.: 22-25094 FITTING, GREASE - ECONOMIZER COLLAR Деталей в узле: 1 снято с производства 12 | Art.: PLATE, THROTTLE ACTUATOR Деталей в узле: 1 13 | Art.: 10-46420 SCREW, TRHOTTLE ACTUATOR TO ECONOMIZER COLLAR (1/2") Деталей в узле: 2 снято с производства 14 | Art.: 10-23015 SCREW, ADJUSTING - THROTTLE ACTUATOR (1") Деталей в узле: 1 снято с производства 15 | Art.: NUT, THROTTLE ACTUATOR ADJUSTING SCREW Деталей в узле: 1 цена по запросу 16 | Art.: 48039 CAP, THROTTLE ACTUATOR ADJUSING SCREW Деталей в узле: 1 17 | Art.: 12-46246 WASHER, IGNITION DRIVE PILOT TO ADAPTOR Деталей в узле: 1 снято с производства 18 | Art.: 66856A1 ADAPTOR, IGNITION DRIVE Деталей в узле: 1 снято с производства 19 | Art.: SCREW, ADAPTOR AND PILOT TO CRANKCASE (1-1/4") Деталей в узле: 3 цена по запросу 20 | Art.: 12-20084 WASHER, ADAPTOR AND PILOT TO CRANKCASE SCREW Деталей в узле: 3 22 | Art.: 22-25094 FITTING GREASE - IGNITION DRIVE ADAPTOR Деталей в узле: 1 снято с производства 23 | Art.: 12-27939 WASHER, IGNITION DRIVER PILOT Деталей в узле: 1 снято с производства 24 | Art.: 14-27960 TAB WASHER, ADAPTOR CAP FASTENING Деталей в узле: 1 снято с производства 25 | Art.: 13-27959 WASHER, WAVE - IGNITION DRIVER BALL BEARING TENSION Деталей в узле: 1 снято с производства 26 | Art.: 27955 CAP, IGNITION DRIVE ADAPTOR AND PILOT FASTENING Деталей в узле: 1 снято с производства 27 | Art.: 28-28657 KEY, IGNITION DRIVE Деталей в узле: 1 снято с производства 28 | Art.: 29784 HUB, DRIVEN PULLEY Деталей в узле: 1 снято с производства 29 | Art.: 29783A1 DRIVE PULLEY ASSEMBLY Деталей в узле: 1 снято с производства 30 | Art.: 17-24873 PIN, ROLL - FLANGE Деталей в узле: 2 31 | Art.: 29785 FALNGE, DRIVEN PULLEY Деталей в узле: 1 снято с производства 32 | Art.: 12-20138 шайба винта ролика Деталей в узле: 1 снято с производства 33 | Art.: SCREW, PULLEY (5/8") Деталей в узле: 1 цена по запросу 34 | Art.: 20140 ремень газо-распределительного механизма Деталей в узле: 1 цена по запросу
35 | Art.: 53458 PLATE, THROTTLE STOP Деталей в узле: 1 снято с производства 36 | Art.: SCREW, THROTTLE STOP PLATE TO ADAPTOR (7/8") Деталей в узле: 2 цена по запросу 37 | Art.: 10-20012 SCREW, THROTTLE STOP ADJUSTING (1 5/8") Деталей в узле: 3 цена по запросу
38 | Art.: 11-20013 NUT, THROTTLE STOP ADJUSTING SCREW Деталей в узле: 3 цена по запросу
39 | Art.: 26852 CAP, MYLON - ADJUSTING SCREW Деталей в узле: 3 40 | Art.: 27947 SWIVEL, LINKAGE - ECONOMIZER COLLAR Деталей в узле: 1 снято с производства 41 | Art.: 66552 приводная штанга Деталей в узле: 1 снято с производства 42 | Art.: 27948 SWIVEL, UPPER LINK ROD TO THROTTLE CONTROL LEVER Деталей в узле: 1 цена по запросу
43 | Art.: рычаг управления дросселем Деталей в узле: 1 снято с производства 44 | Art.: 23-45818 вкладыш винта рычага дросселя Деталей в узле: 1 снято с производства 45 | Art.: 10-47273 SCREW, THROTTLE LEVER TO EXHAUST COVER (1 1/2") Деталей в узле: 1 снято с производства 46 | Art.: шайба винта рычага дросселя Деталей в узле: 1 47 | Art.: 39483 LATCH, THROTTLE CONTROL LEVER (THROTTLE CABLE) Деталей в узле: 1 48 | Art.: винт крепления защелки к рычагу управления дросселем (7/8") Деталей в узле: 1 цена по запросу 49 | Art.: 24-20099 пружина сжатия винта защелки Деталей в узле: 1 50 | Art.: гайка винта защелки Деталей в узле: 1 цена по запросу 51 | Art.: 12-29245 WASHER, UPPER SWIVEL TO THROTTLE LEVER Деталей в узле: 1 цена по запросу
52 | Art.: NUT, UPPER SWIVEL TO THROTTLE LEVER Деталей в узле: 1 |
