13.5/15/15 BODENSEE (4-STROKE)
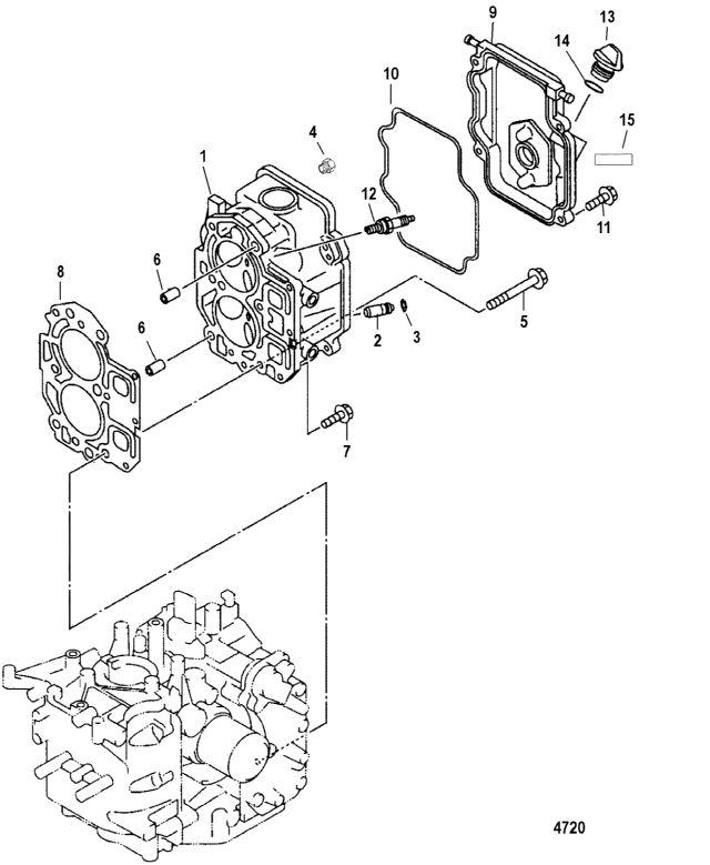
головка блока
головка блока
| № | Артикул | Наименование | Деталей в узле | Комментарий | Цена | |
| 1 | головка блока в сборе | 1 | (Electric)(Use with 32mm Camshaft) | цена по запросу | ||
| 1 | головка блока в сборе | 1 | (Manual)(Use with 32mm Camshaft) | снято с производства | ||
| 1 | головка блока в сборе | 1 | (Electric/Manual)(Use with 35mm Camshaft) | цена по запросу | ||
| 2 | GUIDE, Intake | 4 | 1550 руб. | |||
| 3 | стопорное пружинное кольцо | 4 | снято с производства | |||
| 4 | заглушка трубки | 3 | снято с производства | |||
| 5 | болт (M8 x 78) | 6 | цена по запросу | |||
| 6 | посадочный штифт | 2 | цена по запросу | |||
| 7 | Винт (M6 x 25) | 3 | 330 руб. | |||
| 8 | Прокладка | 1 | цена по запросу | |||
| 9 | крышка | 1 | цена по запросу | |||
| 10 | Уплотнение | 1 | цена по запросу | |||
| 11 | Болт (M6 x 20) | 4 | снято с производства | |||
| 12 | свеча зажигания, NGK-DPR6EA-9 | 2 | цена по запросу | |||
| 13 | масляная пробка в сборе | 1 | 700 руб. | |||
| 14 | NSS | не продается по отдельности, уплотнительное кольцо | 1 | |||
| 15 | NSS | NOT SOLD SEPARATE, Decal-recomm. Eng. Oil/Valve Cle. | 1 | |||
| - | силовая головка в сборе | 1 | (Electric) | цена по запросу | ||
| - | силовая головка в сборе | 1 | (Manual) | цена по запросу | ||
| - | набор прокладок силового агрегата | 1 | снято с производства | |||
| 1 | Art.: 900-835430A1 головка блока в сборе ((Electric)(Use with 32mm Camshaft))Деталей в узле: 1 цена по запросу
| ||||||||||||||||||||||||||||||||||||||
| 1 | Art.: 900-835430A2 головка блока в сборе ((Manual)(Use with 32mm Camshaft))Деталей в узле: 1 снято с производства 1 | Art.: 835430T08 головка блока в сборе ((Electric/Manual)(Use with 35mm Camshaft))Деталей в узле: 1 цена по запросу
2 | Art.: 850835 GUIDE, Intake Деталей в узле: 4 3 | Art.: 53-825038 стопорное пружинное кольцо Деталей в узле: 4 снято с производства 4 | Art.: 22-822644 заглушка трубки Деталей в узле: 3 снято с производства 5 | Art.: 10-855677 болт (M8 x 78) Деталей в узле: 6 цена по запросу
6 | Art.: 17-825689 посадочный штифт Деталей в узле: 2 цена по запросу
7 | Art.: Винт (M6 x 25) Деталей в узле: 3 8 | Art.: Прокладка Деталей в узле: 1 цена по запросу
9 | Art.: 834954 крышка Деталей в узле: 1 цена по запросу
10 | Art.: 850837 Уплотнение Деталей в узле: 1 цена по запросу
11 | Art.: 10-8257021 Болт (M6 x 20) Деталей в узле: 4 снято с производства 12 | Art.: свеча зажигания, NGK-DPR6EA-9 Деталей в узле: 2 цена по запросу
13 | Art.: 859578A1 масляная пробка в сборе Деталей в узле: 1 14 | Art.: -NSS не продается по отдельности, уплотнительное кольцо Деталей в узле: 1 15 | Art.: -NSS NOT SOLD SEPARATE, Decal-recomm. Eng. Oil/Valve Cle. Деталей в узле: 1 - | Art.: 802733A98 силовая головка в сборе ((Electric))Деталей в узле: 1 цена по запросу
- | Art.: 879783A01 силовая головка в сборе ((Manual))Деталей в узле: 1 цена по запросу
- | Art.: 27-835427A00 набор прокладок силового агрегата Деталей в узле: 1 снято с производства | ||||||||||||||||||||
