FORCE 1989 125 H.P. "B" MODELS-L-DRIVE
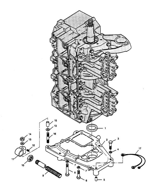
SPACER PLATE AND STEERING TUBE
SPACER PLATE AND STEERING TUBE
| № | Артикул | Наименование | Деталей в узле | Комментарий | Цена | |
| 1 | SLEEVE ADAPTER | 1 | снято с производства | |||
| 2 | PLATE, SPACER W/SLEEVE | 1 | снято с производства | |||
| 3 | SCREW, 3/8 - 16 X 2-1/4 | 5 | цена по запросу | |||
| 4 | шайба | 5 | цена по запросу | |||
| 5 | посадочный штифт | 2 | снято с производства | |||
| 6 | SCREW, 3/8 - 16 X 1-1/2 | 4 | цена по запросу | |||
| 7 | шайба | 10 | цена по запросу | |||
| 8 | SCREW 3/8 - 16 X 2-1/4 | 6 | цена по запросу | |||
| 9 | труба рулевого управления | 1 | снято с производства | |||
| 10 | NUT, 7/8 - 14 | 4 | снято с производства | |||
| 11 | GUIDE, STEERING CABLE W/GREASE FITTING | 1 | снято с производства | |||
| 12 | пресс-масленка | 1 | снято с производства | |||
| 13 | шайба | 2 | цена по запросу | |||
| 14 | STOP NUT, 7/16 - 20 | 1 | снято с производства | |||
| 15 | проставка | 1 | снято с производства | |||
| 16 | шпилька | 1 | снято с производства | |||
| 17 | CABLE, GROUND | 1 | снято с производства | |||
| 1 | Art.: F695043 SLEEVE ADAPTER Деталей в узле: 1 снято с производства 2 | Art.: F698680 PLATE, SPACER W/SLEEVE Деталей в узле: 1 снято с производства 3 | Art.: SCREW, 3/8 - 16 X 2-1/4 Деталей в узле: 5 цена по запросу 4 | Art.: шайба Деталей в узле: 5 цена по запросу 5 | Art.: F8585 посадочный штифт Деталей в узле: 2 снято с производства 6 | Art.: SCREW, 3/8 - 16 X 1-1/2 Деталей в узле: 4 цена по запросу 7 | Art.: шайба Деталей в узле: 10 цена по запросу 8 | Art.: SCREW 3/8 - 16 X 2-1/4 Деталей в узле: 6 цена по запросу 9 | Art.: F695692 труба рулевого управления Деталей в узле: 1 снято с производства 10 | Art.: F7037 NUT, 7/8 - 14 Деталей в узле: 4 снято с производства 11 | Art.: FA695487 GUIDE, STEERING CABLE W/GREASE FITTING Деталей в узле: 1 снято с производства 12 | Art.: F523274 пресс-масленка Деталей в узле: 1 снято с производства 13 | Art.: шайба Деталей в узле: 2 цена по запросу 14 | Art.: F695697 STOP NUT, 7/16 - 20 Деталей в узле: 1 снято с производства 15 | Art.: F698281 проставка Деталей в узле: 1 снято с производства 16 | Art.: F698273 шпилька Деталей в узле: 1 снято с производства 17 | Art.: CABLE, GROUND Деталей в узле: 1 снято с производства | ||||||||||||||||||
