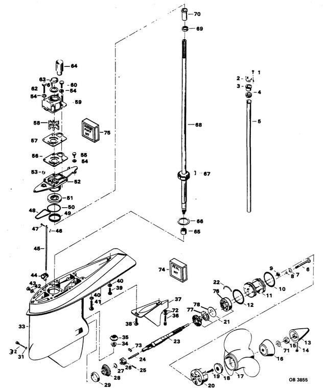
140 H.P.
Корпус редуктора
Корпус редуктора
| № | Артикул | Наименование | Деталей в узле | Комментарий | Цена | |
| 1 | HEX CAP SCREW, 1/4 - 20 X 3/4 | 2 | цена по запросу | |||
| 2 | BRACKET, WATER LINE | 1 | снято с производства | |||
| 3 | SEAL, INLET WATER LINE, UPPER | 1 | цена по запросу | |||
| 4 | GROMMET, WATER LINE | 1 | 500 руб. | |||
| 5 | INLET WATER LINE | 1 | снято с производства | |||
| 6 | HEX CAP SCREW, 5/16 - 18 X 4-1/4 | 4 | снято с производства | |||
| 7 | PLAIN WASHER | 4 | цена по запросу | |||
| 8 | уплотнительное кольцо | 4 | цена по запросу | |||
| 9 | SEAL, PROPELLER SHAFT | 1 | цена по запросу | |||
| 10 | SEAL, O-RING PROPELLER SHAFT SPOOL | 1 | цена по запросу | |||
| 11 | SPOOL, PROPELLER SHAFT BEARING | 1 | W/ILLUS. 9 | снято с производства | ||
| 12 | SEAL, O-RING PROPELLER SHAFT SPOOL | 1 | цена по запросу | |||
| 13 | гайка гребного винта | 1 | снято с производства | |||
| 14 | PIN PROPELLER NUT RETAINING | 1 | цена по запросу | |||
| 15 | STOP NUT | 1 | 1710 руб. | |||
| 16 | WASHER (ACCESSORY ITEM) | 1 | снято с производства | |||
| 17 | PROPELLER (ACCESSORY ITEM) | 1 | цена по запросу | |||
| 18 | SPACER, PROPELLER | 1 | снято с производства | |||
| 19 | FILL HD SCREW, 1/4 - 20 X 3/4 | 2 | снято с производства | |||
| 20 | ANTI-CORROSION ANODE | 1 | W/LITERATURE | снято с производства | ||
| 21 | BEVEL GEAR REAR W/BEARING CAGE SPACER AND BEARING | 1 | снято с производства | |||
| 22 | RETAINING RING, BEARING CAGE | 2 | снято с производства | |||
| 23 | вал гребного винта | 1 | снято с производства | |||
| 24 | PIN, GEAR SHIFT | 1 | снято с производства | |||
| 25 | SPRING PIN | 1 | снято с производства | |||
| 26 | муфта сцепления | 1 | 51140 руб. | |||
| 27 | SPACER, BEVEL GEAR FRONT .059 | A/R | снято с производства | |||
| 28 | BEVEL GEAR FRONT W/BEARING | 1 | снято с производства | |||
| 29 | BEARING CUP | 1 | не посталяется заказывайте 820456A1 | |||
| 31 | O-RING SEAL | 1 | цена по запросу | |||
| 32 | PIN, GEAR SHIFT ARM | 1 | цена по запросу | |||
| 33 | Корпус редуктора | 1 | W/ILLUS. 29, 30, 42, 43 AND 65 | снято с производства | ||
| 34 | NUT, BEVEL PINION | 1 | цена по запросу | |||
| 35 | BEVEL PINION GEAR | 1 | W/ILLUS. 49 AND 53 ORIGINAL FORCE P/N A 523266-2 | снято с производства | ||
| 36 | HEX SOCKET HD CAP SCREW, 5/16 - 18 X 1 | 1 | цена по запросу | |||
| 37 | EXHAUST SNOUT | 1 | цена по запросу | |||
| 38 | RETAINER, SNOUT | 1 | цена по запросу | |||
| 39 | HEX CAP SCREW, 5/16 - 18 X 1 | 1 | снято с производства | |||
| 40 | SPRING LOCKWASHER | 7 | цена по запросу | |||
| 41 | HEX HD SCREW, 5/16 - 18 X 3/4 | 6 | 1100 руб. | |||
| 42 | WASHER, GEAR HOUSING PLUG | 3 | цена по запросу | |||
| 43 | Пробка корпуса редуктора | 3 | цена по запросу | |||
| 44 | COUPLING, GEAR SHIFT ARM W/BUSHING | 1 | снято с производства | |||
| 45 | GEAR SHIFT ROD LOWER | 1 | цена по запросу | |||
| 46 | шплинт | 1 | 100 руб. | |||
| 47 | PIN, GEAR SHIFT ROD LOWER | 1 | 550 руб. | |||
| 48 | SEAL, O-RING, GEAR HOUSING COVER | 1 | цена по запросу | |||
| 49 | CRUSH RING | 1 | 7770 руб. | |||
| 50 | SEAL, DRIVESHAFT BEARING CAGE | 1 | цена по запросу | |||
| 51 | SEAL, DRIVESHAFT | 1 | цена по запросу | |||
| 52 | GEAR HOUSING COVER | 1 | W/ILLUS. 51 AND 53 | снято с производства | ||
| 53 | SEAL, GEAR SHIFT ROD | 1 | 880 руб. | |||
| 54 | SPRING LOCKWASHER | 7 | цена по запросу | |||
| 55 | HEX CAP SCREW, 1/4 - 20 X 7/8 | 3 | снято с производства | |||
| 56 | Прокладка водяного насоса | 1 | 280 руб. | |||
| 57 | PLATE, WATER PUMP | 1 | 1620 руб. | |||
| 58 | Крыльчатка водяного насоса | 1 | цена по запросу | |||
| 59 | WATER PUMP BODY | 1 | W/ILLUS. 61, 63 AND 64 ORIGINAL FORCE P/N A 523060-1 | 17250 руб. | ||
| 60 | HEX CAP SCREW, 1/4 - 20 X 1 -5/8 | 2 | цена по запросу | |||
| 61 | WATER PUMP LOCATING | 1 | 750 руб. | |||
| 62 | HEX CAP SCREW, 1/4 - 20 X 1 -5/8 | 2 | 390 руб. | |||
| 63 | SEAL, DRIVESHAFT - WATER PUMP | 1 | 2740 руб. | |||
| 64 | SEAL, INLET WATER LINE, LOWER | 1 | W/LITERATURE | 790 руб. | ||
| 65 | BEARING, DRIVESHAFT LOWER | 1 | снято с производства | |||
| 66 | SHIM, DRIVESHAFT BEARING, UPPER .003 BRASS | A/R | снято с производства | |||
| 67 | DRIVE KEY, WATER PUMP | 1 | 1520 руб. | |||
| 68 | Вертикальный вал | 1 | W/ILLUS. 49 AND 66 | снято с производства | ||
| 69 | RETAINER, CRANKSHAFT SPLINE SEAL | 1 | снято с производства | |||
| 70 | SEAL, DRIVESHAFT SPLINE | 1 | 350 руб. | |||
| 71 | PLAIN WASHER | 1 | 360 руб. | |||
| 72 | PLAIN WASHER | 2 | снято с производства | |||
| 73 | YOKE | 1 | 8200 руб. | |||
| 74 | Уплотнительный комплект | 1 | INCLUDES ITEMS MARKED WITH A * | цена по запросу | ||
| 75 | Комплект водяного насоса | 1 | INCLUDES ITEMS MARKED WITH A ** | цена по запросу | ||
| 76 | CAGE, REAR | 1 | снято с производства | |||
| 77 | BEARING, BEVEL GEAR REAR | 1 | цена по запросу | |||
| 78 | SPACER, BEVEL GEAR REAR | A/R | снято с производства | |||
| - | шпонка | 1 | 1520 руб. | |||
| - | GEAR HOUSING COVER SEAL | 1 | цена по запросу | |||
| - | GEAR HOUSING COVER SEAL | 1 | цена по запросу | |||
| - | DRIVESHAFT SEAL | 1 | цена по запросу | |||
| - | SPACER, BEVEL GEAR REAR | A/R | снято с производства | |||
| - | GEAR SHIFT ROD SEAL | 1 | 880 руб. | |||
| - | SPRING LOCKWASHER | 4 | цена по запросу | |||
| - | SPACER, BEVEL GEAR REAR | A/R | снято с производства | |||
| - | SPACER, BEVEL GEAR REAR | A/R | снято с производства | |||
| - | Прокладка водяного насоса | 1 | 280 руб. | |||
| - | Крыльчатка | 1 | цена по запросу | |||
| - | Водяной насос | 1 | 17250 руб. | |||
| - | PLATE, WATER PUMP | 1 | 1620 руб. | |||
| - | HEX CAP SCREW, 1/4 - 20 X 5/8 | 2 | 390 руб. | |||
| - | HEX CAP SCREW, 1/4 - 20 X 5/8 | 2 | цена по запросу | |||
| - | шайба | 3 | цена по запросу | |||
| - | GEAR SHIFT ARM PIN SEAL | 1 | цена по запросу | |||
| - | PROPELLER SHAFT SPOOL SEAL | 1 | цена по запросу | |||
| - | SPACER, BEVEL GEAR FRONT .068 | A/R | снято с производства | |||
| - | SPACER, BEVEL GEAR FRONT .071 | A/R | снято с производства | |||
| - | SPACER, BEVEL GEAR FRONT .077 | A/R | снято с производства | |||
| - | SPACER, BEVEL GEAR FRONT .080 | A/R | снято с производства | |||
| - | SPACER, BEVEL GEAR FRONT .083 | A/R | снято с производства | |||
| - | SPACER, BEVEL GEAR FRONT .086 | A/R | снято с производства | |||
| - | SPACER, BEVEL GEAR FRONT .089 | A/R | снято с производства | |||
| - | SPACER, BEVEL GEAR FRONT .057 | A/R | снято с производства | |||
| - | SPACER, BEVEL GEAR FRONT .065 | A/R | снято с производства | |||
| - | SPACER, BEVEL GEAR FRONT .062. | A/R | снято с производства | |||
| - | PROPELLER SHAFT SPOOL SEAL | 1 | цена по запросу | |||
| - | PROPELLER SHAFT SEAL | 1 | цена по запросу | |||
| - | BEARING CAGE BOLT SEAL | 4 | цена по запросу | |||
| - | SHIM, DRIVESHAFT BEARING, UPPER .007 BRASS | A/R | снято с производства | |||
| - | SHIM, DRIVESHAFT BEARING, UPPER .010 BLACK | A/R | снято с производства | |||
| - | SPACER, BEVEL GEAR FRONT .074 | A/R | снято с производства | |||
| - | SHIM, DRIVESHAFT BEARING, UPPER .005 SILVER | A/R | снято с производства | |||
| - | GEAR HOUSING COMPLETE | 1 | INCLUDES ALL ITEMS MARKED WITH AN ASTERISK (*). ORIGINAL FORCE P/N C 555054-1 | цена по запросу | ||
| - | SPACER, BEVEL GEAR FRONT .054 | A/R | снято с производства | |||
| 1 | Art.: HEX CAP SCREW, 1/4 - 20 X 3/4 Деталей в узле: 2 цена по запросу 2 | Art.: BRACKET, WATER LINE Деталей в узле: 1 снято с производства 3 | Art.: F84342 SEAL, INLET WATER LINE, UPPER Деталей в узле: 1 цена по запросу
4 | Art.: GROMMET, WATER LINE Деталей в узле: 1 5 | Art.: F523244 INLET WATER LINE Деталей в узле: 1 снято с производства 6 | Art.: F1885 HEX CAP SCREW, 5/16 - 18 X 4-1/4 Деталей в узле: 4 снято с производства 7 | Art.: PLAIN WASHER Деталей в узле: 4 цена по запросу 8 | Art.: уплотнительное кольцо Деталей в узле: 4 цена по запросу 9 | Art.: SEAL, PROPELLER SHAFT Деталей в узле: 1 цена по запросу 10 | Art.: F24278 SEAL, O-RING PROPELLER SHAFT SPOOL Деталей в узле: 1 цена по запросу
11 | Art.: SPOOL, PROPELLER SHAFT BEARING (W/ILLUS. 9)Деталей в узле: 1 снято с производства 12 | Art.: SEAL, O-RING PROPELLER SHAFT SPOOL Деталей в узле: 1 цена по запросу 13 | Art.: F523094-2 гайка гребного винта Деталей в узле: 1 снято с производства 14 | PIN PROPELLER NUT RETAINING Деталей в узле: 1 цена по запросу
15 | Art.: STOP NUT Деталей в узле: 1 16 | Art.: WASHER (ACCESSORY ITEM) Деталей в узле: 1 снято с производства 17 | Art.: PROPELLER (ACCESSORY ITEM) Деталей в узле: 1 цена по запросу 18 | Art.: F523099-1 SPACER, PROPELLER Деталей в узле: 1 снято с производства 19 | Art.: F1577 FILL HD SCREW, 1/4 - 20 X 3/4 Деталей в узле: 2 снято с производства 20 | Art.: FA523485 ANTI-CORROSION ANODE (W/LITERATURE)Деталей в узле: 1 снято с производства 21 | Art.: F2A523662 BEVEL GEAR REAR W/BEARING CAGE SPACER AND BEARING Деталей в узле: 1 снято с производства 22 | Art.: F523411 RETAINING RING, BEARING CAGE Деталей в узле: 2 снято с производства 23 | вал гребного винта Деталей в узле: 1 снято с производства 24 | Art.: F84871-1 PIN, GEAR SHIFT Деталей в узле: 1 снято с производства 25 | SPRING PIN Деталей в узле: 1 снято с производства 26 | муфта сцепления Деталей в узле: 1 27 | Art.: F1936 SPACER, BEVEL GEAR FRONT .059 Деталей в узле: A/R снято с производства 28 | Art.: 43-818068A2 BEVEL GEAR FRONT W/BEARING Деталей в узле: 1 снято с производства 29 | Art.: F523813 BEARING CUP Деталей в узле: 1 не посталяется заказывайте 820456A1 31 | Art.: O-RING SEAL Деталей в узле: 1 цена по запросу 32 | PIN, GEAR SHIFT ARM Деталей в узле: 1 цена по запросу
33 | Art.: FA523054 Корпус редуктора (W/ILLUS. 29, 30, 42, 43 AND 65)Деталей в узле: 1 снято с производства 34 | Art.: NUT, BEVEL PINION Деталей в узле: 1 цена по запросу 35 | Art.: 43-817854A2 BEVEL PINION GEAR (W/ILLUS. 49 AND 53 ORIGINAL FORCE P/N A 523266-2)Деталей в узле: 1 снято с производства 36 | Art.: HEX SOCKET HD CAP SCREW, 5/16 - 18 X 1 Деталей в узле: 1 цена по запросу 37 | Art.: EXHAUST SNOUT Деталей в узле: 1 цена по запросу 38 | Art.: RETAINER, SNOUT Деталей в узле: 1 цена по запросу
39 | Art.: F1858 HEX CAP SCREW, 5/16 - 18 X 1 Деталей в узле: 1 снято с производства 40 | Art.: SPRING LOCKWASHER Деталей в узле: 7 цена по запросу 41 | Art.: F1491 HEX HD SCREW, 5/16 - 18 X 3/4 Деталей в узле: 6 42 | Art.: WASHER, GEAR HOUSING PLUG Деталей в узле: 3 цена по запросу 43 | Пробка корпуса редуктора Деталей в узле: 3 цена по запросу 44 | Art.: FA84621-1 COUPLING, GEAR SHIFT ARM W/BUSHING Деталей в узле: 1 снято с производства 45 | Art.: GEAR SHIFT ROD LOWER Деталей в узле: 1 цена по запросу 46 | Art.: F1015 шплинт Деталей в узле: 1 47 | Art.: F85372 PIN, GEAR SHIFT ROD LOWER Деталей в узле: 1 48 | Art.: SEAL, O-RING, GEAR HOUSING COVER Деталей в узле: 1 цена по запросу 49 | Art.: F523961 CRUSH RING Деталей в узле: 1 50 | Art.: SEAL, DRIVESHAFT BEARING CAGE Деталей в узле: 1 цена по запросу 51 | Art.: SEAL, DRIVESHAFT Деталей в узле: 1 цена по запросу 52 | Art.: F2A550706 GEAR HOUSING COVER (W/ILLUS. 51 AND 53)Деталей в узле: 1 снято с производства 53 | Art.: SEAL, GEAR SHIFT ROD Деталей в узле: 1 54 | Art.: SPRING LOCKWASHER Деталей в узле: 7 цена по запросу 55 | Art.: F2008 HEX CAP SCREW, 1/4 - 20 X 7/8 Деталей в узле: 3 снято с производства 56 | Art.: F523031 Прокладка водяного насоса Деталей в узле: 1 57 | Art.: F523562 PLATE, WATER PUMP Деталей в узле: 1 58 | Art.: Крыльчатка водяного насоса Деталей в узле: 1 цена по запросу
59 | Art.: WATER PUMP BODY (W/ILLUS. 61, 63 AND 64 ORIGINAL FORCE P/N A 523060-1)Деталей в узле: 1 60 | Art.: F1990 HEX CAP SCREW, 1/4 - 20 X 1 -5/8 Деталей в узле: 2 цена по запросу
61 | Art.: F480388 WATER PUMP LOCATING Деталей в узле: 1 62 | Art.: F1425 HEX CAP SCREW, 1/4 - 20 X 1 -5/8 Деталей в узле: 2 63 | Art.: F351307 SEAL, DRIVESHAFT - WATER PUMP Деталей в узле: 1 64 | Art.: FA523735 SEAL, INLET WATER LINE, LOWER (W/LITERATURE)Деталей в узле: 1 65 | Art.: F523057 BEARING, DRIVESHAFT LOWER Деталей в узле: 1 снято с производства 66 | Art.: F9106 SHIM, DRIVESHAFT BEARING, UPPER .003 BRASS Деталей в узле: A/R снято с производства 67 | Art.: F523498 DRIVE KEY, WATER PUMP Деталей в узле: 1 68 | Вертикальный вал (W/ILLUS. 49 AND 66)Деталей в узле: 1 снято с производства 69 | Art.: F438271 RETAINER, CRANKSHAFT SPLINE SEAL Деталей в узле: 1 снято с производства 70 | Art.: SEAL, DRIVESHAFT SPLINE Деталей в узле: 1 71 | Art.: F1866 PLAIN WASHER Деталей в узле: 1 72 | Art.: F1856 PLAIN WASHER Деталей в узле: 2 снято с производства 73 | Art.: F90619-2 YOKE Деталей в узле: 1 74 | Art.: FK1063-2 Уплотнительный комплект (INCLUDES ITEMS MARKED WITH A *)Деталей в узле: 1 цена по запросу
75 | Art.: FK1069 Комплект водяного насоса (INCLUDES ITEMS MARKED WITH A **)Деталей в узле: 1 цена по запросу
76 | Art.: FA523136 CAGE, REAR Деталей в узле: 1 снято с производства 77 | Art.: BEARING, BEVEL GEAR REAR Деталей в узле: 1 цена по запросу 78 | Art.: F2117 SPACER, BEVEL GEAR REAR Деталей в узле: A/R снято с производства - | Art.: F523498 шпонка Деталей в узле: 1 - | Art.: GEAR HOUSING COVER SEAL Деталей в узле: 1 цена по запросу - | Art.: GEAR HOUSING COVER SEAL Деталей в узле: 1 цена по запросу - | Art.: F84307-1 DRIVESHAFT SEAL Деталей в узле: 1 цена по запросу
- | Art.: F2120 SPACER, BEVEL GEAR REAR Деталей в узле: A/R снято с производства - | Art.: GEAR SHIFT ROD SEAL Деталей в узле: 1 - | Art.: SPRING LOCKWASHER Деталей в узле: 4 цена по запросу - | Art.: F2119 SPACER, BEVEL GEAR REAR Деталей в узле: A/R снято с производства - | Art.: F2118 SPACER, BEVEL GEAR REAR Деталей в узле: A/R снято с производства - | Art.: F523031 Прокладка водяного насоса Деталей в узле: 1 - | Art.: Крыльчатка Деталей в узле: 1 цена по запросу
- | Art.: Водяной насос Деталей в узле: 1 |
