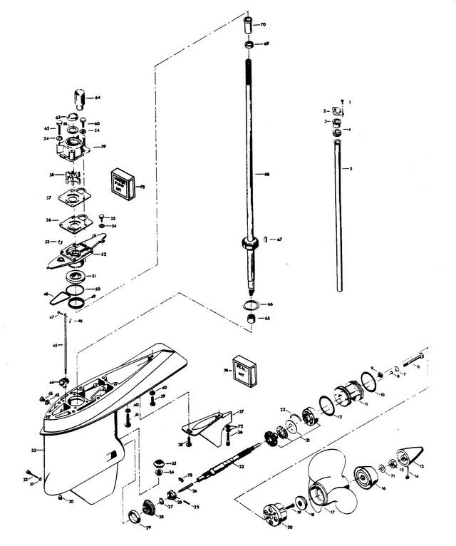
115 H.P. CHARGER
Корпус редуктора
Корпус редуктора
| № | Артикул | Наименование | Деталей в узле | Комментарий | Цена | |
| 1 | HEX CAP SCREW, 1/4 - 20 X 3/4 | 2 | цена по запросу | |||
| 2 | BRACKET, WATER LINE | 1 | снято с производства | |||
| 3 | SEAL, INLET WATER LINE, UPPER | 1 | цена по запросу | |||
| 4 | GROMMET, WATER LINE | 1 | 500 руб. | |||
| 5 | INLET WATER LINE | 1 | снято с производства | |||
| 6 | HEX CAP SCREW, 5/16 - 18 X 4 1/4 | 4 | снято с производства | |||
| 7 | PLAIN WASHER | 4 | цена по запросу | |||
| 8 | SEAL, "O" RING | 4 | цена по запросу | |||
| 9 | SEAL, PROPELLER SHAFT | 1 | цена по запросу | |||
| 10 | SEAL, "O" RING PROPELLER SHAFT SPOOL | 1 | цена по запросу | |||
| 11 | SPOOL, PROPELLER SHAFT BEARING W/SEALS | 1 | снято с производства | |||
| 12 | SEAL, "O" RING PROPELLER SHAFT SPOOL | 1 | цена по запросу | |||
| 13 | гайка гребного винта | 1 | снято с производства | |||
| 14 | PIN, PROPELLER NUT RETAINING | 1 | цена по запросу | |||
| 15 | STOP NUT | 1 | 1710 руб. | |||
| 16 | шайба | 1 | снято с производства | |||
| 17 | PROPELLER (ACCESSORY ITEM) | 1 | снято с производства | |||
| 18 | SPACER, PROPELLER | 1 | снято с производства | |||
| 19 | FILL HD SCREW, 1/4 - 20 X 3/4 | 2 | снято с производства | |||
| 20 | ANTICORROSION ANODE | 1 | снято с производства | |||
| 21 | BEVEL GEAR REAR W/BEARING CAGE SPACER AND BEARING | 1 | снято с производства | |||
| 22 | RETAINING RING, BEARING CAGE | 2 | снято с производства | |||
| 23 | вал гребного винта | 1 | снято с производства | |||
| 24 | PIN, GEAR SHIFT W/YOKE | 1 | снято с производства | |||
| 25 | SPRING PIN | 1 | снято с производства | |||
| 26 | муфта сцепления | 1 | 51140 руб. | |||
| 27 | SPACER, BEVEL GEAR FRONT. 059 | A/R | снято с производства | |||
| 28 | BEVEL GEAR FRONT W/BEARING | 1 | снято с производства | |||
| 29 | BEARING CUP | 1 | не посталяется заказывайте 820456A1 | |||
| 30 | пробка | 1 | цена по запросу | |||
| 31 | Уплотнительное кольцо | 1 | цена по запросу | |||
| 32 | PIN, GEAR SHIFT ARM | 1 | цена по запросу | |||
| 33 | Корпус редуктора | 1 | W/BEARING CUP, DRIVESHAFT BEARING LOWER,PLUGS AND WASHERS | снято с производства | ||
| 34 | NUT, BEVEL PINION | 1 | цена по запросу | |||
| 35 | BEVEL PINION GEAR W/CRUSH RING AND SHIMS | 1 | снято с производства | |||
| 36 | HEX SOCKET HD CAP SCREW, 5/16 - 18 X 1 | 1 | цена по запросу | |||
| 37 | EXHAUST SNOUT | 1 | цена по запросу | |||
| 38 | RETAINER, SNOUT | 1 | цена по запросу | |||
| 39 | HEX CAP SCREW, 5/16 - 18 X 1 | 1 | снято с производства | |||
| 40 | SPRING LOCKWASHER | 7 | цена по запросу | |||
| 41 | HEX HD SCREW, 5/16 - 18 X 3 1/4 | 6 | 1100 руб. | |||
| 42 | WASHER, GEAR HOUSING PLUG | 2 | цена по запросу | |||
| 43 | Пробка корпуса редуктора | 2 | цена по запросу | |||
| 44 | COUPLING, GEAR SHIFT ARM W/BUSHING | 1 | снято с производства | |||
| 45 | GEAR SHIFT ROD LOWER | 1 | цена по запросу | |||
| 46 | шплинт | 1 | 100 руб. | |||
| 47 | PIN, GEAR SHIFT ROD LOWER | 1 | 550 руб. | |||
| 48 | SEAL, "O" RING, GEAR HOUSING COVER | 1 | цена по запросу | |||
| 49 | CRUSH RING | 1 | 7770 руб. | |||
| 50 | SEAL, DRIVESHAFT BEARING CAGE | 1 | цена по запросу | |||
| 51 | SEAL, DRIVESHAFT | 1 | цена по запросу | |||
| 52 | GEAR HOUSING COVER W/SEALS | 1 | снято с производства | |||
| 53 | SEAL, GEAR SHIFT ROD | 1 | 880 руб. | |||
| 54 | SPRING LOCKWASHER | 7 | цена по запросу | |||
| 55 | HEX CAP SCREW, 1/4 - 20 X 7/8 | 3 | цена по запросу | |||
| 56 | Прокладка водяного насоса | 1 | 280 руб. | |||
| 57 | PLATE, WATER PUMP | 1 | 1620 руб. | |||
| 58 | Крыльчатка водяного насоса | 1 | цена по запросу | |||
| 59 | WATER PUMP BODY W/DRIVESHAFT SEAL, DISC AND WATERLINE SEAL | 1 | 17250 руб. | |||
| 60 | HEX CAP SCREW, 1/4 - 20 X 1 5/8 | 2 | цена по запросу | |||
| 61 | DISC, WATER PUMP LOCATING | 1 | 750 руб. | |||
| 62 | HEX CAP SCREW, 1/4 - 20 X 1 5/8 | 2 | 390 руб. | |||
| 63 | SEAL, DRIVESHAFT - WATER PUMP | 1 | 2740 руб. | |||
| 64 | SEAL, INLET WATER LINE, LOWER | 1 | 790 руб. | |||
| 65 | BEARING, DRIVESHAFT LOWER | 1 | снято с производства | |||
| 66 | SHIM, DRIVESHAFT BEARING UPPER .003 BRASS | A/R | снято с производства | |||
| 67 | DRIVE KEY, WATER PUMP | 1 | 1520 руб. | |||
| 68 | DRIVESHAFT W/BEARING, SHIMS AND CRUSH RING | 1 | снято с производства | |||
| 69 | RETAINER, CRANKSHAFT SPLINE SEAL | 1 | снято с производства | |||
| 70 | SEAL, DRIVESHAFT SPLINE | 1 | 350 руб. | |||
| 71 | PLAIN WASHER | 1 | 360 руб. | |||
| 72 | PLAIN WASHER | 2 | снято с производства | |||
| 73 | YOKE | 1 | цена по запросу | |||
| 74 | Уплотнительный комплект | 1 | (INCLUDES THE FOLLOWING) | цена по запросу | ||
| 75 | Комплект водяного насоса | 1 | цена по запросу | |||
| - | GEAR SHIFT ARM PIN SEAL | 1 | цена по запросу | |||
| - | BEARING CAGE BOLT SEAL | 4 | цена по запросу | |||
| - | PROPELLER SHAFT SEAL | 1 | цена по запросу | |||
| - | PROPELLER SHAFT SPOOL SEAL | 1 | цена по запросу | |||
| - | PROPELLER SHAFT SPOOL SEAL | 1 | цена по запросу | |||
| - | SPACER, BEVEL GEAR FRONT .077 | A/R | снято с производства | |||
| - | шайба | 2 | цена по запросу | |||
| - | GEAR HOUSING COVER SEAL | 1 | цена по запросу | |||
| - | GEAR HOUSING COVER SEAL | 1 | цена по запросу | |||
| - | DRIVESHAFT SEAL | 1 | цена по запросу | |||
| - | GEAR SHIFT ROD SEAL | 1 | 880 руб. | |||
| - | SPACER, BEVEL GEAR FRONT .054 | A/R | снято с производства | |||
| - | SPACER, BEVEL GEAR FRONT .057 | A/R | снято с производства | |||
| - | SPACER, BEVEL GEAR FRONT .089 | A/R | снято с производства | |||
| - | SPACER, BEVEL GEAR FRONT .062 | A/R | снято с производства | |||
| - | SPACER, BEVEL GEAR FRONT .065 | A/R | снято с производства | |||
| - | SPACER, BEVEL GEAR FRONT .068 | A/R | снято с производства | |||
| - | SHIM, DRIVESHAFT BEARING UPPER .005 BRASS | A/R | снято с производства | |||
| - | SHIM, DRIVESHAFT BEARING UPPER .010 BLACK | A/R | снято с производства | |||
| - | SPACER, BEVEL GEAR FRONT .071 | A/R | снято с производства | |||
| - | SPACER, BEVEL GEAR FRONT .074 | A/R | снято с производства | |||
| - | SPACER, BEVEL GEAR FRONT .080 | A/R | снято с производства | |||
| - | SPACER, BEVEL GEAR FRONT .083 | A/R | снято с производства | |||
| - | SPACER, BEVEL GEAR FRONT .086 | A/R | снято с производства | |||
| - | GEAR HOUSING COMPLETE | 1 | INCLUDES ALL ITEMS MARKED WITH AN ASTERISK (*). | цена по запросу | ||
| 1 | Art.: HEX CAP SCREW, 1/4 - 20 X 3/4 Деталей в узле: 2 цена по запросу 2 | Art.: BRACKET, WATER LINE Деталей в узле: 1 снято с производства 3 | Art.: F84342 SEAL, INLET WATER LINE, UPPER Деталей в узле: 1 цена по запросу
4 | Art.: GROMMET, WATER LINE Деталей в узле: 1 5 | Art.: F523244 INLET WATER LINE Деталей в узле: 1 снято с производства 6 | Art.: F1885 HEX CAP SCREW, 5/16 - 18 X 4 1/4 Деталей в узле: 4 снято с производства 7 | Art.: PLAIN WASHER Деталей в узле: 4 цена по запросу 8 | Art.: SEAL, "O" RING Деталей в узле: 4 цена по запросу 9 | Art.: SEAL, PROPELLER SHAFT Деталей в узле: 1 цена по запросу 10 | Art.: F24278 SEAL, "O" RING PROPELLER SHAFT SPOOL Деталей в узле: 1 цена по запросу
11 | Art.: SPOOL, PROPELLER SHAFT BEARING W/SEALS Деталей в узле: 1 снято с производства 12 | Art.: SEAL, "O" RING PROPELLER SHAFT SPOOL Деталей в узле: 1 цена по запросу 13 | Art.: F523094-2 гайка гребного винта Деталей в узле: 1 снято с производства 14 | PIN, PROPELLER NUT RETAINING Деталей в узле: 1 цена по запросу
15 | Art.: STOP NUT Деталей в узле: 1 16 | Art.: шайба Деталей в узле: 1 снято с производства 17 | Art.: PROPELLER (ACCESSORY ITEM) Деталей в узле: 1 снято с производства 18 | Art.: F523099-1 SPACER, PROPELLER Деталей в узле: 1 снято с производства 19 | Art.: F1577 FILL HD SCREW, 1/4 - 20 X 3/4 Деталей в узле: 2 снято с производства 20 | Art.: FA523485 ANTICORROSION ANODE Деталей в узле: 1 снято с производства 21 | Art.: F2A523662 BEVEL GEAR REAR W/BEARING CAGE SPACER AND BEARING Деталей в узле: 1 снято с производства 22 | Art.: F523411 RETAINING RING, BEARING CAGE Деталей в узле: 2 снято с производства 23 | вал гребного винта Деталей в узле: 1 снято с производства 24 | Art.: F84871-1 PIN, GEAR SHIFT W/YOKE Деталей в узле: 1 снято с производства 25 | SPRING PIN Деталей в узле: 1 снято с производства 26 | муфта сцепления Деталей в узле: 1 27 | Art.: F1936 SPACER, BEVEL GEAR FRONT. 059 Деталей в узле: A/R снято с производства 28 | Art.: BEVEL GEAR FRONT W/BEARING Деталей в узле: 1 снято с производства 29 | Art.: F523813 BEARING CUP Деталей в узле: 1 не посталяется заказывайте 820456A1 30 | Art.: пробка Деталей в узле: 1 цена по запросу 31 | Art.: Уплотнительное кольцо Деталей в узле: 1 цена по запросу 32 | PIN, GEAR SHIFT ARM Деталей в узле: 1 цена по запросу
33 | Art.: FA523054 Корпус редуктора (W/BEARING CUP, DRIVESHAFT BEARING LOWER,PLUGS AND WASHERS)Деталей в узле: 1 снято с производства 34 | Art.: NUT, BEVEL PINION Деталей в узле: 1 цена по запросу 35 | Art.: BEVEL PINION GEAR W/CRUSH RING AND SHIMS Деталей в узле: 1 снято с производства 36 | Art.: HEX SOCKET HD CAP SCREW, 5/16 - 18 X 1 Деталей в узле: 1 цена по запросу 37 | Art.: EXHAUST SNOUT Деталей в узле: 1 цена по запросу 38 | Art.: RETAINER, SNOUT Деталей в узле: 1 цена по запросу
39 | Art.: F1858 HEX CAP SCREW, 5/16 - 18 X 1 Деталей в узле: 1 снято с производства 40 | Art.: SPRING LOCKWASHER Деталей в узле: 7 цена по запросу 41 | Art.: F1491 HEX HD SCREW, 5/16 - 18 X 3 1/4 Деталей в узле: 6 42 | Art.: WASHER, GEAR HOUSING PLUG Деталей в узле: 2 цена по запросу 43 | Пробка корпуса редуктора Деталей в узле: 2 цена по запросу 44 | Art.: FA84621-1 COUPLING, GEAR SHIFT ARM W/BUSHING Деталей в узле: 1 снято с производства 45 | Art.: GEAR SHIFT ROD LOWER Деталей в узле: 1 цена по запросу 46 | Art.: F1015 шплинт Деталей в узле: 1 47 | Art.: F85372 PIN, GEAR SHIFT ROD LOWER Деталей в узле: 1 48 | Art.: SEAL, "O" RING, GEAR HOUSING COVER Деталей в узле: 1 цена по запросу 49 | Art.: F523961 CRUSH RING Деталей в узле: 1 50 | Art.: SEAL, DRIVESHAFT BEARING CAGE Деталей в узле: 1 цена по запросу 51 | Art.: F84307-1 SEAL, DRIVESHAFT Деталей в узле: 1 цена по запросу
52 | Art.: FA523706 GEAR HOUSING COVER W/SEALS Деталей в узле: 1 снято с производства 53 | Art.: SEAL, GEAR SHIFT ROD Деталей в узле: 1 54 | Art.: SPRING LOCKWASHER Деталей в узле: 7 цена по запросу 55 | Art.: HEX CAP SCREW, 1/4 - 20 X 7/8 Деталей в узле: 3 цена по запросу 56 | Art.: F523031 Прокладка водяного насоса Деталей в узле: 1 57 | Art.: F523562 PLATE, WATER PUMP Деталей в узле: 1 58 | Art.: Крыльчатка водяного насоса Деталей в узле: 1 цена по запросу 59 | Art.: WATER PUMP BODY W/DRIVESHAFT SEAL, DISC AND WATERLINE SEAL Деталей в узле: 1 60 | Art.: F1990 HEX CAP SCREW, 1/4 - 20 X 1 5/8 Деталей в узле: 2 цена по запросу
61 | Art.: F480388 DISC, WATER PUMP LOCATING Деталей в узле: 1 62 | Art.: F1425 HEX CAP SCREW, 1/4 - 20 X 1 5/8 Деталей в узле: 2 63 | Art.: F351307 SEAL, DRIVESHAFT - WATER PUMP Деталей в узле: 1 64 | Art.: FA523735 SEAL, INLET WATER LINE, LOWER Деталей в узле: 1 65 | Art.: F523057 BEARING, DRIVESHAFT LOWER Деталей в узле: 1 снято с производства 66 | Art.: F9106 SHIM, DRIVESHAFT BEARING UPPER .003 BRASS Деталей в узле: A/R снято с производства 67 | Art.: F523498 DRIVE KEY, WATER PUMP Деталей в узле: 1 68 | Art.: 45-818017A3 DRIVESHAFT W/BEARING, SHIMS AND CRUSH RING Деталей в узле: 1 снято с производства 69 | Art.: F438271 RETAINER, CRANKSHAFT SPLINE SEAL Деталей в узле: 1 снято с производства 70 | Art.: SEAL, DRIVESHAFT SPLINE Деталей в узле: 1 71 | Art.: F1866 PLAIN WASHER Деталей в узле: 1 72 | Art.: F1856 PLAIN WASHER Деталей в узле: 2 снято с производства 73 | Art.: YOKE Деталей в узле: 1 цена по запросу 74 | Art.: Уплотнительный комплект ((INCLUDES THE FOLLOWING))Деталей в узле: 1 цена по запросу 75 | Art.: FK1069 Комплект водяного насоса Деталей в узле: 1 цена по запросу
- | Art.: GEAR SHIFT ARM PIN SEAL Деталей в узле: 1 цена по запросу - | Art.: BEARING CAGE BOLT SEAL Деталей в узле: 4 цена по запросу - | Art.: PROPELLER SHAFT SEAL Деталей в узле: 1 цена по запросу - | Art.: F24278 PROPELLER SHAFT SPOOL SEAL Деталей в узле: 1 цена по запросу
- | Art.: PROPELLER SHAFT SPOOL SEAL Деталей в узле: 1 цена по запросу - | Art.: F1942 SPACER, BEVEL GEAR FRONT .077 Деталей в узле: A/R снято с производства - | Art.: шайба Деталей в узле: 2 цена по запросу - | Art.: GEAR HOUSING COVER SEAL Деталей в узле: 1 цена по запросу - | Art.: GEAR HOUSING COVER SEAL Деталей в узле: 1 цена по запросу - | Art.: F84307-1 DRIVESHAFT SEAL Деталей в узле: 1 цена по запросу
- | Art.: GEAR SHIFT ROD SEAL Деталей в узле: 1 - | Art.: F2122 SPACER, BEVEL GEAR FRONT .054 Деталей в узле: A/R |
