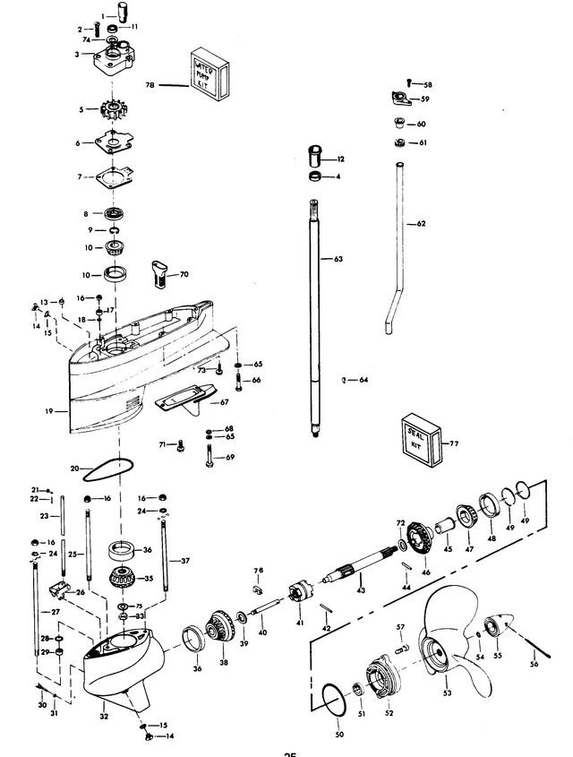
70 H.P. SKIER
Корпус редуктора
Корпус редуктора
| № | Артикул | Наименование | Деталей в узле | Комментарий | Цена | |
| 1 | SEAL, INLET WATER LINE, LOWER | 1 | 790 руб. | |||
| 2 | FLAT HD SCREWS, S.S., 1/4 - 20 X 1 3/8 | 4 | 260 руб. | |||
| 3 | WATER PUMP BODY | 1 | W/ITEMS 1, 2, 11 & 74 | 31630 руб. | ||
| 4 | RETAINER, CRANKSHAFT SPLINE SEAL | 1 | снято с производства | |||
| 5 | WATER PUMP IMPELLER | 1 | 9550 руб. | |||
| 6 | WATER PUMP BACK PLATE | 1 | 3500 руб. | |||
| 7 | Прокладка водяного насоса | 1 | 260 руб. | |||
| 8 | SEAL, DRIVESHAFT | 1 | цена по запросу | |||
| 9 | стопорное кольцо | 1 | снято с производства | |||
| 10 | BEARING, DRIVESHAFT W/CUP | 1 | цена по запросу | |||
| 11 | уплотнение водяного насоса | 1 | 2740 руб. | |||
| 12 | SEAL, DRIVESHAFT SPLINE | 1 | 350 руб. | |||
| 13 | SEAL, GEAR SHIFT ROD | 1 | 880 руб. | |||
| 14 | Пробка корпуса редуктора | 2 | цена по запросу | |||
| 15 | WASHER, GEAR HOUSING PLUG | 2 | цена по запросу | |||
| 16 | HEX NUT, 3/8 - 16 | 3 | цена по запросу | |||
| 17 | проставка | 1 | снято с производства | |||
| 18 | Уплотнение | 1 | 990 руб. | |||
| 19 | GEAR HOUSING UPPER W/PLUG AND WASHER | 1 | ||||
| 20 | Уплотнение | 1 | 1580 руб. | |||
| 21 | PIN, GEAR SHIFT ROD LOWER | 1 | 550 руб. | |||
| 22 | COTTER PIN, S.S. | 1 | 100 руб. | |||
| 23 | GEAR SHIFT ROD LOWER | 1 | снято с производства | |||
| 24 | PLAIN WASHER | 2 | цена по запросу | |||
| 25 | STUD, GEAR HOUSING CENTER | 1 | снято с производства | |||
| 26 | COUPLING, GEAR SHIFT ARM W/BUSHING | 1 | снято с производства | |||
| 27 | STUD, GEAR HOUSING, FRONT | 1 | снято с производства | |||
| 28 | SEAL, GEAR HOUSING STUD, FRONT | 1 | цена по запросу | |||
| 29 | PILOT, GEAR HOUSING | 1 | снято с производства | |||
| 30 | PIN, GEAR SHIFT ARM | 1 | цена по запросу | |||
| 31 | Уплотнение | 1 | цена по запросу | |||
| 32 | GEAR HOUSING LOWER W/PLUG AND WASHER | 1 | снято с производства | |||
| 33 | NUT, BEVEL PINION RETAINING | 1 | снято с производства | |||
| 35 | BEVEL PINION GEAR W/BEARING AND CUP | 1 | снято с производства | |||
| 36 | BEARING CUP | 2 | ||||
| 37 | STUD, GEAR HOUSING, REAR | 1 | снято с производства | |||
| 38 | BEVEL GEAR FRONT W/BEARINGS | 1 | снято с производства | |||
| 39 | SPACER .059" | A/R | снято с производства | |||
| 40 | PIN, GEAR SHIFT | 1 | снято с производства | |||
| 41 | муфта сцепления | 1 | 51140 руб. | |||
| 42 | SPRING PIN | 1 | снято с производства | |||
| 43 | вал гребного винта | 1 | ||||
| 44 | PROPELLER PIN | 1 | снято с производства | |||
| 45 | BEARING, BEVEL GEAR REAR | 1 | снято с производства | |||
| 46 | BEVEL GEAR, REAR | 1 | снято с производства | |||
| 47 | BEARING W/CUP | 1 | 8910 руб. | |||
| 48 | BEARING CUP | 1 | ||||
| 49 | SHIM, PROPELLER SHAFT BEARING CAGE .006 (SILVER) | A/R | снято с производства | |||
| 50 | SEAL, PROPELLER SHAFT BEARING CAGE | 1 | цена по запросу | |||
| 51 | SEAL, PROPELLER SHAFT | 1 | цена по запросу | |||
| 52 | PROPELLER SHAFT BEARING CAGE | 1 | W/ITEM 51 | снято с производства | ||
| 53 | PROPELLER (ACCESSORY ITEM) | 1 | снято с производства | |||
| 54 | SEAL, PROPELLER NUT | 1 | цена по запросу | |||
| 55 | PROPELLER NUT W/COTTER PIN AND SEAL | 1 | снято с производства | |||
| 56 | COTTER PIN, S.S. | 1 | снято с производства | |||
| 57 | HEX SOCKET HD CAP SCREW, S.S., 3/8 - 16 X 1 | 2 | снято с производства | |||
| 58 | HEX CAP SCREW, S.S., 1/4 - 20 X 3/4 | 2 | цена по запросу | |||
| 59 | BRACKET, WATER LINE | 1 | снято с производства | |||
| 60 | SEAL, INLET WATER LINE, UPPER | 1 | цена по запросу | |||
| 61 | GROMMET, WATER LINE | 1 | снято с производства | |||
| 62 | INLET WATER LINE | 1 | снято с производства | |||
| 63 | Вертикальный вал | 1 | снято с производства | |||
| 64 | DRIVE KEY, WATER PUMP | 1 | 910 руб. | |||
| 65 | SPRING LOCKWASHER, S.S. | 7 | цена по запросу | |||
| 66 | HEX BOLT, S.S., 5/16 - 18 X 1 3/4 | 6 | цена по запросу | |||
| 67 | EXHAUST OUTLET, GEAR HOUSING UPPER | 1 | снято с производства | |||
| 68 | PLAIN WASHER | 1 | цена по запросу | |||
| 69 | HEX SOCKET HD CAP SCREW, 5/16 - 18 X 1 | 1 | цена по запросу | |||
| 70 | SCREEN, WATER INLET | 1 | снято с производства | |||
| 71 | RETAINER, SNOUT | 1 | цена по запросу | |||
| 72 | THRUST WASHER, BEVEL GEAR, REAR | 1 | снято с производства | |||
| 73 | HEX CAP SCREW, 5/16 - 18 X 1 1/8 | 1 | снято с производства | |||
| 74 | DISC, WATER PUMP LOCATING | 1 | 750 руб. | |||
| 75 | WASHER, BEVEL GEAR THRUST | 1 | снято с производства | |||
| 76 | YOKE | 1 | цена по запросу | |||
| 77 | Уплотнительный комплект | 1 | (INCLUDES THE FOLLOWING) | цена по запросу | ||
| 78 | Комплект водяного насоса | 29730 руб. | ||||
| - | PROP SHAFT SEAL | 1 | цена по запросу | |||
| - | PROP SHAFT BEARING CAGE SEAL | 1 | цена по запросу | |||
| - | GEAR HOUSING STUD SEAL | 1 | цена по запросу | |||
| - | GEAR HOUSING SEAL | 1 | 1580 руб. | |||
| - | GEAR SHIFT ARM PIN | 1 | цена по запросу | |||
| - | SPACER .068" | A/R | снято с производства | |||
| - | GEAR SHIFT ROD SEAL | 1 | 880 руб. | |||
| - | GEAR HOUSING STUD SEAL | 1 | 990 руб. | |||
| - | DRIVESHAFT SEAL | 1 | цена по запросу | |||
| - | SPACER .071" | A/R | снято с производства | |||
| - | SPACER .074" | A/R | снято с производства | |||
| - | SPACER .077" | A/R | SPACERS AVAILABLE FOR THE BEVEL GEAR THRUST, FRONT POSITION. | снято с производства | ||
| - | SPACER .065" | A/R | снято с производства | |||
| - | SPACER .062" | A/R | снято с производства | |||
| - | SHIM, PROPELLER SHAFT BEARING CAGE .007 (BRASS) | A/R | снято с производства | |||
| - | SHIM, PROPELLER SHAFT BEARING CAGE .010 (BLACK) | A/R | SHIMS AVAILABLE FOR THE PROPELLER SHAFT BEARING CAGE. | снято с производства | ||
| - | шайба | 2 | цена по запросу | |||
| - | GEAR HOUSING COMPLETE. | INCLUDES ALL ITEMS MARKED WITH AN ASTERISK (*). | снято с производства | |||
| 1 | Art.: FA523735 SEAL, INLET WATER LINE, LOWER Деталей в узле: 1 2 | Art.: F1849 FLAT HD SCREWS, S.S., 1/4 - 20 X 1 3/8 Деталей в узле: 4 3 | Art.: FK500060 WATER PUMP BODY (W/ITEMS 1, 2, 11 & 74)Деталей в узле: 1 4 | Art.: F438271 RETAINER, CRANKSHAFT SPLINE SEAL Деталей в узле: 1 снято с производства 5 | Art.: F84065 WATER PUMP IMPELLER Деталей в узле: 1 6 | Art.: F369562 WATER PUMP BACK PLATE Деталей в узле: 1 7 | Art.: F84031 Прокладка водяного насоса Деталей в узле: 1 8 | Art.: F84307-1 SEAL, DRIVESHAFT Деталей в узле: 1 цена по запросу
9 | Art.: F84173 стопорное кольцо Деталей в узле: 1 снято с производства 10 | Art.: FA40901 BEARING, DRIVESHAFT W/CUP Деталей в узле: 1 цена по запросу
11 | Art.: F351307 уплотнение водяного насоса Деталей в узле: 1 12 | Art.: SEAL, DRIVESHAFT SPLINE Деталей в узле: 1 13 | Art.: SEAL, GEAR SHIFT ROD Деталей в узле: 1 14 | Пробка корпуса редуктора Деталей в узле: 2 цена по запросу 15 | Art.: WASHER, GEAR HOUSING PLUG Деталей в узле: 2 цена по запросу 16 | Art.: HEX NUT, 3/8 - 16 Деталей в узле: 3 цена по запросу 17 | Art.: F84215 проставка Деталей в узле: 1 снято с производства 18 | Art.: F19342 Уплотнение Деталей в узле: 1 19 | Art.: -A3165542 GEAR HOUSING UPPER W/PLUG AND WASHER Деталей в узле: 1 20 | Art.: F316555 Уплотнение Деталей в узле: 1 21 | Art.: F85372 PIN, GEAR SHIFT ROD LOWER Деталей в узле: 1 22 | Art.: F1015 COTTER PIN, S.S. Деталей в узле: 1 23 | Art.: F85705-1 GEAR SHIFT ROD LOWER Деталей в узле: 1 снято с производства 24 | Art.: PLAIN WASHER Деталей в узле: 2 цена по запросу 25 | Art.: F316165 STUD, GEAR HOUSING CENTER Деталей в узле: 1 снято с производства 26 | Art.: FA84621-1 COUPLING, GEAR SHIFT ARM W/BUSHING Деталей в узле: 1 снято с производства 27 | Art.: F85006-1 STUD, GEAR HOUSING, FRONT Деталей в узле: 1 снято с производства 28 | Art.: SEAL, GEAR HOUSING STUD, FRONT Деталей в узле: 1 цена по запросу 29 | Art.: F85012 PILOT, GEAR HOUSING Деталей в узле: 1 снято с производства 30 | PIN, GEAR SHIFT ARM Деталей в узле: 1 цена по запросу
31 | Art.: Уплотнение Деталей в узле: 1 цена по запросу 32 | Art.: 1600-817767A2 GEAR HOUSING LOWER W/PLUG AND WASHER Деталей в узле: 1 снято с производства 33 | Art.: FA511188 NUT, BEVEL PINION RETAINING Деталей в узле: 1 снято с производства 35 | Art.: FA481266 BEVEL PINION GEAR W/BEARING AND CUP Деталей в узле: 1 снято с производства 36 | Art.: -84903 BEARING CUP Деталей в узле: 2 37 | Art.: F84008-4 STUD, GEAR HOUSING, REAR Деталей в узле: 1 снято с производства 38 | Art.: F2A481023 BEVEL GEAR FRONT W/BEARINGS Деталей в узле: 1 снято с производства 39 | Art.: F1936 SPACER .059" Деталей в узле: A/R снято с производства 40 | Art.: F84871-1 PIN, GEAR SHIFT Деталей в узле: 1 снято с производства 41 | муфта сцепления Деталей в узле: 1 42 | SPRING PIN Деталей в узле: 1 снято с производства 43 | Art.: -A850982 вал гребного винта Деталей в узле: 1 44 | Art.: FK280 PROPELLER PIN Деталей в узле: 1 снято с производства 45 | Art.: F384143 BEARING, BEVEL GEAR REAR Деталей в узле: 1 снято с производства 46 | Art.: F481662 BEVEL GEAR, REAR Деталей в узле: 1 снято с производства 47 | BEARING W/CUP Деталей в узле: 1 48 | Art.: -84250 BEARING CUP Деталей в узле: 1 49 | Art.: F9022 SHIM, PROPELLER SHAFT BEARING CAGE .006 (SILVER) Деталей в узле: A/R снято с производства 50 | Art.: SEAL, PROPELLER SHAFT BEARING CAGE Деталей в узле: 1 цена по запросу 51 | Art.: F84118 SEAL, PROPELLER SHAFT Деталей в узле: 1 цена по запросу
52 | Art.: FA84298-3 PROPELLER SHAFT BEARING CAGE (W/ITEM 51)Деталей в узле: 1 снято с производства 53 | Art.: FP372 PROPELLER (ACCESSORY ITEM) Деталей в узле: 1 снято с производства 54 | Art.: SEAL, PROPELLER NUT Деталей в узле: 1 цена по запросу 55 | Art.: 11-817784A1 PROPELLER NUT W/COTTER PIN AND SEAL Деталей в узле: 1 снято с производства 56 | Art.: F1028 COTTER PIN, S.S. Деталей в узле: 1 снято с производства 57 | Art.: F1252 HEX SOCKET HD CAP SCREW, S.S., 3/8 - 16 X 1 Деталей в узле: 2 снято с производства 58 | Art.: HEX CAP SCREW, S.S., 1/4 - 20 X 3/4 Деталей в узле: 2 цена по запросу 59 | Art.: BRACKET, WATER LINE Деталей в узле: 1 снято с производства 60 | Art.: F84342 SEAL, INLET WATER LINE, UPPER Деталей в узле: 1 цена по запросу
61 | Art.: F381899 GROMMET, WATER LINE Деталей в узле: 1 снято с производства 62 | Art.: F85244 INLET WATER LINE Деталей в узле: 1 снято с производства 63 | Art.: FK85128-1 Вертикальный вал Деталей в узле: 1 снято с производства 64 | Art.: F9038 DRIVE KEY, WATER PUMP Деталей в узле: 1 65 | Art.: SPRING LOCKWASHER, S.S. Деталей в узле: 7 цена по запросу 66 | Art.: HEX BOLT, S.S., 5/16 - 18 X 1 3/4 Деталей в узле: 6 цена по запросу 67 | Art.: 817797A2 EXHAUST OUTLET, GEAR HOUSING UPPER Деталей в узле: 1 снято с производства 68 | Art.: PLAIN WASHER Деталей в узле: 1 цена по запросу 69 | Art.: HEX SOCKET HD CAP SCREW, 5/16 - 18 X 1 Деталей в узле: 1 цена по запросу 70 | Art.: F438077 SCREEN, WATER INLET Деталей в узле: 1 снято с производства 71 | Art.: RETAINER, SNOUT Деталей в узле: 1 цена по запросу
72 | Art.: F84717 THRUST WASHER, BEVEL GEAR, REAR Деталей в узле: 1 снято с производства 73 | Art.: F1213 HEX CAP SCREW, 5/16 - 18 X 1 1/8 Деталей в узле: 1 снято с производства 74 | Art.: F480388 DISC, WATER PUMP LOCATING Деталей в узле: 1 75 | Art.: F136717 WASHER, BEVEL GEAR THRUST Деталей в узле: 1 снято с производства 76 | Art.: YOKE Деталей в узле: 1 цена по запросу 77 | Art.: FK1061 Уплотнительный комплект ((INCLUDES THE FOLLOWING))Деталей в узле: 1 цена по запросу
78 | Art.: FK1033-1 Комплект водяного насоса Деталей в узле: - | Art.: F84118 PROP SHAFT SEAL Деталей в узле: 1 цена по запросу
- | Art.: PROP SHAFT BEARING CAGE SEAL Деталей в узле: 1 цена по запросу - | Art.: GEAR HOUSING STUD SEAL Деталей в узле: 1 цена по запросу - | Art.: F316555 GEAR HOUSING SEAL Деталей в узле: 1 - | Art.: GEAR SHIFT ARM PIN Деталей в узле: 1 цена по запросу - | Art.: F1939 SPACER .068" Деталей в узле: A/R снято с производства - | Art.: GEAR SHIFT ROD SEAL Деталей в узле: 1 - | Art.: F19342 GEAR HOUSING STUD SEAL Деталей в узле: 1 |
