35 H.P. 45 H.P.
CARBURETOR MODEL 464 HB
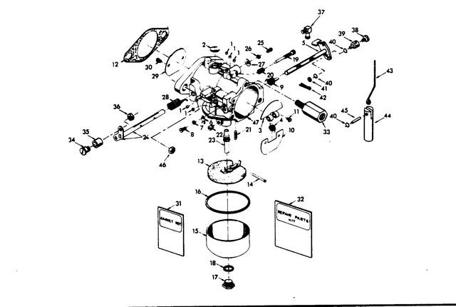
CARBURETOR MODEL 464 HB
| № | Артикул | Наименование | Деталей в узле | Комментарий | Цена | |
| 1 | BODY CHANNEL CUP PLUG | 5 | 840 руб. | |||
| 2 | BODY CHANNEL WELCH PLUG | 1 | 350 руб. | |||
| 3 | CHOKE RELIEF VALVE | 1 | снято с производства | |||
| 4 | CHOKE RELIEF VALVE SPRING | 1 | ||||
| 5 | вал воздушной заслонки и рычаг | 1 | ||||
| 6 | CHOKE SHAFT CLIP | 1 | снято с производства | |||
| 7 | CHOKE SHAFT CLIP LOCKWASHER | 1 | снято с производства | |||
| 8 | CHOKE SHAFT CLIP RETAINING SCREW | 1 | снято с производства | |||
| 9 | CHOKE SHAFT RETURN SPRING | 1 | снято с производства | |||
| 10 | воздушная заслонка | 1 | снято с производства | |||
| 11 | CHOKE SHUTTER SCREW AND LOCKWASHER | 2 | 300 руб. | |||
| 12 | FLANGE GASKET | 1 | 260 руб. | |||
| 13 | поплавок | 1 | 4470 руб. | |||
| 14 | FLOAT LEVER PIN | 1 | 640 руб. | |||
| 15 | камера топливной смеси | 1 | 1640 руб. | |||
| 16 | FUEL BOWL GASKET | 1 | 340 руб. | |||
| 17 | FUEL BOWL RETAINING SCREW | 1 | 920 руб. | |||
| 18 | FUEL BOWL RETAINING SCREW GASKET | 1 | 330 руб. | |||
| 19 | винт регулировки качества смеси на холостом ходу | 1 | 1480 руб. | |||
| 20 | IDLE MIXTURE SCREW SPRING | 1 | цена по запросу | |||
| 21 | INLET NEEDLE | 1 | снято с производства | |||
| 22 | MAIN FUEL JET (.125) (STANDARD) | 1 | ||||
| 23 | главный распылитель | 1 | снято с производства | |||
| 24 | THROTTLE SHAFT AND LEVER | 1 | снято с производства | |||
| 25 | THROTTLE SHAFT POSITION RETAINING SCREW | 1 | снято с производства | |||
| 26 | THROTTLE SHAFT POSITION RETAINING SCREW LOCKWASHER | 1 | снято с производства | |||
| 27 | THROTTLE SHAFT POSITION RETAINING SCREW WASHER | 1 | снято с производства | |||
| 28 | THROTTLE SHAFT RETURN SPRING | 1 | 1850 руб. | |||
| 29 | заслонка дросселя | 1 | снято с производства | |||
| 30 | THROTTLE SHUTTER RETAINING SCREW AND LOCKWASHER | 2 | 300 руб. | |||
| 31 | Набор прокладок | 1 | 930 руб. | |||
| 32 | Ремкомплект | 1 | INCLUDES ALL ITEMS MARKED WITH AN ASTERISK (*) | |||
| 33 | STUD, CARBURETOR COVER | 1 | снято с производства | |||
| 34 | THROTTLE ROLLER SHAFT | 1 | снято с производства | |||
| 35 | ролик | 1 | снято с производства | |||
| 36 | STOP NUT | 1 | 380 руб. | |||
| 37 | ELBOW, FUEL LINE - CARBURETOR | 1 | снято с производства | |||
| 38 | FILL HD SCREW, 6 - 32 X 1/4 | 1 | снято с производства | |||
| 39 | SWIVEL, CHOKE ROD | 1 | снято с производства | |||
| 40 | SEAL, CHOKE ARM SWIVEL | 3 | цена по запросу | |||
| 41 | PLAIN WASHER | 1 | цена по запросу | |||
| 42 | шплинт | 1 | цена по запросу | |||
| 43 | CHOKE SOLENOID ROD | 1 | снято с производства | |||
| 44 | CHOKE SOLENOID PLUNGER | 1 | снято с производства | |||
| 45 | GROOVE PIN | 1 | снято с производства | |||
| 46 | HEX NUT, 3/8 - 16 | 2 | цена по запросу | |||
| 47 | CARBURETOR COMPLETE (TC4A) | 1 | ||||
| 1 | Art.: FO10588 BODY CHANNEL CUP PLUG Деталей в узле: 5 2 | Art.: FO16128 BODY CHANNEL WELCH PLUG Деталей в узле: 1 3 | Art.: FO16138 CHOKE RELIEF VALVE Деталей в узле: 1 снято с производства 4 | Art.: -016139 CHOKE RELIEF VALVE SPRING Деталей в узле: 1 5 | Art.: -016835 вал воздушной заслонки и рычаг Деталей в узле: 1 6 | Art.: FO9678 CHOKE SHAFT CLIP Деталей в узле: 1 снято с производства 7 | Art.: FO992 CHOKE SHAFT CLIP LOCKWASHER Деталей в узле: 1 снято с производства 8 | Art.: FO1974 CHOKE SHAFT CLIP RETAINING SCREW Деталей в узле: 1 снято с производства 9 | Art.: FO16136 CHOKE SHAFT RETURN SPRING Деталей в узле: 1 снято с производства 10 | Art.: FO16137 воздушная заслонка Деталей в узле: 1 снято с производства 11 | CHOKE SHUTTER SCREW AND LOCKWASHER Деталей в узле: 2 12 | Art.: F440906 FLANGE GASKET Деталей в узле: 1 13 | Art.: поплавок Деталей в узле: 1 14 | Art.: FO13944 FLOAT LEVER PIN Деталей в узле: 1 15 | Art.: FO16130 камера топливной смеси Деталей в узле: 1 16 | Art.: FO15623 FUEL BOWL GASKET Деталей в узле: 1 17 | Art.: FO16132 FUEL BOWL RETAINING SCREW Деталей в узле: 1 18 | Art.: FO5323 FUEL BOWL RETAINING SCREW GASKET Деталей в узле: 1 19 | Art.: FO14166 винт регулировки качества смеси на холостом ходу Деталей в узле: 1 20 | Art.: IDLE MIXTURE SCREW SPRING Деталей в узле: 1 цена по запросу 21 | Art.: FO16697 INLET NEEDLE Деталей в узле: 1 снято с производства 22 | Art.: -016857 MAIN FUEL JET (.125) (STANDARD) Деталей в узле: 1 23 | Art.: FO16856 главный распылитель Деталей в узле: 1 снято с производства 24 | Art.: FO16145 THROTTLE SHAFT AND LEVER Деталей в узле: 1 снято с производства 25 | Art.: FO6393 THROTTLE SHAFT POSITION RETAINING SCREW Деталей в узле: 1 снято с производства 26 | Art.: FO6396 THROTTLE SHAFT POSITION RETAINING SCREW LOCKWASHER Деталей в узле: 1 снято с производства 27 | Art.: FO12400 THROTTLE SHAFT POSITION RETAINING SCREW WASHER Деталей в узле: 1 снято с производства 28 | Art.: FO16143 THROTTLE SHAFT RETURN SPRING Деталей в узле: 1 29 | Art.: FO16142 заслонка дросселя Деталей в узле: 1 снято с производства 30 | THROTTLE SHUTTER RETAINING SCREW AND LOCKWASHER Деталей в узле: 2 31 | Art.: Набор прокладок Деталей в узле: 1 32 | Art.: -10052 Ремкомплект (INCLUDES ALL ITEMS MARKED WITH AN ASTERISK (*))Деталей в узле: 1 33 | Art.: F440273-1 STUD, CARBURETOR COVER Деталей в узле: 1 снято с производства 34 | Art.: THROTTLE ROLLER SHAFT Деталей в узле: 1 снято с производства 35 | Art.: ролик Деталей в узле: 1 снято с производства 36 | Art.: STOP NUT Деталей в узле: 1 37 | Art.: F84314-2 ELBOW, FUEL LINE - CARBURETOR Деталей в узле: 1 снято с производства 38 | Art.: F1059 FILL HD SCREW, 6 - 32 X 1/4 Деталей в узле: 1 снято с производства 39 | Art.: F184033-1 SWIVEL, CHOKE ROD Деталей в узле: 1 |
