150 H.P. XR-2 MARATHON MAGNUM (V-6) (1978-1985 COMBINED BOOK)
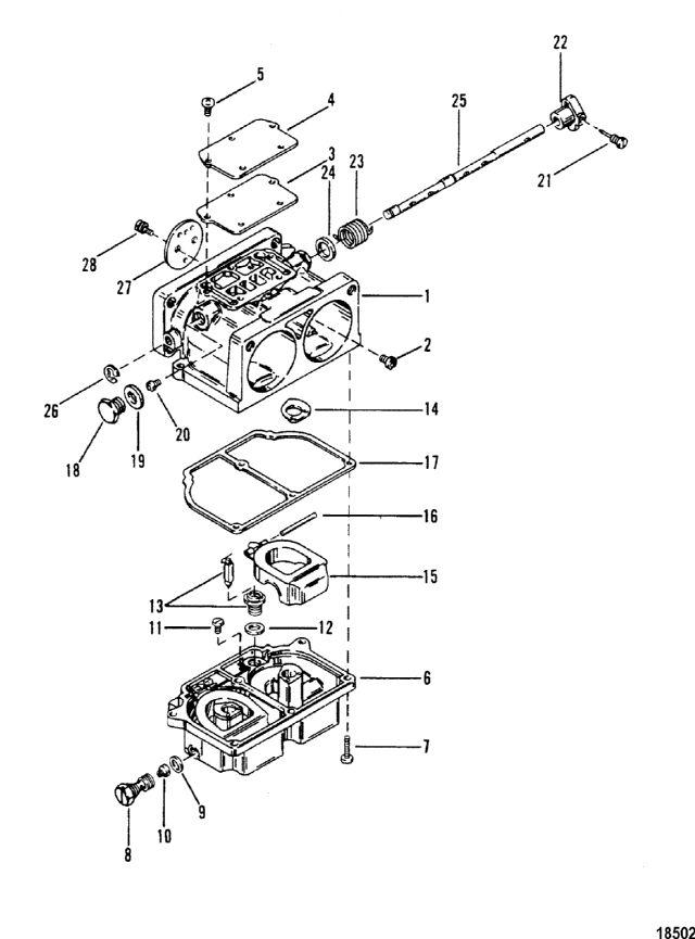
Карбюратор в сборе
Карбюратор в сборе
| № | Артикул | Наименование | Деталей в узле | Комментарий | Цена | |
| 1 | карбюратор | 3 | (WH-9) | снято с производства | ||
| 1 | Карбюратор | 1 | (TOP)(WH-12) | снято с производства | ||
| 1 | Карбюратор | 1 | (CENTER)(WH-12) | снято с производства | ||
| 1 | Карбюратор | 1 | (BOTTOM)(WH-12) | снято с производства | ||
| 1 | Карбюратор | 1 | (TOP)(WH-29) | снято с производства | ||
| 1 | Карбюратор | 1 | (CENTER)(WH-29) | снято с производства | ||
| 1 | Карбюратор | 1 | (BOTTOM)(WH-29) | снято с производства | ||
| 2 | жиклер вентиляционной камеры (.098) | 6 | 1060 руб. | |||
| 2 | главный жиклер вентиляционной камеры (.096) | 6 | 1840 руб. | |||
| 3 | NSS | не продается по отдельности, прокладка пластины крышки | 3 | |||
| 4 | Пластина | 3 | снято с производства | |||
| 5 | NSS | не продается по отдельности, винт пластины крышки | 15 | |||
| 6 | топливная камера | 2 | (CENTER/BOTTOM) (WH-12/WH-23) | снято с производства | ||
| 6 | топливная камера | 3 | (WH-27/WH-29) | снято с производства | ||
| 6 | топливная камера | 1 | (TOP)(WH-12/WH-23) | снято с производства | ||
| 6 | больше не поставляется, камера топливной смеси | 3 | (WH-2/WH-9) | |||
| 7 | NSS | не поставляется по отдельности, винт топливной камеры | 18 | |||
| 8 | пробка главного жиклера | 6 | 4410 руб. | |||
| 9 | NSS | не продается по отдельности, прокладка главного жиклера | 6 | |||
| 10 | главный топливный жиклер (.050) | 6 | 1480 руб. | |||
| 10 | главный топливный жиклер (.052) | 6 | 1250 руб. | |||
| 10 | главный топливный жиклер (.048) | 6 | 2160 руб. | |||
| 10 | главный топливный жиклер (.064) | 6 | 1480 руб. | |||
| 10 | главный топливный жиклер (.054) | 6 | 1480 руб. | |||
| 11 | NSS | не продается по отдельности, винт стержня поплавка | 6 | |||
| 12 | NSS | не продается по отдельности, прокладка, впускная игла и седло | 6 | |||
| 13 | впускная игла и седло в сборе | 6 | 3220 руб. | |||
| 13 | комплект впускной иглы и седла | 6 | (WH-9) | 4270 руб. | ||
| 14 | NSS | NOT SOLD SEPARATE, GASKET, NOZZLE BOSS | 6 | |||
| 15 | поплавок | 6 | снято с производства | |||
| 15 | поплавок | 6 | (WH-9) | цена по запросу | ||
| 16 | NSS | NOT SOLD SEPARATE, PIN, FLOAT LEVER | 6 | |||
| 17 | NSS | не продается по отдельности, прокладка топливной камеры | 3 | |||
| 18 | SCREW, IDLE AIR BLEED JET | 6 | 1780 руб. | |||
| 19 | NSS | NOT SOLD SEPARATE, GASKET, BLEED JET PLUG | 6 | |||
| 20 | JET, (.052), IDLE AIR BLEED | 6 | 1250 руб. | |||
| 20 | JET, Main (.060), IDLE AIR BLEED | 6 | 1770 руб. | |||
| 20 | JET, Main (.054), IDLE AIR BLEED | 6 | 1480 руб. | |||
| 20 | JET, Main (.056), IDLE AIR BLEED | 6 | 1480 руб. | |||
| 21 | Винт рычага дросселя | 3 | 400 руб. | |||
| 22 | рычаг | 3 | снято с производства | |||
| 23 | NSS | не продается по отдельности, пружина возврата дросселя | 3 | |||
| 24 | проставка рычага дросселя | 3 | снято с производства | |||
| 25 | Вал | 3 | снято с производства | |||
| 26 | NSS | не продается по отдельности, кольцо фиксатора вала дросселя | 3 | |||
| 27 | Дроссельная заслонка | 6 | (WH-9/WH-12) | снято с производства | ||
| 27 | больше не поставляется, дроссельная заслонка | 6 | (WH-2) | |||
| 27 | Дроссельная заслонка | 6 | снято с производства | |||
| 28 | NSS | не продается по отдельности, винт дроссельной заслонки | 12 | |||
| - | Ремкомплект карбюратора | 15500 руб. | ||||
| - | Ремкомплект | (WH-2/WH-9/WH-12) | 17020 руб. | |||
| - | Набор прокладок | 1230 руб. | ||||
| 1 | Art.: карбюратор ((WH-9))Деталей в узле: 3 снято с производства 1 | Art.: 1382-7563A4 Карбюратор ((TOP)(WH-12))Деталей в узле: 1 снято с производства 1 | Art.: 1382-7563A5 Карбюратор ((CENTER)(WH-12))Деталей в узле: 1 снято с производства 1 | Art.: 1382-7563A6 Карбюратор ((BOTTOM)(WH-12))Деталей в узле: 1 снято с производства 1 | Art.: 1374-5643A97 Карбюратор ((TOP)(WH-29))Деталей в узле: 1 снято с производства 1 | Art.: 1374-5643A98 Карбюратор ((CENTER)(WH-29))Деталей в узле: 1 снято с производства 1 | Art.: 1374-5643A99 Карбюратор ((BOTTOM)(WH-29))Деталей в узле: 1 снято с производства 2 | Art.: 1395-7335 жиклер вентиляционной камеры (.098) Деталей в узле: 6 2 | Art.: 1399-6249 главный жиклер вентиляционной камеры (.096) Деталей в узле: 6 3 | Art.: -NSS не продается по отдельности, прокладка пластины крышки Деталей в узле: 3 4 | Art.: 1395-6032 Пластина Деталей в узле: 3 снято с производства 5 | Art.: -NSS не продается по отдельности, винт пластины крышки Деталей в узле: 15 6 | Art.: 1395-7822 топливная камера ((CENTER/BOTTOM) (WH-12/WH-23))Деталей в узле: 2 снято с производства 6 | Art.: 1395-7822 топливная камера ((WH-27/WH-29))Деталей в узле: 3 снято с производства 6 | Art.: 1395-7823 топливная камера ((TOP)(WH-12/WH-23))Деталей в узле: 1 снято с производства 6 | Art.: -NLA больше не поставляется, камера топливной смеси ((WH-2/WH-9))Деталей в узле: 3 7 | Art.: -NSS не поставляется по отдельности, винт топливной камеры Деталей в узле: 18 8 | Art.: 1395-6025 пробка главного жиклера Деталей в узле: 6 9 | Art.: -NSS не продается по отдельности, прокладка главного жиклера Деталей в узле: 6 10 | Art.: 1395-6028 главный топливный жиклер (.050) Деталей в узле: 6 10 | Art.: 1395-6359 главный топливный жиклер (.052) Деталей в узле: 6 10 | Art.: 1395-6246 главный топливный жиклер (.048) Деталей в узле: 6 10 | Art.: 1399-4216 главный топливный жиклер (.064) Деталей в узле: 6 10 | Art.: 1399-5225 главный топливный жиклер (.054) Деталей в узле: 6 11 | Art.: -NSS не продается по отдельности, винт стержня поплавка Деталей в узле: 6 12 | Art.: -NSS не продается по отдельности, прокладка, впускная игла и седло Деталей в узле: 6 13 | Art.: 1395-7824 впускная игла и седло в сборе Деталей в узле: 6 13 | Art.: 1395-7624 комплект впускной иглы и седла ((WH-9))Деталей в узле: 6 14 | Art.: -NSS NOT SOLD SEPARATE, GASKET, NOZZLE BOSS Деталей в узле: 6 15 | Art.: 1395-9267 поплавок Деталей в узле: 6 снято с производства 15 | Art.: поплавок ((WH-9))Деталей в узле: 6 цена по запросу 16 | Art.: -NSS NOT SOLD SEPARATE, PIN, FLOAT LEVER Деталей в узле: 6 17 | Art.: -NSS не продается по отдельности, прокладка топливной камеры Деталей в узле: 3 18 | Art.: 1395-4541 SCREW, IDLE AIR BLEED JET Деталей в узле: 6 19 | Art.: -NSS NOT SOLD SEPARATE, GASKET, BLEED JET PLUG Деталей в узле: 6 20 | Art.: 1395-6359 JET, (.052), IDLE AIR BLEED Деталей в узле: 6 20 | Art.: 1395-6487 JET, Main (.060), IDLE AIR BLEED Деталей в узле: 6 20 | Art.: 1399-5225 JET, Main (.054), IDLE AIR BLEED Деталей в узле: 6 20 | Art.: 1399-5213 JET, Main (.056), IDLE AIR BLEED Деталей в узле: 6 21 | Art.: 1395-6027 Винт рычага дросселя Деталей в узле: 3 22 | Art.: 67752 рычаг Деталей в узле: 3 снято с производства 23 | Art.: -NSS не продается по отдельности, пружина возврата дросселя Деталей в узле: 3 24 | Art.: 1395-6031 проставка рычага дросселя Деталей в узле: 3 снято с производства 25 | Art.: 1395-6022 Вал Деталей в узле: 3 снято с производства 26 | Art.: -NSS не продается по отдельности, кольцо фиксатора вала дросселя Деталей в узле: 3 |
