35 HP
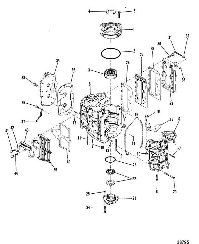
картер блока цилиндров и крышки
картер блока цилиндров и крышки
| № | Артикул | Наименование | Деталей в узле | Комментарий | Цена | |
| 1 | Верхняя торцевая крышка в сборе | 1 | снято с производства | |||
| 2 | уплотнительное кольцо верхней торцевой крышки | 1 | 550 руб. | |||
| 3 | BEARING, Roller, UPPER END CAP | 1 | снято с производства | |||
| 4 | уплотнение верхней торцевой крышки | 1 | 2490 руб. | |||
| 5 | SCREW AND LOCKWASHER, (.312-18 x 1.00), UPPR END CAP MOUNTING | 4 | цена по запросу | |||
| 6 | Блок цилиндров в сборе | 1 | снято с производства | |||
| 7 | шпилька крепления карбюратора (1 1/4") | 2 | цена по запросу | |||
| 8 | STUD, CRANKCASE TO DRIVESHAFT HOUSING (1-5/8") | 2 | снято с производства | |||
| 9 | STUD, CYLINDER BLOCK TO DRIVESHAFT HOUSING (4-3/8") | 2 | снято с производства | |||
| 10 | STUD, (.312 x 2.125), CYLINDER BLOCK TO DRIVESHAFT HOUSING | 2 | цена по запросу | |||
| 11 | STUD, (.312-18/.312-24 x 2.560), CYLINDER BLOCK TO DRIVESHAFT HOUSING | 2 | цена по запросу | |||
| 12 | RESTRICTOR, CYLINDER BLOCK (BLEED) | 1 | 360 руб. | |||
| 13 | PIN, Dowel, CRANKCASE TO CYLINDER BLOCK | 2 | 660 руб. | |||
| 14 | PIN, Dowel, CYLINDER BLOCK TO MAIN BEARING | 1 | 460 руб. | |||
| 15 | прокладка уплотнения блока цилиндров | 2 | 310 руб. | |||
| 16 | PLUG, Pipe (.125-27), CYLINDER BLOCK | 1 | 710 руб. | |||
| 17 | кронштейн стартера | 1 | снято с производства | |||
| 18 | SCREW, (.312-24 x 1.375), STARTER MOTOR BRACKET TO BLOCK | 2 | снято с производства | |||
| 19 | NUT, (.312-24), STARTER MOTOR BRACKET SCREW | 2 | 270 руб. | |||
| 20 | SCREW, (.312-18 x 1.50), CRANKCASE TO CYLINDER BLOCK | 7 | 310 руб. | |||
| 20 | SCREW, (.312-18 x 3.00), CRANKCASE TO CYLINDER BLOCK | 2 | цена по запросу | |||
| 20 | винт крепления картера к блоку цилиндров (.312-18 x 1.250) | 1 | 200 руб. | |||
| 21 | нижняя торцевая крышка в сборе | 1 | снято с производства | |||
| 22 | уплотнение нижней торцевой крышки | 2 | 2490 руб. | |||
| 23 | уплотнительное кольцо нижней торцевой крышки | 1 | 280 руб. | |||
| 24 | винт крепления нижней торцевой крышки к блоку цилиндров (1 1/2") | 3 | снято с производства | |||
| 25 | O-RING, LOWER END CAP SCREW | 3 | 150 руб. | |||
| 26 | прокладка между блоком цилиндров и перегородкой | 1 | цена по запросу | |||
| 27 | PLATE, DIVIDER - EXHAUST MANIFOLD | 1 | снято с производства | |||
| 28 | прокладка между перегородкой и выпускной крышкой | 1 | 830 руб. | |||
| 29 | Крышка выпускного коллектора | 1 | снято с производства | |||
| 30 | SCREW, MANIFOLD COVER TO CYLINDER BLOCK (1-3/8") | 7 | цена по запросу | |||
| 30 | SCREW, (1.25), MANIFOLD COVER TO CYLINDER BLOCK | 1 | цена по запросу | |||
| 31 | регулировочный винт выпускной крышки (1 7/8") | 2 | снято с производства | |||
| 32 | NUT, (.250-20), ADJUSTING SCREW | 2 | 240 руб. | |||
| 33 | CAP, Nylon, ADJUSTING SCREW | 2 | 500 руб. | |||
| 34 | Крышка блока цилиндров | 1 | цена по запросу | |||
| 35 | Прокладка крышки блока цилиндров | 1 | цена по запросу | |||
| 36 | SCREW, (.250-20 x 1.120), CYLINDER BLOCK COVER MOUNTING | 10 | 250 руб. | |||
| 37 | STRAP ASEMBLY, Ground, POWERHEAD TO BOTTOM COWL | 2 | снято с производства | |||
| 38 | заглушка трубки крышки блока цилиндров (0.125-27) | 1 | 710 руб. | |||
| 39 | COVER, TRANSFER PORT | 1 | снято с производства | |||
| 40 | GASKET, TRANSFER PORT COVER | 1 | 910 руб. | |||
| 41 | SCREW, TRANSFER PORT COVER MOUNTING (1") | 4 | цена по запросу | |||
| 42 | J CLIP, COIL HARNESS | 1 | 1030 руб. | |||
| 43 | кронштейн топливного фильтра и жгута | 1 | снято с производства | |||
| 44 | SCREW, (.250-20 x 1.120), BRACKET MOUNTING | 2 | 250 руб. | |||
| - | Набор прокладок | 1 | 8760 руб. | |||
| - | силовая головка в сборе | 1 | снято с производства | |||
| 1 | Art.: 1167-8277A1 Верхняя торцевая крышка в сборе Деталей в узле: 1 снято с производства 2 | Art.: 25-47254 уплотнительное кольцо верхней торцевой крышки Деталей в узле: 1 3 | Art.: BEARING, Roller, UPPER END CAP Деталей в узле: 1 снято с производства 4 | Art.: 26-41953 уплотнение верхней торцевой крышки Деталей в узле: 1 5 | Art.: SCREW AND LOCKWASHER, (.312-18 x 1.00), UPPR END CAP MOUNTING Деталей в узле: 4 цена по запросу 6 | Art.: Блок цилиндров в сборе Деталей в узле: 1 снято с производства 7 | Art.: шпилька крепления карбюратора (1 1/4") Деталей в узле: 2 цена по запросу 8 | Art.: 16-68165 STUD, CRANKCASE TO DRIVESHAFT HOUSING (1-5/8") Деталей в узле: 2 снято с производства 9 | Art.: 16-87901 STUD, CYLINDER BLOCK TO DRIVESHAFT HOUSING (4-3/8") Деталей в узле: 2 снято с производства 10 | Art.: 16-68166 STUD, (.312 x 2.125), CYLINDER BLOCK TO DRIVESHAFT HOUSING Деталей в узле: 2 цена по запросу
11 | Art.: 16-68167 STUD, (.312-18/.312-24 x 2.560), CYLINDER BLOCK TO DRIVESHAFT HOUSING Деталей в узле: 2 цена по запросу
12 | Art.: 66517 RESTRICTOR, CYLINDER BLOCK (BLEED) Деталей в узле: 1 13 | Art.: 17-23784 PIN, Dowel, CRANKCASE TO CYLINDER BLOCK Деталей в узле: 2 14 | Art.: 17-20323 PIN, Dowel, CYLINDER BLOCK TO MAIN BEARING Деталей в узле: 1 15 | Art.: 27-55158 прокладка уплотнения блока цилиндров Деталей в узле: 2 16 | PLUG, Pipe (.125-27), CYLINDER BLOCK Деталей в узле: 1 17 | Art.: 62064 кронштейн стартера Деталей в узле: 1 снято с производства 18 | Art.: 10-21339 SCREW, (.312-24 x 1.375), STARTER MOTOR BRACKET TO BLOCK Деталей в узле: 2 снято с производства 19 | Art.: 11-29250 NUT, (.312-24), STARTER MOTOR BRACKET SCREW Деталей в узле: 2 20 | Art.: 10-73657 SCREW, (.312-18 x 1.50), CRANKCASE TO CYLINDER BLOCK Деталей в узле: 7 20 | Art.: 10-63328 SCREW, (.312-18 x 3.00), CRANKCASE TO CYLINDER BLOCK Деталей в узле: 2 цена по запросу
20 | Art.: 10-74824 винт крепления картера к блоку цилиндров (.312-18 x 1.250) Деталей в узле: 1 21 | Art.: 1152-7267A1 нижняя торцевая крышка в сборе Деталей в узле: 1 снято с производства 22 | Art.: 26-41953 уплотнение нижней торцевой крышки Деталей в узле: 2 23 | Art.: уплотнительное кольцо нижней торцевой крышки Деталей в узле: 1 24 | Art.: 10-63365 винт крепления нижней торцевой крышки к блоку цилиндров (1 1/2") Деталей в узле: 3 снято с производства 25 | Art.: 25-64068 O-RING, LOWER END CAP SCREW Деталей в узле: 3 26 | Art.: прокладка между блоком цилиндров и перегородкой Деталей в узле: 1 цена по запросу
27 | Art.: 55190 PLATE, DIVIDER - EXHAUST MANIFOLD Деталей в узле: 1 снято с производства 28 | Art.: прокладка между перегородкой и выпускной крышкой Деталей в узле: 1 29 | Крышка выпускного коллектора Деталей в узле: 1 снято с производства 30 | Art.: SCREW, MANIFOLD COVER TO CYLINDER BLOCK (1-3/8") Деталей в узле: 7 цена по запросу 30 | Art.: SCREW, (1.25), MANIFOLD COVER TO CYLINDER BLOCK Деталей в узле: 1 цена по запросу 31 | Art.: 10-64021 регулировочный винт выпускной крышки (1 7/8") Деталей в узле: 2 снято с производства 32 | Art.: 11-64015 NUT, (.250-20), ADJUSTING SCREW Деталей в узле: 2 33 | Art.: 26852 CAP, Nylon, ADJUSTING SCREW Деталей в узле: 2 34 | Art.: Крышка блока цилиндров Деталей в узле: 1 цена по запросу 35 | Art.: 27-854901 Прокладка крышки блока цилиндров Деталей в узле: 1 цена по запросу
36 | Art.: 10-76213 SCREW, (.250-20 x 1.120), CYLINDER BLOCK COVER MOUNTING Деталей в узле: 10 37 | Art.: 46933A3 STRAP ASEMBLY, Ground, POWERHEAD TO BOTTOM COWL Деталей в узле: 2 снято с производства 38 | заглушка трубки крышки блока цилиндров (0.125-27) Деталей в узле: 1 39 | Art.: COVER, TRANSFER PORT Деталей в узле: 1 снято с производства 40 | Art.: GASKET, TRANSFER PORT COVER Деталей в узле: 1 41 | Art.: SCREW, TRANSFER PORT COVER MOUNTING (1") Деталей в узле: 4 цена по запросу 42 | Art.: 54-47483 J CLIP, COIL HARNESS Деталей в узле: 1 43 | Art.: 92059 кронштейн топливного фильтра и жгута Деталей в узле: 1 снято с производства 44 | Art.: 10-76213 SCREW, (.250-20 x 1.120), BRACKET MOUNTING Деталей в узле: 2 - | Art.: 27-78028A78 Набор прокладок Деталей в узле: 1 - | Art.: силовая головка в сборе Деталей в узле: 1 снято с производства | ||||||||||||||||||||||||||||||||||||||||||||||||||
