MERC 500
привод карбюратора и соленоид воздушной заслонки
привод карбюратора и соленоид воздушной заслонки
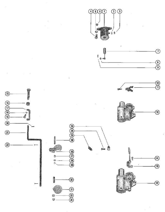
| № | Артикул | Наименование | Деталей в узле | Комментарий | Цена | |
| 1 | CHOKE SOLENOID ELECTRIC | 1 | цена по запросу | |||
| 2 | LOCKWASHER, CHOKE SOLENOID TERMINAL ELECTRIC | 1 | 120 руб. | |||
| 3 | NUT, CHOKE SOLENOID TERMINAL ELECTRIC | 1 | цена по запросу | |||
| 4 | SCREW, CHOKE SOLENOID TO FRONT BRACKET ELECTRIC | 2 | снято с производства | |||
| 5 | LOCKWASHER, CHOKE SOLENOID SCREW ELECTRIC | 2 | цена по запросу | |||
| 6 | NUT, CHOKE SOLENOID SCREW ELECTRIC | 2 | 270 руб. | |||
| 7 | PLUNGER AND LINK ASSEMBLY, CHOKE SOLENOID ELECTRIC | 1 | снято с производства | |||
| 8 | WASHER, PLUNGER AND LINK ELECTRIC | 1 | цена по запросу | |||
| 9 | COTTER PIN, LINK TO UPPER CHOKE SHUTTER ELECTRIC | 1 | 460 руб. | |||
| 10 | карбюротор в сборе | 2 | UNITED STATES 3816308 AND UP AUSTRALIA 8015900 AND UP BELGIUM 9047654 AND UP CANADA 7030748 AND UP | цена по запросу | ||
| 10 | карбюротор в сборе | 2 | UNITED STATES 2858814 THRU 3816307 AUSTRALIA 2863739 THRU 8015989 BELGIUM 9001581 THRU 9047653 CANADA 2742142 THRU 7030747 | снято с производства | ||
| 11 | CLUSTER, THROTTLE LEVER (UPPER CARB.) | 1 | UNITED STATES 2858814 THRU 3235062 AUSTRALIA 2863739 THRU 3244337 CANADA 2742142 THRU 3243512 | снято с производства | ||
| 11 | CLUSTER, THROTTLE LEVER (UPPER CARB.) | 1 | UNITED STATES 3235063 AND UP AUSTRALIA 3244338 AND UP BELGIUM 9001581 AND UP CANADA 3243513 AND UP | снято с производства | ||
| 12 | SCREW, CLUSTER TO THROTTLE LEVER | 1 | цена по запросу | |||
| 13 | PICK-UP BRACKET ASSEMBLY | 1 | 7660 руб. | |||
| 14 | SCREW, PICK-UP BRACKET (3/4") | 1 | снято с производства | |||
| 15 | головка тяги воздушной заслонки | 1 | цена по запросу | |||
| 16 | резиновая втулка головки воздушной заслонки | 1 | 500 руб. | |||
| 17 | "U" LINK, CHOKE ROD TO CHOKE KNOB (ELECTRIC) | 1 | снято с производства | |||
| 17 | "U" LINK, CHOKE ROD TO CHOKE KNOB (MANUAL) | 1 | снято с производства | |||
| 18 | SCREW, "U" LINK TO CHOKE KNOB | 1 | цена по запросу | |||
| 19 | LOCKWASHER, "U" LINK SCREW | 1 | 120 руб. | |||
| 20 | COTTER PIN, "U" LINK TO CHOKE ROD | 1 | цена по запросу | |||
| 21 | ROD, CHOKE (MANUAL) | 1 | снято с производства | |||
| 21 | ROD, CHOKE (ELECTRIC) | 1 | снято с производства | |||
| 22 | заклепка крепления воздушной заслонки к тяге воздушной заслонки | 2 | снято с производства | |||
| 23 | SPRING, TENSION - CHOKE ROD TO CARBURETOR | 1 | снято с производства | |||
| 24 | SCREW, TENSION SPRING TO CARBURETOR | 1 | снято с производства | |||
| 25 | Фиксатор пружины | 1 | снято с производства | |||
| 26 | воздушная заслонка карбюратора | 2 | снято с производства | |||
| 27 | BUSHING, NYLON - UPPER CHOKE SHUTTER (ELECTRIC) | 1 | снято с производства | |||
| 28 | STUD, CARBURETOR - CHOKE SHUTTER PIVOT (1 3/8") | 2 | цена по запросу | |||
| 29 | шайба шпильки воздушной заслонки карбюратора | 2 | 220 руб. | |||
| 30 | гайка шпильки воздушной заслонки карбюратора | 2 | 180 руб. | |||
| 31 | SCREEN, FILTER - CARBURETOR | 2 | снято с производства | |||
| 32 | STUD, FILTER SCREEN TO CARBURETOR (1 1/8") | 2 | цена по запросу | |||
| 33 | WASHER, FILTER SCREEN STUD | 2 | 220 руб. | |||
| 34 | NUT, FILTER SCREEN STUD | 2 | 180 руб. | |||
| 1 | CHOKE SOLENOID ELECTRIC Деталей в узле: 1 цена по запросу
| ||||||||||||||||||||||||||||||||||||||||||||||||||||||||||
| 2 | Art.: 13-26996 LOCKWASHER, CHOKE SOLENOID TERMINAL ELECTRIC Деталей в узле: 1 3 | Art.: NUT, CHOKE SOLENOID TERMINAL ELECTRIC Деталей в узле: 1 цена по запросу 4 | Art.: 10-26066 SCREW, CHOKE SOLENOID TO FRONT BRACKET ELECTRIC Деталей в узле: 2 снято с производства 5 | Art.: 13-26993 LOCKWASHER, CHOKE SOLENOID SCREW ELECTRIC Деталей в узле: 2 цена по запросу
6 | Art.: 11-22053 NUT, CHOKE SOLENOID SCREW ELECTRIC Деталей в узле: 2 7 | Art.: 54283A2 PLUNGER AND LINK ASSEMBLY, CHOKE SOLENOID ELECTRIC Деталей в узле: 1 снято с производства 8 | Art.: WASHER, PLUNGER AND LINK ELECTRIC Деталей в узле: 1 цена по запросу 9 | Art.: 18-26953 COTTER PIN, LINK TO UPPER CHOKE SHUTTER ELECTRIC Деталей в узле: 1 10 | Art.: карбюротор в сборе (UNITED STATES 3816308 AND UP AUSTRALIA 8015900 AND UP BELGIUM 9047654 AND UP CANADA 7030748 AND UP)Деталей в узле: 2 цена по запросу 10 | Art.: 1333-3709 карбюротор в сборе (UNITED STATES 2858814 THRU 3816307 AUSTRALIA 2863739 THRU 8015989 BELGIUM 9001581 THRU 9047653 CANADA 2742142 THRU 7030747)Деталей в узле: 2 снято с производства 11 | Art.: 27917 CLUSTER, THROTTLE LEVER (UPPER CARB.) (UNITED STATES 2858814 THRU 3235062 AUSTRALIA 2863739 THRU 3244337 CANADA 2742142 THRU 3243512)Деталей в узле: 1 снято с производства 11 | Art.: CLUSTER, THROTTLE LEVER (UPPER CARB.) (UNITED STATES 3235063 AND UP AUSTRALIA 3244338 AND UP BELGIUM 9001581 AND UP CANADA 3243513 AND UP)Деталей в узле: 1 снято с производства 12 | Art.: SCREW, CLUSTER TO THROTTLE LEVER Деталей в узле: 1 цена по запросу 13 | Art.: 53719A2 PICK-UP BRACKET ASSEMBLY Деталей в узле: 1 14 | Art.: 10-53651 SCREW, PICK-UP BRACKET (3/4") Деталей в узле: 1 снято с производства 15 | головка тяги воздушной заслонки Деталей в узле: 1 цена по запросу 16 | Art.: 25-20116 резиновая втулка головки воздушной заслонки Деталей в узле: 1 17 | Art.: 46303 "U" LINK, CHOKE ROD TO CHOKE KNOB (ELECTRIC) Деталей в узле: 1 снято с производства 17 | Art.: 22462 "U" LINK, CHOKE ROD TO CHOKE KNOB (MANUAL) Деталей в узле: 1 снято с производства 18 | Art.: SCREW, "U" LINK TO CHOKE KNOB Деталей в узле: 1 цена по запросу 19 | Art.: 13-26996 LOCKWASHER, "U" LINK SCREW Деталей в узле: 1 20 | Art.: COTTER PIN, "U" LINK TO CHOKE ROD Деталей в узле: 1 цена по запросу 21 | Art.: 47958 ROD, CHOKE (MANUAL) Деталей в узле: 1 снято с производства 21 | Art.: 46304 ROD, CHOKE (ELECTRIC) Деталей в узле: 1 снято с производства 22 | Art.: 17-25391 заклепка крепления воздушной заслонки к тяге воздушной заслонки Деталей в узле: 2 снято с производства 23 | Art.: 24-28965 SPRING, TENSION - CHOKE ROD TO CARBURETOR Деталей в узле: 1 снято с производства 24 | Art.: 10-28713 SCREW, TENSION SPRING TO CARBURETOR Деталей в узле: 1 снято с производства 25 | Art.: 27711 Фиксатор пружины Деталей в узле: 1 снято с производства 26 | Art.: 38604 воздушная заслонка карбюратора Деталей в узле: 2 снято с производства 27 | Art.: 23-30438 BUSHING, NYLON - UPPER CHOKE SHUTTER (ELECTRIC) Деталей в узле: 1 |
