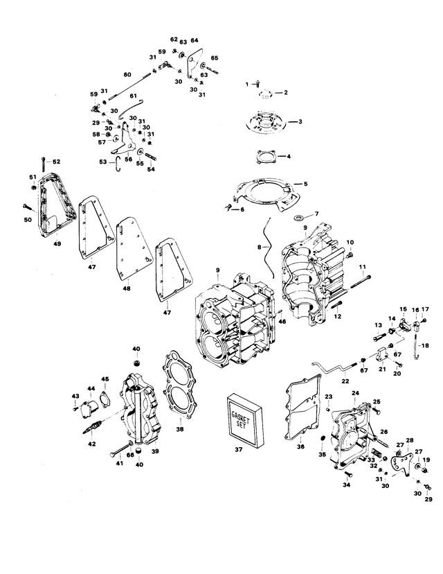
20 H.P.
силовая головка
силовая головка
| № | Артикул | Наименование | Деталей в узле | Комментарий | Цена | |
| 1 | FILL HD SCREW, 1/4 - 20 X 3/4 | 4 | цена по запросу | |||
| 2 | SEAL, CRANKSHAFT UPPER MAIN | 1 | снято с производства | |||
| 3 | CRANKSHAFT BEARING CAGE | 1 | W/ILLUS. 2 | снято с производства | ||
| 4 | GASKET, CRANKSHAFT BEARING CAGE | 1 | снято с производства | |||
| 5 | MAGNETO STATOR RING | 1 | W/ILLUS. 7 | снято с производства | ||
| 6 | PLASTI-RIVET | 1 | снято с производства | |||
| 7 | PLAIN WASHER | 1 | снято с производства | |||
| 8 | SEAL, CRANKCASE PARTING LINE | 1 | цена по запросу | |||
| 9 | цилиндр | 1 | W/CRANKCASE COVER, ILLUS. 8, 11, 12 AND 46 | снято с производства | ||
| 10 | HEX HD SCREW, 1/4 - 20 X 3/4 | 8 | цена по запросу | |||
| 11 | HEX SOCKET HD CAP SCREW, 5/16 - 18 X 2 3/4 | 2 | снято с производства | |||
| 12 | HEX SOCKET HD CAP SCREW, 5/16 - 18 X 1 1/4 | 4 | цена по запросу | |||
| 13 | SWIVEL, SHIFT INTERLOCK LEVER | 1 | снято с производства | |||
| 14 | Подшипник | 1 | цена по запросу | |||
| 15 | LEVER, SHIFT INTERLOCK | 1 | снято с производства | |||
| 16 | BEARING, SHIFT INTERLOCK ROD | 1 | снято с производства | |||
| 17 | SWIVEL SHIFT INTERLOCK BEARING | 1 | снято с производства | |||
| 18 | ROD, SHIFT INTERLOCK | 1 | снято с производства | |||
| 19 | LOCK NUT, 3/8 - 16 | 1 | цена по запросу | |||
| 20 | FILL HD M. SCREW, 10 - 24 X 1/2 | 2 | снято с производства | |||
| 21 | CAP, INTERLOCK (HAND START ONLY) | 1 | снято с производства | |||
| 22 | ROD, STARTER INTERLOCK | 1 | снято с производства | |||
| 23 | обратный клапан | 2 | W/LITERATURE ORIGINAL FORCE P/N A 213740-1 | снято с производства | ||
| 24 | TRANSFER PORT COVER | 1 | W/ITEM 23 | снято с производства | ||
| 25 | HEX CAP SCREW, 1/4 - 20 X 5/8 | 9 | снято с производства | |||
| 26 | STUD, GEAR SHIFT LEVER | 1 | цена по запросу | |||
| 27 | BEARING, SHIFT LEVER | 2 | снято с производства | |||
| 28 | LEVER, GEAR SHIFT | 1 | снято с производства | |||
| 29 | ROD END CONNECTOR STUD | 2 | снято с производства | |||
| 30 | INTERNAL TOOTH LOCKWASHER | 8 | цена по запросу | |||
| 31 | HEX NUT, 10 - 32 | 6 | цена по запросу | |||
| 32 | BALL SHIFT LEVER DETENT | 1 | снято с производства | |||
| 33 | SPRING, SHIFT DETENT | 1 | снято с производства | |||
| 34 | HEX HD SCREW, 1/4 - 20 X 5/8 | 1 | снято с производства | |||
| 35 | SCREEN, CYLINDER DRAIN | 2 | 130 руб. | |||
| 36 | GASKET, TRANSFER PORT COVER | 1 | снято с производства | |||
| 37 | Набор прокладок | 1 | (INCLUDES THE FOLLOWING ITEMS) | снято с производства | ||
| 38 | прокладка головки блока | 1 | снято с производства | |||
| 39 | головка блока | 1 | W/ILLUS. 40 | снято с производства | ||
| 40 | PLUG, CYLINDER HEAD | 2 | снято с производства | |||
| 41 | винт головки блока | 10 | снято с производства | |||
| 42 | SPARK PLUG (L-82) | 2 | цена по запросу | |||
| 43 | HEX CAP SCREW, 1/4 - 20 X 5/8 | 2 | цена по запросу | |||
| 44 | крышка термостата | 1 | снято с производства | |||
| 45 | прокладка крышки термостата | 1 | снято с производства | |||
| 46 | посадочный штифт | 2 | цена по запросу | |||
| 47 | GASKET, EXHAUST PORT PLATE | 2 | снято с производства | |||
| 48 | EXHAUST PORT PLATE | 1 | снято с производства | |||
| 49 | EXHAUST PORT COVER | 1 | цена по запросу | |||
| 50 | HEX HD SCREW, 1/4 - 20 X 1 | 10 | 230 руб. | |||
| 51 | HEX NUT | 1 | цена по запросу | |||
| 52 | FILL HD SCREW, 1/4 - 20 X 3/4 | 1 | снято с производства | |||
| 53 | LINK MAGNETO CONTROL SHAFT | 1 | снято с производства | |||
| 54 | STUD, MAGNETO CONTROL LEVER | 1 | снято с производства | |||
| 55 | Подшипник | 1 | снято с производства | |||
| 56 | MAGNETO CONTROL LEVER | 1 | W/ILLUS. 29, 30 AND 31 | снято с производства | ||
| 57 | шайба | 1 | снято с производства | |||
| 58 | STOP NUT | 1 | снято с производства | |||
| 59 | JOINT BALL ASSEMBLY | 2 | 2350 руб. | |||
| 60 | ROD, THROTTLE CAM | 1 | снято с производства | |||
| 61 | LINK, MAGNETO STATOR | 1 | снято с производства | |||
| 62 | LOCK NUT | 1 | цена по запросу | |||
| 63 | BEARING, THROTTLE CAM | 2 | снято с производства | |||
| 64 | дроссельный кулачок | 1 | цена по запросу | |||
| 65 | шпилька кулачка дросселя | 1 | снято с производства | |||
| 66 | PLAIN WASHER, FOR HAND START MODELS | 10 | цена по запросу | |||
| 67 | BEARING (HAND START ONLY) | 2 | цена по запросу | |||
| - | CRANKSHAFT BEARING CAGE GASKET | 1 | снято с производства | |||
| - | SPARK PLUG, CANADA (RL82) | 2 | ||||
| - | DEFLECTOR PLATE GASKET | 1 | 590 руб. | |||
| - | CYLINDER HEAD GASKET | 1 | снято с производства | |||
| - | LEG EXHAUST GASKET | 1 | снято с производства | |||
| - | THERMOSTAT COVER GASKET | 1 | снято с производства | |||
| - | Прокладка карбюратора | 1 | 150 руб. | |||
| - | GASKET, CARBURETOR ADAPTER | 1 | 260 руб. | |||
| - | SHORT BLOCK (NOT SHOWN) | 1 | снято с производства | |||
| - | CYLINDER EXHAUST GASKET | 1 | снято с производства | |||
| - | FUEL PUMP GASKET | 1 | 470 руб. | |||
| - | EXHAUST PORT PLATE | 2 | снято с производства | |||
| - | TRANSFER PORT COVER GASKET | 1 | снято с производства | |||
| - | FUEL PUMP BOWL GASKET | 1 | 1030 руб. | |||
| 1 | Art.: F1107 FILL HD SCREW, 1/4 - 20 X 3/4 Деталей в узле: 4 цена по запросу
| ||||||||||||||||||||||||||||||||||||||||||||||||||||||||||||||||||||||||||||||||||||||||||||||||||||||||||||||||||||||||||||||||||||||||||||||||
| 2 | Art.: F458146 SEAL, CRANKSHAFT UPPER MAIN Деталей в узле: 1 снято с производства 3 | Art.: FA458144 CRANKSHAFT BEARING CAGE (W/ILLUS. 2)Деталей в узле: 1 снято с производства 4 | Art.: F458277 GASKET, CRANKSHAFT BEARING CAGE Деталей в узле: 1 снято с производства 5 | Art.: MAGNETO STATOR RING (W/ILLUS. 7)Деталей в узле: 1 снято с производства 6 | Art.: F1727 PLASTI-RIVET Деталей в узле: 1 снято с производства 7 | Art.: F8000 PLAIN WASHER Деталей в узле: 1 снято с производства 8 | Art.: SEAL, CRANKCASE PARTING LINE Деталей в узле: 1 цена по запросу 9 | Art.: FA542010 цилиндр (W/CRANKCASE COVER, ILLUS. 8, 11, 12 AND 46)Деталей в узле: 1 снято с производства 10 | Art.: HEX HD SCREW, 1/4 - 20 X 3/4 Деталей в узле: 8 цена по запросу 11 | Art.: F2005 HEX SOCKET HD CAP SCREW, 5/16 - 18 X 2 3/4 Деталей в узле: 2 снято с производства 12 | Art.: HEX SOCKET HD CAP SCREW, 5/16 - 18 X 1 1/4 Деталей в узле: 4 цена по запросу 13 | Art.: F85026 SWIVEL, SHIFT INTERLOCK LEVER Деталей в узле: 1 снято с производства 14 | Art.: Подшипник Деталей в узле: 1 цена по запросу 15 | Art.: F458977-3 LEVER, SHIFT INTERLOCK Деталей в узле: 1 снято с производства 16 | Art.: BEARING, SHIFT INTERLOCK ROD Деталей в узле: 1 снято с производства 17 | Art.: SWIVEL SHIFT INTERLOCK BEARING Деталей в узле: 1 снято с производства 18 | Art.: 817805A1 ROD, SHIFT INTERLOCK Деталей в узле: 1 снято с производства 19 | Art.: LOCK NUT, 3/8 - 16 Деталей в узле: 1 цена по запросу 20 | Art.: FILL HD M. SCREW, 10 - 24 X 1/2 Деталей в узле: 2 снято с производства 21 | Art.: F504527 CAP, INTERLOCK (HAND START ONLY) Деталей в узле: 1 снято с производства 22 | Art.: F504809 ROD, STARTER INTERLOCK Деталей в узле: 1 снято с производства 23 | Art.: 21-817741A1 обратный клапан (W/LITERATURE ORIGINAL FORCE P/N A 213740-1)Деталей в узле: 2 снято с производства 24 | Art.: TRANSFER PORT COVER (W/ITEM 23)Деталей в узле: 1 снято с производства 25 | Art.: F1922 HEX CAP SCREW, 1/4 - 20 X 5/8 Деталей в узле: 9 снято с производства 26 | STUD, GEAR SHIFT LEVER Деталей в узле: 1 цена по запросу 27 | Art.: F269052 BEARING, SHIFT LEVER Деталей в узле: 2 снято с производства 28 | Art.: 817808A2 LEVER, GEAR SHIFT Деталей в узле: 1 снято с производства 29 | Art.: F98273 ROD END CONNECTOR STUD Деталей в узле: 2 снято с производства 30 | Art.: F8058 INTERNAL TOOTH LOCKWASHER Деталей в узле: 8 цена по запросу
31 | Art.: HEX NUT, 10 - 32 Деталей в узле: 6 цена по запросу 32 | Art.: F458727 BALL SHIFT LEVER DETENT Деталей в узле: 1 снято с производства 33 | Art.: F183300 SPRING, SHIFT DETENT Деталей в узле: 1 снято с производства 34 | Art.: F1922 HEX HD SCREW, 1/4 - 20 X 5/8 Деталей в узле: 1 снято с производства 35 | Art.: F429811 SCREEN, CYLINDER DRAIN Деталей в узле: 2 36 | Art.: GASKET, TRANSFER PORT COVER Деталей в узле: 1 снято с производства 37 | Art.: FG1010 Набор прокладок ((INCLUDES THE FOLLOWING ITEMS))Деталей в узле: 1 снято с производства 38 | Art.: F458529 прокладка головки блока Деталей в узле: 1 снято с производства 39 | Art.: FA458518 головка блока (W/ILLUS. 40)Деталей в узле: 1 снято с производства 40 | Art.: F458109 PLUG, CYLINDER HEAD Деталей в узле: 2 снято с производства 41 | Art.: винт головки блока Деталей в узле: 10 снято с производства 42 | Art.: SPARK PLUG (L-82) Деталей в узле: 2 цена по запросу
43 | Art.: HEX CAP SCREW, 1/4 - 20 X 5/8 Деталей в узле: 2 цена по запросу 44 | Art.: F458066 крышка термостата Деталей в узле: 1 снято с производства 45 | Art.: F458067 прокладка крышки термостата Деталей в узле: 1 снято с производства 46 | Art.: F8559 посадочный штифт Деталей в узле: 2 цена по запросу
47 | Art.: GASKET, EXHAUST PORT PLATE Деталей в узле: 2 снято с производства 48 | Art.: F458151 EXHAUST PORT PLATE Деталей в узле: 1 снято с производства 49 | Art.: EXHAUST PORT COVER Деталей в узле: 1 цена по запросу 50 | Art.: HEX HD SCREW, 1/4 - 20 X 1 Деталей в узле: 10 51 | Art.: HEX NUT Деталей в узле: 1 цена по запросу 52 | Art.: F1072 FILL HD SCREW, 1/4 - 20 X 3/4 Деталей в узле: 1 снято с производства 53 | Art.: F458445 LINK MAGNETO CONTROL SHAFT Деталей в узле: 1 снято с производства 54 | Art.: F286440 STUD, MAGNETO CONTROL LEVER Деталей в узле: 1 снято с производства 55 | Art.: F183813 Подшипник Деталей в узле: 1 снято с производства 56 | Art.: F2A458081 MAGNETO CONTROL LEVER (W/ILLUS. 29, 30 AND 31)Деталей в узле: 1 снято с производства 57 | Art.: F286282 шайба Деталей в узле: 1 снято с производства 58 | Art.: F1803 STOP NUT Деталей в узле: 1 снято с производства 59 | Art.: JOINT BALL ASSEMBLY Деталей в узле: 2 60 | Art.: F458502 ROD, THROTTLE CAM Деталей в узле: 1 снято с производства 61 | Art.: F458509 LINK, MAGNETO STATOR Деталей в узле: 1 снято с производства 62 | Art.: LOCK NUT Деталей в узле: 1 цена по запросу 63 | Art.: F269319 BEARING, THROTTLE CAM Деталей в узле: 2 снято с производства 64 | Art.: дроссельный кулачок Деталей в узле: 1 цена по запросу 65 | Art.: F433209-1 шпилька кулачка дросселя Деталей в узле: 1 снято с производства 66 | Art.: PLAIN WASHER, FOR HAND START MODELS Деталей в узле: 10 цена по запросу
67 | Art.: BEARING (HAND START ONLY) Деталей в узле: 2 цена по запросу - | Art.: F458277 CRANKSHAFT BEARING CAGE GASKET Деталей в узле: 1 снято с производства - | Art.: -C235227 SPARK PLUG, CANADA (RL82) Деталей в узле: 2 - | Art.: F433406 DEFLECTOR PLATE GASKET Деталей в узле: 1 - | Art.: F458529 CYLINDER HEAD GASKET Деталей в узле: 1 снято с производства - | Art.: F458453 LEG EXHAUST GASKET Деталей в узле: 1 снято с производства - | Art.: F458067 THERMOSTAT COVER GASKET Деталей в узле: 1 снято с производства - | Прокладка карбюратора Деталей в узле: 1 |
