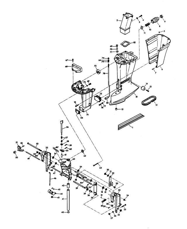
140 H.P.
MOTOR LEG
MOTOR LEG
| № | Артикул | Наименование | Деталей в узле | Комментарий | Цена | |
| 1 | DECAL, LEG PORT | 1 | W/LITERATURE | |||
| 2 | выпускная труба | 1 | снято с производства | |||
| 3 | SPRING LOCKWASHER | 4 | цена по запросу | |||
| 4 | HEX SLOT HD SCREW, 1/4 - 20 X 3/4 | 4 | цена по запросу | |||
| 5 | пробка | 2 | снято с производства | |||
| 6 | MOTOR LEG COVER REAR | 1 | W/ILLUSTRATIONS 5 AND 12 ORIGINAL FORCE P/N A 178145-3 | снято с производства | ||
| 7 | SPRING PIN | 2 | цена по запросу | |||
| 8 | BOOT IDLE EXHAUST | 1 | 3070 руб. | |||
| 9 | Палец-вкладыш | 1 | снято с производства | |||
| 10 | Пружина | 1 | 410 руб. | |||
| 11 | зажим | 1 | цена по запросу | |||
| 12 | SEAL, MOTOR LEG | 1 | снято с производства | |||
| 13 | HEX SOCKET HD CAP SCREW, 5/16 - 18 X 9/16 | 2 | цена по запросу | |||
| 14 | SHOCK MOUNT LOWER REAR | 2 | снято с производства | |||
| 15 | SEAL GEAR SHIFT ROD | 1 | 880 руб. | |||
| 16 | HEX HD M. SCREW, 1/4 - 20 X 1 1/4 | 6 | 310 руб. | |||
| 17 | SPRING BOWED WASHER | 2 | снято с производства | |||
| 18 | PLAIN WASHER | 2 | снято с производства | |||
| 19 | стопорное кольцо | 2 | снято с производства | |||
| 20 | TILT STOP PIVOT | 2 | снято с производства | |||
| 21 | SPRING BOWED WASHER | 1 | цена по запросу | |||
| 22 | TILT LOCK | 1 | цена по запросу | |||
| 23 | STERN BRACKET | 2 | снято с производства | |||
| 24 | STOP NUT | 1 | цена по запросу | |||
| 25 | HEX HD SCREW, 3/8 - 16 X 3 | 2 | снято с производства | |||
| 26 | PLAIN WASHER | 2 | снято с производства | |||
| 27 | HEX NUT | 2 | цена по запросу | |||
| 28 | CLAMP SCREW FOOT | 2 | снято с производства | |||
| 29 | шпилька | 2 | снято с производства | |||
| 30 | Винт зажима | 2 | снято с производства | |||
| 31 | SPRING PIN | 2 | 50 руб. | |||
| 32 | Крышка | 1 | снято с производства | |||
| 33 | пробка | 1 | снято с производства | |||
| 34 | стопорное кольцо | 4 | снято с производства | |||
| 35 | SHOCK ABSORBER W/BUSHING | 2 | снято с производства | |||
| 36 | Подшипник | 2 | 770 руб. | |||
| 37 | SHAFT, SHOCK MOUNT UPPER | 1 | снято с производства | |||
| 38 | пресс-масленка | 3 | снято с производства | |||
| 39 | SHAFT, SHOCK MOUNT LOWER | 1 | снято с производства | |||
| 40 | WELCH PLUG | 1 | снято с производства | |||
| 41 | KINGPIN W/PLUG | 1 | цена по запросу | |||
| 42 | Подшипник | 2 | снято с производства | |||
| 43 | LOCK NUT | 1 | цена по запросу | |||
| 44 | фиксатор заднего хода | 1 | снято с производства | |||
| 45 | REVERSE LOCK SPRING | 1 | снято с производства | |||
| 46 | LINK REVERSE LOCK | 1 | снято с производства | |||
| 47 | REVERSE LOCK PIN | 1 | снято с производства | |||
| 48 | SPRING PIN | 1 | цена по запросу | |||
| 49 | STERN BRACKET LOCK BAR W/HANDLE | 1 | снято с производства | |||
| 50 | SPRING, LOCK BAR HANDLE | 1 | цена по запросу | |||
| 51 | HANDLE, LOCK BAR | 1 | цена по запросу | |||
| 52 | SPRING PIN | 1 | цена по запросу | |||
| 53 | STERN BRACKET PIVOT BOLT | 1 | снято с производства | |||
| 54 | FRICTION WASHER | 4 | снято с производства | |||
| 55 | рычаг-плечо фиксатора заднего хода | 1 | цена по запросу | |||
| 56 | HANDLE AND SHAFT | 1 | цена по запросу | |||
| 57 | Подшипник | 2 | цена по запросу | |||
| 58 | PLAIN WASHER | 1 | цена по запросу | |||
| 59 | шплинт | 1 | цена по запросу | |||
| 60 | SPRING PIN | 1 | цена по запросу | |||
| 61 | Подшипник | 1 | снято с производства | |||
| 62 | шайба | 1 | снято с производства | |||
| 63 | SWIVEL BRACKET W/BEARINGS AND GREASE FITTINGS | 1 | снято с производства | |||
| 64 | PLAIN WASHER | 1 | цена по запросу | |||
| 65 | HEX BOLT, 5/16 - 18 X 1 3/4 | 4 | цена по запросу | |||
| 66 | KINGPIN CAP | 1 | снято с производства | |||
| 67 | HEX HD SCREW, 10 - 24 X 1/2 | 4 | снято с производства | |||
| 68 | BAFFLE, AIR INTAKE | 1 | снято с производства | |||
| 69 | HEX HD SCREW, 3/8 - 16 X 3/4 | 4 | цена по запросу | |||
| 70 | PLAIN WASHER | 2 | цена по запросу | |||
| 71 | шайба | 2 | W/ILLUSTRATION 70 | снято с производства | ||
| 72 | SHOCK MOUNT UPPER | 2 | снято с производства | |||
| 73 | SPRING LOCKWASHER | 2 | цена по запросу | |||
| 74 | LEG COVER, FRONT | 1 | W/ILLUSTRATION 16 ON PAGE 20 | |||
| 75 | SHOCK MOUNT LOWER | 1 | снято с производства | |||
| 76 | HEX BOLT, 5/16 - 18 X 7/8 | 4 | цена по запросу | |||
| 77 | SPRING LOCKWASHER | 4 | цена по запросу | |||
| 78 | GEAR SHIFT ROD UPPER | 1 | цена по запросу | |||
| 79 | LOCK NUT | 2 | снято с производства | |||
| 80 | NUT, STEERING SUPPORT TUBE | 1 | снято с производства | |||
| 81 | MOTOR LEG | 1 | цена по запросу | |||
| 82 | уплотнение выпускной трубы | 1 | снято с производства | |||
| 83 | COUPLER, GEAR SHIFT ROD | 1 | цена по запросу | |||
| 84 | TUBE, STEERING SUPPORT | 1 | снято с производства | |||
| 85 | пресс-масленка | 1 | снято с производства | |||
| 86 | SEAL, STEERING SUPPORT TUBE | 1 | цена по запросу | |||
| 87 | DECAL, REVERSE LOCK - USA | 1 | цена по запросу | |||
| 88 | RETAINER STUD | - | снято с производства | |||
| 89 | STUD STEERING BALL | - | снято с производства | |||
| 90 | PAN HD SCREW | - | цена по запросу | |||
| 91 | HELICAL SPRING LOCKWASHER | - | цена по запросу | |||
| 92 | SPRING STEERING LINK | - | цена по запросу | |||
| 93 | STOP NUT, 5/8 - 24 | - | цена по запросу | |||
| 94 | PLAIN WASHER | - | цена по запросу | |||
| 95 | INSTALLATION INSTRUCTIONS (5H094 STEERING LINK KIT) | - | цена по запросу | |||
| - | DECAL, REVERSE LOCK - CANADA | 1 | снято с производства | |||
| - | DECAL, LEG STARBOARD | 1 | W/LITERATURE | |||
| 1 | Art.: -A578392 DECAL, LEG PORT (W/LITERATURE)Деталей в узле: 1 2 | Art.: F85660-1 выпускная труба Деталей в узле: 1 снято с производства 3 | Art.: SPRING LOCKWASHER Деталей в узле: 4 цена по запросу 4 | Art.: HEX SLOT HD SCREW, 1/4 - 20 X 3/4 Деталей в узле: 4 цена по запросу 5 | Art.: F1729 пробка Деталей в узле: 2 снято с производства 6 | Art.: 817931A7 MOTOR LEG COVER REAR (W/ILLUSTRATIONS 5 AND 12 ORIGINAL FORCE P/N A 178145-3)Деталей в узле: 1 снято с производства 7 | Art.: F1664 SPRING PIN Деталей в узле: 2 цена по запросу
8 | BOOT IDLE EXHAUST Деталей в узле: 1 9 | Art.: Палец-вкладыш Деталей в узле: 1 снято с производства 10 | Art.: F85380 Пружина Деталей в узле: 1 11 | Art.: F85772 зажим Деталей в узле: 1 цена по запросу
12 | Art.: F178323 SEAL, MOTOR LEG Деталей в узле: 1 снято с производства 13 | Art.: F1263 HEX SOCKET HD CAP SCREW, 5/16 - 18 X 9/16 Деталей в узле: 2 цена по запросу
14 | Art.: F438962 SHOCK MOUNT LOWER REAR Деталей в узле: 2 снято с производства 15 | Art.: SEAL GEAR SHIFT ROD Деталей в узле: 1 16 | Art.: F2030 HEX HD M. SCREW, 1/4 - 20 X 1 1/4 Деталей в узле: 6 17 | Art.: F1711 SPRING BOWED WASHER Деталей в узле: 2 снято с производства 18 | Art.: F1710 PLAIN WASHER Деталей в узле: 2 снято с производства 19 | Art.: F178208 стопорное кольцо Деталей в узле: 2 снято с производства 20 | Art.: F85350-1 TILT STOP PIVOT Деталей в узле: 2 снято с производства 21 | Art.: SPRING BOWED WASHER Деталей в узле: 1 цена по запросу 22 | Art.: TILT LOCK Деталей в узле: 1 цена по запросу 23 | Art.: 1400-817958A6 STERN BRACKET Деталей в узле: 2 снято с производства 24 | Art.: STOP NUT Деталей в узле: 1 цена по запросу 25 | Art.: HEX HD SCREW, 3/8 - 16 X 3 Деталей в узле: 2 снято с производства 26 | Art.: F1904 PLAIN WASHER Деталей в узле: 2 снято с производства 27 | Art.: HEX NUT Деталей в узле: 2 цена по запросу 28 | Art.: F84074 CLAMP SCREW FOOT Деталей в узле: 2 снято с производства 29 | Art.: F353480 шпилька Деталей в узле: 2 снято с производства 30 | Art.: Винт зажима Деталей в узле: 2 снято с производства 31 | Art.: F8538 SPRING PIN Деталей в узле: 2 32 | Art.: F9018 Крышка Деталей в узле: 1 снято с производства 33 | Art.: F9052 пробка Деталей в узле: 1 снято с производства 34 | Art.: F178173 стопорное кольцо Деталей в узле: 4 снято с производства 35 | SHOCK ABSORBER W/BUSHING Деталей в узле: 2 снято с производства 36 | Art.: Подшипник Деталей в узле: 2 37 | Art.: F178889 SHAFT, SHOCK MOUNT UPPER Деталей в узле: 1 снято с производства 38 | Art.: F213274 пресс-масленка Деталей в узле: 3 снято с производства 39 | Art.: F178632 SHAFT, SHOCK MOUNT LOWER Деталей в узле: 1 снято с производства 40 | Art.: F1528 WELCH PLUG Деталей в узле: 1 снято с производства 41 | Art.: KINGPIN W/PLUG Деталей в узле: 1 цена по запросу
42 | Art.: Подшипник Деталей в узле: 2 снято с производства 43 | Art.: F1669 LOCK NUT Деталей в узле: 1 цена по запросу
44 | Art.: F369349 фиксатор заднего хода Деталей в узле: 1 снято с производства 45 | Art.: F85300 REVERSE LOCK SPRING Деталей в узле: 1 снято с производства 46 | Art.: F369510 LINK REVERSE LOCK Деталей в узле: 1 снято с производства 47 | Art.: F177350 REVERSE LOCK PIN Деталей в узле: 1 снято с производства 48 | Art.: SPRING PIN Деталей в узле: 1 цена по запросу 49 | Art.: FA438113 STERN BRACKET LOCK BAR W/HANDLE Деталей в узле: 1 снято с производства 50 | Art.: F286461 SPRING, LOCK BAR HANDLE Деталей в узле: 1 цена по запросу
51 | Art.: HANDLE, LOCK BAR Деталей в узле: 1 цена по запросу
52 | Art.: SPRING PIN Деталей в узле: 1 цена по запросу 53 | Art.: F85037-1 STERN BRACKET PIVOT BOLT Деталей в узле: 1 снято с производства 54 | Art.: F84286-1 FRICTION WASHER Деталей в узле: 4 снято с производства 55 | Art.: F369364 рычаг-плечо фиксатора заднего хода Деталей в узле: 1 цена по запросу
56 | Art.: HANDLE AND SHAFT Деталей в узле: 1 цена по запросу
57 | Art.: Подшипник Деталей в узле: 2 цена по запросу 58 | Art.: PLAIN WASHER Деталей в узле: 1 цена по запросу
59 | Art.: шплинт Деталей в узле: 1 цена по запросу 60 | Art.: F1836 SPRING PIN Деталей в узле: 1 цена по запросу
61 | Art.: F483884 Подшипник Деталей в узле: 1 снято с производства 62 | Art.: F84011 шайба Деталей в узле: 1 снято с производства 63 | Art.: 817783A5 SWIVEL BRACKET W/BEARINGS AND GREASE FITTINGS Деталей в узле: 1 снято с производства 64 | Art.: PLAIN WASHER Деталей в узле: 1 цена по запросу 65 | Art.: HEX BOLT, 5/16 - 18 X 1 3/4 Деталей в узле: 4 цена по запросу 66 | Art.: KINGPIN CAP Деталей в узле: 1 снято с производства 67 | Art.: F1912 HEX HD SCREW, 10 - 24 X 1/2 Деталей в узле: 4 снято с производства 68 | Art.: BAFFLE, AIR INTAKE Деталей в узле: 1 снято с производства 69 | Art.: HEX HD SCREW, 3/8 - 16 X 3/4 Деталей в узле: 4 цена по запросу 70 | Art.: PLAIN WASHER Деталей в узле: 2 цена по запросу 71 | Art.: FA85355-1 шайба (W/ILLUSTRATION 70)Деталей в узле: 2 снято с производства 72 | Art.: F85965 SHOCK MOUNT UPPER Деталей в узле: 2 снято с производства 73 | Art.: SPRING LOCKWASHER Деталей в узле: 2 цена по запросу 74 | Art.: -A851353 LEG COVER, FRONT (W/ILLUSTRATION 16 ON PAGE 20)Деталей в узле: 1 75 | Art.: SHOCK MOUNT LOWER Деталей в узле: 1 снято с производства 76 | Art.: HEX BOLT, 5/16 - 18 X 7/8 Деталей в узле: 4 цена по запросу 77 | Art.: SPRING LOCKWASHER Деталей в узле: 4 цена по запросу 78 | Art.: GEAR SHIFT ROD UPPER Деталей в узле: 1 цена по запросу 79 | Art.: F2108 LOCK NUT Деталей в узле: 2 снято с производства 80 | Art.: F523280 NUT, STEERING SUPPORT TUBE Деталей в узле: 1 снято с производства 81 | MOTOR LEG Деталей в узле: 1 цена по запросу 82 | Art.: F439736 уплотнение выпускной трубы Деталей в узле: 1 снято с производства 83 | Art.: F85704 COUPLER, GEAR SHIFT ROD Деталей в узле: 1 цена по запросу
84 | Art.: TUBE, STEERING SUPPORT Деталей в узле: 1 снято с производства 85 | Art.: F523274 пресс-масленка Деталей в узле: 1 снято с производства 86 | Art.: SEAL, STEERING SUPPORT TUBE Деталей в узле: 1 цена по запросу 87 | Art.: DECAL, REVERSE LOCK - USA Деталей в узле: 1 цена по запросу 88 | Art.: F523930 RETAINER STUD Деталей в узле: - снято с производства 89 | Art.: F523273 STUD STEERING BALL Деталей в узле: - снято с производства 90 | Art.: F1280 PAN HD SCREW Деталей в узле: - цена по запросу
91 | Art.: HELICAL SPRING LOCKWASHER Деталей в узле: - |
