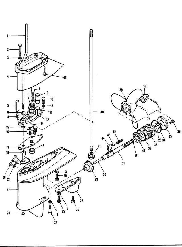
6 H.P.
Корпус редуктора
Корпус редуктора
| № | Артикул | Наименование | Деталей в узле | Комментарий | Цена | |
| 1 | ROD, GEAR SHIFT (STD. LEG) | 1 | снято с производства | |||
| 2 | HEX HD CAP SCREW, 1/4 - 20 X 1 7/8 (STD. LEG) | 1 | снято с производства | |||
| 3 | SPRING LOCKWASHER | 8 | цена по запросу | |||
| 4 | EXTENSION MOTOR LEG (STD. LEG) | 1 | снято с производства | |||
| 5 | STUD, GEAR HOUSING FRONT | 1 | снято с производства | |||
| 6 | SEAL, GEAR SHIFT ROD LOWER | 1 | 880 руб. | |||
| 7 | Уплотнение | 2 | 5330 руб. | |||
| 8 | HEX HD SCREW, 1/4 - 20 X 1 1/2 | 2 | снято с производства | |||
| 9 | SEAL, WATERLINE | 1 | снято с производства | |||
| 10 | HEX HD SCREW, 1/4 - 20 X 7/8 | 1 | снято с производства | |||
| 11 | DISC, WATER PUMP LOCATING | 1 | ||||
| 12 | WATER PUMP BODY | 1 | W/GEAR SHIFT ROD SEAL, WATERLINE SEAL, LOCATING DISC, DRIVESHAFT SEAL. | снято с производства | ||
| 14 | PIN, WATER PUMP IMPELLER DRIVE | 1 | снято с производства | |||
| 15 | SEAL, WATER PUMP GEAR SHIFT ROD | 1 | цена по запросу | |||
| 16 | Крыльчатка | 1 | цена по запросу | |||
| 17 | PLATE, WATER PUMP BACK | 1 | снято с производства | |||
| 18 | CLUTCH SHIFT CAM | 1 | снято с производства | |||
| 19 | SEAL, SHIFT ROD CAVITY | 1 | снято с производства | |||
| 20 | Пробка корпуса редуктора | 2 | цена по запросу | |||
| 21 | шайба | 2 | цена по запросу | |||
| 22 | Корпус редуктора | 1 | W/PLUGS, WASHERS, DRIVESHAFT UPPER BEARING, PROP SHAFT BEARING, DRIVESHAFT SEAL BEVEL PINION BEARING | снято с производства | ||
| 23 | пробка | 1 | цена по запросу | |||
| 24 | HEX HD SCREW, 1/4 - 20 X 1 5/8 | 2 | цена по запросу | |||
| 25 | HEX CAP SCREW, 1/4 - 20 X 3/4 | 2 | цена по запросу | |||
| 26 | винт | 5 | снято с производства | |||
| 27 | SNOUT | 1 | снято с производства | |||
| 28 | PROPSHAFT SEAL | 1 | снято с производства | |||
| 29 | BEVEL GEAR W/BEARING | 1 | снято с производства | |||
| 30 | PIN CLUTCH SHIFT | 1 | снято с производства | |||
| 31 | вал гребного винта | 1 | снято с производства | |||
| 32 | SEAL, PROP SHAFT | 1 | снято с производства | |||
| 33 | PROP SHAFT CAGE | 1 | W/PROP SHAFT THRUST BEARING, PROP SHAFT BEARING, PROP SHAFT SEAL. | снято с производства | ||
| 34 | SEAL, PROP SHAFT BEARING CAGE | 1 | снято с производства | |||
| 35 | RETAINER, PROP SHAFT BEARING CAGE | 1 | цена по запросу | |||
| 36 | шплинт | 1 | цена по запросу | |||
| 37 | PROPELLER PIN | 1 | W/ITEM 36 | 1710 руб. | ||
| 38 | PROPELLER NUT W/COTTER PIN | 1 | цена по запросу | |||
| 39 | гребной винт | 1 | 25200 руб. | |||
| 40 | DRIVESHAFT (STD. LEG) | 1 | снято с производства | |||
| 41 | GEAR, BEVEL PINION | 1 | цена по запросу | |||
| 42 | CLUTCH SPRING | 1 | снято с производства | |||
| 43 | CLUTCH PIN GUIDE | 1 | снято с производства | |||
| 44 | CLUTCH SHIFT | 1 | снято с производства | |||
| 45 | WASHER, BEVEL GEAR THRUST | 1 | снято с производства | |||
| 46 | MOTOR LEG EXTENSION TO GEAR HOUSING SCREWS | 4 | 980 руб. | |||
| 47 | BEVEL GEAR | 1 | снято с производства | |||
| - | DRIVESHAFT (LONG LEG) | 1 | снято с производства | |||
| - | EXTENSION MOTOR LEG (LONG LEG) | 1 | снято с производства | |||
| - | ROD, GEAR SHIFT (LONG LEG) | 1 | снято с производства | |||
| - | HEX HD CAP SCREW, 1/4 - 20 X 6 (LONG LEG) | 1 | снято с производства | |||
| - | GEAR HOUSING COMPLETE (NOT SHOWN) | 1 | INCLUDES ALL ITEMS MARKED WITH AN ASTERISK (*). | снято с производства | ||
| 1 | Art.: F525705 ROD, GEAR SHIFT (STD. LEG) Деталей в узле: 1 снято с производства 2 | Art.: F1175 HEX HD CAP SCREW, 1/4 - 20 X 1 7/8 (STD. LEG) Деталей в узле: 1 снято с производства 3 | Art.: SPRING LOCKWASHER Деталей в узле: 8 цена по запросу 4 | Art.: F525845 EXTENSION MOTOR LEG (STD. LEG) Деталей в узле: 1 снято с производства 5 | Art.: STUD, GEAR HOUSING FRONT Деталей в узле: 1 снято с производства 6 | Art.: SEAL, GEAR SHIFT ROD LOWER Деталей в узле: 1 7 | Art.: F318307 Уплотнение Деталей в узле: 2 8 | Art.: F1891 HEX HD SCREW, 1/4 - 20 X 1 1/2 Деталей в узле: 2 снято с производства 9 | Art.: FA510914 SEAL, WATERLINE Деталей в узле: 1 снято с производства 10 | Art.: F2008 HEX HD SCREW, 1/4 - 20 X 7/8 Деталей в узле: 1 снято с производства 11 | Art.: -525388 DISC, WATER PUMP LOCATING Деталей в узле: 1 12 | Art.: FA525060 WATER PUMP BODY (W/GEAR SHIFT ROD SEAL, WATERLINE SEAL, LOCATING DISC, DRIVESHAFT SEAL.)Деталей в узле: 1 снято с производства 14 | Art.: F390563 PIN, WATER PUMP IMPELLER DRIVE Деталей в узле: 1 снято с производства 15 | Art.: SEAL, WATER PUMP GEAR SHIFT ROD Деталей в узле: 1 цена по запросу 16 | Art.: Крыльчатка Деталей в узле: 1 цена по запросу 17 | Art.: F525562 PLATE, WATER PUMP BACK Деталей в узле: 1 снято с производства 18 | Art.: F459721-1 CLUTCH SHIFT CAM Деталей в узле: 1 снято с производства 19 | Art.: F525555 SEAL, SHIFT ROD CAVITY Деталей в узле: 1 снято с производства 20 | Пробка корпуса редуктора Деталей в узле: 2 цена по запросу 21 | Art.: шайба Деталей в узле: 2 цена по запросу 22 | Art.: FA525054 Корпус редуктора (W/PLUGS, WASHERS, DRIVESHAFT UPPER BEARING, PROP SHAFT BEARING, DRIVESHAFT SEAL BEVEL PINION BEARING)Деталей в узле: 1 снято с производства 23 | Art.: пробка Деталей в узле: 1 цена по запросу 24 | Art.: F1990 HEX HD SCREW, 1/4 - 20 X 1 5/8 Деталей в узле: 2 цена по запросу
25 | Art.: HEX CAP SCREW, 1/4 - 20 X 3/4 Деталей в узле: 2 цена по запросу 26 | Art.: F525457 винт Деталей в узле: 5 снято с производства 27 | Art.: FA525116 SNOUT Деталей в узле: 1 снято с производства 28 | Art.: F521307 PROPSHAFT SEAL Деталей в узле: 1 снято с производства 29 | Art.: BEVEL GEAR W/BEARING Деталей в узле: 1 снято с производства 30 | Art.: F901728 PIN CLUTCH SHIFT Деталей в узле: 1 снято с производства 31 | Art.: вал гребного винта Деталей в узле: 1 снято с производства 32 | Art.: F525305 SEAL, PROP SHAFT Деталей в узле: 1 снято с производства 33 | Art.: FA525298 PROP SHAFT CAGE (W/PROP SHAFT THRUST BEARING, PROP SHAFT BEARING, PROP SHAFT SEAL.)Деталей в узле: 1 снято с производства 34 | Art.: F521305 SEAL, PROP SHAFT BEARING CAGE Деталей в узле: 1 снято с производства 35 | RETAINER, PROP SHAFT BEARING CAGE Деталей в узле: 1 цена по запросу
36 | Art.: шплинт Деталей в узле: 1 цена по запросу 37 | Art.: FA324101 PROPELLER PIN (W/ITEM 36)Деталей в узле: 1 38 | Art.: 11-817752A1 PROPELLER NUT W/COTTER PIN Деталей в узле: 1 цена по запросу
39 | Art.: гребной винт Деталей в узле: 1 40 | Art.: F525128 DRIVESHAFT (STD. LEG) Деталей в узле: 1 снято с производства 41 | Art.: GEAR, BEVEL PINION Деталей в узле: 1 цена по запросу
42 | Art.: F409719 CLUTCH SPRING Деталей в узле: 1 снято с производства 43 | Art.: F318372 CLUTCH PIN GUIDE Деталей в узле: 1 снято с производства 44 | Art.: F409521 CLUTCH SHIFT Деталей в узле: 1 снято с производства 45 | Art.: F317717 WASHER, BEVEL GEAR THRUST Деталей в узле: 1 снято с производства 46 | Art.: F430732 MOTOR LEG EXTENSION TO GEAR HOUSING SCREWS Деталей в узле: 4 |
