25 H.P.
Карбюратор
Карбюратор
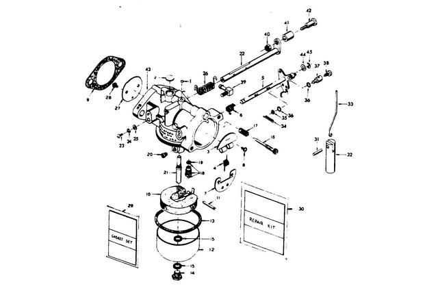
| № | Артикул | Наименование | Деталей в узле | Комментарий | Цена | |
| 1 | BODY CHANNEL CUP PLUG | 1 | 840 руб. | |||
| 2 | BODY CHANNEL WELCH PLUG | 1 | 260 руб. | |||
| 3 | CHOKE RELIEF VALVE | 1 | снято с производства | |||
| 4 | CHOKE RELIEF VALVE SPRING | 1 | цена по запросу | |||
| 5 | вал воздушной заслонки и рычаг | 1 | снято с производства | |||
| 6 | CHOKE SHAFT RETURN SPRING | 1 | снято с производства | |||
| 7 | воздушная заслонка | 1 | снято с производства | |||
| 8 | CHOKE SHUTTER RETAINING SCREW AND LOCKWASHER | 2 | 300 руб. | |||
| 9 | FLANGE GASKET | 1 | 150 руб. | |||
| 10 | поплавок | 1 | 4470 руб. | |||
| 11 | FLOAT LEVER PIN | 1 | 640 руб. | |||
| 12 | камера топливной смеси | 1 | 3300 руб. | |||
| 13 | FUEL BOWL GASKET | 1 | 340 руб. | |||
| 14 | FUEL BOWL RETAINING SCREW | 1 | цена по запросу | |||
| 15 | FUEL BOWL RETAINING SCREW GASKET | 2 | 250 руб. | |||
| 16 | винт регулировки качества смеси на холостом ходу | 1 | 1480 руб. | |||
| 17 | IDLE MIXTURE SCREW SPRING | 1 | цена по запросу | |||
| 18 | впускная игла, седло и прокладка | 1 | снято с производства | |||
| 19 | INLET SEAT GASKET | 1 | снято с производства | |||
| 20 | MAIN FUEL JET (.064) (STANDARD) | 1 | цена по запросу | |||
| 21 | главный распылитель | 1 | снято с производства | |||
| 22 | THROTTLE SHAFT AND LEVER | 1 | снято с производства | |||
| 23 | THROTTLE SHAFT POSITION RETAINING SCREW | 1 | снято с производства | |||
| 24 | THROTTLE SHAFT POSITION RETAINING SCREW LOCKWASHER | 1 | снято с производства | |||
| 25 | THROTTLE SHAFT POSITION RETAINING SCREW WASHER | 1 | снято с производства | |||
| 26 | THROTTLE SHAFT RETURN SPRING | 1 | снято с производства | |||
| 27 | заслонка дросселя | 1 | снято с производства | |||
| 28 | THROTTLE SHUTTER RETAINING SCREW AND LOCKWASHER | 2 | 300 руб. | |||
| 29 | Набор прокладок | 1 | снято с производства | |||
| 30 | Комплект запасных частей | 1 | INCLUDES ALL ITEMS MARKED WITH AN ASTERISK (*) | снято с производства | ||
| 31 | GROOVE PIN FOR ELECTRIC START MODELS | 1 | снято с производства | |||
| 32 | PLUNGER, CHOKE SOLENOID FOR ELECTRIC START MODELS | 1 | снято с производства | |||
| 33 | ROD, CHOKE SOLENOID FOR ELECTRIC START MODELS | 1 | снято с производства | |||
| 34 | COTTER PIN FOR ELECTRIC START MODELS | 1 | цена по запросу | |||
| 35 | PLAIN WASHER FOR ELECTRIC START MODELS | 1 | цена по запросу | |||
| 36 | SEAL, FOR ELECTRIC START MODELS | 2 | цена по запросу | |||
| 37 | SWIVEL, CHOKE ARM FOR ELECTRIC START MODELS | 1 | снято с производства | |||
| 38 | FILL HD SCREW, 6 - 32 X 1/4 FOR ELECTRIC START MODELS | 1 | снято с производства | |||
| 39 | колено | 1 | снято с производства | |||
| 40 | LOCK NUT | 1 | 380 руб. | |||
| 41 | ROLLER, THROTTLE CAM FOLLOWER | 1 | снято с производства | |||
| 42 | SHAFT, THROTTLE ROLLER | 1 | снято с производства | |||
| 43 | CARBURETOR COMPLETE (WB19B) | 1 | цена по запросу | |||
| 44 | PLAIN WASHER FOR MANUAL START MODELS | 1 | цена по запросу | |||
| 45 | RETAINER, CHOKE ROD FOR MANUAL START MODELS | 1 | цена по запросу | |||
| 1 | Art.: FO10588 BODY CHANNEL CUP PLUG Деталей в узле: 1 2 | Art.: BODY CHANNEL WELCH PLUG Деталей в узле: 1 3 | Art.: FO12251 CHOKE RELIEF VALVE Деталей в узле: 1 снято с производства 4 | Art.: CHOKE RELIEF VALVE SPRING Деталей в узле: 1 цена по запросу
5 | Art.: FO16562 вал воздушной заслонки и рычаг Деталей в узле: 1 снято с производства 6 | Art.: FO16397 CHOKE SHAFT RETURN SPRING Деталей в узле: 1 снято с производства 7 | Art.: FO12250 воздушная заслонка Деталей в узле: 1 снято с производства 8 | Art.: CHOKE SHUTTER RETAINING SCREW AND LOCKWASHER Деталей в узле: 2 9 | FLANGE GASKET Деталей в узле: 1 10 | Art.: поплавок Деталей в узле: 1 11 | Art.: FO13944 FLOAT LEVER PIN Деталей в узле: 1 12 | камера топливной смеси Деталей в узле: 1 13 | Art.: FO15623 FUEL BOWL GASKET Деталей в узле: 1 14 | Art.: FUEL BOWL RETAINING SCREW Деталей в узле: 1 цена по запросу 15 | Art.: FO2510 FUEL BOWL RETAINING SCREW GASKET Деталей в узле: 2 16 | Art.: FO14166 винт регулировки качества смеси на холостом ходу Деталей в узле: 1 17 | Art.: IDLE MIXTURE SCREW SPRING Деталей в узле: 1 цена по запросу 18 | Art.: FO10790 впускная игла, седло и прокладка Деталей в узле: 1 снято с производства 19 | Art.: FO10165 INLET SEAT GASKET Деталей в узле: 1 снято с производства 20 | Art.: MAIN FUEL JET (.064) (STANDARD) Деталей в узле: 1 цена по запросу 21 | Art.: FO15213 главный распылитель Деталей в узле: 1 снято с производства 22 | Art.: FO16561 THROTTLE SHAFT AND LEVER Деталей в узле: 1 снято с производства 23 | Art.: FO6393 THROTTLE SHAFT POSITION RETAINING SCREW Деталей в узле: 1 снято с производства 24 | Art.: FO6396 THROTTLE SHAFT POSITION RETAINING SCREW LOCKWASHER Деталей в узле: 1 снято с производства 25 | Art.: FO3804 THROTTLE SHAFT POSITION RETAINING SCREW WASHER Деталей в узле: 1 снято с производства 26 | Art.: FO16563 THROTTLE SHAFT RETURN SPRING Деталей в узле: 1 снято с производства 27 | Art.: FO16559 заслонка дросселя Деталей в узле: 1 снято с производства 28 | THROTTLE SHUTTER RETAINING SCREW AND LOCKWASHER Деталей в узле: 2 29 | Art.: Набор прокладок Деталей в узле: 1 снято с производства 30 | Art.: Комплект запасных частей (INCLUDES ALL ITEMS MARKED WITH AN ASTERISK (*))Деталей в узле: 1 снято с производства 31 | Art.: F2033 GROOVE PIN FOR ELECTRIC START MODELS Деталей в узле: 1 снято с производства 32 | Art.: F391926-1 PLUNGER, CHOKE SOLENOID FOR ELECTRIC START MODELS Деталей в узле: 1 снято с производства 33 | Art.: F460925 ROD, CHOKE SOLENOID FOR ELECTRIC START MODELS Деталей в узле: 1 снято с производства 34 | Art.: COTTER PIN FOR ELECTRIC START MODELS Деталей в узле: 1 цена по запросу 35 | Art.: PLAIN WASHER FOR ELECTRIC START MODELS Деталей в узле: 1 цена по запросу 36 | Art.: SEAL, FOR ELECTRIC START MODELS Деталей в узле: 2 цена по запросу 37 | Art.: F184033-1 SWIVEL, CHOKE ARM FOR ELECTRIC START MODELS Деталей в узле: 1 снято с производства 38 | Art.: F1059 FILL HD SCREW, 6 - 32 X 1/4 FOR ELECTRIC START MODELS Деталей в узле: 1 снято с производства 39 | Art.: F84314-2 колено Деталей в узле: 1 снято с производства 40 | Art.: LOCK NUT Деталей в узле: 1 |
