200/225/250 (3.0L) SEAPRO/MARATHON EFI
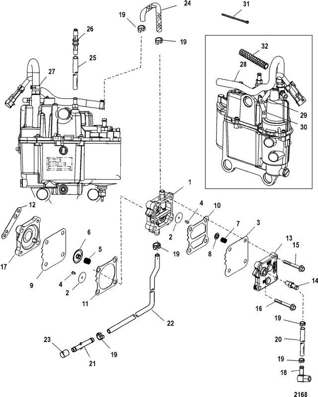
Топливный насос
Топливный насос
| № | Артикул | Наименование | Деталей в узле | Комментарий | Цена | |
| 1 | NSS | не продается по отдельности, топливный насос | 1 | |||
| 2 | NSS | не продается по отдельности, диск обратного клапана | 2 | |||
| 3 | NSS | не продается по отдельности, диафрагма | 1 | |||
| 4 | NSS | не продается по отдельности, фиксатор | 2 | |||
| 5 | NSS | Не продается по отдельности, пружина | 1 | |||
| 6 | NSS | Не продается по отдельности, крышка | 1 | |||
| 7 | NSS | Не продается по отдельности, пружина | 1 | |||
| 8 | NSS | Не продается по отдельности, крышка | 1 | |||
| 9 | NSS | не продается по отдельности, диафрагма | 1 | |||
| 10 | NSS | NOT SOLD SEPARATE, Gasket-Boost | 1 | |||
| 11 | NSS | NOT SOLD SEPARATE, Gasket-Pulse | 1 | |||
| 12 | Прокладка | 1 | цена по запросу | |||
| 13 | Пластина | 1 | 3520 руб. | |||
| 14 | прямой фиттинг (.125-27) | 1 | 980 руб. | |||
| 15 | винт топливного насоса (M5 x 40) | 2 | 260 руб. | |||
| 16 | винт крепления насоса к картеру (M6 x 50) | 2 | 400 руб. | |||
| 17 | основание | 1 | 2660 руб. | |||
| 18 | колено к картеру | 1 | 6810 руб. | |||
| 19 | ленточный хомут (8") | AR | 30 руб. | |||
| 20 | HOSE, Pulse Line | 1 | 3960 руб. | |||
| 21 | соединитель | 1 | 130 руб. | |||
| 22 | Шланг | 1 | 7590 руб. | |||
| 23 | NSS | Не продается по отдельности, крышка | 1 | |||
| 24 | шланг и втулка | 1 | 5940 руб. | |||
| 25 | шланг (длина 57", требуется 16") | 1 | 7650 руб. | |||
| 26 | соединитель | 1 | 330 руб. | |||
| 27 | зажим шланга (15.3) | 2 | цена по запросу | |||
| 28 | Шланг | 1 | 3750 руб. | |||
| 29 | TUBING, (34.00 Inches Bulk) (Cut to 15 Inches) To Elbow on Plenum | 1 | снято с производства | |||
| 30 | труба к масляному насосу (длина 34", требуется 28") | 1 | снято с производства | |||
| 31 | ленточный хомут (8") | AR | 30 руб. | |||
| 32 | трубопровод | 1 | 1470 руб. | |||
| - | силовая головка в сборе | 1 | (250) | 2016780 руб. | ||
| - | силовая головка в сборе | 1 | (3L WORK) | цена по запросу | ||
| - | силовая головка в сборе | 1 | (225) | 2001040 руб. | ||
| - | набор прокладок силового агрегата | 1 | 22150 руб. | |||
| - | Комплект топливного насоса | 1 | 32590 руб. | |||
| - | комплект диафрагмы | 1 | 3830 руб. | |||
| - | силовая головка в сборе | 1 | (200) | 2000950 руб. | ||
| 1 | Art.: -NSS не продается по отдельности, топливный насос Деталей в узле: 1 2 | Art.: -NSS не продается по отдельности, диск обратного клапана Деталей в узле: 2 3 | Art.: -NSS не продается по отдельности, диафрагма Деталей в узле: 1 4 | Art.: -NSS не продается по отдельности, фиксатор Деталей в узле: 2 5 | Art.: -NSS Не продается по отдельности, пружина Деталей в узле: 1 6 | Art.: -NSS Не продается по отдельности, крышка Деталей в узле: 1 7 | Art.: -NSS Не продается по отдельности, пружина Деталей в узле: 1 8 | Art.: -NSS Не продается по отдельности, крышка Деталей в узле: 1 9 | Art.: -NSS не продается по отдельности, диафрагма Деталей в узле: 1 10 | Art.: -NSS NOT SOLD SEPARATE, Gasket-Boost Деталей в узле: 1 11 | Art.: -NSS NOT SOLD SEPARATE, Gasket-Pulse Деталей в узле: 1 12 | Art.: 27-987691 Прокладка Деталей в узле: 1 цена по запросу
13 | Art.: 987752 Пластина Деталей в узле: 1 14 | Art.: 22-16604 прямой фиттинг (.125-27) Деталей в узле: 1 15 | Art.: 10-82104540 винт топливного насоса (M5 x 40) Деталей в узле: 2 16 | Art.: 10-82130050 винт крепления насоса к картеру (M6 x 50) Деталей в узле: 2 17 | Art.: 144303 основание Деталей в узле: 1 18 | Art.: 22-856842 колено к картеру Деталей в узле: 1 19 | Art.: 54-816311T ленточный хомут (8") Деталей в узле: AR 20 | Art.: HOSE, Pulse Line Деталей в узле: 1 21 | Art.: 22-822769 соединитель Деталей в узле: 1 22 | Art.: Шланг Деталей в узле: 1 23 | Art.: -NSS Не продается по отдельности, крышка Деталей в узле: 1 24 | Art.: шланг и втулка Деталей в узле: 1 25 | шланг (длина 57", требуется 16") Деталей в узле: 1 26 | Art.: 22-858955 соединитель Деталей в узле: 1 27 | Art.: 54-856880 зажим шланга (15.3) Деталей в узле: 2 цена по запросу
28 | Art.: 32-8839461 Шланг Деталей в узле: 1 29 | Art.: 32-85583464 TUBING, (34.00 Inches Bulk) (Cut to 15 Inches) To Elbow on Plenum Деталей в узле: 1 снято с производства 30 | Art.: 32-85583464 труба к масляному насосу (длина 34", требуется 28") Деталей в узле: 1 снято с производства 31 | Art.: 54-816311T ленточный хомут (8") Деталей в узле: AR 32 | Art.: 32-883965 трубопровод Деталей в узле: 1 - | Art.: силовая головка в сборе ((250))Деталей в узле: 1 - | Art.: силовая головка в сборе ((3L WORK))Деталей в узле: 1 цена по запросу
- | Art.: силовая головка в сборе ((225))Деталей в узле: 1 - | Art.: 27-832934A00 набор прокладок силового агрегата Деталей в узле: 1 - | Art.: 14360A78 Комплект топливного насоса Деталей в узле: 1 - | Art.: 21-857005A1 комплект диафрагмы Деталей в узле: 1 - | Art.: силовая головка в сборе ((200))Деталей в узле: 1 | ||||||||||||||||||||||||||||||||||||||||
