7.5 /9.8 H.P.
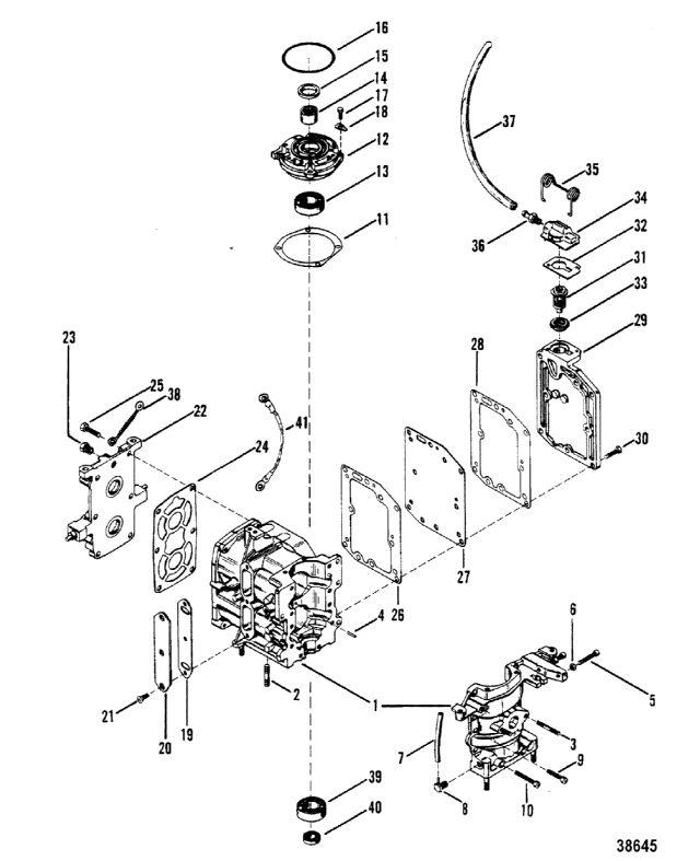
блок цилиндров и картер
блок цилиндров и картер
| № | Артикул | Наименование | Деталей в узле | Комментарий | Цена | |
| 1 | Блок цилиндров в сборе | 1 | (MERC 7.5) | снято с производства | ||
| 1 | CYLINDER BLOCK ASSEMLBY | 1 | (MERC 9.8) | снято с производства | ||
| 2 | STUD, (.250-20/.250-28 x 1.620), BLOCK AND CRANKCASE TO DRIVE SHAFT HOUSING | 6 | 1050 руб. | |||
| 3 | STUD, (.250-28 x 1.00), CARBURETOR MOUNTING | 2 | 200 руб. | |||
| 4 | PIN, Dowel (.187 x .530), CRANKCASE TO CYLINDER BLOCK | 2 | 510 руб. | |||
| 5 | SCREW, ADJ - THROTTLE CONTROL (1-1/4") | 2 | цена по запросу | |||
| 6 | NUT, (#10-32) Stainless Steel, THROTTLE CONTROL ADJUSTING SCREW | 2 | 60 руб. | |||
| 7 | TUBING, (20.00 Feet Bulk), BLEED DRAIN (4") | 1 | 5870 руб. | |||
| 8 | CHECK VALVE, BLEED - CRANKCASE (BOTTOM) | 1 | снято с производства | |||
| 9 | винт крепления картера к блоку цилиндров | 8 | снято с производства | |||
| 10 | винт крепления картера к блоку цилиндров | 2 | снято с производства | |||
| 11 | регулировочная прокладка | AR | снято с производства | |||
| 12 | HOUSING ASSEMBLY, Bearing, UPPER | 1 | снято с производства | |||
| 13 | BEARING, Ball, UPPER BEARING HOUSING | 1 | 3210 руб. | |||
| 14 | BEARING, Roller, UPPER BEARING HOUSING | 1 | снято с производства | |||
| 15 | SEAL, Oil, UPPER BEARING HOUSING | 1 | 2780 руб. | |||
| 16 | O-RING, UPPER BEARING HOUSING | 1 | 340 руб. | |||
| 17 | SCREW, (.216-24 x .500), UPPER BEARING HOUSING | 4 | снято с производства | |||
| 18 | стопорная шайба | 4 | снято с производства | |||
| 19 | прокладка впускной крышки | 1 | SN# USA-5524659/Aus-8063634/Bel-9246205/Can-7143037 & Below | 570 руб. | ||
| 19 | прокладка впускной крышки | 1 | SN# USA-5524660/Aus-8063635/Bel-9246206/Can-7143038 & Up | снято с производства | ||
| 20 | COVER, INTAKE | 1 | снято с производства | |||
| 21 | SCREW, (#10-24 x .500), INTAKE COVER TO CYLINDER BLOCK | 3 | снято с производства | |||
| 22 | Крышка блока цилиндров в сборе | 1 | снято с производства | |||
| 23 | PLUG, Pipe (.125-27), CYLINDER COVER | 1 | (THERMOSTAT ENGINES) | 730 руб. | ||
| 23 | ELBOW, CYLINDER COVER | 1 | (NON-THERMOSTAT ENGINES) | 270 руб. | ||
| 24 | Прокладка крышки блока цилиндров | 1 | 490 руб. | |||
| 25 | винт (0.250-20 x 1.00) | 6 | цена по запросу | |||
| 26 | прокладка между блоком цилиндров и перегородкой | 1 | 1090 руб. | |||
| 27 | перегородка выпускного коллектора | 1 | 6650 руб. | |||
| 28 | прокладка перегородки | 1 | (NON-THERMOSTAT ENGINES) | 1090 руб. | ||
| 28 | прокладка перегородки | 1 | (THERMOSTAT ENGINES) | 1520 руб. | ||
| 29 | Крышка выпускного коллектора | 1 | (NON-THERMOSTAT ENGINES) | снято с производства | ||
| 29 | Крышка выпускного коллектора | 1 | (THERMOSTAT ENGINES) | снято с производства | ||
| 30 | винт (0.250-20 x 0.875) нержавеющая сталь | 8 | 180 руб. | |||
| 31 | термостат | 1 | (THERMOSTAT ENGINES) | 2510 руб. | ||
| 32 | прокладка крышки термостата | 1 | (THERMOSTAT ENGINES) | 400 руб. | ||
| 33 | прокладка термостата | 1 | (THERMOSTAT ENGINES) | 270 руб. | ||
| 34 | Крышка термостата | 1 | (THERMOSTAT ENGINES) | снято с производства | ||
| 35 | SPRING, RETAINER - THERMOSTAT COVER | 1 | (THERMOSTAT ENGINES) | снято с производства | ||
| 36 | CONNECTOR, THERMOSTAT COVER | 1 | (THERMOSTAT ENGINES) | 1160 руб. | ||
| 37 | HOSE, TELL-TALE | 1 | цена по запросу | |||
| 38 | провод массы | 1 | снято с производства | |||
| 39 | шариковый подшипник нижний | 1 | 3210 руб. | |||
| 40 | SEAL, Oil, CRANKCASE (LOWER) | 1 | 2780 руб. | |||
| 41 | WIRE ASSEMBLY, BLACK (ELECTRIC) | 1 | снято с производства | |||
| 1 | Art.: 837-7693A2 Блок цилиндров в сборе ((MERC 7.5))Деталей в узле: 1 снято с производства 1 | Art.: 837-7694A2 CYLINDER BLOCK ASSEMLBY ((MERC 9.8))Деталей в узле: 1 снято с производства 2 | Art.: STUD, (.250-20/.250-28 x 1.620), BLOCK AND CRANKCASE TO DRIVE SHAFT HOUSING Деталей в узле: 6 3 | Art.: STUD, (.250-28 x 1.00), CARBURETOR MOUNTING Деталей в узле: 2 4 | Art.: PIN, Dowel (.187 x .530), CRANKCASE TO CYLINDER BLOCK Деталей в узле: 2 5 | Art.: SCREW, ADJ - THROTTLE CONTROL (1-1/4") Деталей в узле: 2 цена по запросу 6 | Art.: 11-68219 NUT, (#10-32) Stainless Steel, THROTTLE CONTROL ADJUSTING SCREW Деталей в узле: 2 7 | Art.: TUBING, (20.00 Feet Bulk), BLEED DRAIN (4") Деталей в узле: 1 8 | Art.: 21-42863 CHECK VALVE, BLEED - CRANKCASE (BOTTOM) Деталей в узле: 1 снято с производства 9 | Art.: 10-76621 винт крепления картера к блоку цилиндров Деталей в узле: 8 снято с производства 10 | Art.: 10-73280 винт крепления картера к блоку цилиндров Деталей в узле: 2 снято с производства 11 | Art.: 15-31412A1 регулировочная прокладка Деталей в узле: AR снято с производства 12 | Art.: 1164-6413A1 HOUSING ASSEMBLY, Bearing, UPPER Деталей в узле: 1 снято с производства 13 | Art.: 30-72961 BEARING, Ball, UPPER BEARING HOUSING Деталей в узле: 1 14 | Art.: 31-31410 BEARING, Roller, UPPER BEARING HOUSING Деталей в узле: 1 снято с производства 15 | Art.: 26-66301 SEAL, Oil, UPPER BEARING HOUSING Деталей в узле: 1 16 | Art.: 25-20863 O-RING, UPPER BEARING HOUSING Деталей в узле: 1 17 | Art.: 10-76611 SCREW, (.216-24 x .500), UPPER BEARING HOUSING Деталей в узле: 4 снято с производства 18 | Art.: 14-78102 стопорная шайба Деталей в узле: 4 снято с производства 19 | Art.: прокладка впускной крышки (SN# USA-5524659/Aus-8063634/Bel-9246205/Can-7143037 & Below)Деталей в узле: 1 19 | Art.: 27-43336 прокладка впускной крышки (SN# USA-5524660/Aus-8063635/Bel-9246206/Can-7143038 & Up)Деталей в узле: 1 снято с производства 20 | Art.: 78033 COVER, INTAKE Деталей в узле: 1 снято с производства 21 | Art.: 10-26537 SCREW, (#10-24 x .500), INTAKE COVER TO CYLINDER BLOCK Деталей в узле: 3 снято с производства 22 | Art.: 1019-7465A1 Крышка блока цилиндров в сборе Деталей в узле: 1 снято с производства 23 | PLUG, Pipe (.125-27), CYLINDER COVER ((THERMOSTAT ENGINES))Деталей в узле: 1 23 | ELBOW, CYLINDER COVER ((NON-THERMOSTAT ENGINES))Деталей в узле: 1 24 | Art.: 27-41382 Прокладка крышки блока цилиндров Деталей в узле: 1 25 | Art.: 10-76630 винт (0.250-20 x 1.00) Деталей в узле: 6 цена по запросу
26 | Art.: 27-41383 прокладка между блоком цилиндров и перегородкой Деталей в узле: 1 27 | Art.: 85935 перегородка выпускного коллектора Деталей в узле: 1 28 | Art.: 27-41383 прокладка перегородки ((NON-THERMOSTAT ENGINES))Деталей в узле: 1 28 | Art.: 27-89014 прокладка перегородки ((THERMOSTAT ENGINES))Деталей в узле: 1 29 | Art.: Крышка выпускного коллектора ((NON-THERMOSTAT ENGINES))Деталей в узле: 1 снято с производства 29 | Art.: 89013A1 Крышка выпускного коллектора ((THERMOSTAT ENGINES))Деталей в узле: 1 снято с производства 30 | Art.: 10-28668 винт (0.250-20 x 0.875) нержавеющая сталь Деталей в узле: 8 31 | Art.: 75692 термостат ((THERMOSTAT ENGINES))Деталей в узле: 1 32 | Art.: 27-88346 прокладка крышки термостата ((THERMOSTAT ENGINES))Деталей в узле: 1 33 | прокладка термостата ((THERMOSTAT ENGINES))Деталей в узле: 1 34 | Art.: 85920 Крышка термостата ((THERMOSTAT ENGINES))Деталей в узле: 1 снято с производства 35 | Art.: 24-88464 SPRING, RETAINER - THERMOSTAT COVER ((THERMOSTAT ENGINES))Деталей в узле: 1 снято с производства 36 | CONNECTOR, THERMOSTAT COVER ((THERMOSTAT ENGINES))Деталей в узле: 1 37 | HOSE, TELL-TALE Деталей в узле: 1 цена по запросу 38 | Art.: 46933A1 провод массы Деталей в узле: 1 снято с производства 39 | Art.: 30-72961 шариковый подшипник нижний Деталей в узле: 1 40 | Art.: 26-66301 SEAL, Oil, CRANKCASE (LOWER) Деталей в узле: 1 41 | Art.: 84-63415A6 WIRE ASSEMBLY, BLACK (ELECTRIC) Деталей в узле: 1 снято с производства | |||||||||||||||||||||||||||||||||||||||||||||||
