90 HP C-MODELS (1990) FORCE
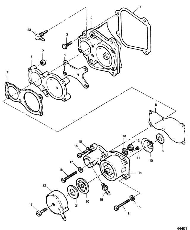
Топливный насос
Топливный насос
| № | Артикул | Наименование | Деталей в узле | Комментарий | Цена | |
| 1 | GASKET, TRANSFER COVER | 5 | 1500 руб. | |||
| 2 | COVER KIT, FUEL PUMP W/PLUG | 1 | снято с производства | |||
| 3 | винт (0.250-20 x 0.625) | 4 | цена по запросу | |||
| 4 | GASKET, SPACER PLATE | 1 | 320 руб. | |||
| 5 | гайка (#10-24) | 2 | цена по запросу | |||
| 6 | проставка | 1 | снято с производства | |||
| 7 | Прокладка топливного насоса | 1 | 470 руб. | |||
| 8 | диафрагма топливного насоса | 1 | 1040 руб. | |||
| 9 | RETAINER, BOOSTER SPRING | 1 | 1720 руб. | |||
| 10 | SPRING, PUMP BOOST | 1 | цена по запросу | |||
| 11 | SCREW, (#6-32 x .250) | 2 | цена по запросу | |||
| 12 | VALVE, FUEL PUMP | 3 | 1210 руб. | |||
| 13 | GASKET, CENTER VALVE | 1 | 350 руб. | |||
| 14 | Корпус топливного насоса | 1 | снято с производства | |||
| 15 | стопорная шайба (#10) | 2 | цена по запросу | |||
| 16 | SCREW, (#10 - 24 x .750) | 3 | цена по запросу | |||
| 17 | стопорная шайба (0.250) | 4 | цена по запросу | |||
| 18 | винт (0.250-20 x 1.250) | 4 | 260 руб. | |||
| 19 | колено | 1 | цена по запросу | |||
| 20 | GASKET, FUEL PUMP BOWL | 1 | 1030 руб. | |||
| 21 | SCREEN, FUEL PUMP | 1 | 1110 руб. | |||
| 22 | BOWL, FUEL SEDIMENT | 1 | снято с производства | |||
| 23 | ELBOW, RECIRCULATING | 1 | снято с производства | |||
| - | Комплект насоса | 1 | снято с производства | |||
| 1 | GASKET, TRANSFER COVER Деталей в узле: 5 2 | Art.: 817870A1 COVER KIT, FUEL PUMP W/PLUG Деталей в узле: 1 снято с производства 3 | Art.: винт (0.250-20 x 0.625) Деталей в узле: 4 цена по запросу 4 | Art.: 27-F658803 GASKET, SPACER PLATE Деталей в узле: 1 5 | Art.: гайка (#10-24) Деталей в узле: 2 цена по запросу 6 | Art.: F658836 проставка Деталей в узле: 1 снято с производства 7 | Art.: Прокладка топливного насоса Деталей в узле: 1 8 | Art.: F438747 диафрагма топливного насоса Деталей в узле: 1 9 | Art.: F686096 RETAINER, BOOSTER SPRING Деталей в узле: 1 10 | Art.: 24-F686300 SPRING, PUMP BOOST Деталей в узле: 1 цена по запросу
11 | Art.: SCREW, (#6-32 x .250) Деталей в узле: 2 цена по запросу 12 | Art.: VALVE, FUEL PUMP Деталей в узле: 3 13 | Art.: 27-F84792 GASKET, CENTER VALVE Деталей в узле: 1 14 | Корпус топливного насоса Деталей в узле: 1 снято с производства 15 | Art.: стопорная шайба (#10) Деталей в узле: 2 цена по запросу 16 | Art.: SCREW, (#10 - 24 x .750) Деталей в узле: 3 цена по запросу 17 | Art.: стопорная шайба (0.250) Деталей в узле: 4 цена по запросу 18 | Art.: 10-F1504 винт (0.250-20 x 1.250) Деталей в узле: 4 19 | Art.: колено Деталей в узле: 1 цена по запросу 20 | Art.: GASKET, FUEL PUMP BOWL Деталей в узле: 1 21 | Art.: 35-F438653 SCREEN, FUEL PUMP Деталей в узле: 1 22 | Art.: BOWL, FUEL SEDIMENT Деталей в узле: 1 снято с производства 23 | Art.: 22-F404314 ELBOW, RECIRCULATING Деталей в узле: 1 снято с производства - | Art.: 817919A1 Комплект насоса Деталей в узле: 1 снято с производства | |||||||||||||||||||||||||
