FORCE 1989 85 H.P. "H" MODELS
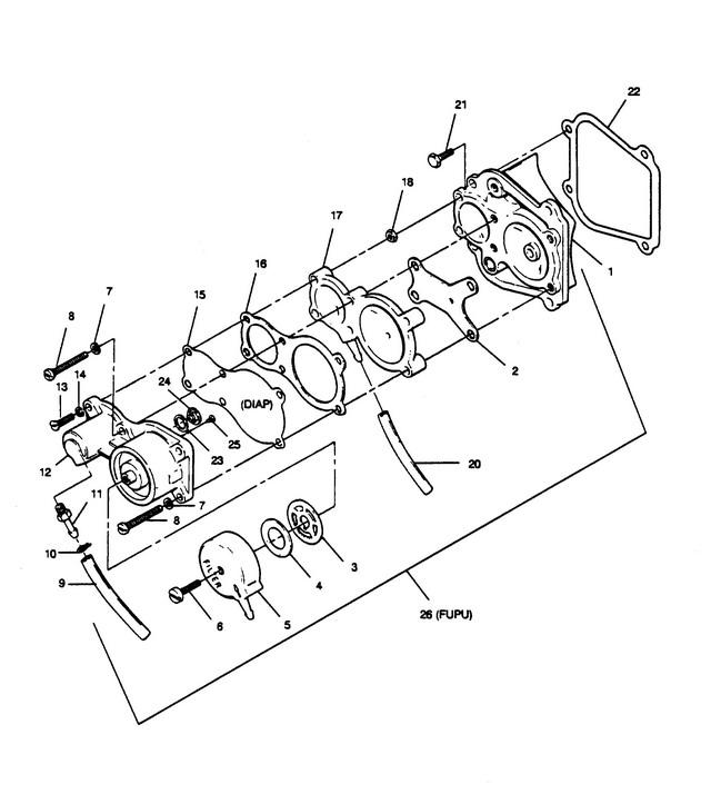
Топливный насос
Топливный насос
| № | Артикул | Наименование | Деталей в узле | Комментарий | Цена | |
| 1 | Крышка топливного насоса | 1 | W/LITERATURE | снято с производства | ||
| 2 | GASKET, SPACER PLATE | 1 | 320 руб. | |||
| 3 | GASKET, FUEL SEDIMENT BOWL | 1 | 1030 руб. | |||
| 4 | SCREEN, FUEL PUMP | 1 | 1110 руб. | |||
| 5 | BOWL, FUEL SEDIMENT | 1 | снято с производства | |||
| 6 | SCREW, FUEL SEDIMENT BOWL | 1 | цена по запросу | |||
| 7 | стопорная шайба | 4 | цена по запросу | |||
| 8 | SLOTTED FILL SCREW, 1/4 - 20 X 1-1/4 S.S. | 4 | 260 руб. | |||
| 9 | FUEL PUMP AIR HOSE, TOP | 1 | цена по запросу | |||
| 10 | Зажим топливопровода | 2 | цена по запросу | |||
| 11 | FITTING, FUEL PUMP OUTLET | 1 | цена по запросу | |||
| 12 | Корпус топливного насоса | 1 | снято с производства | |||
| 13 | SCREW 10 - 24 X 3/4 PAN HD. SCREW | 2 | цена по запросу | |||
| 14 | стопорная шайба | 2 | цена по запросу | |||
| 15 | диафрагма топливного насоса | 1 | 1040 руб. | |||
| 16 | Прокладка топливного насоса | 1 | 470 руб. | |||
| 17 | проставка топливного насоса | 1 | снято с производства | |||
| 18 | NUT, 10 - 24 S.S. | 2 | цена по запросу | |||
| 20 | HOSE, IMPULSE | 1 | цена по запросу | |||
| 21 | HEX HD. SCREW, 1/4 - 20 X 5/8 GR. 5 | 3 | снято с производства | |||
| 22 | GASKET, TRANSFER PORT COVER | 1 | 1500 руб. | |||
| 23 | GASKET, FUEL PUMP VALVE | 1 | 350 руб. | |||
| 24 | VALVE, FUEL PUMP | 3 | 1210 руб. | |||
| 25 | SLOTTED BINDING HEAD SCREW, 6 - 32 X 1/4 | 2 | цена по запросу | |||
| 26 | FUEL PUMP COMPLETE | 1 | снято с производства | |||
| 1 | Art.: Крышка топливного насоса (W/LITERATURE)Деталей в узле: 1 снято с производства 2 | Art.: F658803 GASKET, SPACER PLATE Деталей в узле: 1 3 | Art.: GASKET, FUEL SEDIMENT BOWL Деталей в узле: 1 4 | Art.: F438653 SCREEN, FUEL PUMP Деталей в узле: 1 5 | Art.: BOWL, FUEL SEDIMENT Деталей в узле: 1 снято с производства 6 | Art.: SCREW, FUEL SEDIMENT BOWL Деталей в узле: 1 цена по запросу 7 | Art.: стопорная шайба Деталей в узле: 4 цена по запросу 8 | Art.: F1504 SLOTTED FILL SCREW, 1/4 - 20 X 1-1/4 S.S. Деталей в узле: 4 9 | FUEL PUMP AIR HOSE, TOP Деталей в узле: 1 цена по запросу 10 | Art.: Зажим топливопровода Деталей в узле: 2 цена по запросу 11 | Art.: FITTING, FUEL PUMP OUTLET Деталей в узле: 1 цена по запросу 12 | Корпус топливного насоса Деталей в узле: 1 снято с производства 13 | Art.: SCREW 10 - 24 X 3/4 PAN HD. SCREW Деталей в узле: 2 цена по запросу 14 | Art.: стопорная шайба Деталей в узле: 2 цена по запросу 15 | Art.: F438747 диафрагма топливного насоса Деталей в узле: 1 16 | Art.: Прокладка топливного насоса Деталей в узле: 1 17 | Art.: F658836 проставка топливного насоса Деталей в узле: 1 снято с производства 18 | Art.: NUT, 10 - 24 S.S. Деталей в узле: 2 цена по запросу 20 | Art.: HOSE, IMPULSE Деталей в узле: 1 цена по запросу 21 | Art.: F1922 HEX HD. SCREW, 1/4 - 20 X 5/8 GR. 5 Деталей в узле: 3 снято с производства 22 | GASKET, TRANSFER PORT COVER Деталей в узле: 1 23 | Art.: F84792 GASKET, FUEL PUMP VALVE Деталей в узле: 1 24 | Art.: VALVE, FUEL PUMP Деталей в узле: 3 |
