MERC 500
стартер, соленоид стартера, выпрямитель и жгут проводов
стартер, соленоид стартера, выпрямитель и жгут проводов
| № | Артикул | Наименование | Деталей в узле | Комментарий | Цена | |
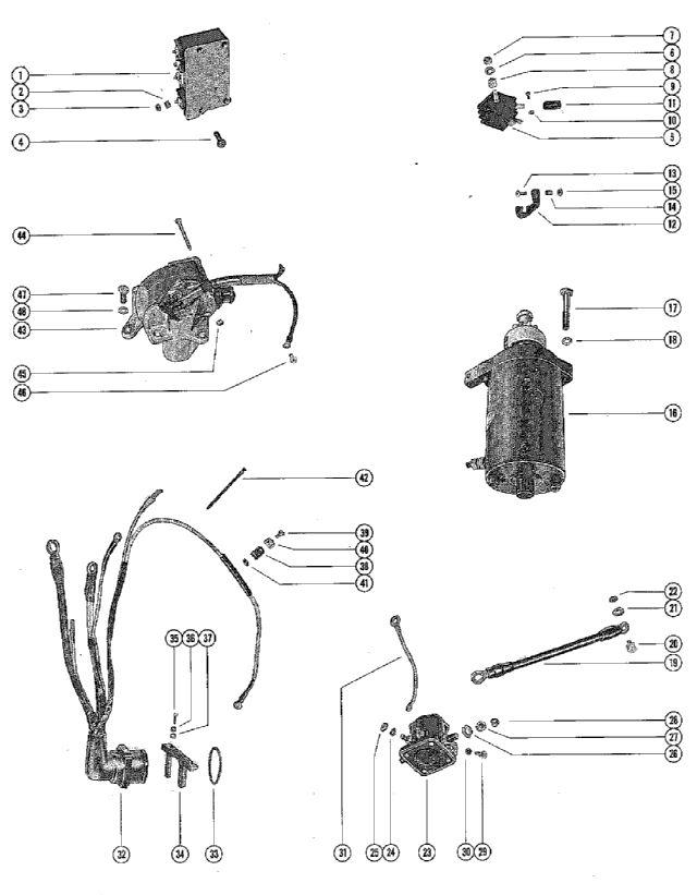
| 1 | блок управления в сборе | 1 | 69340 руб. | |||
| 2 | WASHER, SWITCH BOX TERMINAL | 4 | UNITED STATES 2858814 THRU 3235062 AUSTRALIA 2863739 THRU 3244337 CANADA 2742142 THRU 3243512 | снято с производства | ||
| 3 | NUT, SWITCH BOX TERMINAL | 4 | 180 руб. | |||
| 4 | SCREW, SWITCH BOX TO FRONT SUPPORT BRACKET (5/8") | 4 | цена по запросу | |||
| 5 | RECTIFIER ELECTRIC | 1 | цена по запросу | |||
| 6 | LOCKWASHER, RECTIFIER TO FRONT BRACKET ELECTRIC | 1 | цена по запросу | |||
| 7 | NUT, RECTIFIER TO FRONT BRACKET ELECTRIC | 1 | снято с производства | |||
| 8 | SPACER, RECTIFIER TO FRONT BRACKET ELECTRIC | 1 | снято с производства | |||
| 9 | SCREW, RECTIFIER TERMINALS (3/8") ELECTRIC | 3 | снято с производства | |||
| 10 | NUT, RECTIFIER TERMINALS ELECTRIC | 3 | цена по запросу | |||
| 11 | SLEEVE, RECTIFIER TERMINALS ELECTRIC | 3 | снято с производства | |||
| 12 | BRACKET, RETAINER - HIGH TENSION LEAD | 1 | снято с производства | |||
| 13 | SCREW, RETAINER BRACKET TO SUPPORT BRACKET (1 1/2") | 1 | снято с производства | |||
| 14 | SPACER, RETAINER BRACKET TO SUPPORT BRACKET | 1 | снято с производства | |||
| 15 | NUT, RETAINER BRACKET SCREW | 1 | цена по запросу | |||
| 16 | STARTER MOTOR ASSEMBLY - ELECTRIC | 1 | UNITED STATES 2858814 THRU 3091050 AUSTRALIA 2863739 THRU 3099125 CANADA 2742142 THRU 3098195 | цена по запросу | ||
| 16 | STARTER MOTOR ASSEMBLY - ELECTRIC | 1 | UNITED STATES 3091051 AND UP AUSTRALIA 3099126 AND UP BELGIUM 9001581 AND UP CANADA 3098196 AND UP | цена по запросу | ||
| 17 | SCREW, STARTER MOTOR TO CRANKCASE FLANGE (1 5/8") ELECTRIC | 2 | снято с производства | |||
| 18 | LOCKWASHER, STARTER MOTOR SCREW ELECTRIC | 2 | цена по запросу | |||
| 19 | WIRE, STARTER MOTOR TO SOLENOID AND TOP MOUNT ELECTRIC | 1 | снято с производства | |||
| 20 | SCREW, GROUND WIRE TO STARTER MOTOR (5/8") ELECTRIC | 1 | цена по запросу | |||
| 21 | LOCKWASHER, GROUND WIRE FASTENING SCREW ELECTRIC | 1 | 90 руб. | |||
| 22 | NUT, GROUND WIRE SCREW ELECTRIC | 1 | 180 руб. | |||
| 23 | STARTER SOLENOID - ELECTRIC | 1 | UNITED STATES 2858814 THRU 3235062 AUSTRALIA 2863739 THRU 3015353 CANADA 2742142 THRU 3015453 | снято с производства | ||
| 23 | STARTER SOLENOID - ELECTRIC | 1 | UNITED STATES 9008819 AND UP AUSTRALIA 3015354 AND UP BELGIUM 9001581 AND UP CANADA 3015454 AND UP | 9000 руб. | ||
| 24 | LOCKWASHER, SOLENOID TERMINAL (#10) ELECTRIC | 2 | 120 руб. | |||
| 25 | NUT, SOLENOID TERMINAL (#10) ELECTRIC | 2 | цена по запросу | |||
| 26 | LOCKWASHER, SOLENOID TERMINAL (5/16") ELECTRIC | 2 | цена по запросу | |||
| 27 | NUT, SOLENOID TERMINAL - INSIDE (5/16") ELECTRIC | 1 | цена по запросу | |||
| 28 | NUT, CAP - SOLENOID TERMINAL - OUTSIDE (5/16") ELECTRIC | 1 | снято с производства | |||
| 29 | SCREW, SOLENOID TO STARTER MOTOR (5/8") | 2 | ELECTRIC UNITED STATES 2858814 THRU 3235062 AUSTRALIA 2863739 THRU 3015353 CANADA 2742142 THRU 3015453 | цена по запросу | ||
| 29 | SCREW, SOLENOID TO SUPPORT BRACKET (3/4") | 2 | ELECTRIC UNITED STATES 9008819 AND UP AUSTRALIA 3015354 AND UP BELGIUM 9001581 AND UP CANADA 3015454 AND UP | цена по запросу | ||
| 30 | NUT, STARTER SOLENOID SCREW ELECTRIC | 2 | ELECTRIC | цена по запросу | ||
| 31 | GROUND STRAP ASSEMBLY ELECTRIC | 1 | снято с производства | |||
| 32 | WIRING HARNESS (INTERNAL) ELECTRIC | 1 | 14660 руб. | |||
| 33 | SPRING, GARTER - INTERNAL WIRING HARNESS ELECTRIC | 1 | снято с производства | |||
| 34 | CLAMP, WIRING HARNESS ELECTRIC | 1 | цена по запросу | |||
| 35 | SCREW, WIRING HARNESS CLAMP TO BOTTOM COWL (7/8") ELECTRIC | 2 | 130 руб. | |||
| 36 | LOCKWASHER, WIRING HARNESS CLAMP SCREW ELECTRIC | 2 | 120 руб. | |||
| 37 | WASHER, WIRING HARNESS CLAMP SCREW ELECTRIC | 2 | 500 руб. | |||
| 38 | CLIP, WIRING HARNESS LEAD | 1 | , ELECTRIC UNITED STATES 2858814 THRU 3235062 AUSTRALIA 2863739 THRU 3244337 CANADA 2742142 THRU 3243512 | 480 руб. | ||
| 39 | SCREW, WIRING HARNESS LEAD CLIP ATTACHING (5/8") | 1 | , ELECTRIC UNITED STATES 2858814 THRU 3235062 AUSTRALIA 2863739 THRU 3244337 CANADA 2742142 THRU 3243512 | цена по запросу | ||
| 40 | "D" WASHER, HARNESS LEAD CLIP ATTACHING SCREW | 1 | , ELECTRIC UNITED STATES 2858814 THRU 3235062 AUSTRALIA 2863739 THRU 3244337 CANADA 2742142 THRU 3243512 | 130 руб. | ||
| 41 | NUT, WIRING HARNESS LEAD CLIP ATTACHING SCREW | 1 | , ELECTRIC UNITED STATES 2858814 THRU 3235062 AUSTRALIA 2863739 THRU 3244337 CANADA 2742142 THRU 3243512 | снято с производства | ||
| 42 | STA-STRAP, WIRING HARNESS ELECTRIC | 1 | 150 руб. | |||
| 43 | катушка зажигания в сборе | 1 | UNITED STATES 9008819 AND UP AUSTRALIA 3015354 AND UP BELGIUM 9001581 AND UP CANADA 3015454 AND UP | снято с производства | ||
| 43 | катушка зажигания в сборе | 1 | UNITED STATES 2858814 THRU 3235062 AUSTRALIA 2863739 THRU 3015353 CANADA 2742142 THRU 3015453 | снято с производства | ||
| 44 | SCREW, IGNITION COIL CLAMPING | 2 | снято с производства | |||
| 45 | NUT, IGNITION COIL CLAMPING SCREW | 2 | 200 руб. | |||
| 46 | SCREW, IGNITION COIL WIRE TO SWITCH BOX (3/8") | 1 | снято с производства | |||
| 47 | SCREW, IGNITION COIL TO BOTTOM COWL (1") | 3 | 270 руб. | |||
| 48 | стопорная шайба винта катушки зажигания | 3 | 90 руб. | |||
| 1 | Art.: 333-3213A3 блок управления в сборе Деталей в узле: 1 2 | Art.: 12-45075 WASHER, SWITCH BOX TERMINAL (UNITED STATES 2858814 THRU 3235062 AUSTRALIA 2863739 THRU 3244337 CANADA 2742142 THRU 3243512)Деталей в узле: 4 снято с производства 3 | Art.: 11-45076 NUT, SWITCH BOX TERMINAL Деталей в узле: 4 4 | Art.: SCREW, SWITCH BOX TO FRONT SUPPORT BRACKET (5/8") Деталей в узле: 4 цена по запросу 5 | RECTIFIER ELECTRIC Деталей в узле: 1 цена по запросу 6 | Art.: 13-26993 LOCKWASHER, RECTIFIER TO FRONT BRACKET ELECTRIC Деталей в узле: 1 цена по запросу
7 | Art.: 11-20922 NUT, RECTIFIER TO FRONT BRACKET ELECTRIC Деталей в узле: 1 снято с производства 8 | Art.: 23-28458 SPACER, RECTIFIER TO FRONT BRACKET ELECTRIC Деталей в узле: 1 снято с производства 9 | Art.: 10-20055 SCREW, RECTIFIER TERMINALS (3/8") ELECTRIC Деталей в узле: 3 снято с производства 10 | Art.: NUT, RECTIFIER TERMINALS ELECTRIC Деталей в узле: 3 цена по запросу
11 | Art.: 32-28373 SLEEVE, RECTIFIER TERMINALS ELECTRIC Деталей в узле: 3 снято с производства 12 | Art.: 59757 BRACKET, RETAINER - HIGH TENSION LEAD Деталей в узле: 1 снято с производства 13 | Art.: 10-24933 SCREW, RETAINER BRACKET TO SUPPORT BRACKET (1 1/2") Деталей в узле: 1 снято с производства 14 | Art.: 23-33070 SPACER, RETAINER BRACKET TO SUPPORT BRACKET Деталей в узле: 1 снято с производства 15 | Art.: NUT, RETAINER BRACKET SCREW Деталей в узле: 1 цена по запросу 16 | Art.: STARTER MOTOR ASSEMBLY - ELECTRIC (UNITED STATES 2858814 THRU 3091050 AUSTRALIA 2863739 THRU 3099125 CANADA 2742142 THRU 3098195)Деталей в узле: 1 цена по запросу
16 | Art.: STARTER MOTOR ASSEMBLY - ELECTRIC (UNITED STATES 3091051 AND UP AUSTRALIA 3099126 AND UP BELGIUM 9001581 AND UP CANADA 3098196 AND UP)Деталей в узле: 1 цена по запросу
17 | Art.: 10-52446 SCREW, STARTER MOTOR TO CRANKCASE FLANGE (1 5/8") ELECTRIC Деталей в узле: 2 снято с производства 18 | Art.: 13-26993 LOCKWASHER, STARTER MOTOR SCREW ELECTRIC Деталей в узле: 2 цена по запросу
19 | WIRE, STARTER MOTOR TO SOLENOID AND TOP MOUNT ELECTRIC Деталей в узле: 1 снято с производства 20 | Art.: SCREW, GROUND WIRE TO STARTER MOTOR (5/8") ELECTRIC Деталей в узле: 1 цена по запросу 21 | Art.: 13-26992 LOCKWASHER, GROUND WIRE FASTENING SCREW ELECTRIC Деталей в узле: 1 22 | Art.: 11-20890 NUT, GROUND WIRE SCREW ELECTRIC Деталей в узле: 1 23 | Art.: STARTER SOLENOID - ELECTRIC (UNITED STATES 2858814 THRU 3235062 AUSTRALIA 2863739 THRU 3015353 CANADA 2742142 THRU 3015453)Деталей в узле: 1 снято с производства 23 | STARTER SOLENOID - ELECTRIC (UNITED STATES 9008819 AND UP AUSTRALIA 3015354 AND UP BELGIUM 9001581 AND UP CANADA 3015454 AND UP)Деталей в узле: 1 24 | Art.: 13-26996 LOCKWASHER, SOLENOID TERMINAL (#10) ELECTRIC Деталей в узле: 2 25 | Art.: NUT, SOLENOID TERMINAL (#10) ELECTRIC Деталей в узле: 2 цена по запросу 26 | Art.: 13-26993 LOCKWASHER, SOLENOID TERMINAL (5/16") ELECTRIC Деталей в узле: 2 цена по запросу
27 | Art.: NUT, SOLENOID TERMINAL - INSIDE (5/16") ELECTRIC Деталей в узле: 1 цена по запросу 28 | Art.: 11-26062 NUT, CAP - SOLENOID TERMINAL - OUTSIDE (5/16") ELECTRIC Деталей в узле: 1 снято с производства 29 | Art.: SCREW, SOLENOID TO STARTER MOTOR (5/8") (ELECTRIC UNITED STATES 2858814 THRU 3235062 AUSTRALIA 2863739 THRU 3015353 CANADA 2742142 THRU 3015453)Деталей в узле: 2 цена по запросу 29 | Art.: SCREW, SOLENOID TO SUPPORT BRACKET (3/4") (ELECTRIC UNITED STATES 9008819 AND UP AUSTRALIA 3015354 AND UP BELGIUM 9001581 AND UP CANADA 3015454 AND UP)Деталей в узле: 2 цена по запросу 30 | Art.: NUT, STARTER SOLENOID SCREW ELECTRIC (ELECTRIC)Деталей в узле: 2 цена по запросу 31 | Art.: 46715 GROUND STRAP ASSEMBLY ELECTRIC Деталей в узле: 1 снято с производства 32 | Art.: WIRING HARNESS (INTERNAL) ELECTRIC Деталей в узле: 1 33 | Art.: 24-28975 SPRING, GARTER - INTERNAL WIRING HARNESS ELECTRIC Деталей в узле: 1 снято с производства 34 | Art.: CLAMP, WIRING HARNESS ELECTRIC Деталей в узле: 1 цена по запросу 35 | Art.: 10-45862 SCREW, WIRING HARNESS CLAMP TO BOTTOM COWL (7/8") ELECTRIC Деталей в узле: 2 36 | Art.: 13-26996 LOCKWASHER, WIRING HARNESS CLAMP SCREW ELECTRIC Деталей в узле: 2 37 | Art.: WASHER, WIRING HARNESS CLAMP SCREW ELECTRIC Деталей в узле: 2 38 | Art.: 54-26550 CLIP, WIRING HARNESS LEAD (, ELECTRIC UNITED STATES 2858814 THRU 3235062 AUSTRALIA 2863739 THRU 3244337 CANADA 2742142 THRU 3243512)Деталей в узле: 1 39 | Art.: 10-29072 SCREW, WIRING HARNESS LEAD CLIP ATTACHING (5/8") (, ELECTRIC UNITED STATES 2858814 THRU 3235062 AUSTRALIA 2863739 THRU 3244337 CANADA 2742142 THRU 3243512)Деталей в узле: 1 цена по запросу
40 | "D" WASHER, HARNESS LEAD CLIP ATTACHING SCREW (, ELECTRIC UNITED STATES 2858814 THRU 3235062 AUSTRALIA 2863739 THRU 3244337 CANADA 2742142 THRU 3243512)Деталей в узле: 1 41 | Art.: 11-24656 NUT, WIRING HARNESS LEAD CLIP ATTACHING SCREW (, ELECTRIC UNITED STATES 2858814 THRU 3235062 AUSTRALIA 2863739 THRU 3244337 CANADA 2742142 THRU 3243512)Деталей в узле: 1 снято с производства 42 | Art.: STA-STRAP, WIRING HARNESS ELECTRIC Деталей в узле: 1 43 | Art.: катушка зажигания в сборе (UNITED STATES 9008819 AND UP AUSTRALIA 3015354 AND UP BELGIUM 9001581 AND UP CANADA 3015454 AND UP)Деталей в узле: 1 снято с производства 43 | катушка зажигания в сборе (UNITED STATES 2858814 THRU 3235062 AUSTRALIA 2863739 THRU 3015353 CANADA 2742142 THRU 3015453)Деталей в узле: 1 снято с производства 44 | Art.: 10-46368 SCREW, IGNITION COIL CLAMPING Деталей в узле: 2 снято с производства 45 | Art.: NUT, IGNITION COIL CLAMPING SCREW Деталей в узле: 2 |
