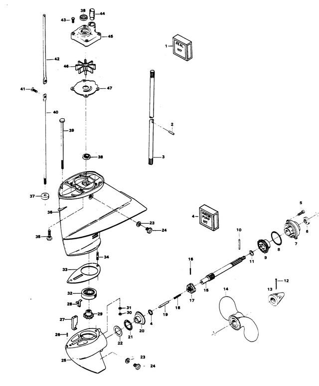
9.9 FURY 15 H.P.
Корпус редуктора
Корпус редуктора
| № | Артикул | Наименование | Деталей в узле | Комментарий | Цена | |
| 1 | комплект уплотнения корпуса редуктора | 1 | INCLUDES ALL ITEMS MARKED WITH A DOUBLE ASTERISK (**) | цена по запросу | ||
| 2 | WATER PUMP IMPELLER DRIVE PIN | 1 | 560 руб. | |||
| 3 | Вертикальный вал | 1 | снято с производства | |||
| 4 | Комплект водяного насоса | 1 | снято с производства | |||
| 5 | FILL HD SCREW, 1/4 - 20 X 5/8 | 2 | цена по запросу | |||
| 6 | SEAL, PROPELLER SHAFT | 1 | цена по запросу | |||
| 7 | PROPELLER SHAFT BEARING CAGE | 1 | W/BEARING AND ITEMS 6 AND 8 ORIGINAL FORCE P/N A 286298-1 | снято с производства | ||
| 8 | SEAL, PROP SHAFT BEARING CAGE | 1 | 160 руб. | |||
| 9 | BEVEL GEAR REAR W/BEARING | 1 | снято с производства | |||
| 10 | PROPELLER PIN, PACK OF 3 | 1 | W/ILLUS. 12 | 1710 руб. | ||
| 11 | упорная шайба | 2 | снято с производства | |||
| 12 | шплинт | 1 | цена по запросу | |||
| 13 | гайка гребного винта | 1 | W/ILLUS. 12 ORIGINAL FORCE P/N A 286094-1 | цена по запросу | ||
| 14 | PROPELLER (ACCESSORY ITEM) | 1 | цена по запросу | |||
| 15 | вал гребного винта | 1 | снято с производства | |||
| 16 | SPRING PIN | 1 | снято с производства | |||
| 17 | муфта сцепления | 1 | W/LITERATURE | снято с производства | ||
| 18 | CLUTCH SPRING | 1 | снято с производства | |||
| 19 | CLUTCH SHIFT PIN | 1 | снято с производства | |||
| 20 | BEVEL GEAR FRONT W/BEARING | 1 | 55120 руб. | |||
| 21 | BEARING, RADIAL, PROPELLER SHAFT | 1 | цена по запросу | |||
| 22 | RACE, PROPELLER SHAFT BEARING | 1 | снято с производства | |||
| 23 | NYLTITE WASHER | 2 | цена по запросу | |||
| 24 | GEAR HOUSING PLUG | 2 | цена по запросу | |||
| 25 | GEAR HOUSING LOWER | 1 | W/PROP SHAFT BEARING, ILLUS. 23, 24 AND 26 | снято с производства | ||
| 26 | SPRING PIN | 1 | снято с производства | |||
| 27 | CLUTCH, SHIFT CAM | 1 | снято с производства | |||
| 28 | SPRING CAM DETENT | 1 | снято с производства | |||
| 29 | GEAR, BEVEL PINION | 1 | W/ITEM 32 | цена по запросу | ||
| 30 | HEX NUT, 1/4 - 20 | 1 | цена по запросу | |||
| 31 | SPRING LOCKWASHER | 1 | цена по запросу | |||
| 32 | Шариковый подшипник | 1 | цена по запросу | |||
| 33 | GASKET, GEAR HOUSING | 1 | снято с производства | |||
| 34 | STUD, GEAR HOUSING REAR | 1 | снято с производства | |||
| 35 | HEX HD SCREW, 1/4 - 20 X 1 | 4 | 980 руб. | |||
| 36 | GEAR HOUSING UPPER | 1 | W/BEARING AND ITEMS 23, 24, 34, 37 AND 38 ORIGINAL FORCE P/N A 456554-1 | снято с производства | ||
| 37 | SEAL, GEAR SHIFT ROD LOWER | 1 | 880 руб. | |||
| 38 | SEAL, DRIVESHAFT AND WATER PUMP | 2 | 1470 руб. | |||
| 39 | HEX BOLT, 1/4 - 20 X 7 | 1 | снято с производства | |||
| 40 | GEAR SHIFT ROD LOWER | 1 | цена по запросу | |||
| 41 | SOCKET HD SCREW W/LOCKWASHER, 10 - 24 X 1/2 | 1 | снято с производства | |||
| 42 | GEAR SHIFT ROD UPPER | 1 | снято с производства | |||
| 43 | HEX HD SCREW, 1/4 - 20 X 1-1/4 | 4 | 310 руб. | |||
| 44 | SEAL, INLET WATER LINE | 1 | W/LITERATURE | снято с производства | ||
| 45 | WATER PUMP BODY | 1 | W/ILLUS. 38 | снято с производства | ||
| 46 | WATER PUMP IMPELLER | 1 | цена по запросу | |||
| 47 | WATER PUMP BACK PLATE | 1 | 1990 руб. | |||
| - | LOWER GEAR HOUSING COMPLETE (NOT SHOWN) | 1 | INCLUDES ALL ITEMS MARKED WITH AN ASTERISK (*) | цена по запросу | ||
| - | SCREW, 1/4 - 20 X 1-1/4 | 4 | 310 руб. | |||
| - | PLATE, WATER PUMP BACK | 1 | 1990 руб. | |||
| - | SEAL, WATER LINE | 1 | снято с производства | |||
| - | PIN, WATER PUMP IMPELLER DRIVE | 1 | 560 руб. | |||
| - | BODY, WATER PUMP | 1 | снято с производства | |||
| - | Крыльчатка | 1 | цена по запросу | |||
| 1 | Art.: FK1065 комплект уплотнения корпуса редуктора (INCLUDES ALL ITEMS MARKED WITH A DOUBLE ASTERISK (**))Деталей в узле: 1 цена по запросу
| ||||||||||||||||||||||||||||||||||||||||||||||||||||||||||||||||||||||||||||||||||||||||||||||||||||||||||
| 2 | Art.: F901563 WATER PUMP IMPELLER DRIVE PIN Деталей в узле: 1 3 | Art.: F343128 Вертикальный вал Деталей в узле: 1 снято с производства 4 | Art.: FK1031-1 Комплект водяного насоса Деталей в узле: 1 снято с производства 5 | Art.: FILL HD SCREW, 1/4 - 20 X 5/8 Деталей в узле: 2 цена по запросу 6 | Art.: SEAL, PROPELLER SHAFT Деталей в узле: 1 цена по запросу 7 | Art.: 31-817756A2 PROPELLER SHAFT BEARING CAGE (W/BEARING AND ITEMS 6 AND 8 ORIGINAL FORCE P/N A 286298-1)Деталей в узле: 1 снято с производства 8 | Art.: F455305 SEAL, PROP SHAFT BEARING CAGE Деталей в узле: 1 9 | Art.: BEVEL GEAR REAR W/BEARING Деталей в узле: 1 снято с производства 10 | Art.: FA324101 PROPELLER PIN, PACK OF 3 (W/ILLUS. 12)Деталей в узле: 1 11 | Art.: F456717 упорная шайба Деталей в узле: 2 снято с производства 12 | Art.: шплинт Деталей в узле: 1 цена по запросу 13 | Art.: 11-817752A1 гайка гребного винта (W/ILLUS. 12 ORIGINAL FORCE P/N A 286094-1)Деталей в узле: 1 цена по запросу
14 | Art.: FP6430 PROPELLER (ACCESSORY ITEM) Деталей в узле: 1 цена по запросу
15 | Art.: F456098 вал гребного винта Деталей в узле: 1 снято с производства 16 | Art.: F8564 SPRING PIN Деталей в узле: 1 снято с производства 17 | Art.: муфта сцепления (W/LITERATURE)Деталей в узле: 1 снято с производства 18 | Art.: F409719 CLUTCH SPRING Деталей в узле: 1 снято с производства 19 | Art.: F286728 CLUTCH SHIFT PIN Деталей в узле: 1 снято с производства 20 | Art.: BEVEL GEAR FRONT W/BEARING Деталей в узле: 1 21 | Art.: BEARING, RADIAL, PROPELLER SHAFT Деталей в узле: 1 цена по запросу 22 | Art.: F286903 RACE, PROPELLER SHAFT BEARING Деталей в узле: 1 снято с производства 23 | Art.: NYLTITE WASHER Деталей в узле: 2 цена по запросу 24 | GEAR HOUSING PLUG Деталей в узле: 2 цена по запросу 25 | GEAR HOUSING LOWER (W/PROP SHAFT BEARING, ILLUS. 23, 24 AND 26)Деталей в узле: 1 снято с производства 26 | Art.: F8553 SPRING PIN Деталей в узле: 1 снято с производства 27 | Art.: F286721 CLUTCH, SHIFT CAM Деталей в узле: 1 снято с производства 28 | Art.: F286895 SPRING CAM DETENT Деталей в узле: 1 снято с производства 29 | Art.: GEAR, BEVEL PINION (W/ITEM 32)Деталей в узле: 1 цена по запросу
30 | Art.: HEX NUT, 1/4 - 20 Деталей в узле: 1 цена по запросу 31 | Art.: SPRING LOCKWASHER Деталей в узле: 1 цена по запросу 32 | Art.: Шариковый подшипник Деталей в узле: 1 цена по запросу 33 | Art.: F286555 GASKET, GEAR HOUSING Деталей в узле: 1 снято с производства 34 | Art.: STUD, GEAR HOUSING REAR Деталей в узле: 1 снято с производства 35 | Art.: F430732 HEX HD SCREW, 1/4 - 20 X 1 Деталей в узле: 4 36 | Art.: 1600-824916A1 GEAR HOUSING UPPER (W/BEARING AND ITEMS 23, 24, 34, 37 AND 38 ORIGINAL FORCE P/N A 456554-1)Деталей в узле: 1 снято с производства 37 | Art.: SEAL, GEAR SHIFT ROD LOWER Деталей в узле: 1 38 | Art.: F901307-2 SEAL, DRIVESHAFT AND WATER PUMP Деталей в узле: 2 39 | Art.: F1800 HEX BOLT, 1/4 - 20 X 7 Деталей в узле: 1 снято с производства 40 | Art.: GEAR SHIFT ROD LOWER Деталей в узле: 1 цена по запросу 41 | Art.: F1976 SOCKET HD SCREW W/LOCKWASHER, 10 - 24 X 1/2 Деталей в узле: 1 снято с производства 42 | Art.: F286615 GEAR SHIFT ROD UPPER Деталей в узле: 1 снято с производства 43 | Art.: F2030 HEX HD SCREW, 1/4 - 20 X 1-1/4 Деталей в узле: 4 44 | Art.: FA510914 SEAL, INLET WATER LINE (W/LITERATURE)Деталей в узле: 1 снято с производства 45 | Art.: WATER PUMP BODY (W/ILLUS. 38)Деталей в узле: 1 снято с производства 46 | Art.: WATER PUMP IMPELLER Деталей в узле: 1 цена по запросу 47 | Art.: F341562 WATER PUMP BACK PLATE Деталей в узле: 1 - | LOWER GEAR HOUSING COMPLETE (NOT SHOWN) (INCLUDES ALL ITEMS MARKED WITH AN ASTERISK (*))Деталей в узле: 1 цена по запросу - | Art.: F2030 SCREW, 1/4 - 20 X 1-1/4 Деталей в узле: 4 - | Art.: F341562 PLATE, WATER PUMP BACK Деталей в узле: 1 - | Art.: SEAL, WATER LINE Деталей в узле: 1 снято с производства - | Art.: F901563 PIN, WATER PUMP IMPELLER DRIVE Деталей в узле: 1 - | Art.: BODY, WATER PUMP Деталей в узле: 1 снято с производства - | Art.: Крыльчатка Деталей в узле: 1 цена по запросу | ||||||||||||||||||||||||||||||||||||||||||||||||||||||
