4 HP
Корпус редуктора
Корпус редуктора
| № | Артикул | Наименование | Деталей в узле | Комментарий | Цена | |
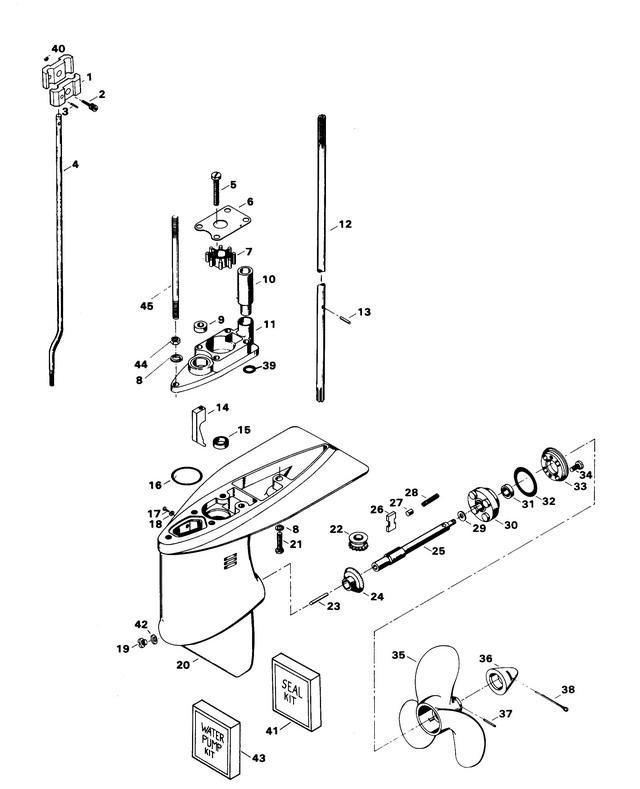
| 1 | COUPLING, GEAR SHIFT ROD | 2 | снято с производства | |||
| 2 | SOCKET HD SCREW W/LOCKWASHER, 10 - 24 X 5/8 | 1 | снято с производства | |||
| 3 | SPRING PIN | 1 | 50 руб. | |||
| 4 | ROD, GEAR SHIFT LOWER | 1 | цена по запросу | |||
| 5 | FILL HD SCREW, 1/4 - 20 X 1 1/4 | 4 | 260 руб. | |||
| 6 | PLATE, WATER PUMP | 1 | 1770 руб. | |||
| 7 | Крыльчатка | 1 | цена по запросу | |||
| 8 | SPRING LOCKWASHER | 2 | цена по запросу | |||
| 9 | SEAL, SHIFT ROD | 1 | 890 руб. | |||
| 10 | SEAL, WATERLINE | 1 | W/LITERATURE | снято с производства | ||
| 11 | WATER PUMP BODY W/PLUG | 1 | ILLUS. 39 ORIGINAL FORCE P/N A521060-2 | 11810 руб. | ||
| 12 | DRIVESHAFT - STANDARD LEG | 1 | цена по запросу | |||
| 13 | PIN, WATER PUMP IMPELLER DRIVE | 1 | снято с производства | |||
| 14 | CAM, CLUTCH SHIFT | 1 | снято с производства | |||
| 15 | SEAL, DRIVESHAFT | 1 | 5410 руб. | |||
| 16 | Уплотнение | 1 | снято с производства | |||
| 17 | FILL HD SCREW, 10 - 24 X 1/4 | 1 | снято с производства | |||
| 18 | шайба | 1 | снято с производства | |||
| 19 | Пробка корпуса редуктора | 1 | цена по запросу | |||
| 20 | Корпус редуктора | 1 | W/ILLUS. 15, 17, 18 AND 19 | снято с производства | ||
| 21 | HEX CAP SCREW, 1/4 - 20 X 1 | 1 | цена по запросу | |||
| 22 | BEVEL PINION GEAR | 1 | цена по запросу | |||
| 23 | CLUTCH SHIFT PIN | 1 | снято с производства | |||
| 24 | BEVEL GEAR W/BEARING | 1 | снято с производства | |||
| 25 | вал гребного винта | 1 | W/ILLUS. 28 & LITERATURE | снято с производства | ||
| 26 | муфта сцепления | 1 | снято с производства | |||
| 27 | PIN, CLUTCH GUIDE | 1 | снято с производства | |||
| 28 | CLUTCH SPRING | 1 | снято с производства | |||
| 29 | проставка | 1 | снято с производства | |||
| 30 | BEARING CAGE W/BEARING AND ILLUS. 31 | 1 | 10780 руб. | |||
| 31 | SEAL, PROPELLER SHAFT | 1 | снято с производства | |||
| 32 | SEAL, "O" RING | 1 | снято с производства | |||
| 33 | RETAINER, PROPELLER SHAFT BEARING CAGE | 1 | 4560 руб. | |||
| 34 | FILL HD SCREW, 1/4 - 20 X 5/8 | 4 | снято с производства | |||
| 35 | гребной винт | 1 | 18200 руб. | |||
| 36 | PROPELLER PIN, PACK OF 3 | 1 | 1720 руб. | |||
| 37 | гайка гребного винта | 1 | W/ILLUS. 38 ORIGINAL FORCE P/N A286094-1 | цена по запросу | ||
| 38 | шплинт | 1 | цена по запросу | |||
| 39 | пробка водяного насоса | 1 | цена по запросу | |||
| 40 | LOCK NUT, 10 - 24 | 1 | 310 руб. | |||
| 41 | GEAR HOUSING SEAL KIT. | 1 | INCLUDES ALL ITEMS MARKED WITH A DOUBLE ASTERISK (**) | снято с производства | ||
| 42 | шайба | 1 | цена по запросу | |||
| 43 | WATER PUMP KIT. | 1 | INCLUDES ITEMS LISTED BELOW | снято с производства | ||
| 44 | HEX NUT | 1 | цена по запросу | |||
| 45 | шпилька | 1 | снято с производства | |||
| - | BODY, WATER PUMP | 1 | 11810 руб. | |||
| - | FILL H.M.S. 1/4-20 X 1-1/4 | 4 | 260 руб. | |||
| - | Уплотнение | 1 | 890 руб. | |||
| - | Крыльчатка водяного насоса | 1 | цена по запросу | |||
| - | PLATE, WATER PUMP TOP | 1 | 1770 руб. | |||
| - | WATERLINE SEAL | 1 | снято с производства | |||
| - | GEAR HOUSING COMPLETE. | 1 | INCLUDES ALL ITEMS MARKED WITH AN ASTERISK (*) | цена по запросу | ||
| 1 | Art.: COUPLING, GEAR SHIFT ROD Деталей в узле: 2 снято с производства 2 | Art.: F1371 SOCKET HD SCREW W/LOCKWASHER, 10 - 24 X 5/8 Деталей в узле: 1 снято с производства 3 | Art.: F8538 SPRING PIN Деталей в узле: 1 4 | Art.: ROD, GEAR SHIFT LOWER Деталей в узле: 1 цена по запросу 5 | Art.: F1504 FILL HD SCREW, 1/4 - 20 X 1 1/4 Деталей в узле: 4 6 | Art.: F521537 PLATE, WATER PUMP Деталей в узле: 1 7 | Art.: Крыльчатка Деталей в узле: 1 цена по запросу 8 | Art.: SPRING LOCKWASHER Деталей в узле: 2 цена по запросу 9 | Art.: SEAL, SHIFT ROD Деталей в узле: 1 10 | Art.: FA521735 SEAL, WATERLINE (W/LITERATURE)Деталей в узле: 1 снято с производства 11 | Art.: FA735060 WATER PUMP BODY W/PLUG (ILLUS. 39 ORIGINAL FORCE P/N A521060-2)Деталей в узле: 1 12 | Art.: F521128 DRIVESHAFT - STANDARD LEG Деталей в узле: 1 цена по запросу
13 | Art.: F390563 PIN, WATER PUMP IMPELLER DRIVE Деталей в узле: 1 снято с производства 14 | Art.: F521721 CAM, CLUTCH SHIFT Деталей в узле: 1 снято с производства 15 | Art.: F318307 SEAL, DRIVESHAFT Деталей в узле: 1 16 | Art.: F521783 Уплотнение Деталей в узле: 1 снято с производства 17 | Art.: F1077 FILL HD SCREW, 10 - 24 X 1/4 Деталей в узле: 1 снято с производства 18 | Art.: F8074 шайба Деталей в узле: 1 снято с производства 19 | Пробка корпуса редуктора Деталей в узле: 1 цена по запросу 20 | Корпус редуктора (W/ILLUS. 15, 17, 18 AND 19)Деталей в узле: 1 снято с производства 21 | Art.: HEX CAP SCREW, 1/4 - 20 X 1 Деталей в узле: 1 цена по запросу 22 | Art.: BEVEL PINION GEAR Деталей в узле: 1 цена по запросу
23 | Art.: F521728 CLUTCH SHIFT PIN Деталей в узле: 1 снято с производства 24 | Art.: BEVEL GEAR W/BEARING Деталей в узле: 1 снято с производства 25 | Art.: FA409098 вал гребного винта (W/ILLUS. 28 & LITERATURE)Деталей в узле: 1 снято с производства 26 | Art.: F409521 муфта сцепления Деталей в узле: 1 снято с производства 27 | Art.: F318372 PIN, CLUTCH GUIDE Деталей в узле: 1 снято с производства 28 | Art.: F409719 CLUTCH SPRING Деталей в узле: 1 снято с производства 29 | Art.: F521099 проставка Деталей в узле: 1 снято с производства 30 | Art.: BEARING CAGE W/BEARING AND ILLUS. 31 Деталей в узле: 1 31 | Art.: F521307 SEAL, PROPELLER SHAFT Деталей в узле: 1 снято с производства 32 | Art.: F521305 SEAL, "O" RING Деталей в узле: 1 снято с производства 33 | RETAINER, PROPELLER SHAFT BEARING CAGE Деталей в узле: 1 34 | Art.: F525457 FILL HD SCREW, 1/4 - 20 X 5/8 Деталей в узле: 4 снято с производства 35 | гребной винт Деталей в узле: 1 36 | Art.: FA324101 PROPELLER PIN, PACK OF 3 Деталей в узле: 1 37 | Art.: 11-817752A1 гайка гребного винта (W/ILLUS. 38 ORIGINAL FORCE P/N A286094-1)Деталей в узле: 1 цена по запросу
38 | Art.: шплинт Деталей в узле: 1 цена по запросу 39 | Art.: F521246-1 пробка водяного насоса Деталей в узле: 1 цена по запросу
40 | Art.: F7009 LOCK NUT, 10 - 24 Деталей в узле: 1 41 | Art.: FK1057 GEAR HOUSING SEAL KIT. (INCLUDES ALL ITEMS MARKED WITH A DOUBLE ASTERISK (**))Деталей в узле: 1 снято с производства 42 | Art.: шайба Деталей в узле: 1 цена по запросу 43 | Art.: WATER PUMP KIT. (INCLUDES ITEMS LISTED BELOW)Деталей в узле: 1 снято с производства 44 | Art.: HEX NUT Деталей в узле: 1 цена по запросу 45 | Art.: F601006 шпилька Деталей в узле: 1 снято с производства - | Art.: FA735060 BODY, WATER PUMP Деталей в узле: 1 - | Art.: F1504 FILL H.M.S. 1/4-20 X 1-1/4 Деталей в узле: 4 - | Art.: Уплотнение Деталей в узле: 1 - | Art.: Крыльчатка водяного насоса Деталей в узле: 1 |
