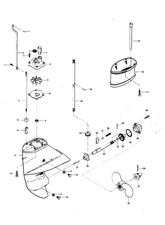
6 AND 8 H.P.
Корпус редуктора
Корпус редуктора
| № | Артикул | Наименование | Деталей в узле | Комментарий | Цена | |
| 1 | SPRING PIN | 1 | цена по запросу | |||
| 2 | уплотнение водяного насоса | 1 | 5330 руб. | |||
| 3 | SEAL, INLET WATER LINE | 1 | снято с производства | |||
| 4 | FLAT HD SCREW, 1/4 - 20 X 1 1/8 | 4 | снято с производства | |||
| 5 | GEAR SHIFT ROD UPPER | 1 | снято с производства | |||
| 6 | WATER PUMP BODY W/WATER PUMP SEAL | 1 | снято с производства | |||
| 7 | SOCKET HD SCREW W/WASHER, 10 - 24 X 1/2 | 1 | снято с производства | |||
| 8 | SEAL, DRIVESHAFT | 1 | 5330 руб. | |||
| 9 | WATER PUMP IMPELLER | 1 | цена по запросу | |||
| 10 | WATER PUMP BACK PLATE | 1 | 1990 руб. | |||
| 11 | GEAR SHIFT ROD LOWER, FOR STANDARD SHAFT MODELS | 1 | цена по запросу | |||
| 12 | SEAL, GEAR SHIFT ROD LOWER | 1 | ||||
| 13 | CLUTCH, SHIFT CAM | 1 | снято с производства | |||
| 14 | Корпус редуктора | 1 | W/BEARINGS AND ITEMS 8, 12, 16 AND 17 | снято с производства | ||
| 15 | HEX HD SCREW, 5/16 - 18 X 1 1/4 | 8 | 980 руб. | |||
| 16 | GEAR HOUSING PLUG | 2 | цена по запросу | |||
| 17 | NYLTITE WASHER | 2 | цена по запросу | |||
| 18 | PROPELLER (6 H.P.) (ACCESSORY ITEM) | 1 | снято с производства | |||
| 19 | PROPELLER NUT W/COTTER PIN | 1 | цена по запросу | |||
| 20 | шплинт | 1 | цена по запросу | |||
| 21 | CLUTCH SHIFT PIN | 1 | снято с производства | |||
| 22 | BEVEL GEAR W/BEARING | 1 | снято с производства | |||
| 23 | вал гребного винта | 1 | W/ITEMS 27 AND 30 | снято с производства | ||
| 24 | BEVEL GEAR W/BEARING | 1 | снято с производства | |||
| 25 | SEAL, PROPELLER SHAFT BEARING CAGE | 1 | снято с производства | |||
| 26 | PROPELLER SHAFT BEARING CAGE W/BEARING AND SEAL | 1 | снято с производства | |||
| 27 | шайба | 1 | снято с производства | |||
| 28 | FILL HD SCREW, 1/4 - 20 X 9/16 | 2 | цена по запросу | |||
| 29 | PROPELLER PIN, PACK OF 3 | 1 | 1710 руб. | |||
| 30 | CLUTCH SPRING | 1 | снято с производства | |||
| 31 | PIN, CLUTCH GUIDE | 1 | снято с производства | |||
| 32 | муфта сцепления | 1 | снято с производства | |||
| 33 | GEAR, BEVEL PINION | 1 | снято с производства | |||
| 34 | DRIVESHAFT, FOR STANDARD SHAFT MODELS | 1 | снято с производства | |||
| 35 | WATER PUMP IMPELLER DRIVE PIN | 1 | снято с производства | |||
| 36 | MOTOR LEG EXTENSION, FOR LONG SHAFT MODELS | 1 | снято с производства | |||
| 37 | INLET WATER LINE EXTENSION, FOR LONG SHAFT MODELS | 1 | снято с производства | |||
| - | DRIVESHAFT, FOR LONG SHAFT MODELS | 1 | снято с производства | |||
| - | PROPELLER (8 H.P.) (ACCESSORY ITEM) | 1 | ||||
| - | GEAR SHIFT ROD LOWER, FOR LONG SHAFT MODELS | 1 | снято с производства | |||
| - | GEAR HOUSING COMPLETE (NOT SHOWN) | 1 | INCLUDES ALL ITEMS MARKED WITH AN ASTERISK (*). | снято с производства | ||
| 1 | Art.: SPRING PIN Деталей в узле: 1 цена по запросу 2 | Art.: F318307 уплотнение водяного насоса Деталей в узле: 1 3 | Art.: FA510914 SEAL, INLET WATER LINE Деталей в узле: 1 снято с производства 4 | Art.: F1150 FLAT HD SCREW, 1/4 - 20 X 1 1/8 Деталей в узле: 4 снято с производства 5 | Art.: F318615 GEAR SHIFT ROD UPPER Деталей в узле: 1 снято с производства 6 | Art.: 46-818010A1 WATER PUMP BODY W/WATER PUMP SEAL Деталей в узле: 1 снято с производства 7 | Art.: F1976 SOCKET HD SCREW W/WASHER, 10 - 24 X 1/2 Деталей в узле: 1 снято с производства 8 | Art.: F318307 SEAL, DRIVESHAFT Деталей в узле: 1 9 | Art.: WATER PUMP IMPELLER Деталей в узле: 1 цена по запросу 10 | Art.: F341562 WATER PUMP BACK PLATE Деталей в узле: 1 11 | Art.: GEAR SHIFT ROD LOWER, FOR STANDARD SHAFT MODELS Деталей в узле: 1 цена по запросу 12 | Art.: -318618 SEAL, GEAR SHIFT ROD LOWER Деталей в узле: 1 13 | Art.: F387721 CLUTCH, SHIFT CAM Деталей в узле: 1 снято с производства 14 | Art.: FA430054 Корпус редуктора (W/BEARINGS AND ITEMS 8, 12, 16 AND 17)Деталей в узле: 1 снято с производства 15 | Art.: F430732 HEX HD SCREW, 5/16 - 18 X 1 1/4 Деталей в узле: 8 16 | GEAR HOUSING PLUG Деталей в узле: 2 цена по запросу 17 | Art.: NYLTITE WASHER Деталей в узле: 2 цена по запросу 18 | Art.: FP487 PROPELLER (6 H.P.) (ACCESSORY ITEM) Деталей в узле: 1 снято с производства 19 | Art.: PROPELLER NUT W/COTTER PIN Деталей в узле: 1 цена по запросу
20 | Art.: шплинт Деталей в узле: 1 цена по запросу 21 | Art.: F901728 CLUTCH SHIFT PIN Деталей в узле: 1 снято с производства 22 | Art.: 43-817770A3 BEVEL GEAR W/BEARING Деталей в узле: 1 снято с производства 23 | Art.: FA409098 вал гребного винта (W/ITEMS 27 AND 30)Деталей в узле: 1 снято с производства 24 | Art.: 43-817770A3 BEVEL GEAR W/BEARING Деталей в узле: 1 снято с производства 25 | Art.: F286305 SEAL, PROPELLER SHAFT BEARING CAGE Деталей в узле: 1 снято с производства 26 | Art.: 31-818051A1 PROPELLER SHAFT BEARING CAGE W/BEARING AND SEAL Деталей в узле: 1 снято с производства 27 | Art.: F317717 шайба Деталей в узле: 1 снято с производства 28 | Art.: FILL HD SCREW, 1/4 - 20 X 9/16 Деталей в узле: 2 цена по запросу 29 | Art.: FA324101 PROPELLER PIN, PACK OF 3 Деталей в узле: 1 30 | Art.: F409719 CLUTCH SPRING Деталей в узле: 1 снято с производства 31 | Art.: F318372 PIN, CLUTCH GUIDE Деталей в узле: 1 снято с производства 32 | Art.: F409521 муфта сцепления Деталей в узле: 1 снято с производства 33 | Art.: F318266 GEAR, BEVEL PINION Деталей в узле: 1 снято с производства 34 | Art.: DRIVESHAFT, FOR STANDARD SHAFT MODELS Деталей в узле: 1 снято с производства 35 | Art.: F50563 WATER PUMP IMPELLER DRIVE PIN Деталей в узле: 1 снято с производства 36 | Art.: FA487845 MOTOR LEG EXTENSION, FOR LONG SHAFT MODELS Деталей в узле: 1 |
