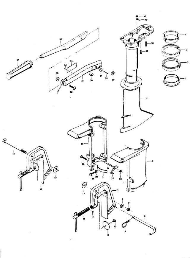
5 H.P.
MOTOR LEG
MOTOR LEG
| № | Артикул | Наименование | Деталей в узле | Комментарий | Цена | |
| 1 | BEARING, SWIVEL BRACKET | 2 | цена по запросу | |||
| 2 | SHOCK MOUNT UPPER | 1 | снято с производства | |||
| 3 | SHOCK MOUNT LOWER | 1 | снято с производства | |||
| 4 | MOTOR LEG | 1 | снято с производства | |||
| 5 | SWIVEL BRACKET, PORT | 1 | цена по запросу | |||
| 6 | PLAIN WASHER | 1 | цена по запросу | |||
| 7 | STOP NUT | 1 | снято с производства | |||
| 8 | LOCK BAR | 1 | снято с производства | |||
| 9 | HAIR PIN COTTER | 1 | цена по запросу | |||
| 10 | шпилька | 2 | снято с производства | |||
| 11 | CLAMP SCREW FOOT | 2 | снято с производства | |||
| 12 | STERN BRACKET W/CLAMP SCREW & FOOT | 2 | цена по запросу | |||
| 13 | SPRING PIN | 2 | снято с производства | |||
| 14 | STERN BRACKET CLAMP SCREW W/FOOT & STUD | 2 | снято с производства | |||
| 17 | PLAIN WASHER | 2 | цена по запросу | |||
| 18 | PIVOT BOLT | 1 | снято с производства | |||
| 19 | HEX CAP SCREW, 1/4 - 20 X 3/4 | 1 | снято с производства | |||
| 20 | HEX NUT, 1/4 - 20 | 1 | цена по запросу | |||
| 21 | PLATE, STEERING FRICTION | 1 | снято с производства | |||
| 22 | фиксатор заднего хода | 1 | снято с производства | |||
| 23 | пружина фиксатора заднего хода | 1 | цена по запросу | |||
| 24 | PIN, REVERSE LOCK | 1 | снято с производства | |||
| 25 | PHILLIPS HD SCREW, 1/4 - 20 X 1 | 4 | снято с производства | |||
| 26 | SWIVEL BRACKET, STARBOARD | 1 | цена по запросу | |||
| 27 | HEX NUT | 2 | цена по запросу | |||
| 28 | PROP PIN, PACK OF 6 W/COTTER PIN | 1 | снято с производства | |||
| 29 | GROMMET, SHEAR PIN | 1 | снято с производства | |||
| 30 | проставка кронштейна ручки рулевого управления | 2 | снято с производства | |||
| 31 | кронштейн ручки рулевого управления | 1 | снято с производства | |||
| 32 | ROUND HD SCREW, 5/16 - 18 X 1 | 1 | снято с производства | |||
| 33 | LOCK NUT | 1 | цена по запросу | |||
| 34 | ROUND HD DRIVE SCREW, 2 X 3/16 | 2 | цена по запросу | |||
| 35 | IDENTIFICATION PLATE W/SCREWS - U.S.A. | 1 | снято с производства | |||
| 36 | ручка рулевого управления | 1 | снято с производства | |||
| 37 | рукоятка ручки рулевого управления | 1 | снято с производства | |||
| 38 | SLOTTED HEX HD SCREW, 1/4 - 20 X 3/4 | 8 | цена по запросу | |||
| 39 | PAN HD SCREW, 10 - 24 X 1/2 | 1 | цена по запросу | |||
| 40 | CLAMP, WATER LINE | 1 | снято с производства | |||
| 41 | LOCK NUT | 1 | 310 руб. | |||
| - | DECAL, INSTRUCTION, (NOT SHOWN) | 1 | снято с производства | |||
| 1 | Art.: BEARING, SWIVEL BRACKET Деталей в узле: 2 цена по запросу 2 | Art.: FA468347 SHOCK MOUNT UPPER Деталей в узле: 1 снято с производства 3 | Art.: SHOCK MOUNT LOWER Деталей в узле: 1 снято с производства 4 | Art.: FA494133 MOTOR LEG Деталей в узле: 1 снято с производства 5 | SWIVEL BRACKET, PORT Деталей в узле: 1 цена по запросу 6 | Art.: PLAIN WASHER Деталей в узле: 1 цена по запросу 7 | Art.: STOP NUT Деталей в узле: 1 снято с производства 8 | Art.: LOCK BAR Деталей в узле: 1 снято с производства 9 | Art.: HAIR PIN COTTER Деталей в узле: 1 цена по запросу
10 | Art.: F66480 шпилька Деталей в узле: 2 снято с производства 11 | Art.: F24074 CLAMP SCREW FOOT Деталей в узле: 2 снято с производства 12 | STERN BRACKET W/CLAMP SCREW & FOOT Деталей в узле: 2 цена по запросу 13 | Art.: SPRING PIN Деталей в узле: 2 снято с производства 14 | Art.: FA28073-1 STERN BRACKET CLAMP SCREW W/FOOT & STUD Деталей в узле: 2 снято с производства 17 | Art.: F2037 PLAIN WASHER Деталей в узле: 2 цена по запросу
18 | Art.: F468037-1 PIVOT BOLT Деталей в узле: 1 снято с производства 19 | Art.: F2038 HEX CAP SCREW, 1/4 - 20 X 3/4 Деталей в узле: 1 снято с производства 20 | Art.: HEX NUT, 1/4 - 20 Деталей в узле: 1 цена по запросу 21 | Art.: F468775 PLATE, STEERING FRICTION Деталей в узле: 1 снято с производства 22 | Art.: F468349 фиксатор заднего хода Деталей в узле: 1 снято с производства 23 | Art.: пружина фиксатора заднего хода Деталей в узле: 1 цена по запросу 24 | Art.: F468350 PIN, REVERSE LOCK Деталей в узле: 1 снято с производства 25 | Art.: F2035 PHILLIPS HD SCREW, 1/4 - 20 X 1 Деталей в узле: 4 снято с производства 26 | SWIVEL BRACKET, STARBOARD Деталей в узле: 1 цена по запросу 27 | Art.: HEX NUT Деталей в узле: 2 цена по запросу 28 | Art.: FK243 PROP PIN, PACK OF 6 W/COTTER PIN Деталей в узле: 1 снято с производства 29 | Art.: F53991-2 GROMMET, SHEAR PIN Деталей в узле: 1 снято с производства 30 | Art.: F25281 проставка кронштейна ручки рулевого управления Деталей в узле: 2 снято с производства 31 | Art.: F23078-1 кронштейн ручки рулевого управления Деталей в узле: 1 снято с производства 32 | Art.: F1322 ROUND HD SCREW, 5/16 - 18 X 1 Деталей в узле: 1 снято с производства 33 | Art.: LOCK NUT Деталей в узле: 1 цена по запросу 34 | Art.: ROUND HD DRIVE SCREW, 2 X 3/16 Деталей в узле: 2 цена по запросу 35 | Art.: FA77395-5 IDENTIFICATION PLATE W/SCREWS - U.S.A. Деталей в узле: 1 |
