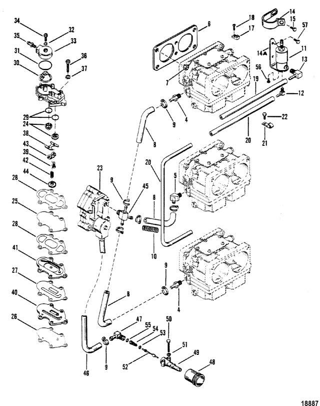
150 H.P. XR-2 MARATHON MAGNUM (V-6) (1978-1985 COMBINED BOOK)
топливный насос и карбюратор
топливный насос и карбюратор
| № | Артикул | Наименование | Деталей в узле | Комментарий | Цена | |
| 1 | Карбюратор | 1 | (TOP- WH-29) | снято с производства | ||
| 1 | Карбюратор | 1 | (TOP- WH-12) | снято с производства | ||
| 1 | карбюратор | 3 | (WH-9) | снято с производства | ||
| 2 | Карбюратор | 1 | (CENTER- WH-12) | снято с производства | ||
| 2 | Карбюратор | 1 | (CENTER- WH-29) | снято с производства | ||
| 3 | Карбюратор | 1 | (BOTTOM- WH-12) | снято с производства | ||
| 3 | Карбюратор | 1 | (BOTTOM- WH-29) | снято с производства | ||
| 4 | впускной топливный фиттинг верхний и нижний | 2 | снято с производства | |||
| 5 | впускной топливный фиттинг средний | 1 | цена по запросу | |||
| 6 | Прокладка | 3 | SN# USA-5503246/AUS-8062734 & Below | 210 руб. | ||
| 6 | Прокладка | 3 | SN# USA-5503247/MA-5600162 & Up | 220 руб. | ||
| 7 | гайка крепления карбюратора (1/4-28X7/32) | 12 | цена по запросу | |||
| 8 | топливопровод от карбюратора к топливному насосу (длина 57") | 3 | цена по запросу | |||
| 9 | зажим топливного шланга | 3 | снято с производства | |||
| 10 | прудина топливопровода | 1 | снято с производства | |||
| 11 | клапан обогащения смеси в сборе | 1 | SN# ME-5503247/MA-5600162 & Up | 28200 руб. | ||
| 12 | соединитель нижний | 1 | SN# 6616990 & Below | снято с производства | ||
| 13 | CONNECTOR, SIDE | 1 | SN# ME-6443212/MA-6443818 THRU 6616990 | цена по запросу | ||
| 13 | CONNECTOR, SIDE | 1 | SN# ME-6042946/MA-6038681 THRU ME-6443212/MA-6443817 | снято с производства | ||
| 13 | CONNECTOR, (90 Degree), SIDE | 1 | SN# ME-5503247/MA-5600162 THRU ME-6042945/MA-6038680 | 1950 руб. | ||
| 14 | больше не поставляется, зажим клапана обогащения смеси | 1 | SN# ME-6443212/MA-6443818 THRU 6616990 | |||
| 14 | зажим клапана обогащения смеси | 1 | SN# 6616991 & Up | цена по запросу | ||
| 14A | кронштейн клапана обогащения смеси | 1 | SN# ME-5503247/MA-5600162 THRU ME-6443212/MA-6443817 | снято с производства | ||
| 15 | винт зажима клапана (.250-20 x 1.500) нержавеющая сталь | 1 | SN# ME-6443213/MA-6443818 & Up | 390 руб. | ||
| 17 | TERMINAL BLOCK | 1 | 290 руб. | |||
| 18 | Винт (#10-16 x 0.500) | 2 | снято с производства | |||
| 19 | Шланг | 1 | SN# ME-5503247/MA-5600162 THRU ME-6443212/MA-6443817 | 1750 руб. | ||
| 19 | труба (длина 20") | 1 | SN# ME-6443213/MA-6443818 & Up | 5780 руб. | ||
| 20 | труба от карбюратора к карбюратору (длина 36") | 2 | 4110 руб. | |||
| 21 | J-образный зажим | 1 | 1030 руб. | |||
| 22 | винт (0.312-18 x 0.500) | 1 | 220 руб. | |||
| 23 | Топливный насос в сборе | 1 | снято с производства | |||
| 24 | обратный клапан в сборе | 1 | 3690 руб. | |||
| 25 | Диафрагма в сборе | 1 | 1720 руб. | |||
| 26 | NSS | Не продается по отдельности, прокладка | 1 | |||
| 27 | NSS | Не продается по отдельности, прокладка | 1 | |||
| 28 | NSS | Не продается по отдельности, прокладка | 2 | |||
| 29 | NSS | Не продается по отдельности, прокладка | 2 | |||
| 30 | Экран | 1 | 690 руб. | |||
| 31 | уплотнительное кольцо (1.237 x .103) | 1 | 270 руб. | |||
| 32 | NSS | Не продается по отдельности, прокладка | 1 | |||
| 33 | крышка топливного фильтра в сборе | 1 | снято с производства | |||
| 34 | винт (#10-32 x .620) нержавеющая сталь | 1 | 230 руб. | |||
| 35 | угловой фиттинг - 45 градусов | 1 | (45 Degrees) | цена по запросу | ||
| 35 | прямой фиттинг | 1 | (NON OIL INJECTION) | 1280 руб. | ||
| 35 | угловой фиттинг - 45 градусов | 1 | SN# 5866776 & Below | цена по запросу | ||
| 35 | угловой фиттинг - 45 градусов | 1 | (OIL INJECTION) | 3540 руб. | ||
| 36 | винт (0.190-32 x 1.62) | 5 | 410 руб. | |||
| 37 | Стопорная шайба (#10), нержавеющая сталь | 5 | 120 руб. | |||
| 38 | фиксатор | 1 | снято с производства | |||
| 39 | винт (#6-32 x .500) | 2 | цена по запросу | |||
| 40 | основание | 1 | снято с производства | |||
| 41 | CHAMBER | 1 | SN# ME-5432022 & Up | снято с производства | ||
| 41 | PULSE CHAMBER | 1 | SN# ME-5432021 & Below | снято с производства | ||
| 42 | Пружина | 1 | 620 руб. | |||
| 43 | фиксатор | 1 | снято с производства | |||
| 44 | Крышка | 1 | 520 руб. | |||
| 45 | выпускной топливный фиттинг | 1 | снято с производства | |||
| 46 | Топливопровод в сборе | 1 | SN# 5866776 & Below | цена по запросу | ||
| 46 | LINE, (57.00 Inches Bulk), INLET | 1 | (NON OIL INJECTION) | цена по запросу | ||
| 47 | фиттинг топливопровода (.250-18) - 90 градусов | 1 | 5270 руб. | |||
| 48 | Уплотнение | 1 | снято с производства | |||
| 49 | BAYONET ASSEMBLY, Fuel | 1 | SN# 5866776 & Below | 10510 руб. | ||
| 49 | Переходник | 1 | цена по запросу | |||
| 50 | винт (0.250-20 x 1.250) | 1 | (1/4-20) | 210 руб. | ||
| 50 | винт | 1 | (1/4-28) | снято с производства | ||
| 51 | стопорная шайба (0.250), нержавеющая сталь | 1 | 90 руб. | |||
| 52 | STEM | 1 | снято с производства | |||
| 53 | уплотнительное кольцо | 1 | цена по запросу | |||
| 54 | Пружина | 1 | 440 руб. | |||
| 55 | шайба | 1 | 210 руб. | |||
| 56 | Винт крепления клапана к кронштейну | 2 | SN# ME-5503247/MA-5600162 THRU ME-6443212/MA-6443817 | снято с производства | ||
| 57 | винт кронштейна клапана (.250-20 x .500) нержавеющая сталь | 1 | SN# ME-5503247/MA-5600162 THRU ME-6443212/MA-6443817 | 200 руб. | ||
| 57 | винт кронштейна клапана (.250-20 x 1.375) | 1 | SN# ME-5503247/MA-5600162 THRU ME-6443212/MA-6443817 | 390 руб. | ||
| - | Набор прокладок | 1 | SN# 5866777 THRU 6042945 | снято с производства | ||
| - | Набор прокладок | 1 | SN# ME-6042946/MA-6038681 & Up | цена по запросу | ||
| - | больше не поставляется, набор прокладок | 1 | (Service Bulletin 81-8) SN# ME-5866776/MA-6038680 & Below | |||
| 1 | Art.: 1374-5643A97 Карбюратор ((TOP- WH-29))Деталей в узле: 1 снято с производства 1 | Art.: 1382-7563A4 Карбюратор ((TOP- WH-12))Деталей в узле: 1 снято с производства 1 | Art.: карбюратор ((WH-9))Деталей в узле: 3 снято с производства 2 | Art.: 1382-7563A5 Карбюратор ((CENTER- WH-12))Деталей в узле: 1 снято с производства 2 | Art.: 1374-5643A98 Карбюратор ((CENTER- WH-29))Деталей в узле: 1 снято с производства 3 | Art.: 1382-7563A6 Карбюратор ((BOTTOM- WH-12))Деталей в узле: 1 снято с производства 3 | Art.: 1374-5643A99 Карбюратор ((BOTTOM- WH-29))Деталей в узле: 1 снято с производства 4 | Art.: 1395-6232 впускной топливный фиттинг верхний и нижний Деталей в узле: 2 снято с производства 5 | Art.: впускной топливный фиттинг средний Деталей в узле: 1 цена по запросу 6 | Art.: 27-677511 Прокладка (SN# USA-5503246/AUS-8062734 & Below)Деталей в узле: 3 6 | Art.: Прокладка (SN# USA-5503247/MA-5600162 & Up)Деталей в узле: 3 7 | Art.: 11-20184 гайка крепления карбюратора (1/4-28X7/32) Деталей в узле: 12 цена по запросу
8 | топливопровод от карбюратора к топливному насосу (длина 57") Деталей в узле: 3 цена по запросу 9 | Art.: 54-68424 зажим топливного шланга Деталей в узле: 3 снято с производства 10 | Art.: 24-89808 прудина топливопровода Деталей в узле: 1 снято с производства 11 | Art.: 42859A2 клапан обогащения смеси в сборе (SN# ME-5503247/MA-5600162 & Up)Деталей в узле: 1 12 | Art.: 22-90275 соединитель нижний (SN# 6616990 & Below)Деталей в узле: 1 снято с производства 13 | Art.: 22-67902 CONNECTOR, SIDE (SN# ME-6443212/MA-6443818 THRU 6616990)Деталей в узле: 1 цена по запросу
13 | Art.: 22-99321 CONNECTOR, SIDE (SN# ME-6042946/MA-6038681 THRU ME-6443212/MA-6443817)Деталей в узле: 1 снято с производства 13 | Art.: 22-73817 CONNECTOR, (90 Degree), SIDE (SN# ME-5503247/MA-5600162 THRU ME-6042945/MA-6038680)Деталей в узле: 1 14 | Art.: -NLA больше не поставляется, зажим клапана обогащения смеси (SN# ME-6443212/MA-6443818 THRU 6616990)Деталей в узле: 1 14 | Art.: 54-63300 зажим клапана обогащения смеси (SN# 6616991 & Up)Деталей в узле: 1 цена по запросу
14A | Art.: 90345 кронштейн клапана обогащения смеси (SN# ME-5503247/MA-5600162 THRU ME-6443212/MA-6443817)Деталей в узле: 1 снято с производства 15 | Art.: 10-86885 винт зажима клапана (.250-20 x 1.500) нержавеющая сталь (SN# ME-6443213/MA-6443818 & Up)Деталей в узле: 1 17 | Art.: 45915 TERMINAL BLOCK Деталей в узле: 1 18 | Art.: 10-35519 Винт (#10-16 x 0.500) Деталей в узле: 2 снято с производства 19 | Art.: 32-9938779 Шланг (SN# ME-5503247/MA-5600162 THRU ME-6443212/MA-6443817)Деталей в узле: 1 19 | Art.: труба (длина 20") (SN# ME-6443213/MA-6443818 & Up)Деталей в узле: 1 20 | Art.: 32-9912688 труба от карбюратора к карбюратору (длина 36") Деталей в узле: 2 21 | Art.: 54-47483 J-образный зажим Деталей в узле: 1 22 | Art.: 10-88743 винт (0.312-18 x 0.500) Деталей в узле: 1 23 | Art.: 13453A1 Топливный насос в сборе Деталей в узле: 1 снято с производства 24 | Art.: 21-30430A8 обратный клапан в сборе Деталей в узле: 1 25 | Art.: 89031A2 Диафрагма в сборе Деталей в узле: 1 26 | Art.: -NSS Не продается по отдельности, прокладка Деталей в узле: 1 27 | Art.: -NSS Не продается по отдельности, прокладка Деталей в узле: 1 28 | Art.: -NSS Не продается по отдельности, прокладка Деталей в узле: 2 29 | Art.: -NSS Не продается по отдельности, прокладка Деталей в узле: 2 30 | Art.: 35-59072 Экран Деталей в узле: 1 31 | Art.: 25-35480 уплотнительное кольцо (1.237 x .103) Деталей в узле: 1 32 | Art.: -NSS Не продается по отдельности, прокладка Деталей в узле: 1 33 | Art.: 35-91078A1 крышка топливного фильтра в сборе Деталей в узле: 1 снято с производства 34 | Art.: 10-89766 винт (#10-32 x .620) нержавеющая сталь Деталей в узле: 1 35 | Art.: угловой фиттинг - 45 градусов ((45 Degrees))Деталей в узле: 1 цена по запросу
35 | Art.: 22-64705 прямой фиттинг ((NON OIL INJECTION))Деталей в узле: 1 35 | Art.: угловой фиттинг - 45 градусов (SN# 5866776 & Below)Деталей в узле: 1 цена по запросу
35 | Art.: 22-70007 угловой фиттинг - 45 градусов ((OIL INJECTION))Деталей в узле: 1 36 | Art.: 10-88447 винт (0.190-32 x 1.62) Деталей в узле: 5 37 | Art.: 13-26996 Стопорная шайба (#10), нержавеющая сталь Деталей в узле: 5 38 | Art.: 23004 фиксатор Деталей в узле: 1 снято с производства 39 | Art.: 10-43723 винт (#6-32 x .500) Деталей в узле: 2 цена по запросу
40 | Art.: 67623 основание Деталей в узле: 1 снято с производства 41 | Art.: 86449 CHAMBER (SN# ME-5432022 & Up)Деталей в узле: 1 снято с производства 41 | Art.: 79826 PULSE CHAMBER (SN# ME-5432021 & Below)Деталей в узле: 1 снято с производства 42 | Art.: 24-86207 Пружина Деталей в узле: 1 43 | Art.: 86026 фиксатор Деталей в узле: 1 снято с производства 44 | Art.: 86252 Крышка Деталей в узле: 1 45 | Art.: 22-67620 выпускной топливный фиттинг Деталей в узле: 1 снято с производства 46 | Топливопровод в сборе (SN# 5866776 & Below)Деталей в узле: 1 цена по запросу 46 | LINE, (57.00 Inches Bulk), INLET ((NON OIL INJECTION))Деталей в узле: 1 цена по запросу 47 | Art.: фиттинг топливопровода (.250-18) - 90 градусов Деталей в узле: 1 48 | Art.: 92037 Уплотнение Деталей в узле: 1 снято с производства 49 | Art.: BAYONET ASSEMBLY, Fuel (SN# 5866776 & Below)Деталей в узле: 1 49 | Art.: 30186 Переходник Деталей в узле: 1 цена по запросу
50 | Art.: 10-76596 винт (0.250-20 x 1.250) ((1/4-20))Деталей в узле: 1 50 | Art.: 10-69224 винт ((1/4-28))Деталей в узле: 1 снято с производства 51 | Art.: 13-26992 стопорная шайба (0.250), нержавеющая сталь Деталей в узле: 1 52 | Art.: 30187 STEM Деталей в узле: 1 снято с производства 53 | Art.: уплотнительное кольцо Деталей в узле: 1 цена по запросу 54 | Art.: 24-30189 Пружина Деталей в узле: 1 55 | Art.: 30188 шайба Деталей в узле: 1 56 | Art.: 10-89075 Винт крепления клапана к кронштейну (SN# ME-5503247/MA-5600162 THRU ME-6443212/MA-6443817)Деталей в узле: 2 снято с производства 57 | Art.: 10-73286 винт кронштейна клапана (.250-20 x .500) нержавеющая сталь (SN# ME-5503247/MA-5600162 THRU ME-6443212/MA-6443817)Деталей в узле: 1 57 | Art.: 10-69067 винт кронштейна клапана (.250-20 x 1.375) (SN# ME-5503247/MA-5600162 THRU ME-6443212/MA-6443817)Деталей в узле: 1 - | Art.: 27-79583A81 Набор прокладок (SN# 5866777 THRU 6042945)Деталей в узле: 1 снято с производства - | Art.: 27-90484A88 Набор прокладок (SN# ME-6042946/MA-6038681 & Up)Деталей в узле: 1 цена по запросу
- | Art.: -NLA больше не поставляется, набор прокладок ((Service Bulletin 81-8) SN# ME-5866776/MA-6038680 & Below)Деталей в узле: 1 | ||||||||||||||||||||||||||||||||||||||||||||||||||||||||||||||||||||||||||||||
