FORCE 1990 90 H.P. "B" MODELS
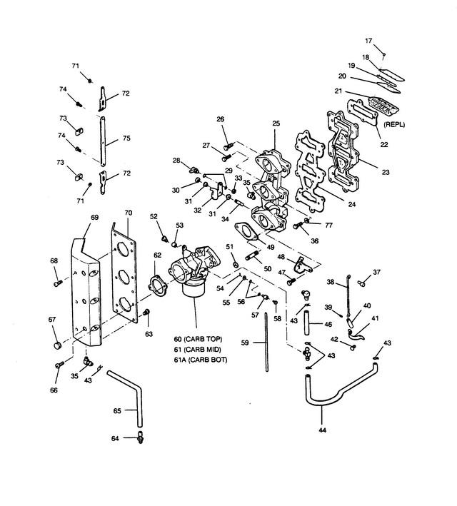
ADAPTER AND REED PLATE
ADAPTER AND REED PLATE
| № | Артикул | Наименование | Деталей в узле | Комментарий | Цена | |
| 17 | HD. SCREW W/LOCKWASHER, 6 - 32 X 5/16 | 18 | цена по запросу | |||
| 18 | REED STOP | 6 | снято с производства | |||
| 19 | SPACER, REED STOP | 6 | снято с производства | |||
| 20 | REED (5 PETAL) | 6 | цена по запросу | |||
| 21 | REED PLATE | 3 | снято с производства | |||
| 22 | GASKET REED PLATE ADAPTER | 3 | цена по запросу | |||
| 23 | REED PLATE ADAPTER | 1 | снято с производства | |||
| 24 | Прокладка впускного коллектора | 1 | 1500 руб. | |||
| 25 | впускной коллектор | 1 | снято с производства | |||
| 26 | HEX HD. SCREW, 1/4 - 20 X 7/8 | 7 | снято с производства | |||
| 27 | HEX HD. SCREW, 1/4 - 20 X 1-1/8 | 2 | снято с производства | |||
| 28 | BALL JOINT W/STUD | 1 | 2350 руб. | |||
| 29 | INTERNAL TOOTH LOCKWASHER | 2 | цена по запросу | |||
| 30 | STOP NUT, 1/4 - 20 | 1 | цена по запросу | |||
| 31 | Подшипник | 2 | снято с производства | |||
| 32 | дроссельный кулачок | 1 | снято с производства | |||
| 33 | HEX NUT, 10 - 32 | 1 | цена по запросу | |||
| 34 | шпилька | 1 | снято с производства | |||
| 35 | колено | 2 | снято с производства | |||
| 36 | HEX HD. SCREW, 1/4 - 20 X 1-1/2 | 6 | снято с производства | |||
| 37 | CHOKE ROD SWIVEL | 1 | снято с производства | |||
| 38 | тяга диффузора | 1 | снято с производства | |||
| 39 | GROOVE PIN | 1 | снято с производства | |||
| 40 | CHOKE SOLENOID PLUNGER | 1 | снято с производства | |||
| 41 | зажим | 1 | снято с производства | |||
| 42 | HEX HD. SCREW, 1/4 - 20 X 1/2 | 2 | цена по запросу | |||
| 43 | HOSE CLAMP | 6 | цена по запросу | |||
| 44 | Топливопровод | 1 | снято с производства | |||
| 46 | Топливопровод | 2 | цена по запросу | |||
| 47 | HEX HD. SCREW, 1/4 - 20 X 1 | 3 | 230 руб. | |||
| 48 | BRACKET INTERLOCK SWITCH | 1 | снято с производства | |||
| 49 | CARBURETOR GASKET | 3 | 150 руб. | |||
| 50 | CARBURETOR STUD | 6 | снято с производства | |||
| 51 | HEX NUT, 5/16 - 18 | 6 | цена по запросу | |||
| 52 | THROTTLE ROLLER SHAFT | 1 | снято с производства | |||
| 53 | THROTTLE ROLLER | 1 | снято с производства | |||
| 54 | шплинт | 3 | цена по запросу | |||
| 55 | PLAIN WASHER | 3 | цена по запросу | |||
| 56 | SEAL, CHOKE ARM SWIVEL | 6 | цена по запросу | |||
| 57 | CHOKE ARM SWIWEL | 2 | снято с производства | |||
| 58 | FILL HD. SCREWS, S.S., 6 - 32 X 1/4 | 3 | снято с производства | |||
| 59 | приводная штанга воздушной заслонки | 1 | снято с производства | |||
| 60 | CARBURETOR COMPLETE (TOP) WB-101B | 1 | цена по запросу | |||
| 61 | CARBURETOR COMPLETE (MIDDLE) WB-100B | 1 | цена по запросу | |||
| 61A | CARBURETOR COMPLETE (BOTTOM) WB-100B | 1 | цена по запросу | |||
| 62 | INTAKE GASKET | 3 | 260 руб. | |||
| 63 | PAN HD. SCREW, 10 - 24 X 3/8 | 6 | снято с производства | |||
| 64 | DRAIN FITTING W/METERING CUP | 1 | снято с производства | |||
| 65 | HOSE INTAKE DRAIN | 1 | снято с производства | |||
| 66 | FILL HD. SCREW, 1/4 - 20 X 1-1/4 | 3 | 260 руб. | |||
| 67 | резиновая втулка | 3 | снято с производства | |||
| 68 | FILL HD. SCREW, 1/4 - 20 X 1-3/4 | 3 | снято с производства | |||
| 69 | CARBURETOR, INTAKE | 1 | снято с производства | |||
| 70 | CARBURETOR INTAKE ADAPTER | 1 | снято с производства | |||
| 71 | стопорное кольцо | 3 | цена по запросу | |||
| 72 | TIE BAR END W/SWIVEL | 2 | снято с производства | |||
| 73 | TIE BAR RETAINER | 2 | 320 руб. | |||
| 74 | FILL HD. SCREWS, S.S., 8 - 32 X 3/8 | 2 | 130 руб. | |||
| 75 | THROTTLE TIE BAR W/SWIVEL | 1 | снято с производства | |||
| 77 | PLAIN WASHER | 1 | цена по запросу | |||
| 17 | Art.: HD. SCREW W/LOCKWASHER, 6 - 32 X 5/16 Деталей в узле: 18 цена по запросу
| ||||||||||||||||||||||||||||||||||||||||||||||||||||||||||||||||||||||||||||||||||||||||||||||||||||||
| 18 | Art.: F85161-1 REED STOP Деталей в узле: 6 снято с производства 19 | Art.: F523451 SPACER, REED STOP Деталей в узле: 6 снято с производства 20 | Art.: F530160 REED (5 PETAL) Деталей в узле: 6 цена по запросу
21 | Art.: 818108A1 REED PLATE Деталей в узле: 3 снято с производства 22 | Art.: GASKET REED PLATE ADAPTER Деталей в узле: 3 цена по запросу 23 | REED PLATE ADAPTER Деталей в узле: 1 снято с производства 24 | Art.: F85159-1 Прокладка впускного коллектора Деталей в узле: 1 25 | Art.: 817959A3 впускной коллектор Деталей в узле: 1 снято с производства 26 | Art.: F2008 HEX HD. SCREW, 1/4 - 20 X 7/8 Деталей в узле: 7 снято с производства 27 | Art.: F1699 HEX HD. SCREW, 1/4 - 20 X 1-1/8 Деталей в узле: 2 снято с производства 28 | Art.: BALL JOINT W/STUD Деталей в узле: 1 29 | Art.: F8058 INTERNAL TOOTH LOCKWASHER Деталей в узле: 2 цена по запросу
30 | Art.: STOP NUT, 1/4 - 20 Деталей в узле: 1 цена по запросу 31 | Art.: F269319 Подшипник Деталей в узле: 2 снято с производства 32 | Art.: F85192-1 дроссельный кулачок Деталей в узле: 1 снято с производства 33 | Art.: HEX NUT, 10 - 32 Деталей в узле: 1 цена по запросу 34 | Art.: F433209-1 шпилька Деталей в узле: 1 снято с производства 35 | Art.: 22-8181031 колено Деталей в узле: 2 снято с производства 36 | Art.: HEX HD. SCREW, 1/4 - 20 X 1-1/2 Деталей в узле: 6 снято с производства 37 | Art.: F85033 CHOKE ROD SWIVEL Деталей в узле: 1 снято с производства 38 | Art.: F85925 тяга диффузора Деталей в узле: 1 снято с производства 39 | Art.: F2033 GROOVE PIN Деталей в узле: 1 снято с производства 40 | Art.: F391926-1 CHOKE SOLENOID PLUNGER Деталей в узле: 1 снято с производства 41 | Art.: F85317-3 зажим Деталей в узле: 1 снято с производства 42 | Art.: HEX HD. SCREW, 1/4 - 20 X 1/2 Деталей в узле: 2 цена по запросу 43 | Art.: HOSE CLAMP Деталей в узле: 6 цена по запросу 44 | Топливопровод Деталей в узле: 1 снято с производства 46 | Топливопровод Деталей в узле: 2 цена по запросу 47 | Art.: HEX HD. SCREW, 1/4 - 20 X 1 Деталей в узле: 3 48 | Art.: F480551-1 BRACKET INTERLOCK SWITCH Деталей в узле: 1 снято с производства 49 | Art.: CARBURETOR GASKET Деталей в узле: 3 50 | Art.: CARBURETOR STUD Деталей в узле: 6 снято с производства 51 | Art.: HEX NUT, 5/16 - 18 Деталей в узле: 6 цена по запросу 52 | Art.: THROTTLE ROLLER SHAFT Деталей в узле: 1 снято с производства 53 | Art.: THROTTLE ROLLER Деталей в узле: 1 снято с производства 54 | Art.: шплинт Деталей в узле: 3 цена по запросу 55 | Art.: PLAIN WASHER Деталей в узле: 3 цена по запросу 56 | Art.: SEAL, CHOKE ARM SWIVEL Деталей в узле: 6 цена по запросу 57 | Art.: F184033-1 CHOKE ARM SWIWEL Деталей в узле: 2 снято с производства 58 | Art.: F1059 FILL HD. SCREWS, S.S., 6 - 32 X 1/4 Деталей в узле: 3 снято с производства 59 | Art.: F85509-1 приводная штанга воздушной заслонки Деталей в узле: 1 снято с производства 60 | Art.: CARBURETOR COMPLETE (TOP) WB-101B Деталей в узле: 1 цена по запросу 61 | Art.: CARBURETOR COMPLETE (MIDDLE) WB-100B Деталей в узле: 1 цена по запросу 61A | Art.: CARBURETOR COMPLETE (BOTTOM) WB-100B Деталей в узле: 1 цена по запросу 62 | Art.: F481836 INTAKE GASKET Деталей в узле: 3 63 | Art.: F1760 PAN HD. SCREW, 10 - 24 X 3/8 Деталей в узле: 6 снято с производства 64 | Art.: 22-817789A1 DRAIN FITTING W/METERING CUP Деталей в узле: 1 снято с производства 65 | HOSE INTAKE DRAIN Деталей в узле: 1 снято с производства 66 | Art.: F1504 FILL HD. SCREW, 1/4 - 20 X 1-1/4 Деталей в узле: 3 67 | Art.: F53504 резиновая втулка Деталей в узле: 3 снято с производства 68 | Art.: F1072 FILL HD. SCREW, 1/4 - 20 X 1-3/4 Деталей в узле: 3 снято с производства 69 | Art.: CARBURETOR, INTAKE Деталей в узле: 1 |
