90 HP A-MODELS (1990) FORCE
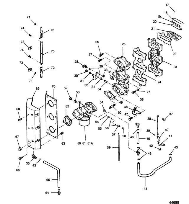
Adapter and Reed Plate
Adapter and Reed Plate
| № | Артикул | Наименование | Деталей в узле | Комментарий | Цена | |
| 17 | SCREW AND LOCKWASHER, Round Head, (6 - 32 x .312), #6 - 32 x .312 | 18 | цена по запросу | |||
| 18 | фиксатор лепесткового клапана | 6 | снято с производства | |||
| 19 | SPACER, REED STOP | 6 | снято с производства | |||
| 20 | REED (5 PETAL) | 6 | цена по запросу | |||
| 21 | REED PLATE ASSEMBLY | 3 | снято с производства | |||
| 22 | GASKET, Reed Plate Adaptor | 3 | цена по запросу | |||
| 23 | ADAPTER, Reed Plate | 1 | снято с производства | |||
| 24 | Прокладка впускного коллектора | 1 | 1500 руб. | |||
| 25 | Впускной коллектор в сборе | 1 | снято с производства | |||
| 26 | винт (0.250-20 x 0.875) | 7 | снято с производства | |||
| 27 | SCREW, Hex Head (.250-20 x 1.125) | 2 | снято с производства | |||
| 28 | BEARING, With Ball Joint | 1 | 2350 руб. | |||
| 29 | LOCKWASHER, Internal (#10) | 2 | цена по запросу | |||
| 30 | Гайка (0.250-20) | 1 | цена по запросу | |||
| 31 | Подшипник | 2 | снято с производства | |||
| 32 | кулачок дросселя | 1 | снято с производства | |||
| 33 | гайка (#10-32) | 1 | цена по запросу | |||
| 34 | STUD, (.250-20 x 1.250) | 1 | снято с производства | |||
| 35 | колено | 2 | снято с производства | |||
| 36 | SCREW, (.250-20 x 1.500) | 6 | снято с производства | |||
| 37 | SWIVEL, Choke Rod | 1 | снято с производства | |||
| 38 | ROD, Choke Solenoid | 1 | снято с производства | |||
| 39 | Канавчатый штифт | 1 | снято с производства | |||
| 40 | плунжер | 1 | снято с производства | |||
| 41 | зажим | 1 | снято с производства | |||
| 42 | SCREW, (.250-20 x .50) | 2 | цена по запросу | |||
| 43 | зажим | 6 | цена по запросу | |||
| 44 | топливопровод | 1 | снято с производства | |||
| 46 | Топливопровод в сборе | 2 | цена по запросу | |||
| 47 | винт (0.250-20 x 1.00) | 3 | 230 руб. | |||
| 48 | BRACKET, Interlock Switch | 1 | снято с производства | |||
| 49 | Прокладка | 3 | 150 руб. | |||
| 50 | шпилька | 6 | снято с производства | |||
| 51 | гайка (0.312-18) | 6 | цена по запросу | |||
| 52 | Вал | 1 | снято с производства | |||
| 53 | ролик | 1 | снято с производства | |||
| 54 | шплинт | 3 | цена по запросу | |||
| 55 | шайба | 3 | цена по запросу | |||
| 56 | SEAL, CHOKE ARM SWIVEL | 6 | цена по запросу | |||
| 57 | SWIVEL | 2 | снято с производства | |||
| 58 | SCREW, (#6-32 x .250) | 3 | снято с производства | |||
| 59 | приводная штанга воздушной заслонки | 1 | цена по запросу | |||
| 60 | CARBURETOR (TOP) WB-101A | 1 | цена по запросу | |||
| 61 | CARBURETOR (MIDDLE) WB-100A | 1 | цена по запросу | |||
| 61A | CARBURETOR (BOTTOM) WB-100A | 1 | цена по запросу | |||
| 62 | Прокладка | 3 | 260 руб. | |||
| 63 | винт (#10-24 x .375) | 6 | снято с производства | |||
| 64 | сливной фиттинг в сборе | 1 | снято с производства | |||
| 65 | Шланг | 1 | снято с производства | |||
| 66 | винт (0.250-20 x 1.250) | 3 | 260 руб. | |||
| 67 | резиновая втулка | 3 | снято с производства | |||
| 68 | SCREW, (.250-20 x 1.75) Fill Head | 3 | снято с производства | |||
| 69 | COVER, INTAKE | 1 | снято с производства | |||
| 70 | ADAPTER, Carburetor Intake | 1 | снято с производства | |||
| 71 | стопорное кольцо | 3 | цена по запросу | |||
| 72 | END ASSEMBLY | 2 | снято с производства | |||
| 73 | гайка (#8-32) | 2 | 320 руб. | |||
| 74 | винт (#8-32 x 0.375) | 2 | 130 руб. | |||
| 75 | BAR ASSEMBLY, Throttle | 1 | снято с производства | |||
| 77 | шайба | 1 | цена по запросу | |||
| 17 | Art.: SCREW AND LOCKWASHER, Round Head, (6 - 32 x .312), #6 - 32 x .312 Деталей в узле: 18 цена по запросу
| ||||||||||||||||||||||||||||||||||||||||||||||||||||||||||||||||||||||||||||||||||||||||||||||||||||
| 18 | Art.: 34-F85161-1 фиксатор лепесткового клапана Деталей в узле: 6 снято с производства 19 | Art.: F523451 SPACER, REED STOP Деталей в узле: 6 снято с производства 20 | Art.: 34-F530160 REED (5 PETAL) Деталей в узле: 6 цена по запросу
21 | Art.: 818108A1 REED PLATE ASSEMBLY Деталей в узле: 3 снято с производства 22 | Art.: GASKET, Reed Plate Adaptor Деталей в узле: 3 цена по запросу 23 | ADAPTER, Reed Plate Деталей в узле: 1 снято с производства 24 | Art.: 27-F85159-1 Прокладка впускного коллектора Деталей в узле: 1 25 | Art.: 817959A3 Впускной коллектор в сборе Деталей в узле: 1 снято с производства 26 | Art.: 10-F2008 винт (0.250-20 x 0.875) Деталей в узле: 7 снято с производства 27 | Art.: 10-F1699 SCREW, Hex Head (.250-20 x 1.125) Деталей в узле: 2 снято с производства 28 | Art.: BEARING, With Ball Joint Деталей в узле: 1 29 | Art.: 13-F8058 LOCKWASHER, Internal (#10) Деталей в узле: 2 цена по запросу
30 | Art.: Гайка (0.250-20) Деталей в узле: 1 цена по запросу 31 | Art.: 23-F269319 Подшипник Деталей в узле: 2 снято с производства 32 | Art.: F85192-1 кулачок дросселя Деталей в узле: 1 снято с производства 33 | Art.: гайка (#10-32) Деталей в узле: 1 цена по запросу 34 | Art.: 16-F433209-1 STUD, (.250-20 x 1.250) Деталей в узле: 1 снято с производства 35 | Art.: 22-8181031 колено Деталей в узле: 2 снято с производства 36 | Art.: SCREW, (.250-20 x 1.500) Деталей в узле: 6 снято с производства 37 | Art.: F85033 SWIVEL, Choke Rod Деталей в узле: 1 снято с производства 38 | Art.: F85925 ROD, Choke Solenoid Деталей в узле: 1 снято с производства 39 | Art.: 17-F2033 Канавчатый штифт Деталей в узле: 1 снято с производства 40 | Art.: F391926-1 плунжер Деталей в узле: 1 снято с производства 41 | Art.: 54-F85317-3 зажим Деталей в узле: 1 снято с производства 42 | Art.: SCREW, (.250-20 x .50) Деталей в узле: 2 цена по запросу 43 | Art.: зажим Деталей в узле: 6 цена по запросу 44 | топливопровод Деталей в узле: 1 снято с производства 46 | Топливопровод в сборе Деталей в узле: 2 цена по запросу 47 | Art.: винт (0.250-20 x 1.00) Деталей в узле: 3 48 | Art.: F480551-1 BRACKET, Interlock Switch Деталей в узле: 1 снято с производства 49 | Art.: Прокладка Деталей в узле: 3 50 | Art.: шпилька Деталей в узле: 6 снято с производства 51 | Art.: гайка (0.312-18) Деталей в узле: 6 цена по запросу 52 | Art.: Вал Деталей в узле: 1 снято с производства 53 | Art.: ролик Деталей в узле: 1 снято с производства 54 | Art.: шплинт Деталей в узле: 3 цена по запросу 55 | Art.: шайба Деталей в узле: 3 цена по запросу 56 | Art.: SEAL, CHOKE ARM SWIVEL Деталей в узле: 6 цена по запросу 57 | Art.: F184033-1 SWIVEL Деталей в узле: 2 снято с производства 58 | Art.: 10-F1059 SCREW, (#6-32 x .250) Деталей в узле: 3 снято с производства 59 | Art.: приводная штанга воздушной заслонки Деталей в узле: 1 цена по запросу 60 | Art.: CARBURETOR (TOP) WB-101A Деталей в узле: 1 цена по запросу 61 | Art.: CARBURETOR (MIDDLE) WB-100A Деталей в узле: 1 цена по запросу 61A | Art.: CARBURETOR (BOTTOM) WB-100A Деталей в узле: 1 цена по запросу 62 | Art.: 27-F481836 Прокладка Деталей в узле: 3 63 | Art.: 10-F1760 винт (#10-24 x .375) Деталей в узле: 6 снято с производства 64 | Art.: 22-817789A1 сливной фиттинг в сборе Деталей в узле: 1 снято с производства 65 | Шланг Деталей в узле: 1 снято с производства 66 | Art.: 10-F1504 винт (0.250-20 x 1.250) Деталей в узле: 3 67 | Art.: 25-F53504 резиновая втулка Деталей в узле: 3 снято с производства 68 | Art.: 10-F1072 SCREW, (.250-20 x 1.75) Fill Head Деталей в узле: 3 |
