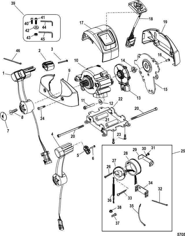
REMOTE CONTROL SYSTEMS AND COMPONENTS
Remote Control-DTS, Single Handle/Console
Remote Control-DTS, Single Handle/Console
| № | Артикул | Наименование | Деталей в узле | Комментарий | Цена | |
| 1 | HANDLE ASSEMBLY, Left-Single, Chrome | 1 | цена по запросу | |||
| 1 | HANDLE ASSEMBLY, Left-Single, Black | 1 | цена по запросу | |||
| 2 | CAP KIT, Handle (Black) | 1 | Use on 877741A06 | цена по запросу | ||
| 2 | CAP KIT, Handle (Chrome) | 1 | Use on 877741A05 | 1990 руб. | ||
| 3 | SCREW, (M4 x 40) | 1 | 170 руб. | |||
| 4 | HANDLE ASSEMBLY, Left - No Trim - Chrome | 1 | цена по запросу | |||
| 5 | CAP KIT, Handle (Black) | 1 | 1730 руб. | |||
| 6 | SCREW, (M4 x 20) | 1 | 120 руб. | |||
| 7 | EMBLEM, Mercury | 1 | 450 руб. | |||
| 8 | Винт (M8 x 30) | 1 | 470 руб. | |||
| 9 | COVER, Side (Chrome With Gaskets) | 1 | 4380 руб. | |||
| 10 | MODULE ASSEMBLY, Shift and Throttle, Housing | 1 | 31850 руб. | |||
| 11 | винт (M6 x 45) | 1 | 1620 руб. | |||
| 12 | шайба (0.281 x 0.500 x 0.060) нержавеющая сталь | 1 | цена по запросу | |||
| 13 | SENSOR, Throttle/Shift | 1 | 24460 руб. | |||
| 14 | NYLINER, Flanged | 1 | 660 руб. | |||
| 15 | NSS  | Не продается по отдельности, пластина | 1 | |||
| 16 | Винт (M4 x 10) | 2 | 500 руб. | |||
| 17 | COVER, Top (Chrome With Gaskets) | 1 | цена по запросу | |||
| 18 | KEYPAD ASSEMBLY | 1 | цена по запросу | |||
| 19 | COVER, Side (Chrome With Gaskets) | 1 | 4380 руб. | |||
| 20 | Винт (M6 x 110) | 2 | 800 руб. | |||
| 21 | проставка | 2 | 530 руб. | |||
| 22 | NSS  | Не продается по отдельности, кронштейн | 1 | |||
| 23 | Винт (M5 x 16) | 4 | цена по запросу | |||
| 24 | SCREW, (M4 x 20) | 4 | 100 руб. | |||
| 25 | комплект шнура аварийного выключения двигателя | 1 | снято с производства | |||
| 26 | винт (0.190-16 x 1.750) нержавеющая сталь | 2 | 580 руб. | |||
| 27 | шнур аварийного выключения двигателя в сборе | 1 | снято с производства | |||
| 28 | ADAPTER, Switch Assembly | 1 | 2210 руб. | |||
| 29 | зажим крепления | 1 | 960 руб. | |||
| 30 | шайба (0.200 x 0.440 x 0.032) | 2 | 110 руб. | |||
| 31 | гайка (#10-32), нержавеющая сталь | 4 | 60 руб. | |||
| 32 | ленточный хомут (8") | AR | 40 руб. | |||
| 33 | винт (#10-32 x 2.00) нержавеющая сталь | 2 | 360 руб. | |||
| 34 | фиксатор | 1 | 630 руб. | |||
| 35 | Кабель в сборе | 1 | 600 руб. | |||
| 36 | шнур аварийного выключения двигателя в сборе | 1 | (Quicksilver Brand) | снято с производства | ||
| 36 | шнур аварийного выключения двигателя в сборе | 1 | (Mercury Brand) | снято с производства | ||
| 37 | винт (#10-32 x 0.250) | 1 | 130 руб. | |||
| 38 | гайка и стопорная шайба (#10-32) | 1 | 200 руб. | |||
| 39 | PARTS BAG ASSEMBLY, Mounting | 1 | 3090 руб. | |||
| 40 | SCREW, (M4 x 20) | 4 | 100 руб. | |||
| 41 | Винт (M6 x 40) | 4 | 300 руб. | |||
| 42 | шайба | 4 | цена по запросу | |||
| 43 | Гайка (М6), нержавеющая сталь | 4 | 350 руб. | |||
| 44 | WRENCH, Allen (2.5 mm) | 1 | цена по запросу | |||
| 45 | WRENCH, Allen (5.0 mm) | 1 | цена по запросу | |||
| 46 | ленточный хомут (4") | 1 | 20 руб. | |||
| - | REMOTE CONTROL, Single Handle, Console Without Trim (Chrome) | 1 | снято с производства | |||
| - | REMOTE CONTROL, Single Handle, Console (Black) | 1 | снято с производства | |||
| - | REMOTE CONTROL, Single Handle, Console (Chrome) | 1 | снято с производства | |||
| 1 | Art.:  HANDLE ASSEMBLY, Left-Single, Chrome Деталей в узле: 1 цена по запросу 
										 | ||||||||||||||||||||||||||||||||||||||||||||||||||||||||||||||||||||||||||||||||||||||||||||
| 1 | Art.:  HANDLE ASSEMBLY, Left-Single, Black Деталей в узле: 1 цена по запросу 
										 | ||||||||||||||||||||||||||||||||||||||||||||||||||||||||||||||||||||||||||||||||||||||||||||
| 2 | Art.: 877747T02 CAP KIT, Handle (Black)  (Use on 877741A06)Деталей в узле: 1 цена по запросу 
										 | ||||||||||||||||||||||||||||||||||||||||||||||||||||||||||||||||||||||||||||||||||||||||||||
| 2 | Art.: 877747T01 CAP KIT, Handle (Chrome)  (Use on 877741A05)Деталей в узле: 1 3 | Art.: 10-87775640 SCREW, (M4 x 40) Деталей в узле: 1 4 | Art.: 883131A02 HANDLE ASSEMBLY, Left - No Trim - Chrome Деталей в узле: 1 цена по запросу 
										5 | Art.: 877746T CAP KIT, Handle (Black) Деталей в узле: 1 6 | Art.: 10-87775620 SCREW, (M4 x 20) Деталей в узле: 1 7 | Art.: 37-877750 EMBLEM, Mercury Деталей в узле: 1 8 | Art.:  Винт (M8 x 30) Деталей в узле: 1 9 | Art.: 877752T01 COVER, Side (Chrome With Gaskets) Деталей в узле: 1 10 | Art.: 877724A02 MODULE ASSEMBLY, Shift and Throttle, Housing Деталей в узле: 1 11 | Art.: 10-4008845 винт (M6 x 45) Деталей в узле: 1 12 | Art.: 12-29245 шайба (0.281 x 0.500 x 0.060) нержавеющая сталь Деталей в узле: 1 цена по запросу 
										13 | Art.: 82-877736 SENSOR, Throttle/Shift Деталей в узле: 1 14 | Art.: 23-877771 NYLINER, Flanged Деталей в узле: 1 15 | Art.: -NSS Не продается по отдельности, пластина Деталей в узле: 1 16 | Art.: 10-87775510 Винт (M4 x 10) Деталей в узле: 2 17 | Art.: 877751T01 COVER, Top (Chrome With Gaskets) Деталей в узле: 1 цена по запросу 
										18 | Art.: 87-881192T01 KEYPAD ASSEMBLY Деталей в узле: 1 цена по запросу 
										19 | Art.: 877753T01 COVER, Side (Chrome With Gaskets) Деталей в узле: 1 20 | Art.: 10-40088110 Винт (M6 x 110) Деталей в узле: 2 21 | Art.: 23-881706 проставка Деталей в узле: 2 22 | Art.: -NSS Не продается по отдельности, кронштейн Деталей в узле: 1 23 | Art.: 10-87775916 Винт (M5 x 16) Деталей в узле: 4 цена по запросу 
										24 | Art.: 10-877754 SCREW, (M4 x 20) Деталей в узле: 4 25 | Art.: 87-19674Q2 комплект шнура аварийного выключения двигателя Деталей в узле: 1 снято с производства 26 | Art.: 10-18303 винт (0.190-16 x 1.750) нержавеющая сталь Деталей в узле: 2 27 | Art.: 87-19674A1 шнур аварийного выключения двигателя в сборе Деталей в узле: 1 снято с производства 28 | Art.: 813679 ADAPTER, Switch Assembly Деталей в узле: 1 29 | Art.: 18321 зажим крепления Деталей в узле: 1 30 | Art.: 12-24676 шайба (0.200 x 0.440 x 0.032) Деталей в узле: 2 31 | Art.: 11-68219 гайка (#10-32), нержавеющая сталь Деталей в узле: 4 32 | Art.: 54-816311T ленточный хомут (8") Деталей в узле: AR 33 | Art.: 10-32866 винт (#10-32 x 2.00) нержавеющая сталь Деталей в узле: 2 34 | Art.: 79146 фиксатор Деталей в узле: 1 35 | Art.: 84-11149A3 Кабель в сборе Деталей в узле: 1 36 | Art.: 15920Q54 шнур аварийного выключения двигателя в сборе  ((Quicksilver Brand))Деталей в узле: 1 снято с производства 36 | Art.: 15920T54 шнур аварийного выключения двигателя в сборе  ((Mercury Brand))Деталей в узле: 1 снято с производства 37 | Art.: 10-24231 винт (#10-32 x 0.250) Деталей в узле: 1 38 | Art.: 11-27164 гайка и стопорная шайба (#10-32) Деталей в узле: 1 39 | Art.:  PARTS BAG ASSEMBLY, Mounting Деталей в узле: 1 40 | Art.: 10-877754 SCREW, (M4 x 20) Деталей в узле: 4 41 | Art.: 10-4008840 Винт (M6 x 40) Деталей в узле: 4 42 | Art.: 12-4002316 шайба Деталей в узле: 4 цена по запросу 
										43 | Art.: 11-401386 Гайка (М6), нержавеющая сталь Деталей в узле: 4 44 | Art.: 91-88849025 WRENCH, Allen (2.5 mm) Деталей в узле: 1 цена по запросу 
										45 | Art.: 91-88849050 WRENCH, Allen (5.0 mm) Деталей в узле: 1 цена по запросу 
										46 | Art.: 56762 ленточный хомут (4") Деталей в узле: 1 - | Art.: 877775A4 REMOTE CONTROL, Single Handle, Console Without Trim (Chrome) Деталей в узле: 1  | 
