MERC 500
привод карбюратора и соленоид воздушной заслонки
привод карбюратора и соленоид воздушной заслонки
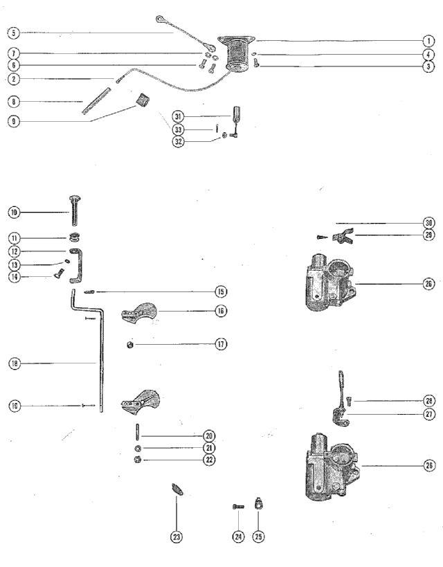
| № | Артикул | Наименование | Деталей в узле | Комментарий | Цена | |
| 1 | соленоид воздушной заслонки верхней части колпака | ,1 | снято с производства | |||
| 2 | DISCONNECT, KNIFE - CHOKE SOLENOID LEAD | ,1 | снято с производства | |||
| 3 | винт крепления соленоида воздушной заслонки к верхней части колпака | ,1 | снято с производства | |||
| 4 | стопорная шайба винта соленода воздушной заслонки | ,2 | 90 руб. | |||
| 5 | GROUND STRAP ASSEMBLY, CHOKE SOLENOID TO ADAPTOR | ,2 | снято с производства | |||
| 6 | винт крепления соленоида воздушной заслонки к верхней части колпака | ,1 | снято с производства | |||
| 7 | стопорная шайба винта соленода воздушной заслонки | ,1 | снято с производства | |||
| 8 | втулка провода соленоида воздушной заслонки | ,1 | снято с производства | |||
| 9 | "S" CLIP, CHOKE SOLENOID LEAD TO TOP COWL | ,1 | снято с производства | |||
| 10 | головка тяги воздушной заслонки | 1,1 | цена по запросу | |||
| 11 | GROMMET, CHOKE RD | 1,1 | 500 руб. | |||
| 12 | "U" LINK, CHOKE ROD TO CHOKE KNOB | ,1 | снято с производства | |||
| 13 | LOCKWASHER, "U" LINK SCREW | ,1 | 120 руб. | |||
| 14 | SCREW, "U" LINK TO CHOKE KNOB | ,1 | цена по запросу | |||
| 15 | COTTER PIN, "U" LINK TO CHOKE ROD | ,1 | цена по запросу | |||
| 16 | воздушная заслонка карбюратора | 2, | снято с производства | |||
| 16 | воздушная заслонка карбюратора | ,1 | снято с производства | |||
| 16 | воздушная заслонка верхнего карбюратора | ,1 | снято с производства | |||
| 17 | BUSHING, NYLON-UPPER CHOKE SHUTTER | ,1 | снято с производства | |||
| 18 | тяга воздушной заслонки | 1, | снято с производства | |||
| 18 | тяга воздушной заслонки | ,1 | снято с производства | |||
| 19 | заклепка крепления воздушной заслонки к тяге воздушной заслонки | 2,2 | 580 руб. | |||
| 20 | STUD, CARBURETOR - CHOKE SHUTTER PIVOT | 2,2 | цена по запросу | |||
| 21 | шайба шпильки воздушной заслонки карбюратора | 2,2 | 220 руб. | |||
| 22 | гайка шпильки воздушной заслонки карбюратора | 2,2 | 180 руб. | |||
| 23 | пружина натяжения тяги воздушной заслонки | 1,1 | снято с производства | |||
| 24 | винт крепления фиксатора к нижнему карбюратору | 1,1 | снято с производства | |||
| 25 | RETAINER, CHOKE ROD SPRING TO CARBURETOR | 1,1 | снято с производства | |||
| 26 | карбюротор в сборе | 2,2 | снято с производства | |||
| 27 | THROTTLE PICK-UP BRACKET ASSEMBLY | 1,1 | 7660 руб. | |||
| 28 | SCREW, THROTTLE PICK-UP BRACKET MOUNTING | 1,1 | снято с производства | |||
| 29 | CLUSTER, THROTTLE LEVER (UPPER CARBURETOR) | 1,1 | снято с производства | |||
| 30 | SCREW, CLUSTER TO THROTTLE LEVER | 1,1 | цена по запросу | |||
| 31 | PLUNGER AND LINK ASSEMBLY, CHOKE SOLENOID | ,1 | снято с производства | |||
| 32 | WASSHER, PLUNGER AND LINK | ,1 | 220 руб. | |||
| 33 | шплинт крепления приводной штанги к верхней воздушной заслонке | ,1 | 460 руб. | |||
| 1 | Art.: 31593 соленоид воздушной заслонки верхней части колпака Деталей в узле: ,1 снято с производства 2 | Art.: 22647 DISCONNECT, KNIFE - CHOKE SOLENOID LEAD Деталей в узле: ,1 снято с производства 3 | Art.: 10-20540 винт крепления соленоида воздушной заслонки к верхней части колпака Деталей в узле: ,1 снято с производства 4 | Art.: 13-26992 стопорная шайба винта соленода воздушной заслонки Деталей в узле: ,2 5 | Art.: 26716A1 GROUND STRAP ASSEMBLY, CHOKE SOLENOID TO ADAPTOR Деталей в узле: ,2 снято с производства 6 | Art.: 10-24773 винт крепления соленоида воздушной заслонки к верхней части колпака Деталей в узле: ,1 снято с производства 7 | Art.: 13-26991 стопорная шайба винта соленода воздушной заслонки Деталей в узле: ,1 снято с производства 8 | Art.: втулка провода соленоида воздушной заслонки Деталей в узле: ,1 снято с производства 9 | Art.: 54-22783 "S" CLIP, CHOKE SOLENOID LEAD TO TOP COWL Деталей в узле: ,1 снято с производства 10 | головка тяги воздушной заслонки Деталей в узле: 1,1 цена по запросу 11 | Art.: 25-20116 GROMMET, CHOKE RD Деталей в узле: 1,1 12 | Art.: 22462 "U" LINK, CHOKE ROD TO CHOKE KNOB Деталей в узле: ,1 снято с производства 13 | Art.: 13-26996 LOCKWASHER, "U" LINK SCREW Деталей в узле: ,1 14 | Art.: SCREW, "U" LINK TO CHOKE KNOB Деталей в узле: ,1 цена по запросу 15 | Art.: COTTER PIN, "U" LINK TO CHOKE ROD Деталей в узле: ,1 цена по запросу 16 | Art.: воздушная заслонка карбюратора Деталей в узле: 2, снято с производства 16 | Art.: 38604 воздушная заслонка карбюратора Деталей в узле: ,1 снято с производства 16 | Art.: воздушная заслонка верхнего карбюратора Деталей в узле: ,1 снято с производства 17 | Art.: 23-30438 BUSHING, NYLON-UPPER CHOKE SHUTTER Деталей в узле: ,1 снято с производства 18 | Art.: 31520 тяга воздушной заслонки Деталей в узле: 1, снято с производства 18 | Art.: 31519 тяга воздушной заслонки Деталей в узле: ,1 снято с производства 19 | Art.: 17-25319 заклепка крепления воздушной заслонки к тяге воздушной заслонки Деталей в узле: 2,2 20 | Art.: 16-30172 STUD, CARBURETOR - CHOKE SHUTTER PIVOT Деталей в узле: 2,2 цена по запросу
21 | Art.: 12-30164 шайба шпильки воздушной заслонки карбюратора Деталей в узле: 2,2 22 | Art.: 11-20110 гайка шпильки воздушной заслонки карбюратора Деталей в узле: 2,2 23 | Art.: 24-28965 пружина натяжения тяги воздушной заслонки Деталей в узле: 1,1 снято с производства 24 | Art.: 10-28713 винт крепления фиксатора к нижнему карбюратору Деталей в узле: 1,1 снято с производства 25 | Art.: 27711 RETAINER, CHOKE ROD SPRING TO CARBURETOR Деталей в узле: 1,1 снято с производства 26 | Art.: 1333-2099 карбюротор в сборе Деталей в узле: 2,2 снято с производства 27 | Art.: THROTTLE PICK-UP BRACKET ASSEMBLY Деталей в узле: 1,1 |
