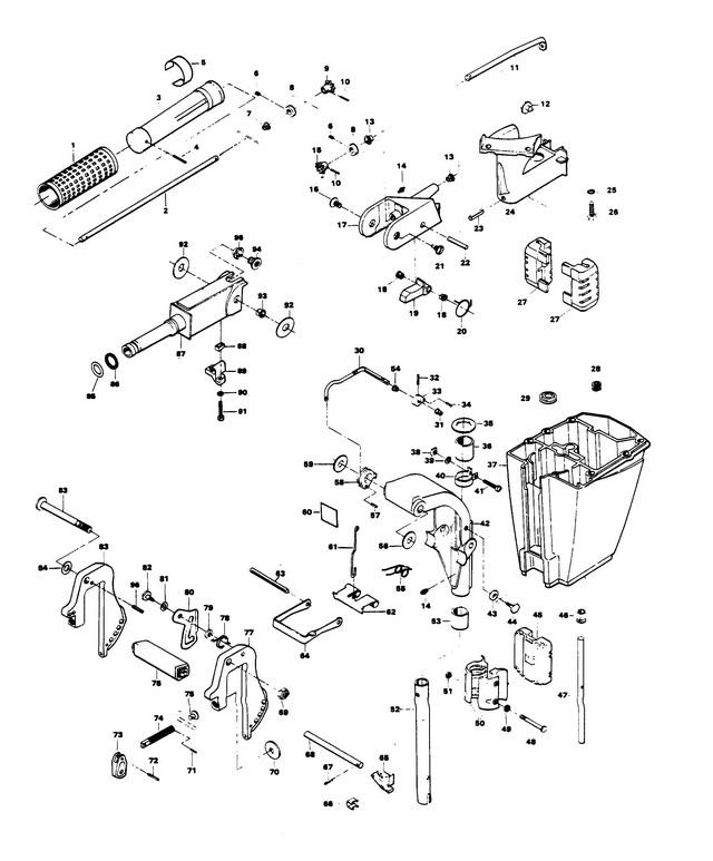
9.9 FURY 15 H.P.
MOTOR LEG
MOTOR LEG
| № | Артикул | Наименование | Деталей в узле | Комментарий | Цена | |
| 1 | втулка | 1 | снято с производства | |||
| 2 | SHAFT, STEERING HANDLE | 1 | снято с производства | |||
| 3 | рукоятка ручки рулевого управления | 1 | W/ILLUS. 1 | снято с производства | ||
| 4 | SPRING PIN | 1 | цена по запросу | |||
| 5 | STEERING HANDLE INDICATOR | 1 | снято с производства | |||
| 6 | HEX SOCKET HEADLESS SET SCREW | 2 | 1470 руб. | |||
| 7 | Подшипник | 1 | цена по запросу | |||
| 8 | фиксатор | 2 | W/ILLUS. 6 | снято с производства | ||
| 9 | GEAR, STEERING HANDLE SHAFT | 1 | снято с производства | |||
| 10 | SPRING PIN | 2 | цена по запросу | |||
| 11 | MAGNETO CONTROL SHAFT | 1 | снято с производства | |||
| 12 | буфер | 1 | цена по запросу | |||
| 13 | Подшипник | 2 | цена по запросу | |||
| 14 | пресс-масленка | 4 | снято с производства | |||
| 15 | GEAR, MAGNETO CONTROL SHAFT | 1 | снято с производства | |||
| 16 | TRUSS HD SCREW, 5/16 - 18 X 5/8 | 1 | снято с производства | |||
| 17 | STEERING HANDLE BRACKET | 1 | W/ILLUS. 54 ORIGINAL FORCE P/N A 286078-2 | снято с производства | ||
| 18 | BEARING, STEERING HANDLE STOP | 1 | цена по запросу | |||
| 19 | STEERING HANDLE STOP | 1 | снято с производства | |||
| 20 | SPRING, STEERING HANDLE STOP | 1 | снято с производства | |||
| 21 | SCREW, STEERING HANDLE PIVOT | 1 | снято с производства | |||
| 22 | GROOVE PIN | 1 | снято с производства | |||
| 23 | SPRING PIN | 1 | снято с производства | |||
| 24 | рычаг механизма рулевого управления | 1 | W/ILLUS. 12 AND 27 | цена по запросу | ||
| 25 | EXTERNAL TOOTH LOCKWASHER | 2 | снято с производства | |||
| 26 | HEX CAP SCREW, 1/4 - 20 | 2 | снято с производства | |||
| 27 | SHOCK MOUNT, UPPER | 2 | снято с производства | |||
| 28 | SPRING, LEG WATER BRACKET | 1 | снято с производства | |||
| 29 | SEAL, MOTOR LEG | 1 | 1470 руб. | |||
| 30 | LEVER, REVERSE LOCK INTERMEDIATE ASSY. | 1 | 3200 руб. | |||
| 31 | Подшипник | 1 | цена по запросу | |||
| 32 | SPRING PIN | 1 | 50 руб. | |||
| 33 | рычаг фиксатора заднего хода | 1 | снято с производства | |||
| 34 | SPRING PIN | 1 | снято с производства | |||
| 35 | WASHER, SWIVEL BRACKET | 1 | цена по запросу | |||
| 36 | BEARING, SWIVEL BRACKET | 1 | снято с производства | |||
| 37 | MOTOR LEG | 1 | W/ITEMS 29, 46 & 47 | снято с производства | ||
| 38 | SQUARE NUT, 1/4 - 20 | 1 | снято с производства | |||
| 39 | шайба | 1 | цена по запросу | |||
| 40 | CLAMP, STEERING FRICTION | 1 | снято с производства | |||
| 41 | FILL HD SCREW, 1/4 - 20 X 1 3/8 | 1 | 560 руб. | |||
| 42 | поворотный кронштейн | 1 | W/ILLUS. 14 AND 53 ORIGINAL FORCE P/N A 286072-2 | 30300 руб. | ||
| 43 | SPACER, TILT LOCK | 1 | 420 руб. | |||
| 44 | TILT LOCK PIVOT | 1 | цена по запросу | |||
| 45 | SHOCK MOUNT LOWER | 1 | снято с производства | |||
| 46 | SLEEVE WATER LINE | 1 | цена по запросу | |||
| 47 | WATER LINE | 1 | снято с производства | |||
| 48 | HEX BOLT, 1/4 - 20 X 2-3/8 | 2 | W/ILLUS. 49 | снято с производства | ||
| 49 | SPRING LOCKWASHER | 2 | цена по запросу | |||
| 50 | BRACKET, SHOCK MOUNT LOWER | 2 | цена по запросу | |||
| 51 | HEX NUT, 1/4 - 20 | 2 | цена по запросу | |||
| 52 | KINGPIN | 1 | снято с производства | |||
| 53 | BEARING, SWIVEL BRACKET | 1 | снято с производства | |||
| 54 | BEARING, REVERSE LOCK INTERMEDIATE LEVER | 1 | цена по запросу | |||
| 55 | пружина фиксатора заднего хода | 1 | снято с производства | |||
| 56 | WASHER, STERN BRACKET | 1 | снято с производства | |||
| 57 | SPRING PIN | 1 | снято с производства | |||
| 58 | REVERSE LOCK RELEASE LEVER | 1 | снято с производства | |||
| 59 | шайба | 1 | цена по запросу | |||
| 60 | DECAL, TILT RELEASE | 1 | снято с производства | |||
| 61 | LINK, REVERSE LOCK LEVER | 1 | W/LITERATURE | снято с производства | ||
| 62 | фиксатор заднего хода | 1 | снято с производства | |||
| 63 | GROOVE PIN | 1 | снято с производства | |||
| 64 | BRACKET SHALLOW WATER DRIVE | 1 | снято с производства | |||
| 65 | LOCK BAR HANDLE | 1 | 910 руб. | |||
| 66 | SPRING, LOCK BAR HANDLE | 1 | цена по запросу | |||
| 67 | SPRING PIN | 1 | цена по запросу | |||
| 68 | LOCK BAR | 1 | W/ILLUS. 65, 66 AND 67 | снято с производства | ||
| 69 | STOP NUT, 3/8 - 16 | 1 | снято с производства | |||
| 70 | CLAMP SCREW FOOT | 2 | снято с производства | |||
| 71 | SPRING PIN | 2 | снято с производства | |||
| 72 | SPRING PIN | 2 | цена по запросу | |||
| 73 | HANDLE, CLAMP SCREW | 2 | снято с производства | |||
| 74 | Винт зажима | 2 | W/ILLUS. 70, 71 AND 75 ORIGINAL FORCE P/N A 298073-2 | снято с производства | ||
| 75 | STUD CLAMP SCREW | 2 | снято с производства | |||
| 76 | ручка переноски двигателя | 1 | цена по запросу | |||
| 77 | STERN BRACKET PORT | 2 | W/ILLUS. 74 | снято с производства | ||
| 78 | пружина фиксатора наклона | 1 | 710 руб. | |||
| 79 | SPACER, TILT LOCK | 1 | 420 руб. | |||
| 80 | TILT LOCK | 1 | 7460 руб. | |||
| 81 | BOWED SPRING WASHER | 1 | цена по запросу | |||
| 82 | TILT LOCK PIVOT | 1 | цена по запросу | |||
| 83 | STERN BRACKET PIVOT BOLT | 1 | снято с производства | |||
| 84 | PLAIN WASHER | 1 | цена по запросу | |||
| 85 | Уплотнение | 1 | цена по запросу | |||
| 86 | SEAL, STEERING HANDLE GRIMP DAMPENER (LARGE) | 1 | цена по запросу | |||
| 87 | ручка рулевого управления | 1 | цена по запросу | |||
| 88 | WEDGE, STEERING HANDLE | 1 | снято с производства | |||
| 89 | BEARING, STEERING HANDLE | 1 | цена по запросу | |||
| 90 | INTERNAL TOOTH LOCKWASHER | 2 | цена по запросу | |||
| 91 | FILL HD SCREW, 10 - 24 X 7/8 | 2 | снято с производства | |||
| 92 | WASHER, STEERING HANDLE | 2 | 340 руб. | |||
| 93 | Подшипник | 1 | цена по запросу | |||
| 94 | INSERT, STEERING HANDLE PIVOT | 1 | цена по запросу | |||
| 95 | Подшипник | 1 | 930 руб. | |||
| 96 | SPRING PIN | 1 | 50 руб. | |||
| - | STEERING HANDLE INDICATOR - CANADA | 1 | снято с производства | |||
| 1 | Art.: втулка Деталей в узле: 1 снято с производства 2 | Art.: SHAFT, STEERING HANDLE Деталей в узле: 1 снято с производства 3 | Art.: FA456137 рукоятка ручки рулевого управления (W/ILLUS. 1)Деталей в узле: 1 снято с производства 4 | Art.: SPRING PIN Деталей в узле: 1 цена по запросу 5 | Art.: F286894-3 STEERING HANDLE INDICATOR Деталей в узле: 1 снято с производства 6 | Art.: HEX SOCKET HEADLESS SET SCREW Деталей в узле: 2 7 | Art.: Подшипник Деталей в узле: 1 цена по запросу 8 | Art.: FA343178 фиксатор (W/ILLUS. 6)Деталей в узле: 2 снято с производства 9 | Art.: 43-8180091 GEAR, STEERING HANDLE SHAFT Деталей в узле: 1 снято с производства 10 | Art.: SPRING PIN Деталей в узле: 2 цена по запросу 11 | Art.: MAGNETO CONTROL SHAFT Деталей в узле: 1 снято с производства 12 | Art.: F286539 буфер Деталей в узле: 1 цена по запросу
13 | Art.: Подшипник Деталей в узле: 2 цена по запросу 14 | Art.: F213274 пресс-масленка Деталей в узле: 4 снято с производства 15 | Art.: 43-8180091 GEAR, MAGNETO CONTROL SHAFT Деталей в узле: 1 снято с производства 16 | Art.: F1799 TRUSS HD SCREW, 5/16 - 18 X 5/8 Деталей в узле: 1 снято с производства 17 | Art.: 817751A3 STEERING HANDLE BRACKET (W/ILLUS. 54 ORIGINAL FORCE P/N A 286078-2)Деталей в узле: 1 снято с производства 18 | Art.: BEARING, STEERING HANDLE STOP Деталей в узле: 1 цена по запросу 19 | Art.: STEERING HANDLE STOP Деталей в узле: 1 снято с производства 20 | Art.: F286868 SPRING, STEERING HANDLE STOP Деталей в узле: 1 снято с производства 21 | Art.: SCREW, STEERING HANDLE PIVOT Деталей в узле: 1 снято с производства 22 | Art.: F1807 GROOVE PIN Деталей в узле: 1 снято с производства 23 | Art.: SPRING PIN Деталей в узле: 1 снято с производства 24 | рычаг механизма рулевого управления (W/ILLUS. 12 AND 27)Деталей в узле: 1 цена по запросу 25 | Art.: F8060 EXTERNAL TOOTH LOCKWASHER Деталей в узле: 2 снято с производства 26 | Art.: F1922 HEX CAP SCREW, 1/4 - 20 Деталей в узле: 2 снято с производства 27 | Art.: F286347 SHOCK MOUNT, UPPER Деталей в узле: 2 снято с производства 28 | Art.: F286414 SPRING, LEG WATER BRACKET Деталей в узле: 1 снято с производства 29 | Art.: F901307-2 SEAL, MOTOR LEG Деталей в узле: 1 30 | LEVER, REVERSE LOCK INTERMEDIATE ASSY. Деталей в узле: 1 31 | Art.: Подшипник Деталей в узле: 1 цена по запросу 32 | Art.: F8538 SPRING PIN Деталей в узле: 1 33 | Art.: рычаг фиксатора заднего хода Деталей в узле: 1 снято с производства 34 | Art.: F1794 SPRING PIN Деталей в узле: 1 снято с производства 35 | Art.: F286011 WASHER, SWIVEL BRACKET Деталей в узле: 1 цена по запросу
36 | Art.: F286169 BEARING, SWIVEL BRACKET Деталей в узле: 1 снято с производства 37 | Art.: F2A477133 MOTOR LEG (W/ITEMS 29, 46 & 47)Деталей в узле: 1 снято с производства 38 | Art.: F1608 SQUARE NUT, 1/4 - 20 Деталей в узле: 1 снято с производства 39 | Art.: шайба Деталей в узле: 1 цена по запросу 40 | Art.: F286573-1 CLAMP, STEERING FRICTION Деталей в узле: 1 снято с производства 41 | FILL HD SCREW, 1/4 - 20 X 1 3/8 Деталей в узле: 1 42 | поворотный кронштейн (W/ILLUS. 14 AND 53 ORIGINAL FORCE P/N A 286072-2)Деталей в узле: 1 43 | Art.: SPACER, TILT LOCK Деталей в узле: 1 44 | Art.: F286422-1 TILT LOCK PIVOT Деталей в узле: 1 цена по запросу
45 | Art.: F286346 SHOCK MOUNT LOWER Деталей в узле: 1 снято с производства 46 | Art.: SLEEVE WATER LINE Деталей в узле: 1 цена по запросу 47 | Art.: F286244 WATER LINE Деталей в узле: 1 снято с производства 48 | Art.: FA1844 HEX BOLT, 1/4 - 20 X 2-3/8 (W/ILLUS. 49)Деталей в узле: 2 снято с производства 49 | Art.: SPRING LOCKWASHER Деталей в узле: 2 цена по запросу 50 | BRACKET, SHOCK MOUNT LOWER Деталей в узле: 2 цена по запросу 51 | Art.: HEX NUT, 1/4 - 20 Деталей в узле: 2 цена по запросу 52 | Art.: KINGPIN Деталей в узле: 1 снято с производства 53 | Art.: F286169 BEARING, SWIVEL BRACKET Деталей в узле: 1 снято с производства 54 | Art.: F536813 BEARING, REVERSE LOCK INTERMEDIATE LEVER Деталей в узле: 1 цена по запросу
55 | Art.: F286300 пружина фиксатора заднего хода Деталей в узле: 1 снято с производства 56 | Art.: F286286-1 WASHER, STERN BRACKET Деталей в узле: 1 снято с производства 57 | Art.: F1794 SPRING PIN Деталей в узле: 1 снято с производства 58 | Art.: F286827 REVERSE LOCK RELEASE LEVER Деталей в узле: 1 снято с производства 59 | Art.: шайба Деталей в узле: 1 цена по запросу
60 | Art.: F286585-2 DECAL, TILT RELEASE Деталей в узле: 1 снято с производства 61 | Art.: FA341510 LINK, REVERSE LOCK LEVER (W/LITERATURE)Деталей в узле: 1 снято с производства 62 | Art.: фиксатор заднего хода Деталей в узле: 1 снято с производства 63 | Art.: F1806 GROOVE PIN Деталей в узле: 1 снято с производства 64 | BRACKET SHALLOW WATER DRIVE Деталей в узле: 1 снято с производства 65 | Art.: F286114 LOCK BAR HANDLE Деталей в узле: 1 66 | Art.: F286461 SPRING, LOCK BAR HANDLE Деталей в узле: 1 цена по запросу
67 | Art.: SPRING PIN Деталей в узле: 1 цена по запросу 68 | LOCK BAR (W/ILLUS. 65, 66 AND 67)Деталей в узле: 1 снято с производства 69 | Art.: F7026 STOP NUT, 3/8 - 16 Деталей в узле: 1 снято с производства 70 | Art.: F24074 CLAMP SCREW FOOT Деталей в узле: 2 снято с производства 71 | Art.: F8537 SPRING PIN Деталей в узле: 2 снято с производства 72 | Art.: SPRING PIN Деталей в узле: 2 цена по запросу 73 | HANDLE, CLAMP SCREW Деталей в узле: 2 снято с производства 74 | Art.: Винт зажима (W/ILLUS. 70, 71 AND 75 ORIGINAL FORCE P/N A 298073-2)Деталей в узле: 2 снято с производства 75 | Art.: F66480 STUD CLAMP SCREW Деталей в узле: 2 снято с производства 76 | Art.: ручка переноски двигателя Деталей в узле: 1 цена по запросу
77 | Art.: FS567532 STERN BRACKET PORT (W/ILLUS. 74)Деталей в узле: 2 снято с производства 78 | Art.: F286544-1 пружина фиксатора наклона Деталей в узле: 1 79 | Art.: SPACER, TILT LOCK Деталей в узле: 1 80 | Art.: F429541 TILT LOCK Деталей в узле: 1 81 | Art.: BOWED SPRING WASHER Деталей в узле: 1 цена по запросу 82 | Art.: F286422-1 TILT LOCK PIVOT Деталей в узле: 1 цена по запросу
83 | Art.: F286037 STERN BRACKET PIVOT BOLT Деталей в узле: 1 снято с производства 84 | Art.: PLAIN WASHER Деталей в узле: 1 цена по запросу 85 | Art.: Уплотнение Деталей в узле: 1 цена по запросу 86 | Art.: SEAL, STEERING HANDLE GRIMP DAMPENER (LARGE) Деталей в узле: 1 |
