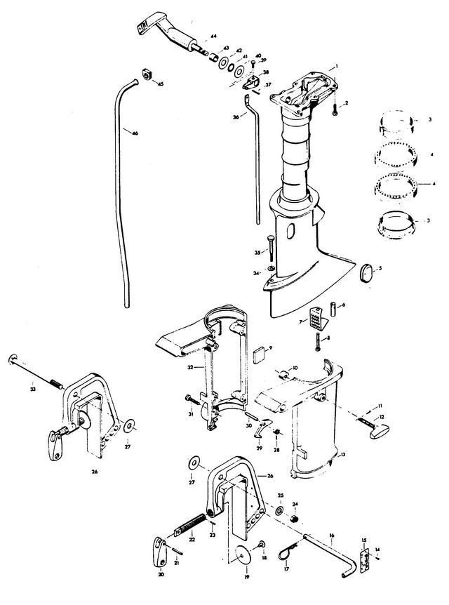
4 H.P.
MOTOR LEG
MOTOR LEG
| № | Артикул | Наименование | Деталей в узле | Комментарий | Цена | |
| 1 | MOTOR LEG | 1 | цена по запросу | |||
| 2 | HEX HD SCREW, 1/4 - 20 X 5/8 | 6 | снято с производства | |||
| 3 | BEARING, SWIVEL BRACKET | 2 | цена по запросу | |||
| 4 | SHOCK MOUNT | 2 | снято с производства | |||
| 5 | COVER, SHIFT COUPLING | 1 | снято с производства | |||
| 6 | SLEEVE, IDLE BAFFLE | 1 | снято с производства | |||
| 7 | BAFFLE, IDLE RELIEF | 1 | снято с производства | |||
| 8 | FILL HD SCREW, 10 - 24 X 1 11/16 | 1 | снято с производства | |||
| 9 | PAD, SWIVEL FRICTION | 1 | цена по запросу | |||
| 10 | SHOE, SWIVEL FRICTION | 1 | снято с производства | |||
| 11 | шплинт | 1 | цена по запросу | |||
| 12 | KNOB, STEERING FRICTION W/SCREW | 1 | снято с производства | |||
| 13 | SWIVEL BRACKET - PORT | 1 | цена по запросу | |||
| 14 | DRIVE SCREW, 2 X 3/16 | 2 | цена по запросу | |||
| 15 | PLATE, IDENTIFICATION W/SCREWS - USA | снято с производства | ||||
| 16 | LOCK BAR | 1 | снято с производства | |||
| 17 | HAIR PIN, COTTER | 1 | цена по запросу | |||
| 18 | шпилька | 2 | снято с производства | |||
| 19 | CLAMP SCREW FOOT | 2 | снято с производства | |||
| 20 | HANDLE, CLAMP SCREW | 2 | снято с производства | |||
| 21 | SPRING PIN | 2 | цена по запросу | |||
| 22 | CLAMP SCREW W/FOOT AND STUD | 2 | снято с производства | |||
| 23 | SPRING PIN | 2 | снято с производства | |||
| 24 | STOP NUT | 1 | снято с производства | |||
| 25 | PLAIN WASHER | 1 | цена по запросу | |||
| 26 | STERN BRACKET W/CLAMP SCREW AND FOOT | 2 | снято с производства | |||
| 27 | PLAIN WASHER | 2 | цена по запросу | |||
| 28 | пружина фиксатора заднего хода | 1 | цена по запросу | |||
| 29 | фиксатор заднего хода | 1 | снято с производства | |||
| 30 | PIN, REVERSE LOCK | 1 | снято с производства | |||
| 31 | PHILLIPS FILL HD SCREW, 1/4 - 20 X 1 | 4 | снято с производства | |||
| 32 | SWIVEL BRACKET - STARBOARD | 1 | цена по запросу | |||
| 33 | PIVOT BOLT | 1 | снято с производства | |||
| 34 | SPRING LOCKWASHER | 1 | цена по запросу | |||
| 35 | HEX CAP SCREW, 1/4 - 20 X 1 7/8, FOR MODELS 42HB, 42BB | 1 | снято с производства | |||
| 36 | ROD, GEAR SHIFT UPPER | 1 | снято с производства | |||
| 37 | шплинт | 1 | снято с производства | |||
| 38 | LEVER, GEAR SHIFT | 1 | снято с производства | |||
| 39 | HEX M. SCREW, 10 - 24 X 3/8 | 1 | снято с производства | |||
| 40 | PLAIN WASHER | 1 | цена по запросу | |||
| 41 | SEAL, SHIFT LEVER SHAFT | 1 | 990 руб. | |||
| 42 | WASHER, GEAR SHIFT HANDLE | 1 | снято с производства | |||
| 43 | BEARING, GEAR SHIFT SHAFT | 1 | снято с производства | |||
| 44 | HANDLE, GEAR SHIFT W/SHAFT | 1 | цена по запросу | |||
| 45 | SEAL, WATER LINE | 1 | цена по запросу | |||
| 46 | WATER LINE | 1 | цена по запросу | |||
| - | PLATE, IDENTIFICATION W/SCREWS - CANADA | |||||
| 1 | MOTOR LEG Деталей в узле: 1 цена по запросу 2 | Art.: F1922 HEX HD SCREW, 1/4 - 20 X 5/8 Деталей в узле: 6 снято с производства 3 | Art.: BEARING, SWIVEL BRACKET Деталей в узле: 2 цена по запросу 4 | SHOCK MOUNT Деталей в узле: 2 снято с производства 5 | Art.: F46899-1 COVER, SHIFT COUPLING Деталей в узле: 1 снято с производства 6 | Art.: F521727 SLEEVE, IDLE BAFFLE Деталей в узле: 1 снято с производства 7 | Art.: F521779 BAFFLE, IDLE RELIEF Деталей в узле: 1 снято с производства 8 | Art.: F1747 FILL HD SCREW, 10 - 24 X 1 11/16 Деталей в узле: 1 снято с производства 9 | Art.: PAD, SWIVEL FRICTION Деталей в узле: 1 цена по запросу 10 | Art.: F521631 SHOE, SWIVEL FRICTION Деталей в узле: 1 снято с производства 11 | Art.: шплинт Деталей в узле: 1 цена по запросу 12 | Art.: F521514 KNOB, STEERING FRICTION W/SCREW Деталей в узле: 1 снято с производства 13 | Art.: SWIVEL BRACKET - PORT Деталей в узле: 1 цена по запросу 14 | Art.: DRIVE SCREW, 2 X 3/16 Деталей в узле: 2 цена по запросу 15 | Art.: FA77395-5 PLATE, IDENTIFICATION W/SCREWS - USA Деталей в узле: снято с производства 16 | Art.: LOCK BAR Деталей в узле: 1 снято с производства 17 | Art.: HAIR PIN, COTTER Деталей в узле: 1 цена по запросу
18 | Art.: F66480 шпилька Деталей в узле: 2 снято с производства 19 | Art.: F24074 CLAMP SCREW FOOT Деталей в узле: 2 снято с производства 20 | HANDLE, CLAMP SCREW Деталей в узле: 2 снято с производства 21 | Art.: SPRING PIN Деталей в узле: 2 цена по запросу 22 | Art.: CLAMP SCREW W/FOOT AND STUD Деталей в узле: 2 снято с производства 23 | Art.: F8537 SPRING PIN Деталей в узле: 2 снято с производства 24 | Art.: STOP NUT Деталей в узле: 1 снято с производства 25 | Art.: PLAIN WASHER Деталей в узле: 1 цена по запросу 26 | STERN BRACKET W/CLAMP SCREW AND FOOT Деталей в узле: 2 снято с производства 27 | Art.: F2037 PLAIN WASHER Деталей в узле: 2 цена по запросу
28 | Art.: пружина фиксатора заднего хода Деталей в узле: 1 цена по запросу 29 | Art.: F468349 фиксатор заднего хода Деталей в узле: 1 снято с производства 30 | Art.: F468350 PIN, REVERSE LOCK Деталей в узле: 1 снято с производства 31 | Art.: F2035 PHILLIPS FILL HD SCREW, 1/4 - 20 X 1 Деталей в узле: 4 снято с производства 32 | SWIVEL BRACKET - STARBOARD Деталей в узле: 1 цена по запросу 33 | Art.: F468037-1 PIVOT BOLT Деталей в узле: 1 снято с производства 34 | Art.: SPRING LOCKWASHER Деталей в узле: 1 цена по запросу 35 | Art.: F1175 HEX CAP SCREW, 1/4 - 20 X 1 7/8, FOR MODELS 42HB, 42BB Деталей в узле: 1 снято с производства 36 | Art.: F521615 ROD, GEAR SHIFT UPPER Деталей в узле: 1 снято с производства 37 | Art.: F1406 шплинт Деталей в узле: 1 снято с производства 38 | Art.: F521621 LEVER, GEAR SHIFT Деталей в узле: 1 снято с производства 39 | Art.: F2041 HEX M. SCREW, 10 - 24 X 3/8 Деталей в узле: 1 снято с производства 40 | Art.: PLAIN WASHER Деталей в узле: 1 цена по запросу 41 | Art.: F19342 SEAL, SHIFT LEVER SHAFT Деталей в узле: 1 42 | Art.: WASHER, GEAR SHIFT HANDLE Деталей в узле: 1 |
