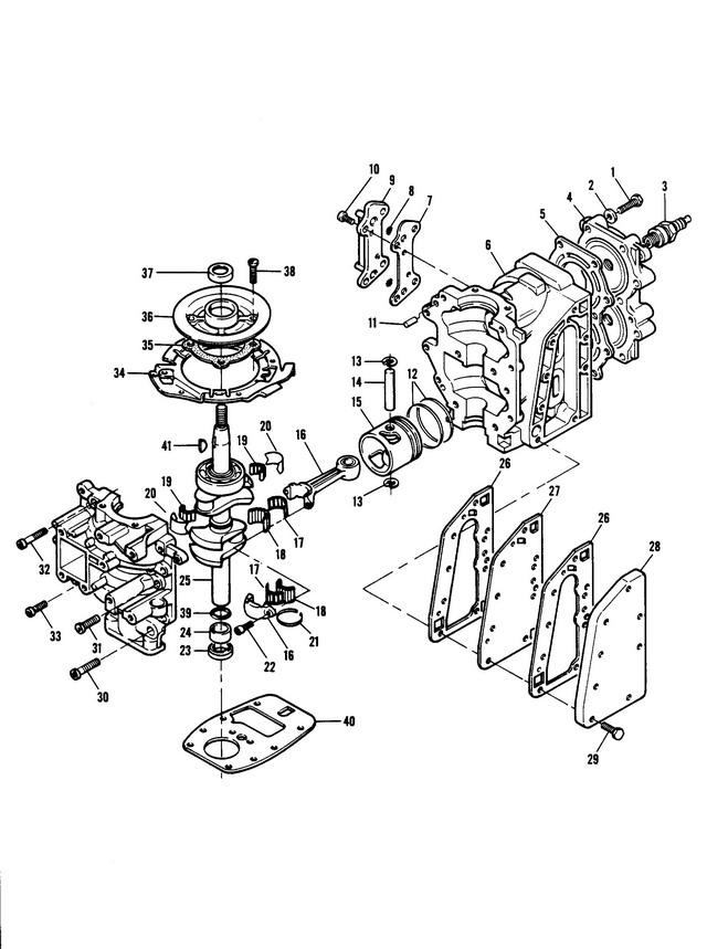
6 H.P.
силовая головка
силовая головка
| № | Артикул | Наименование | Деталей в узле | Комментарий | Цена | |
| 1 | винт головки блока | 10 | снято с производства | |||
| 2 | PLAIN WASHER | 10 | цена по запросу | |||
| 3 | SPARK PLUG (L-86) | 2 | цена по запросу | |||
| 4 | головка блока | 1 | снято с производства | |||
| 5 | прокладка головки блока | 1 | снято с производства | |||
| 6 | цилиндр | 1 | снято с производства | |||
| 7 | GASKET, CYLINDER DRAIN COVER | 1 | снято с производства | |||
| 8 | SCREEN, CYLINDER DRAIN | 2 | 130 руб. | |||
| 9 | COVER, CYLINDER DRAIN W/SCREEN | 1 | снято с производства | |||
| 10 | SCREW, 1/4 - 20 X 5/8 | 4 | цена по запросу | |||
| 11 | посадочный штифт | 2 | цена по запросу | |||
| 12 | поршневое кольцо | 2 | снято с производства | |||
| 13 | PISTON PIN RETAINING RING | 4 | снято с производства | |||
| 14 | поршневой палец | 2 | снято с производства | |||
| 15 | Поршень | 2 | снято с производства | |||
| 16 | шатун | 2 | W/ITEM 22 | снято с производства | ||
| 17 | CRANKPIN ROLLER CAGE | 2 | снято с производства | |||
| 18 | ROLLER CRANKPIN | 2 | снято с производства | |||
| 19 | ROLLER ASSEMBLY, CENTER MAIN BEARING | 1 | цена по запросу | |||
| 20 | LINER, CENTER MAIN | 1 | цена по запросу | |||
| 21 | CRANKCASE SEAL | 1 | снято с производства | |||
| 22 | CONNECTING ROD SCREW | 4 | снято с производства | |||
| 23 | SEAL, CRANKSHAFT LOWER | 1 | 1210 руб. | |||
| 24 | BEARING, CRANKSHAFT LOWER MAIN | 1 | снято с производства | |||
| 25 | CRANKSHAFT W/UPPER BEARING | 1 | снято с производства | |||
| 26 | GASKET EXHAUST | 2 | снято с производства | |||
| 27 | PLATE EXHAUST | 1 | снято с производства | |||
| 28 | COVER EXHAUST | 1 | снято с производства | |||
| 29 | SCREW, 1/4 - 20 X 1 | 8 | 230 руб. | |||
| 30 | SCREW, 5/16 - 18 X 1 1/4 | 2 | снято с производства | |||
| 31 | SCREW, 5/16 - 18 X 1 | 2 | цена по запросу | |||
| 32 | SCREW, 1/4 - 20 X 1 3/8 | 2 | снято с производства | |||
| 33 | SCREW, 1/4 - 20 X 3/4 | 6 | цена по запросу | |||
| 34 | RING STATOR | 1 | снято с производства | |||
| 35 | GASKET, CRANKSHAFT BEARING CAGE | 1 | 540 руб. | |||
| 36 | CAGE, CRANKSHAFT BEARING W/UPPER CRANKSHAFT SEAL | 1 | снято с производства | |||
| 37 | SEAL, CRANKSHAFT UPPER | 1 | цена по запросу | |||
| 38 | FILL HD SCREW, 1/4 - 20 X 7/8 | 4 | снято с производства | |||
| 39 | SEAL, CRANKSHAFT SPLINE | 1 | цена по запросу | |||
| 40 | GASKET, CYLINDER MOUNTING | 1 | снято с производства | |||
| 41 | MAGNETO KEY | 1 | цена по запросу | |||
| - | GASKET, CYL. HEAD | 1 | снято с производства | |||
| - | GASKET, LEG MOUNTING | 1 | снято с производства | |||
| - | GASKET, CYL. MOUNTING | 1 | снято с производства | |||
| - | прокладка коллектора | 1 | снято с производства | |||
| - | GASKET, REED PLATE | 1 | снято с производства | |||
| - | выпускная прокладка | 2 | снято с производства | |||
| - | GASKET, CSHAFT BRG. CAGE | 1 | 540 руб. | |||
| - | GASKET, CARB. | 1 | 470 руб. | |||
| - | GASKET SET (SEE BELOW) | 1 | снято с производства | |||
| - | CYLINDER COMPLETE (NOT SHOWN) | 1 | снято с производства | |||
| - | SPARK PLUG (QL-86) CANADA ONLY | 2 | ||||
| - | GASKET, CYL. DRAIN COVER | 1 | снято с производства | |||
| 1 | Art.: F901938-1 винт головки блока Деталей в узле: 10 снято с производства 2 | Art.: PLAIN WASHER Деталей в узле: 10 цена по запросу 3 | Art.: SPARK PLUG (L-86) Деталей в узле: 2 цена по запросу
4 | Art.: F525518 головка блока Деталей в узле: 1 снято с производства 5 | Art.: F525529 прокладка головки блока Деталей в узле: 1 снято с производства 6 | Art.: F2A525010 цилиндр Деталей в узле: 1 снято с производства 7 | Art.: F525472 GASKET, CYLINDER DRAIN COVER Деталей в узле: 1 снято с производства 8 | Art.: F429811 SCREEN, CYLINDER DRAIN Деталей в узле: 2 9 | Art.: FA525471 COVER, CYLINDER DRAIN W/SCREEN Деталей в узле: 1 снято с производства 10 | Art.: SCREW, 1/4 - 20 X 5/8 Деталей в узле: 4 цена по запросу 11 | Art.: F8559 посадочный штифт Деталей в узле: 2 цена по запросу
12 | Art.: 39-818038A1 поршневое кольцо Деталей в узле: 2 снято с производства 13 | Art.: F250410 PISTON PIN RETAINING RING Деталей в узле: 4 снято с производства 14 | Art.: F250017 поршневой палец Деталей в узле: 2 снято с производства 15 | Art.: F525015 Поршень Деталей в узле: 2 снято с производства 16 | Art.: F2A521016 шатун (W/ITEM 22)Деталей в узле: 2 снято с производства 17 | Art.: CRANKPIN ROLLER CAGE Деталей в узле: 2 снято с производства 18 | Art.: ROLLER CRANKPIN Деталей в узле: 2 снято с производства 19 | Art.: F286571 ROLLER ASSEMBLY, CENTER MAIN BEARING Деталей в узле: 1 цена по запросу
20 | Art.: FA286155 LINER, CENTER MAIN Деталей в узле: 1 цена по запросу
21 | Art.: F525579 CRANKCASE SEAL Деталей в узле: 1 снято с производства 22 | Art.: F36634 CONNECTING ROD SCREW Деталей в узле: 4 снято с производства 23 | Art.: SEAL, CRANKSHAFT LOWER Деталей в узле: 1 24 | Art.: F341014 BEARING, CRANKSHAFT LOWER MAIN Деталей в узле: 1 снято с производства 25 | Art.: F2A525018 CRANKSHAFT W/UPPER BEARING Деталей в узле: 1 снято с производства 26 | Art.: F525154 GASKET EXHAUST Деталей в узле: 2 снято с производства 27 | Art.: F525151 PLATE EXHAUST Деталей в узле: 1 снято с производства 28 | Art.: F525152 COVER EXHAUST Деталей в узле: 1 снято с производства 29 | SCREW, 1/4 - 20 X 1 Деталей в узле: 8 30 | Art.: F1257 SCREW, 5/16 - 18 X 1 1/4 Деталей в узле: 2 снято с производства 31 | Art.: SCREW, 5/16 - 18 X 1 Деталей в узле: 2 цена по запросу 32 | Art.: F1044 SCREW, 1/4 - 20 X 1 3/8 Деталей в узле: 2 снято с производства 33 | Art.: F1107 SCREW, 1/4 - 20 X 3/4 Деталей в узле: 6 цена по запросу
34 | Art.: F525082 RING STATOR Деталей в узле: 1 снято с производства 35 | Art.: F286277 GASKET, CRANKSHAFT BEARING CAGE Деталей в узле: 1 36 | Art.: 1100-817753A1 CAGE, CRANKSHAFT BEARING W/UPPER CRANKSHAFT SEAL Деталей в узле: 1 снято с производства 37 | Art.: SEAL, CRANKSHAFT UPPER Деталей в узле: 1 цена по запросу
38 | Art.: FILL HD SCREW, 1/4 - 20 X 7/8 Деталей в узле: 4 снято с производства 39 | Art.: SEAL, CRANKSHAFT SPLINE Деталей в узле: 1 цена по запросу 40 | Art.: F525279 GASKET, CYLINDER MOUNTING Деталей в узле: 1 снято с производства 41 | Art.: MAGNETO KEY Деталей в узле: 1 цена по запросу - | Art.: F525529 GASKET, CYL. HEAD Деталей в узле: 1 снято с производства - | Art.: F525453 GASKET, LEG MOUNTING Деталей в узле: 1 снято с производства - | Art.: F525279 GASKET, CYL. MOUNTING Деталей в узле: 1 снято с производства - | Art.: F525168 прокладка коллектора Деталей в узле: 1 |
