55 H.P.
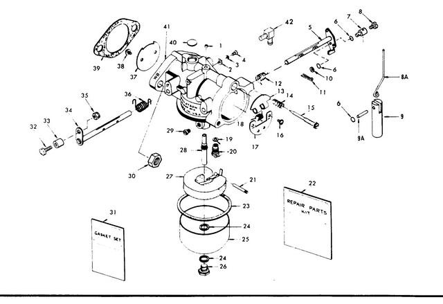
Карбюратор
Карбюратор
| № | Артикул | Наименование | Деталей в узле | Комментарий | Цена | |
| 1 | BODY CHANNEL CUP PLUG | 1 | 840 руб. | |||
| 2 | THROTTLE SHAFT POSITION RETAINING SCREW WASHER | 1 | снято с производства | |||
| 3 | THROTTLE SHAFT POSITION RETAINING SCREW LOCKWASHER | 1 | снято с производства | |||
| 4 | THROTTLE SHAFT POSITION RETAINING SCREW | 1 | снято с производства | |||
| 5 | вал воздушной заслонки и рычаг | 1 | снято с производства | |||
| 6 | SEAL, CHOKE ARM SWIVEL | 3 | цена по запросу | |||
| 7 | SWIVEL, CHOKE ROD | 1 | снято с производства | |||
| 8 | FILL HD SCREW, 6 - 32 X 1/4 | 1 | снято с производства | |||
| 8A | CHOKE SOLENOID ROD | 1 | снято с производства | |||
| 9 | CHOKE SOLENOID PLUNGER | 1 | снято с производства | |||
| 9A | GROOVE PIN | 1 | снято с производства | |||
| 10 | PLAIN WASHER | 1 | цена по запросу | |||
| 11 | шплинт | 1 | цена по запросу | |||
| 12 | CHOKE SHAFT RETURN SPRING | 1 | снято с производства | |||
| 13 | CHOKE RELIEF VALVE | 1 | снято с производства | |||
| 14 | IDLE MIXTURE SCREW SPRING | 1 | цена по запросу | |||
| 15 | винт регулировки качества смеси на холостом ходу | 1 | снято с производства | |||
| 16 | CHOKE SHUTTER RETAINING SCREW AND LOCKWASHER | 2 | 300 руб. | |||
| 17 | воздушная заслонка | 1 | снято с производства | |||
| 18 | CHOKE RELIEF VALVE SPRING | 1 | цена по запросу | |||
| 19 | INLET SEAT GASKET | 1 | снято с производства | |||
| 20 | впускная игла, седло и прокладка | 1 | снято с производства | |||
| 21 | FLOAT LEVER PIN | 1 | 640 руб. | |||
| 22 | Комплект запасных частей | 1 | INCLUDES ALL ITEMS MARKED WITH AN ASTERISK (*) | снято с производства | ||
| 23 | FUEL BOWL GASKET | 1 | 340 руб. | |||
| 24 | FUEL BOWL RETAINING SCREW GASKET | 2 | 250 руб. | |||
| 25 | камера топливной смеси | 1 | 3300 руб. | |||
| 26 | FUEL BOWL RETAINING SCREW | 1 | цена по запросу | |||
| 27 | поплавок | 1 | 4400 руб. | |||
| 28 | главный распылитель | 1 | снято с производства | |||
| 29 | MAIN FUEL JET (.0937) (STANDARD) | 1 | снято с производства | |||
| 30 | HEX NUT, 5/16 - 18 | 2 | цена по запросу | |||
| 31 | Набор прокладок | 1 | снято с производства | |||
| 32 | THROTTLE ROLLER SHAFT | 1 | снято с производства | |||
| 33 | ролик | 1 | снято с производства | |||
| 34 | THROTTLE SHAFT AND LEVER | 1 | снято с производства | |||
| 35 | STOP NUT, 8 - 32 | 1 | 380 руб. | |||
| 36 | THROTTLE SHAFT RETURN SPRING | 1 | снято с производства | |||
| 37 | заслонка дросселя | 1 | снято с производства | |||
| 38 | THROTTLE SHUTTER RETAINING SCREW AND LOCKWASHER | 2 | 300 руб. | |||
| 39 | FLANGE GASKET | 1 | 150 руб. | |||
| 40 | BODY CHANNEL WELCH PLUG | 1 | 260 руб. | |||
| 41 | CARBURETOR COMPLETE (WB15C) | 1 | ||||
| 42 | ELBOW, FUEL LINE - CARBURETOR | 1 | снято с производства | |||
| 1 | Art.: FO10588 BODY CHANNEL CUP PLUG Деталей в узле: 1 2 | Art.: FO3804 THROTTLE SHAFT POSITION RETAINING SCREW WASHER Деталей в узле: 1 снято с производства 3 | Art.: FO6396 THROTTLE SHAFT POSITION RETAINING SCREW LOCKWASHER Деталей в узле: 1 снято с производства 4 | Art.: FO6393 THROTTLE SHAFT POSITION RETAINING SCREW Деталей в узле: 1 снято с производства 5 | Art.: FO16383 вал воздушной заслонки и рычаг Деталей в узле: 1 снято с производства 6 | Art.: SEAL, CHOKE ARM SWIVEL Деталей в узле: 3 цена по запросу 7 | Art.: F184033-1 SWIVEL, CHOKE ROD Деталей в узле: 1 снято с производства 8 | Art.: F1059 FILL HD SCREW, 6 - 32 X 1/4 Деталей в узле: 1 снято с производства 8A | Art.: F452925 CHOKE SOLENOID ROD Деталей в узле: 1 снято с производства 9 | Art.: F391926-1 CHOKE SOLENOID PLUNGER Деталей в узле: 1 снято с производства 9A | Art.: F2033 GROOVE PIN Деталей в узле: 1 снято с производства 10 | Art.: PLAIN WASHER Деталей в узле: 1 цена по запросу 11 | Art.: шплинт Деталей в узле: 1 цена по запросу 12 | Art.: FO16385 CHOKE SHAFT RETURN SPRING Деталей в узле: 1 снято с производства 13 | Art.: FO15725 CHOKE RELIEF VALVE Деталей в узле: 1 снято с производства 14 | Art.: IDLE MIXTURE SCREW SPRING Деталей в узле: 1 цена по запросу 15 | Art.: FO13946 винт регулировки качества смеси на холостом ходу Деталей в узле: 1 снято с производства 16 | Art.: CHOKE SHUTTER RETAINING SCREW AND LOCKWASHER Деталей в узле: 2 17 | Art.: FO15724 воздушная заслонка Деталей в узле: 1 снято с производства 18 | Art.: CHOKE RELIEF VALVE SPRING Деталей в узле: 1 цена по запросу
19 | Art.: FO10165 INLET SEAT GASKET Деталей в узле: 1 снято с производства 20 | Art.: FO10790 впускная игла, седло и прокладка Деталей в узле: 1 снято с производства 21 | Art.: FO13944 FLOAT LEVER PIN Деталей в узле: 1 22 | Art.: Комплект запасных частей (INCLUDES ALL ITEMS MARKED WITH AN ASTERISK (*))Деталей в узле: 1 снято с производства 23 | Art.: FO15623 FUEL BOWL GASKET Деталей в узле: 1 24 | Art.: FO2510 FUEL BOWL RETAINING SCREW GASKET Деталей в узле: 2 25 | камера топливной смеси Деталей в узле: 1 26 | Art.: FUEL BOWL RETAINING SCREW Деталей в узле: 1 цена по запросу 27 | Art.: поплавок Деталей в узле: 1 28 | Art.: FO16251 главный распылитель Деталей в узле: 1 снято с производства 29 | Art.: FO14191 MAIN FUEL JET (.0937) (STANDARD) Деталей в узле: 1 снято с производства 30 | Art.: HEX NUT, 5/16 - 18 Деталей в узле: 2 цена по запросу 31 | Art.: Набор прокладок Деталей в узле: 1 снято с производства 32 | Art.: THROTTLE ROLLER SHAFT Деталей в узле: 1 снято с производства 33 | Art.: ролик Деталей в узле: 1 снято с производства 34 | Art.: FO15728 THROTTLE SHAFT AND LEVER Деталей в узле: 1 снято с производства 35 | Art.: STOP NUT, 8 - 32 Деталей в узле: 1 |
