350/350 PRO/400R VERADO (4-STROKE)(6 CYLINDER)
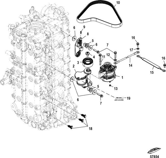
генератор и крепление натяжителя ремня
генератор и крепление натяжителя ремня
| № | Артикул | Наименование | Деталей в узле | Комментарий | Цена | |
| 1 | Генератор | 1 | 92370 руб. | |||
| 2 | натяжитель ремня | 1 | 43090 руб. | |||
| 3 | ролик | 1 | 8270 руб. | |||
| 4 | винт | 1 | 2640 руб. | |||
| 5 | Крепление | 4 | 5150 руб. | |||
| 6 | Шайба (0.406 x 1.250 x 0.089) | 8 | 390 руб. | |||
| 7 | Винт (М10 х 45) | 5 | 590 руб. | |||
| 8 | кронштейн | 1 | цена по запросу | |||
| 9 | стержень | 1 | 1350 руб. | |||
| 10 | приводной ремень | 1 | цена по запросу | |||
| 11 | винт (M10 x 85) | 1 | цена по запросу | |||
| 12 | шайба | 1 | 310 руб. | |||
| 13 | Гайка (М6), нержавеющая сталь | 1 | 350 руб. | |||
| 14 | Кабель в сборе | 1 | 2630 руб. | |||
| 15 | латунный кабель в оплетке в сборе | 1 | 1380 руб. | |||
| 16 | винт (M6 x 16 мм) нержавеющая сталь | 2 | 300 руб. | |||
| 17 | шайба (0.281 x 0.500 x 0.060) нержавеющая сталь | 1 | цена по запросу | |||
| 18 | зажим | 3 | 590 руб. | |||
| 19 | DECAL, Notice Belt Replace | 1 | цена по запросу | |||
| 1 | Art.: 892940T02 Генератор Деталей в узле: 1 2 | Art.: 8M0101707 натяжитель ремня Деталей в узле: 1 3 | Art.: 8M6003035 ролик Деталей в узле: 1 4 | Art.: 10-885349501 винт Деталей в узле: 1 5 | Art.: 23-855729 Крепление Деталей в узле: 4 6 | Art.: 12-845998 Шайба (0.406 x 1.250 x 0.089) Деталей в узле: 8 7 | Art.: Винт (М10 х 45) Деталей в узле: 5 8 | Art.: 88535303S кронштейн Деталей в узле: 1 цена по запросу
9 | Art.: 17-888517 стержень Деталей в узле: 1 10 | Art.: 57-880566Q14 приводной ремень Деталей в узле: 1 цена по запросу
11 | Art.: 10-88552785 винт (M10 x 85) Деталей в узле: 1 цена по запросу
12 | Art.: 12-4002319 шайба Деталей в узле: 1 13 | Art.: 11-401386 Гайка (М6), нержавеющая сталь Деталей в узле: 1 14 | Art.: 84-856583A12 Кабель в сборе Деталей в узле: 1 15 | Art.: 84-858414A04 латунный кабель в оплетке в сборе Деталей в узле: 1 16 | Art.: винт (M6 x 16 мм) нержавеющая сталь Деталей в узле: 2 17 | Art.: 12-29245 шайба (0.281 x 0.500 x 0.060) нержавеющая сталь Деталей в узле: 1 цена по запросу
18 | Art.: 54-828991T зажим Деталей в узле: 3 19 | Art.: 37-8M0096285 DECAL, Notice Belt Replace Деталей в узле: 1 цена по запросу
| ||||||||||||||||||||
