90 HP A-MODELS (1990) FORCE
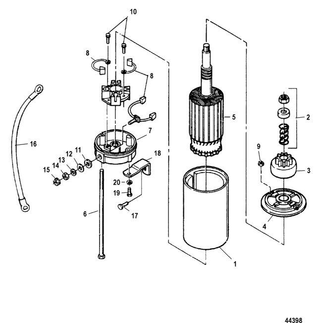
Starter
Starter
| № | Артикул | Наименование | Деталей в узле | Комментарий | Цена | |
| 1 | Стартер в сборе | 1 | цена по запросу | |||
| 2 | комплект приводной шестерни | 1 | 7670 руб. | |||
| 3 | привод в сборе | 1 | цена по запросу | |||
| 4 | торцевая крышка | 1 | снято с производства | |||
| 5 | сердечник | 1 | снято с производства | |||
| 6 | стяжной болт | 1 | снято с производства | |||
| 7 | Крышка | 1 | снято с производства | |||
| 8 | комплект контактной щетки | 1 | снято с производства | |||
| 9 | гайка | 1 | цена по запросу | |||
| 10 | SCREW, BRUSH HOLDER | 1 | снято с производства | |||
| 11 | шайба | 1 | снято с производства | |||
| 12 | шайба | 1 | цена по запросу | |||
| 13 | стопорная шайба (0.250) | 1 | цена по запросу | |||
| 14 | гайка (.250-20) нержавеющая сталь | 1 | цена по запросу | |||
| 15 | гайка | 1 | снято с производства | |||
| 16 | Кабель стартера в сборе | 1 | снято с производства | |||
| 17 | винт (0.250-20 x 0.625) | 1 | снято с производства | |||
| 18 | кронштейн | 1 | снято с производства | |||
| 19 | винт (0.250-20 x 0.625) | 1 | цена по запросу | |||
| 20 | стопорная шайба (0.250) | 1 | цена по запросу | |||
| 1 | Art.: Стартер в сборе Деталей в узле: 1 цена по запросу 2 | Art.: комплект приводной шестерни Деталей в узле: 1 3 | привод в сборе Деталей в узле: 1 цена по запросу 4 | Art.: торцевая крышка Деталей в узле: 1 снято с производства 5 | Art.: F15177 сердечник Деталей в узле: 1 снято с производства 6 | Art.: F15178 стяжной болт Деталей в узле: 1 снято с производства 7 | Art.: F15179 Крышка Деталей в узле: 1 снято с производства 8 | комплект контактной щетки Деталей в узле: 1 снято с производства 9 | Art.: гайка Деталей в узле: 1 цена по запросу 10 | Art.: F15158 SCREW, BRUSH HOLDER Деталей в узле: 1 снято с производства 11 | Art.: шайба Деталей в узле: 1 снято с производства 12 | Art.: шайба Деталей в узле: 1 цена по запросу 13 | Art.: стопорная шайба (0.250) Деталей в узле: 1 цена по запросу 14 | Art.: гайка (.250-20) нержавеющая сталь Деталей в узле: 1 цена по запросу 15 | Art.: F15162 гайка Деталей в узле: 1 снято с производства 16 | Art.: 84-F85908-1 Кабель стартера в сборе Деталей в узле: 1 снято с производства 17 | Art.: 10-F1922 винт (0.250-20 x 0.625) Деталей в узле: 1 |
