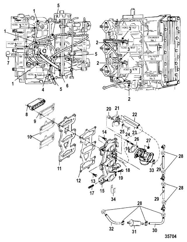
FORCE 75/90
Reed Plate and Recirculation System
Reed Plate and Recirculation System
| № | Артикул | Наименование | Деталей в узле | Комментарий | Цена | |
| 1 | ELBOW, Recirculating | 3 | цена по запросу | |||
| 2 | обратный клапан | 3 | 2440 руб. | |||
| 3 | труба (длина 20") | 1 | (CUT 3 PIECES 8.750 INCHES) (CUT 1 PIECE 11.750 INCHES) (CUT 1 PIECE 14.00 INCHES) (CUT 1 PIECE 18.00 INCHES) | 5780 руб. | ||
| 4 | шланг (длина 57") | 1 | (CUT 4.500 INCHES) | 7650 руб. | ||
| 5 | FITTING (T)-Check Valve | 3 | 3680 руб. | |||
| 6 | колено | 1 | 260 руб. | |||
| 7 | J-образный зажим | 1 | цена по запросу | |||
| 8 | блок лепестковых клапанов в сборе | 3 | цена по запросу | |||
| 9 | GASKET (Top)-Reed Block Adapter | 1 | ||||
| 10 | GASKET (Center/Bottom)-Reed Block Adapter | 2 | 450 руб. | |||
| 11 | ADAPTER, Reed Block | 1 | снято с производства | |||
| 12 | Прокладка впускного коллектора | 1 | ||||
| 13 | винт (0.250-20 x 1.250) | 2 | 210 руб. | |||
| 14 | винт (0.250-20 x 1.00) | 10 | 230 руб. | |||
| 15 | MANIFOLD KIT, Intake | 1 | снято с производства | |||
| 16 | STUD (.312-18 x 1.250) With Dri Lok | 6 | снято с производства | |||
| 17 | STUD (.250-20 x 1.250) | 1 | ||||
| 18 | фиттинг | 1 | снято с производства | |||
| 19 | SCREW, (.250-20 x 1.500) | 6 | снято с производства | |||
| 20 | проставка | 1 | снято с производства | |||
| 21 | SOLENOID, Primer | 1 | 27770 руб. | |||
| 22 | труба (длина 36") | 1 | (CUT 7.250 INCHES) | 4110 руб. | ||
| 23 | труба (длина 36") | 1 | (CUT 5.250 INCHES) | 4110 руб. | ||
| 24 | винт (0.250-20 x 0.750) нержавеющая сталь | 1 | 230 руб. | |||
| 25 | резиновая втулка | 1 | 730 руб. | |||
| 26 | Прокладка карбюратора | 3 | 150 руб. | |||
| 27 | гайка (0.312-18) | 6 | цена по запросу | |||
| 28 | ленточный хомут (8") | 8 | 30 руб. | |||
| 29 | шланг (длина 57") | 2 | (CUT 3.500 INCHES) | 7650 руб. | ||
| 30 | шланг (длина 57") | 1 | (CUT 21.00 INCHES) | 7650 руб. | ||
| 31 | Топливный фильтр | 1 | 1120 руб. | |||
| 32 | шланг (длина 57") | 1 | (CUT 6.00 INCHES) | 7650 руб. | ||
| 33 | ленточный хомут (4") | 1 | 30 руб. | |||
| 34 | J-образный зажим | 1 | цена по запросу | |||
| - | набор прокладок силового агрегата | 1 | 21310 руб. | |||
| - | силовая головка в сборе | 1 | снято с производства | |||
| 1 | Art.: 22-F743314 ELBOW, Recirculating Деталей в узле: 3 цена по запросу
| ||||||||||||||||||||||||||||||||||||||||||||||||||||||||||||||||||||||
| 2 | Art.: 21-426585 обратный клапан Деталей в узле: 3 3 | Art.: труба (длина 20") ((CUT 3 PIECES 8.750 INCHES) (CUT 1 PIECE 11.750 INCHES) (CUT 1 PIECE 14.00 INCHES) (CUT 1 PIECE 18.00 INCHES))Деталей в узле: 1 4 | шланг (длина 57") ((CUT 4.500 INCHES))Деталей в узле: 1 5 | Art.: 21-8207061 FITTING (T)-Check Valve Деталей в узле: 3 6 | Art.: колено Деталей в узле: 1 7 | Art.: 54-55098 J-образный зажим Деталей в узле: 1 цена по запросу
8 | блок лепестковых клапанов в сборе Деталей в узле: 3 цена по запросу 9 | Art.: 27-F851682 GASKET (Top)-Reed Block Adapter Деталей в узле: 1 10 | Art.: 27-819733 GASKET (Center/Bottom)-Reed Block Adapter Деталей в узле: 2 11 | Art.: 8197351 ADAPTER, Reed Block Деталей в узле: 1 снято с производства 12 | Art.: 27-F851591 Прокладка впускного коллектора Деталей в узле: 1 13 | Art.: 10-819110125 винт (0.250-20 x 1.250) Деталей в узле: 2 14 | Art.: 10-819110100 винт (0.250-20 x 1.00) Деталей в узле: 10 15 | Art.: 825195A2 MANIFOLD KIT, Intake Деталей в узле: 1 снято с производства 16 | Art.: 16-8263881 STUD (.312-18 x 1.250) With Dri Lok Деталей в узле: 6 снято с производства 17 | Art.: 16-F4332091 STUD (.250-20 x 1.250) Деталей в узле: 1 18 | Art.: 22-F695858 фиттинг Деталей в узле: 1 снято с производства 19 | Art.: 10-819110150 SCREW, (.250-20 x 1.500) Деталей в узле: 6 снято с производства 20 | Art.: 23-F694359 проставка Деталей в узле: 1 снято с производства 21 | SOLENOID, Primer Деталей в узле: 1 22 | Art.: 32-9912688 труба (длина 36") ((CUT 7.250 INCHES))Деталей в узле: 1 23 | Art.: 32-9912688 труба (длина 36") ((CUT 5.250 INCHES))Деталей в узле: 1 24 | Art.: 10-90192 винт (0.250-20 x 0.750) нержавеющая сталь Деталей в узле: 1 25 | Art.: 25-F694504 резиновая втулка Деталей в узле: 1 26 | Art.: 27-828925 Прокладка карбюратора Деталей в узле: 3 27 | Art.: 11-68292 гайка (0.312-18) Деталей в узле: 6 цена по запросу
28 | Art.: ленточный хомут (8") Деталей в узле: 8 29 | шланг (длина 57") ((CUT 3.500 INCHES))Деталей в узле: 2 30 | шланг (длина 57") ((CUT 21.00 INCHES))Деталей в узле: 1 31 | Топливный фильтр Деталей в узле: 1 32 | шланг (длина 57") ((CUT 6.00 INCHES))Деталей в узле: 1 33 | Art.: 56762 ленточный хомут (4") Деталей в узле: 1 34 | Art.: 54-65292 J-образный зажим Деталей в узле: 1 цена по запросу
- | Art.: 27-809122A2 набор прокладок силового агрегата Деталей в узле: 1 - | Art.: 800-818153A64 силовая головка в сборе Деталей в узле: 1 снято с производства | ||||||||||||||||||||||||||||||||||||
