35 HP
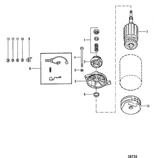
Стартер в сборе
Стартер в сборе
| № | Артикул | Наименование | Деталей в узле | Комментарий | Цена | |
| 1 | комплект приводной шестерни | 1 | снято с производства | |||
| 2 | DRIVE ASSEMBLY (10 PINION TEETH) | 1 | снято с производства | |||
| 3 | PLATE ASSEMBLY, DRIVE END | 1 | снято с производства | |||
| 4 | Not Sold Separate, THRU BOLT (BOSCH #SC-3803) | 2 | ||||
| 5 | стопорная шайба (0.250), нержавеющая сталь | 2 | 90 руб. | |||
| 6 | Not Sold Separate, THRUST WASHER (BOSCH #WA-3122) | 1 | ||||
| 7 | сердечник | 1 | снято с производства | |||
| 8 | комплект пружины и контактной щетки | 1 | снято с производства | |||
| 9 | BUSHING, INSULATING | 1 | снято с производства | |||
| 10 | Not Sold Separate, WASHER (BOSCH #WA-3074-1) | 1 | ||||
| 11 | шайба шпильки впуска | 1 | снято с производства | |||
| 12 | стопорная шайба (0.250), нержавеющая сталь | 1 | 90 руб. | |||
| 13 | Гайка (0.250-20) | 1 | 180 руб. | |||
| 14 | торцевая крышка в сборе с держателем контактной щетки | 1 | снято с производства | |||
| - | STARTER MOTOR ASSEMBLY (10 PINION TEETH) | 1 | не посталяется заказывайте 898265007 | |||
| 1 | Art.: 90642 комплект приводной шестерни Деталей в узле: 1 снято с производства 2 | Art.: DRIVE ASSEMBLY (10 PINION TEETH) Деталей в узле: 1 снято с производства 3 | Art.: 68584 PLATE ASSEMBLY, DRIVE END Деталей в узле: 1 снято с производства 4 | Art.: -N.S.S. Not Sold Separate, THRU BOLT (BOSCH #SC-3803) Деталей в узле: 2 5 | Art.: 13-26992 стопорная шайба (0.250), нержавеющая сталь Деталей в узле: 2 6 | Art.: -N.S.S. Not Sold Separate, THRUST WASHER (BOSCH #WA-3122) Деталей в узле: 1 7 | Art.: 57384 сердечник Деталей в узле: 1 снято с производства 8 | Art.: комплект пружины и контактной щетки Деталей в узле: 1 снято с производства 9 | Art.: 23-57387 BUSHING, INSULATING Деталей в узле: 1 |
