FORCE 1991 120 H.P "D" MODEL L-DRIVE
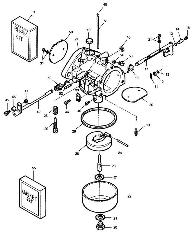
Карбюратор
Карбюратор
| № | Артикул | Наименование | Деталей в узле | Комментарий | Цена | |
| 1 | Комплект запасных частей | 1 | снято с производства | |||
| 5 | JET (.047) | 1 | 2430 руб. | |||
| 10 | E-образная стопорная шайба | 1 | снято с производства | |||
| 11 | шплинт | 2 | цена по запросу | |||
| 12 | PLAIN WASHER | 3 | цена по запросу | |||
| 13 | O-RING SEAL | 5 | цена по запросу | |||
| 14 | SWIVEL, TOP CARBURETOR | 1 | снято с производства | |||
| 15 | SCREW, 6 - 32 X 1/4 | 2 | снято с производства | |||
| 17 | вал воздушной заслонки | 1 | снято с производства | |||
| 18 | возвратная пружина воздушной заслонки | 1 | снято с производства | |||
| 19 | NEEDLE, INLET | 1 | 1800 руб. | |||
| 20 | SCREW, FUEL BOWL RETAINING | 1 | 920 руб. | |||
| 21 | GASKET, FUEL BOWL RETAINING SCREW | 2 | 330 руб. | |||
| 22 | топливная камера | 1 | 1640 руб. | |||
| 23 | главный распылитель | 1 | 3900 руб. | |||
| 24 | стержень рычага поплавка | 1 | 640 руб. | |||
| 25 | поплавок | 1 | 4470 руб. | |||
| 26 | прокладка камеры топливной смеси | 1 | 340 руб. | |||
| 27 | CARBURETOR COMPLETE, TOP (TC108D) | 1 | снято с производства | |||
| 28 | SPRING, IDLE MIXTURE | 1 | цена по запросу | |||
| 29 | винт регулировки качества смеси на холостом ходу | 1 | 1930 руб. | |||
| 30 | воздушная заслонка | 1 | снято с производства | |||
| 31 | SCREW, CHOKE AND THROTTLE SHUTTER | 4 | 300 руб. | |||
| 39 | CLIP, CHOKE SHAFT | 1 | снято с производства | |||
| 40 | MAIN FUEL JET (.096) 0 - 1500 FT. (TOP CARB) | 1 | цена по запросу | |||
| 41 | пружина возврата дросселя | 1 | 1850 руб. | |||
| 42 | Вал дросселя | 1 | цена по запросу | |||
| 44 | винт | 1 | снято с производства | |||
| 45 | SHAFT, THROTTLE ROLLER | 1 | снято с производства | |||
| 46 | ROLLER, THROTTLE | 1 | снято с производства | |||
| 47 | STOP NUT, 8 - 32 | 1 | 380 руб. | |||
| 48 | пробка | 8 | 840 руб. | |||
| 49 | пробка | 1 | 350 руб. | |||
| 50 | дроссельная заслонка | 1 | снято с производства | |||
| 51 | TUBE, BY-PASS | 1 | 1560 руб. | |||
| 52 | соединитель | 1 | снято с производства | |||
| 53 | SCREW, SEALING | 1 | 330 руб. | |||
| 55 | Набор прокладок | 1 | 930 руб. | |||
| - | MAIN FUEL JET (.094) 0 - 1500 FT. (BOTTOM CARB) | 1 | снято с производства | |||
| - | MAIN FUEL JET (.094) 1500 - 3000 FT. (TOP CARB) | - | снято с производства | |||
| - | MAIN FUEL JET (.092) 1500 - 3000 FT. (BOTTOM CARB) | - | цена по запросу | |||
| - | MAIN FUEL JET (.092) 3000 - 4500 FT. (TOP CARB) | - | цена по запросу | |||
| - | MAIN FUEL JET (.090) 3000 - 4500 FT. (BOTTOM CARB) | - | цена по запросу | |||
| - | MAIN FUEL JET (.090) 4500 - 6000 FT. (TOP CARB) | - | цена по запросу | |||
| - | MAIN FUEL JET (.088) 4500 - 6000 FT. (BOTTOM CARB) | - | 1710 руб. | |||
| - | MAIN FUEL JET (.088) 6000 - 10000 FT. (TOP CARB) | - | 1710 руб. | |||
| - | MAIN FUEL JET (.086) 6000 - 10000 FT. (BOTTOM CARB) | - | 1580 руб. | |||
| - | SWIVEL, CHOKE ROD, BOTTOM CARB. (NOT SHOWN) | 1 | снято с производства | |||
| - | CARBURETOR COMPLETE, BOTTOM (TC109D) | 1 | снято с производства | |||
| 1 | Art.: Комплект запасных частей Деталей в узле: 1 снято с производства 5 | Art.: F10273 JET (.047) Деталей в узле: 1 10 | Art.: FO16620 E-образная стопорная шайба Деталей в узле: 1 снято с производства 11 | Art.: шплинт Деталей в узле: 2 цена по запросу 12 | Art.: PLAIN WASHER Деталей в узле: 3 цена по запросу 13 | Art.: O-RING SEAL Деталей в узле: 5 цена по запросу 14 | Art.: F184033-1 SWIVEL, TOP CARBURETOR Деталей в узле: 1 снято с производства 15 | Art.: F1059 SCREW, 6 - 32 X 1/4 Деталей в узле: 2 снято с производства 17 | Art.: FO16301 вал воздушной заслонки Деталей в узле: 1 снято с производства 18 | Art.: F10285 возвратная пружина воздушной заслонки Деталей в узле: 1 снято с производства 19 | Art.: F10265 NEEDLE, INLET Деталей в узле: 1 20 | Art.: FO16132 SCREW, FUEL BOWL RETAINING Деталей в узле: 1 21 | Art.: FO5323 GASKET, FUEL BOWL RETAINING SCREW Деталей в узле: 2 22 | Art.: FO16130 топливная камера Деталей в узле: 1 23 | Art.: FO16133 главный распылитель Деталей в узле: 1 24 | Art.: FO13944 стержень рычага поплавка Деталей в узле: 1 25 | Art.: поплавок Деталей в узле: 1 26 | Art.: FO15623 прокладка камеры топливной смеси Деталей в узле: 1 27 | Art.: F698061-3 CARBURETOR COMPLETE, TOP (TC108D) Деталей в узле: 1 снято с производства 28 | Art.: SPRING, IDLE MIXTURE Деталей в узле: 1 цена по запросу 29 | Art.: F10268 винт регулировки качества смеси на холостом ходу Деталей в узле: 1 30 | Art.: FO17719 воздушная заслонка Деталей в узле: 1 снято с производства 31 | Art.: SCREW, CHOKE AND THROTTLE SHUTTER Деталей в узле: 4 39 | Art.: FO9678 CLIP, CHOKE SHAFT Деталей в узле: 1 снято с производства 40 | Art.: MAIN FUEL JET (.096) 0 - 1500 FT. (TOP CARB) Деталей в узле: 1 цена по запросу 41 | Art.: FO16143 пружина возврата дросселя Деталей в узле: 1 42 | Art.: FO17884 Вал дросселя Деталей в узле: 1 цена по запросу
44 | Art.: F10284 винт Деталей в узле: 1 снято с производства 45 | Art.: SHAFT, THROTTLE ROLLER Деталей в узле: 1 снято с производства 46 | Art.: ROLLER, THROTTLE Деталей в узле: 1 снято с производства 47 | Art.: STOP NUT, 8 - 32 Деталей в узле: 1 48 | Art.: FO10588 пробка Деталей в узле: 8 49 | Art.: FO16128 пробка Деталей в узле: 1 50 | Art.: FO16142 дроссельная заслонка Деталей в узле: 1 снято с производства 51 | Art.: FO16993 TUBE, BY-PASS Деталей в узле: 1 52 | Art.: F10274 соединитель Деталей в узле: 1 снято с производства 53 | Art.: F10275 SCREW, SEALING Деталей в узле: 1 55 | Art.: FK10023 Набор прокладок Деталей в узле: 1 - | Art.: FO14191 MAIN FUEL JET (.094) 0 - 1500 FT. (BOTTOM CARB) Деталей в узле: 1 снято с производства - | Art.: FO14191 MAIN FUEL JET (.094) 1500 - 3000 FT. (TOP CARB) Деталей в узле: - снято с производства - | Art.: MAIN FUEL JET (.092) 1500 - 3000 FT. (BOTTOM CARB) Деталей в узле: - цена по запросу - | Art.: MAIN FUEL JET (.092) 3000 - 4500 FT. (TOP CARB) Деталей в узле: - цена по запросу - | Art.: MAIN FUEL JET (.090) 3000 - 4500 FT. (BOTTOM CARB) Деталей в узле: - |
