FORCE 1989 125 H.P. "B" MODELS-L-DRIVE
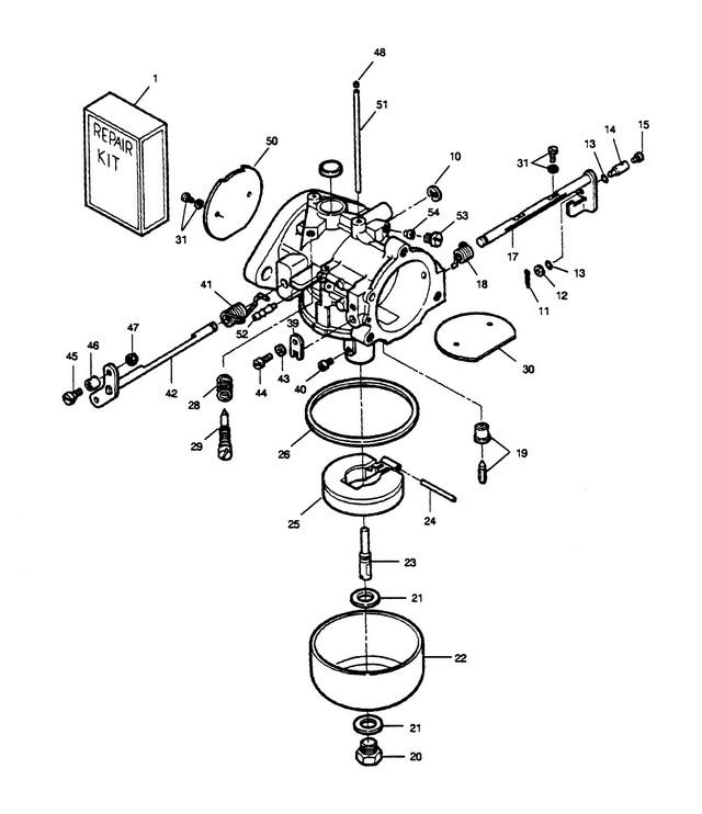
Карбюратор
Карбюратор
| № | Артикул | Наименование | Деталей в узле | Комментарий | Цена | |
| 1 | Комплект запасных частей | 1 | снято с производства | |||
| 10 | E-образная стопорная шайба | 1 | снято с производства | |||
| 11 | шплинт | 2 | цена по запросу | |||
| 12 | PLAIN WASHER | 3 | цена по запросу | |||
| 13 | O-RING SEAL | 5 | цена по запросу | |||
| 14 | SWIVEL, TOP CARBURETOR | 1 | снято с производства | |||
| 15 | FILL HD. SCREW, 6 - 32 X 1/4 | 2 | снято с производства | |||
| 16 | Топливный шланг | 1 | снято с производства | |||
| 17 | вал воздушной заслонки и рычаг | 1 | снято с производства | |||
| 18 | CHOKE SHAFT RETURN SPRING | 1 | снято с производства | |||
| 19 | NEEDLE-INLET | 1 | 1780 руб. | |||
| 20 | FUEL BOWL RETAINING SCREW | 1 | 920 руб. | |||
| 21 | FUEL BOWL RETAINING SCREW GASKET | 2 | 330 руб. | |||
| 22 | камера топливной смеси | 1 | 1640 руб. | |||
| 23 | главный распылитель | 1 | 3900 руб. | |||
| 24 | FLOAT LEVER PIN | 1 | 640 руб. | |||
| 25 | поплавок | 1 | 4400 руб. | |||
| 26 | FUEL BOWL GASKET | 1 | 340 руб. | |||
| 27 | CARBURETOR COMPLETE (BOTTOM) | 1 | цена по запросу | |||
| 28 | IDLE MIXTURE SCREW SPRING | 1 | цена по запросу | |||
| 29 | винт регулировки качества смеси на холостом ходу | 1 | 1930 руб. | |||
| 30 | SHUTTER | 1 | снято с производства | |||
| 31 | CHOKE AND THROTTLE SHUTTER SCREW | 4 | 300 руб. | |||
| 39 | CLIP, CHOKE SHAFT | 1 | снято с производства | |||
| 40 | MAIN FUEL JET STD. .096 SEA LEVEL - 1500 FT. | 1 | (BOTTOM CARBURETOR) | цена по запросу | ||
| 41 | THROTTLE SHAFT RETURN SPRING | 1 | 1970 руб. | |||
| 42 | THROTTLE SHAFT AND LEVER | 1 | цена по запросу | |||
| 43 | стопорная шайба | 1 | снято с производства | |||
| 44 | винт | 1 | снято с производства | |||
| 45 | THROTTLE ROLLER SHAFT | 1 | снято с производства | |||
| 46 | THROTTLE ROLLER | 1 | снято с производства | |||
| 47 | STOP NUT, 8 - 32 | 1 | 380 руб. | |||
| 48 | BODY CHANNEL CUP PLUG | 8 | 840 руб. | |||
| 49 | BODY CHANNEL WELCH PLUG | 1 | 350 руб. | |||
| 50 | заслонка дросселя | 1 | снято с производства | |||
| 51 | BY-PASS TUBE | 1 | 1670 руб. | |||
| 52 | соединитель | 1 | снято с производства | |||
| 53 | SCREW, SEALING | 1 | 330 руб. | |||
| 54 | JET (.052) | 1 | снято с производства | |||
| - | MAIN FUEL JET STD. .098 SEA LEVEL - 1500 FT. | 1 | (TOP CARBURETOR) | цена по запросу | ||
| - | MAIN FUEL JET OPT. .092 1500 - 3000 FT. | - | цена по запросу | |||
| - | MAIN FUEL JET OPT. .088 4500 - 6000 FT. | - | 1710 руб. | |||
| - | MAIN FUEL JET OPT. .086 6000 FT. & UP | - | 1580 руб. | |||
| - | CARBURETOR COMPLETE (TOP) | 1 | цена по запросу | |||
| - | Набор прокладок | 1 | 910 руб. | |||
| - | SWIVEL, CHOKE ROD (BOTTOM CARBURETOR) (NOT SHOWN) | 1 | снято с производства | |||
| - | MAIN FUEL JET OPT. .090 3000 - 4500 FT. | - | цена по запросу | |||
| 1 | Art.: Комплект запасных частей Деталей в узле: 1 снято с производства 10 | Art.: FO16620 E-образная стопорная шайба Деталей в узле: 1 снято с производства 11 | Art.: шплинт Деталей в узле: 2 цена по запросу 12 | Art.: PLAIN WASHER Деталей в узле: 3 цена по запросу 13 | Art.: O-RING SEAL Деталей в узле: 5 цена по запросу 14 | Art.: F184033-1 SWIVEL, TOP CARBURETOR Деталей в узле: 1 снято с производства 15 | Art.: F1059 FILL HD. SCREW, 6 - 32 X 1/4 Деталей в узле: 2 снято с производства 16 | Топливный шланг Деталей в узле: 1 снято с производства 17 | Art.: FO16301 вал воздушной заслонки и рычаг Деталей в узле: 1 снято с производства 18 | Art.: F10285 CHOKE SHAFT RETURN SPRING Деталей в узле: 1 снято с производства 19 | Art.: NEEDLE-INLET Деталей в узле: 1 20 | Art.: FO16132 FUEL BOWL RETAINING SCREW Деталей в узле: 1 21 | Art.: FO5323 FUEL BOWL RETAINING SCREW GASKET Деталей в узле: 2 22 | Art.: FO16130 камера топливной смеси Деталей в узле: 1 23 | Art.: FO16133 главный распылитель Деталей в узле: 1 24 | Art.: FO13944 FLOAT LEVER PIN Деталей в узле: 1 25 | Art.: поплавок Деталей в узле: 1 26 | Art.: FO15623 FUEL BOWL GASKET Деталей в узле: 1 27 | Art.: CARBURETOR COMPLETE (BOTTOM) Деталей в узле: 1 цена по запросу 28 | Art.: IDLE MIXTURE SCREW SPRING Деталей в узле: 1 цена по запросу 29 | Art.: F10268 винт регулировки качества смеси на холостом ходу Деталей в узле: 1 30 | Art.: FO17719 SHUTTER Деталей в узле: 1 снято с производства 31 | CHOKE AND THROTTLE SHUTTER SCREW Деталей в узле: 4 39 | Art.: FO9678 CLIP, CHOKE SHAFT Деталей в узле: 1 снято с производства 40 | Art.: MAIN FUEL JET STD. .096 SEA LEVEL - 1500 FT. ((BOTTOM CARBURETOR))Деталей в узле: 1 цена по запросу 41 | Art.: FO16143 THROTTLE SHAFT RETURN SPRING Деталей в узле: 1 42 | Art.: FO17884 THROTTLE SHAFT AND LEVER Деталей в узле: 1 цена по запросу
43 | Art.: FO992 стопорная шайба Деталей в узле: 1 снято с производства 44 | Art.: FO1974 винт Деталей в узле: 1 снято с производства 45 | Art.: THROTTLE ROLLER SHAFT Деталей в узле: 1 снято с производства 46 | Art.: THROTTLE ROLLER Деталей в узле: 1 снято с производства 47 | Art.: STOP NUT, 8 - 32 Деталей в узле: 1 48 | Art.: FO10588 BODY CHANNEL CUP PLUG Деталей в узле: 8 49 | Art.: FO16128 BODY CHANNEL WELCH PLUG Деталей в узле: 1 50 | Art.: FO16142 заслонка дросселя Деталей в узле: 1 снято с производства 51 | Art.: FO16993 BY-PASS TUBE Деталей в узле: 1 52 | Art.: F10274 соединитель Деталей в узле: 1 снято с производства 53 | Art.: F10275 SCREW, SEALING Деталей в узле: 1 54 | Art.: F10286 JET (.052) Деталей в узле: 1 снято с производства - | Art.: MAIN FUEL JET STD. .098 SEA LEVEL - 1500 FT. ((TOP CARBURETOR))Деталей в узле: 1 цена по запросу - | Art.: MAIN FUEL JET OPT. .092 1500 - 3000 FT. Деталей в узле: - |
