FORCE 1987 125 H.P. "B" MODELS
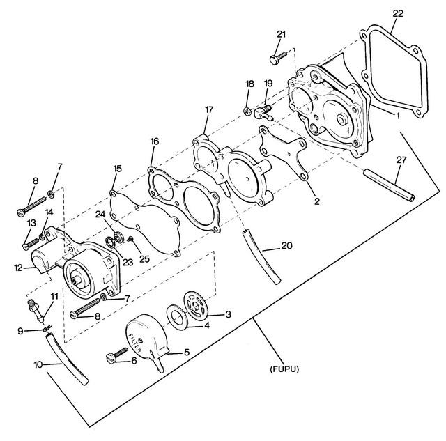
Топливный насос
Топливный насос
| № | Артикул | Наименование | Деталей в узле | Комментарий | Цена | |
| 1 | Крышка топливного насоса | 1 | W/LITERATURE | цена по запросу | ||
| 2 | GASKET, SPACER PLATE | 1 | 320 руб. | |||
| 3 | GASKET, FUEL SEDIMENT BOWL | 1 | 1030 руб. | |||
| 4 | SCREEN, FUEL PUMP | 1 | 1110 руб. | |||
| 5 | BOWL, FUEL SEDIMENT | 1 | снято с производства | |||
| 6 | SCREW, FUEL SEDIMENT BOWL | 1 | цена по запросу | |||
| 7 | стопорная шайба | 4 | цена по запросу | |||
| 8 | SLOTTED FIL SCREW, 1/4 - 20 X 1-1/4 S.S. | 4 | 260 руб. | |||
| 9 | Зажим топливопровода | 2 | цена по запросу | |||
| 10 | FUEL LINE, PUMP TO CARBURETOR | 1 | снято с производства | |||
| 11 | колено | 1 | цена по запросу | |||
| 12 | Корпус топливного насоса | 1 | W/ILLUS. | цена по запросу | ||
| 13 | SCREW, 10 - 24 X 3/4 PAN HD SCREW | 2 | цена по запросу | |||
| 14 | стопорная шайба | 2 | цена по запросу | |||
| 15 | диафрагма топливного насоса | 1 | 1040 руб. | |||
| 16 | Прокладка топливного насоса | 1 | 470 руб. | |||
| 17 | проставка топливного насоса | 1 | снято с производства | |||
| 18 | NUT, 10 - 24 S.S. | 2 | цена по запросу | |||
| 19 | ELBOW, RECIRCULATING | 1 | снято с производства | |||
| 20 | HOSE, IMPULSE | 1 | цена по запросу | |||
| 21 | HEX HD SCREW, 1/4 - 20 X 5/8 GR. 5 | 3 | снято с производства | |||
| 22 | GASKET, TRANSFER PORT COVER | 1 | 1500 руб. | |||
| 23 | GASKET, FUEL PUMP VALVE | 1 | 350 руб. | |||
| 24 | VALVE, FUEL PUMP | 3 | 1210 руб. | |||
| 25 | SLOTTED BINDING HEAD SCREW, 6 - 32 X 1/4 | 2 | цена по запросу | |||
| 27 | HOSE, RECIRCULATION | 1 | снято с производства | |||
| - | FUEL PUMP COMPLETE | 1 | INCLUDES ITEMS 1, 2, 7, 8 & 11 THRU 20 | снято с производства | ||
| 1 | Art.: Крышка топливного насоса (W/LITERATURE)Деталей в узле: 1 цена по запросу 2 | Art.: F658803 GASKET, SPACER PLATE Деталей в узле: 1 3 | Art.: GASKET, FUEL SEDIMENT BOWL Деталей в узле: 1 4 | Art.: F438653 SCREEN, FUEL PUMP Деталей в узле: 1 5 | Art.: BOWL, FUEL SEDIMENT Деталей в узле: 1 снято с производства 6 | Art.: SCREW, FUEL SEDIMENT BOWL Деталей в узле: 1 цена по запросу 7 | Art.: стопорная шайба Деталей в узле: 4 цена по запросу 8 | Art.: F1504 SLOTTED FIL SCREW, 1/4 - 20 X 1-1/4 S.S. Деталей в узле: 4 9 | Art.: Зажим топливопровода Деталей в узле: 2 цена по запросу 10 | FUEL LINE, PUMP TO CARBURETOR Деталей в узле: 1 снято с производства 11 | Art.: колено Деталей в узле: 1 цена по запросу 12 | Корпус топливного насоса (W/ILLUS.)Деталей в узле: 1 цена по запросу 13 | Art.: SCREW, 10 - 24 X 3/4 PAN HD SCREW Деталей в узле: 2 цена по запросу 14 | Art.: стопорная шайба Деталей в узле: 2 цена по запросу 15 | Art.: F438747 диафрагма топливного насоса Деталей в узле: 1 16 | Art.: Прокладка топливного насоса Деталей в узле: 1 17 | Art.: F658836 проставка топливного насоса Деталей в узле: 1 снято с производства 18 | Art.: NUT, 10 - 24 S.S. Деталей в узле: 2 цена по запросу 19 | Art.: ELBOW, RECIRCULATING Деталей в узле: 1 снято с производства 20 | Art.: HOSE, IMPULSE Деталей в узле: 1 цена по запросу 21 | Art.: HEX HD SCREW, 1/4 - 20 X 5/8 GR. 5 Деталей в узле: 3 снято с производства 22 | GASKET, TRANSFER PORT COVER Деталей в узле: 1 23 | Art.: F84792 GASKET, FUEL PUMP VALVE Деталей в узле: 1 24 | Art.: VALVE, FUEL PUMP Деталей в узле: 3 |
