125 H.P.
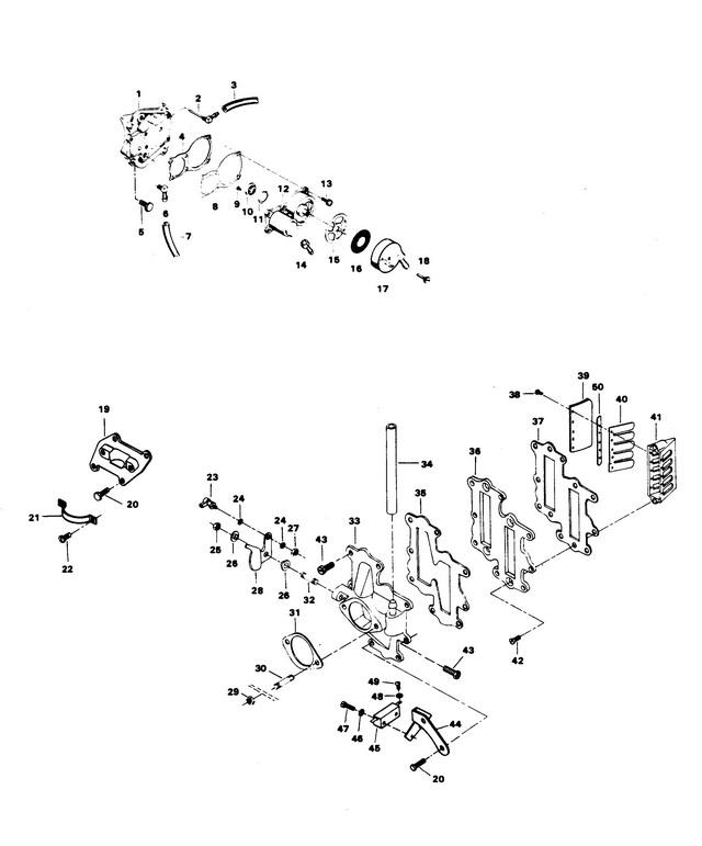
FUEL PUMP AND REED PLATE
FUEL PUMP AND REED PLATE
| № | Артикул | Наименование | Деталей в узле | Комментарий | Цена | |
| 1 | FUEL PUMP COVER W/PLUG | 1 | снято с производства | |||
| 2 | ELBOW, FUEL PUMP COVER | 1 | снято с производства | |||
| 3 | Шланг | 1 | снято с производства | |||
| 4 | FUEL PUMP GASKET | 1 | 470 руб. | |||
| 5 | HEX CAP SCREW, 1/4 - 20 X 5/8 | 4 | снято с производства | |||
| 6 | колено | 1 | снято с производства | |||
| 7 | FUEL PUMP AIR HOSE - TOP | 1 | цена по запросу | |||
| 8 | FUEL PUMP DIAPHRAGM | 1 | 1040 руб. | |||
| 9 | RD HD SCREW, 6 - 32 X 1/4 | 2 | цена по запросу | |||
| 10 | FUEL PUMP VALVE | 3 | 1210 руб. | |||
| 11 | GASKET, CENTER FUEL PUMP VALVE | 1 | 350 руб. | |||
| 12 | FUEL PUMP BODY W/VALVES | 1 | цена по запросу | |||
| 13 | FILL HD SCREW, 1/4 - 20 X 3/4 | 6 | снято с производства | |||
| 14 | фиттинг | 1 | цена по запросу | |||
| 15 | FUEL SEDIMENT BOWL GASKET | 1 | 1030 руб. | |||
| 16 | FUEL SEDIMENT BOWL SCREEN | 1 | 1110 руб. | |||
| 17 | FUEL SEDIMENT BOWL | 1 | снято с производства | |||
| 18 | SCREW, FUEL PUMP BOWL | 1 | цена по запросу | |||
| 19 | CHOKE BRACKET | 1 | снято с производства | |||
| 20 | HEX HD SCREW, 1/4 - 20 X 1 | 6 | 230 руб. | |||
| 21 | SOLENOID CLAMP | 1 | цена по запросу | |||
| 22 | SCREW, 1/4 - 20 X 1/2 | 2 | цена по запросу | |||
| 23 | BALL JOINT W/STUD | 1 | 2350 руб. | |||
| 24 | INTERNAL TOOTH LOCKWASHER | 2 | цена по запросу | |||
| 25 | STOP NUT, 1/4 - 20 | 1 | цена по запросу | |||
| 26 | THROTTLE CAM BEARING | 2 | снято с производства | |||
| 27 | HEX NUT, 10 - 32 | 1 | цена по запросу | |||
| 28 | дроссельный кулачок | 1 | цена по запросу | |||
| 29 | HEX NUT | 4 | цена по запросу | |||
| 30 | CARBURETOR STUD | 4 | цена по запросу | |||
| 31 | CARBURETOR GASKET | 2 | 260 руб. | |||
| 32 | THROTTLE CAM STUD | 1 | снято с производства | |||
| 33 | CARBURETOR ADAPTER, LOWER | 1 | W/FITTING AND ILLUS. 30 | снято с производства | ||
| 34 | BALANCE TUBE | 1 | цена по запросу | |||
| 35 | GASKET, CARBURETOR ADAPTER | 1 | 570 руб. | |||
| 36 | DEFLECTOR PLATE | 2 | снято с производства | |||
| 37 | GASKET DEFLECTOR PLATE | 2 | 450 руб. | |||
| 38 | ROUND HD SCREW W/LOCKWASHER 6 - 32 X 1/4 | 40 | цена по запросу | |||
| 39 | REED STOP | 8 | снято с производства | |||
| 40 | REED (5 PETAL) | 8 | цена по запросу | |||
| 41 | REED PLATE | 4 | W/ILLUS. 38, 39, 40, 44 AND 51 | снято с производства | ||
| 42 | FLAT HD SCREW, 1/4 - 20 X 5/8 | 8 | снято с производства | |||
| 43 | HEX HD SCREW, 1/4 - 20 X 7/8 | 10 | снято с производства | |||
| 44 | BRACKET NEUTRAL INTERLOCK SWITCH | 1 | снято с производства | |||
| 49 | RD HD SCREW, 6 - 32 X 1/4 | 2 | цена по запросу | |||
| 50 | SPACER, REEDS STOP | 8 | снято с производства | |||
| - | CARBURETOR ADAPTER, UPPER | 1 | W/FITTING AND ILLUS. 30 | снято с производства | ||
| - | POINTER, TIMING | 1 | снято с производства | |||
| 1 | Art.: FUEL PUMP COVER W/PLUG Деталей в узле: 1 снято с производства 2 | Art.: F404314 ELBOW, FUEL PUMP COVER Деталей в узле: 1 снято с производства 3 | Шланг Деталей в узле: 1 снято с производства 4 | Art.: FUEL PUMP GASKET Деталей в узле: 1 5 | Art.: F1922 HEX CAP SCREW, 1/4 - 20 X 5/8 Деталей в узле: 4 снято с производства 6 | Art.: F84314-2 колено Деталей в узле: 1 снято с производства 7 | Art.: FUEL PUMP AIR HOSE - TOP Деталей в узле: 1 цена по запросу 8 | Art.: F438747 FUEL PUMP DIAPHRAGM Деталей в узле: 1 9 | Art.: RD HD SCREW, 6 - 32 X 1/4 Деталей в узле: 2 цена по запросу 10 | Art.: FUEL PUMP VALVE Деталей в узле: 3 11 | Art.: F84792 GASKET, CENTER FUEL PUMP VALVE Деталей в узле: 1 12 | FUEL PUMP BODY W/VALVES Деталей в узле: 1 цена по запросу 13 | Art.: F1108 FILL HD SCREW, 1/4 - 20 X 3/4 Деталей в узле: 6 снято с производства 14 | Art.: фиттинг Деталей в узле: 1 цена по запросу 15 | Art.: FUEL SEDIMENT BOWL GASKET Деталей в узле: 1 16 | Art.: F438653 FUEL SEDIMENT BOWL SCREEN Деталей в узле: 1 17 | Art.: FUEL SEDIMENT BOWL Деталей в узле: 1 снято с производства 18 | Art.: SCREW, FUEL PUMP BOWL Деталей в узле: 1 цена по запросу 19 | Art.: F372958 CHOKE BRACKET Деталей в узле: 1 снято с производства 20 | Art.: HEX HD SCREW, 1/4 - 20 X 1 Деталей в узле: 6 21 | Art.: SOLENOID CLAMP Деталей в узле: 1 цена по запросу 22 | Art.: SCREW, 1/4 - 20 X 1/2 Деталей в узле: 2 цена по запросу 23 | Art.: BALL JOINT W/STUD Деталей в узле: 1 24 | Art.: F8058 INTERNAL TOOTH LOCKWASHER Деталей в узле: 2 цена по запросу
25 | Art.: STOP NUT, 1/4 - 20 Деталей в узле: 1 цена по запросу 26 | Art.: F269319 THROTTLE CAM BEARING Деталей в узле: 2 снято с производства 27 | Art.: HEX NUT, 10 - 32 Деталей в узле: 1 цена по запросу 28 | Art.: дроссельный кулачок Деталей в узле: 1 цена по запросу 29 | Art.: HEX NUT Деталей в узле: 4 цена по запросу 30 | CARBURETOR STUD Деталей в узле: 4 цена по запросу 31 | Art.: F440906 CARBURETOR GASKET Деталей в узле: 2 32 | Art.: F433209-1 THROTTLE CAM STUD Деталей в узле: 1 снято с производства 33 | Art.: CARBURETOR ADAPTER, LOWER (W/FITTING AND ILLUS. 30)Деталей в узле: 1 снято с производства 34 | BALANCE TUBE Деталей в узле: 1 цена по запросу 35 | Art.: GASKET, CARBURETOR ADAPTER Деталей в узле: 1 36 | DEFLECTOR PLATE Деталей в узле: 2 снято с производства 37 | Art.: F406406 GASKET DEFLECTOR PLATE Деталей в узле: 2 38 | Art.: ROUND HD SCREW W/LOCKWASHER 6 - 32 X 1/4 Деталей в узле: 40 цена по запросу
39 | Art.: F85161-1 REED STOP Деталей в узле: 8 снято с производства 40 | Art.: F530160 REED (5 PETAL) Деталей в узле: 8 цена по запросу
41 | Art.: REED PLATE (W/ILLUS. 38, 39, 40, 44 AND 51)Деталей в узле: 4 снято с производства 42 | Art.: F1831 FLAT HD SCREW, 1/4 - 20 X 5/8 Деталей в узле: 8 |
