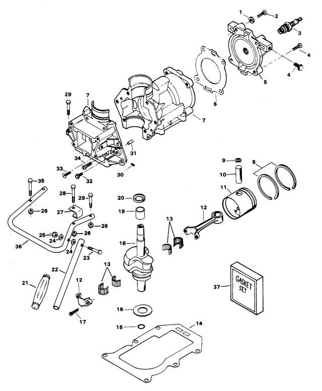
3.5 H.P.
силовая головка
силовая головка
| № | Артикул | Наименование | Деталей в узле | Комментарий | Цена | |
| 1 | WASHER, PLAIN | 4 | цена по запросу | |||
| 2 | винт головки блока | 4 | снято с производства | |||
| 3 | SPARK PLUG (L-86) | 1 | цена по запросу | |||
| 4 | SCREW, HEX HD 1/4 - 20 X 7/16 | 2 | снято с производства | |||
| 5 | HEAD, CYLINDER | 1 | снято с производства | |||
| 6 | прокладка головки блока | 1 | 2730 руб. | |||
| 7 | CYLINDER ASSEMBLY W/CRANKCASE COVER, DOWEL PINS & SCREWS | 1 | снято с производства | |||
| 8 | RING SET, PISTON (2 RINGS) | 2 | снято с производства | |||
| 9 | стопорное кольцо поршневого пальца | 2 | снято с производства | |||
| 10 | поршневой палец | 1 | снято с производства | |||
| 11 | Поршень | 1 | цена по запросу | |||
| 12 | ROD, CONNECTING W/SCREWS AND BEARINGS | 1 | снято с производства | |||
| 13 | BEARING ASSEMBLY, W/CAGE AND ROLLERS | 2 | снято с производства | |||
| 14 | GASKET, CYLINDER EXHAUST | 1 | цена по запросу | |||
| 15 | SEAL, SPLINE, CRANKSHAFT | 1 | снято с производства | |||
| 16 | SEAL, CRANKSHAFT, LOWER | 1 | снято с производства | |||
| 17 | Винт шатуна | 2 | снято с производства | |||
| 18 | CRANKSHAFT ASSEMBLY W/SLINGER AND LOWER BEARING | 1 | снято с производства | |||
| 19 | BEARING, CRANKSHAFT, UPPER | 1 | снято с производства | |||
| 20 | SEAL, CRANKSHAFT, UPPER | 1 | цена по запросу | |||
| 21 | рукоятка ручки рулевого управления | 1 | снято с производства | |||
| 22 | Ручка рулевого управления | 1 | снято с производства | |||
| 23 | SCREW 5/16 - 18 X 1 1/2 | 1 | снято с производства | |||
| 24 | шайба | 2 | цена по запросу | |||
| 25 | NUT, LOCK 5/16 - 18 | 1 | снято с производства | |||
| 26 | NUT, LOCK 1/4 - 20 | 4 | снято с производства | |||
| 27 | BRACKET, STEERING HANDLE STOP | 1 | снято с производства | |||
| 28 | SCREW 1/4 - 20 X 1 1/2 | 1 | снято с производства | |||
| 29 | SCREW 1/4 - 20 X 1 1/8 | 2 | снято с производства | |||
| 30 | заглушка трубки | 1 | снято с производства | |||
| 31 | посадочный штифт | 2 | цена по запросу | |||
| 32 | SCREW 1/4 - 20 X 5/8 | 1 | снято с производства | |||
| 33 | SCREW 1/4 - 20 X 3/4 | 2 | цена по запросу | |||
| 34 | SCREW 1/4 - 20 X 1 1/4 | 4 | 260 руб. | |||
| 35 | SCREW 1/4 - 20 X 1 3/8 | 1 | снято с производства | |||
| 36 | рукоятка | 1 | снято с производства | |||
| 37 | GASKET SET. | 1 | INCLUDES ITEMS LISTED BELOW | снято с производства | ||
| - | прокладка головки блока | 1 | 2730 руб. | |||
| - | GASKET, CYLINDER, EXHAUST | 1 | цена по запросу | |||
| - | GASKET, CARBURETOR ADAPTER | 1 | снято с производства | |||
| - | GASKET, REED PLATE | 2 | цена по запросу | |||
| - | SHORT BLOCK (NOT SHOWN) | 1 | INCLUDE ALL ITEMS MARKED WITH AN ASTERISK (*) | снято с производства | ||
| - | Прокладка карбюратора | 1 | 220 руб. | |||
| 1 | Art.: WASHER, PLAIN Деталей в узле: 4 цена по запросу 2 | Art.: F901938-1 винт головки блока Деталей в узле: 4 снято с производства 3 | Art.: SPARK PLUG (L-86) Деталей в узле: 1 цена по запросу
4 | Art.: F1426 SCREW, HEX HD 1/4 - 20 X 7/16 Деталей в узле: 2 снято с производства 5 | Art.: F521518 HEAD, CYLINDER Деталей в узле: 1 снято с производства 6 | Art.: прокладка головки блока Деталей в узле: 1 7 | Art.: CYLINDER ASSEMBLY W/CRANKCASE COVER, DOWEL PINS & SCREWS Деталей в узле: 1 снято с производства 8 | Art.: 39-818038A1 RING SET, PISTON (2 RINGS) Деталей в узле: 2 снято с производства 9 | Art.: F250410 стопорное кольцо поршневого пальца Деталей в узле: 2 снято с производства 10 | Art.: F250017 поршневой палец Деталей в узле: 1 снято с производства 11 | Art.: Поршень Деталей в узле: 1 цена по запросу 12 | Art.: F2A521016 ROD, CONNECTING W/SCREWS AND BEARINGS Деталей в узле: 1 снято с производства 13 | Art.: FA567241 BEARING ASSEMBLY, W/CAGE AND ROLLERS Деталей в узле: 2 снято с производства 14 | Art.: GASKET, CYLINDER EXHAUST Деталей в узле: 1 цена по запросу 15 | Art.: F521579 SEAL, SPLINE, CRANKSHAFT Деталей в узле: 1 снято с производства 16 | Art.: SEAL, CRANKSHAFT, LOWER Деталей в узле: 1 снято с производства 17 | Art.: F36634 Винт шатуна Деталей в узле: 2 снято с производства 18 | Art.: F2A521018 CRANKSHAFT ASSEMBLY W/SLINGER AND LOWER BEARING Деталей в узле: 1 снято с производства 19 | Art.: F521013 BEARING, CRANKSHAFT, UPPER Деталей в узле: 1 снято с производства 20 | Art.: SEAL, CRANKSHAFT, UPPER Деталей в узле: 1 цена по запросу 21 | Art.: F211137-1 рукоятка ручки рулевого управления Деталей в узле: 1 снято с производства 22 | Art.: F601079 Ручка рулевого управления Деталей в узле: 1 снято с производства 23 | Art.: F1893 SCREW 5/16 - 18 X 1 1/2 Деталей в узле: 1 снято с производства 24 | Art.: шайба Деталей в узле: 2 цена по запросу 25 | Art.: F2108 NUT, LOCK 5/16 - 18 Деталей в узле: 1 снято с производства 26 | Art.: F7019 NUT, LOCK 1/4 - 20 Деталей в узле: 4 снято с производства 27 | Art.: F601078 BRACKET, STEERING HANDLE STOP Деталей в узле: 1 снято с производства 28 | Art.: F1891 SCREW 1/4 - 20 X 1 1/2 Деталей в узле: 1 снято с производства 29 | Art.: F1699 SCREW 1/4 - 20 X 1 1/8 Деталей в узле: 2 снято с производства 30 | Art.: F1789 заглушка трубки Деталей в узле: 1 снято с производства 31 | Art.: F8559 посадочный штифт Деталей в узле: 2 цена по запросу
32 | Art.: F2040 SCREW 1/4 - 20 X 5/8 Деталей в узле: 1 снято с производства 33 | Art.: F1107 SCREW 1/4 - 20 X 3/4 Деталей в узле: 2 цена по запросу
34 | Art.: SCREW 1/4 - 20 X 1 1/4 Деталей в узле: 4 35 | Art.: F1708 SCREW 1/4 - 20 X 1 3/8 Деталей в узле: 1 снято с производства 36 | Art.: F601647 рукоятка Деталей в узле: 1 снято с производства 37 | Art.: FG1015 GASKET SET. (INCLUDES ITEMS LISTED BELOW)Деталей в узле: 1 снято с производства - | Art.: прокладка головки блока Деталей в узле: 1 - | Art.: GASKET, CYLINDER, EXHAUST Деталей в узле: 1 цена по запросу - | Art.: F521168 GASKET, CARBURETOR ADAPTER Деталей в узле: 1 снято с производства - | Art.: GASKET, REED PLATE Деталей в узле: 2 цена по запросу - | Art.: SHORT BLOCK (NOT SHOWN) (INCLUDE ALL ITEMS MARKED WITH AN ASTERISK (*))Деталей в узле: 1 снято с производства - | Art.: F521906 Прокладка карбюратора Деталей в узле: 1 | ||||||||||||||||||||||||||||||||||||||||||||
