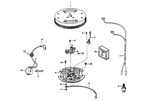
30 H.P.
MAGNETO
MAGNETO
| № | Артикул | Наименование | Деталей в узле | Комментарий | Цена | |
| 1 | маховик | 1 | снято с производства | |||
| 2 | CONDENSER MOUNTING SCREW | 2 | снято с производства | |||
| 3 | конденсатор | 2 | снято с производства | |||
| 4 | GROUND LEAD | 1 | цена по запросу | |||
| 5 | SHORTING SWITCH FOR MANUAL START MODELS ONLY | 1 | снято с производства | |||
| 6 | STATOR GROUND WIRE | 1 | снято с производства | |||
| 7 | HEX NUT | 1 | цена по запросу | |||
| 8 | SPRING LOCKWASHER | 1 | цена по запросу | |||
| 9 | STATOR PLATE W/LAMINATIONS | 1 | снято с производства | |||
| 10 | FILL HD SCREW, 10 - 32 X 5/8 | 1 | снято с производства | |||
| 11 | COIL WEDGE SPRING | 2 | снято с производства | |||
| 12 | COIL W/LEAD WIRE | 2 | 24150 руб. | |||
| 13 | GROMMET, LEAD WIRE | 1 | снято с производства | |||
| 14 | SPARKIE W/SPRING | 2 | 780 руб. | |||
| 15 | BREAKER POINT SET | 2 | цена по запросу | |||
| 16 | CAM WIPER FELT | 1 | снято с производства | |||
| 17 | CONTACT SCREW W/LOCKWASHER | 4 | снято с производства | |||
| 18 | FILL HD SCREW W/SPRING LOCKWASHER, 10 - 32 X 9/16 | 3 | снято с производства | |||
| 19 | TUNE-UP KIT | 1 | INCLUDES ALL ITEMS MARKED WITH AN ASTERISK (*) | снято с производства | ||
| 1 | Art.: маховик Деталей в узле: 1 снято с производства 2 | Art.: F12170 CONDENSER MOUNTING SCREW Деталей в узле: 2 снято с производства 3 | Art.: F12181-1 конденсатор Деталей в узле: 2 снято с производства 4 | Art.: GROUND LEAD Деталей в узле: 1 цена по запросу 5 | SHORTING SWITCH FOR MANUAL START MODELS ONLY Деталей в узле: 1 снято с производства 6 | Art.: F460664 STATOR GROUND WIRE Деталей в узле: 1 снято с производства 7 | Art.: HEX NUT Деталей в узле: 1 цена по запросу 8 | Art.: SPRING LOCKWASHER Деталей в узле: 1 цена по запросу 9 | Art.: F12346 STATOR PLATE W/LAMINATIONS Деталей в узле: 1 снято с производства 10 | Art.: F1092 FILL HD SCREW, 10 - 32 X 5/8 Деталей в узле: 1 снято с производства 11 | Art.: F12146 COIL WEDGE SPRING Деталей в узле: 2 снято с производства 12 | Art.: COIL W/LEAD WIRE Деталей в узле: 2 13 | Art.: F12088 GROMMET, LEAD WIRE Деталей в узле: 1 |
