4 H.P.
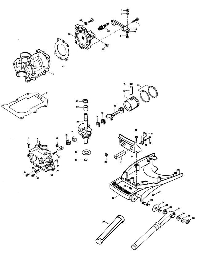
POWER HEAD AND SUPPORT PLATE
POWER HEAD AND SUPPORT PLATE
| № | Артикул | Наименование | Деталей в узле | Комментарий | Цена | |
| 1 | HEX NUT | 2 | цена по запросу | |||
| 2 | SPRING LOCKWASHER | 2 | цена по запросу | |||
| 3 | винт головки блока | 4 | снято с производства | |||
| 4 | BRACKET, ENGINE COVER LOWER MOUNTING | 1 | снято с производства | |||
| 5 | HEX HD CAP SCREW, 1/4 - 20 X 3/4 | 2 | цена по запросу | |||
| 6 | CYLINDER W/CRANKCASE COVER, DOWEL PINS AND SCREWS | 1 | снято с производства | |||
| 7 | GASKET, CYLINDER EXHAUST | 1 | цена по запросу | |||
| 8 | комплект поршневых колец | 2 | снято с производства | |||
| 9 | PISTON PIN RETAINING RING | 2 | снято с производства | |||
| 10 | поршневой палец | 1 | снято с производства | |||
| 11 | Поршень | 1 | цена по запросу | |||
| 12 | CONNECTING ROD W/SCREWS AND BEARING | 1 | снято с производства | |||
| 13 | CAGE, CRANKPIN ROLLER | 2 | снято с производства | |||
| 14 | CRANKPIN ROLLER SET | 1 | снято с производства | |||
| 15 | PAN HD SCREW, 1/4 - 20 X 5/8 | 2 | цена по запросу | |||
| 16 | LINK, CHOKE KNOB | 1 | снято с производства | |||
| 17 | HEX HD M. SCREW, 10 - 24 X 3/8 | 1 | снято с производства | |||
| 18 | SPRING LOCKWASHER | 1 | цена по запросу | |||
| 19 | COVER, SUPPORT PLATE | 1 | снято с производства | |||
| 20 | Наклейка | 1 | снято с производства | |||
| 21 | головка ручки воздушной заслонки | 1 | снято с производства | |||
| 22 | SUPPORT PLATE | 1 | снято с производства | |||
| 23 | шпилька | 1 | снято с производства | |||
| 24 | нейлоновая шайба | 1 | снято с производства | |||
| 25 | PLAIN WASHER | 2 | снято с производства | |||
| 26 | BUSHING, STEERING HANDLE | 2 | снято с производства | |||
| 27 | ручка рулевого управления | 1 | снято с производства | |||
| 28 | STOP NUT | 1 | снято с производства | |||
| 29 | рукоятка ручки рулевого управления | 1 | снято с производства | |||
| 30 | заглушка трубки | 1 | снято с производства | |||
| 31 | FILL HD M. SCREW, 1/4 - 20 X 3/4 | 2 | цена по запросу | |||
| 32 | HEX WASHER HD TAPTITE SCREW, 1/4 - 20 X 5/8 | 1 | снято с производства | |||
| 33 | SLOTTED FILL HD SCREW, 1/4 - 20 X 1 1/4 | 4 | 260 руб. | |||
| 34 | посадочный штифт | 2 | цена по запросу | |||
| 35 | Винт шатуна | 2 | снято с производства | |||
| 36 | SEAL, CRANKSHAFT SPLINE | 1 | снято с производства | |||
| 37 | SEAL, CRANKSHAFT LOWER | 1 | цена по запросу | |||
| 38 | CRANKSHAFT W/SLINGER AND LOWER BEARING | 1 | снято с производства | |||
| 39 | BEARING, CRANKSHAFT UPPER | 1 | снято с производства | |||
| 40 | SEAL, CRANKSHAFT UPPER | 1 | цена по запросу | |||
| 41 | прокладка головки блока | 1 | 2730 руб. | |||
| 42 | головка блока | 1 | снято с производства | |||
| 43 | SPARK PLUG (L-7-J) | 1 | цена по запросу | |||
| 44 | PLAIN WASHER | 2 | цена по запросу | |||
| 45 | HEX HD SCREW W/LOCKWASHER, 1/4 - 20 X 7/16 | 2 | снято с производства | |||
| 46 | GROMMET FOR MODELS 47HB, 47BB | 1 | снято с производства | |||
| 47 | резиновая втулка | 1 | снято с производства | |||
| 48 | PLAIN WASHER | 2 | цена по запросу | |||
| - | SPARK PLUG RL-7-J FOR MODELS 42BB, 47BB | 1 | ||||
| - | SHORT BLOCK (NOT SHOWN) | 1 | INCLUDES ALL ITEMS MARKED WITH AN ASTERISK (*) | снято с производства | ||
| - | GASKET SET (NOT SHOWN) | 1 | снято с производства | |||
| 1 | Art.: HEX NUT Деталей в узле: 2 цена по запросу 2 | Art.: SPRING LOCKWASHER Деталей в узле: 2 цена по запросу 3 | Art.: F901938-1 винт головки блока Деталей в узле: 4 снято с производства 4 | Art.: BRACKET, ENGINE COVER LOWER MOUNTING Деталей в узле: 1 снято с производства 5 | Art.: HEX HD CAP SCREW, 1/4 - 20 X 3/4 Деталей в узле: 2 цена по запросу 6 | Art.: CYLINDER W/CRANKCASE COVER, DOWEL PINS AND SCREWS Деталей в узле: 1 снято с производства 7 | Art.: GASKET, CYLINDER EXHAUST Деталей в узле: 1 цена по запросу 8 | Art.: 39-818038A1 комплект поршневых колец Деталей в узле: 2 снято с производства 9 | Art.: F250410 PISTON PIN RETAINING RING Деталей в узле: 2 снято с производства 10 | Art.: F250017 поршневой палец Деталей в узле: 1 снято с производства 11 | Art.: Поршень Деталей в узле: 1 цена по запросу 12 | Art.: F2A521016 CONNECTING ROD W/SCREWS AND BEARING Деталей в узле: 1 снято с производства 13 | Art.: CAGE, CRANKPIN ROLLER Деталей в узле: 2 снято с производства 14 | Art.: CRANKPIN ROLLER SET Деталей в узле: 1 снято с производства 15 | Art.: PAN HD SCREW, 1/4 - 20 X 5/8 Деталей в узле: 2 цена по запросу 16 | Art.: F521925 LINK, CHOKE KNOB Деталей в узле: 1 снято с производства 17 | Art.: F2041 HEX HD M. SCREW, 10 - 24 X 3/8 Деталей в узле: 1 снято с производства 18 | Art.: SPRING LOCKWASHER Деталей в узле: 1 цена по запросу 19 | Art.: COVER, SUPPORT PLATE Деталей в узле: 1 снято с производства 20 | Art.: Наклейка Деталей в узле: 1 снято с производства 21 | Art.: F521547 головка ручки воздушной заслонки Деталей в узле: 1 снято с производства 22 | Art.: FA341038 SUPPORT PLATE Деталей в узле: 1 снято с производства 23 | Art.: шпилька Деталей в узле: 1 снято с производства 24 | Art.: F286286-1 нейлоновая шайба Деталей в узле: 1 снято с производства 25 | Art.: F8015 PLAIN WASHER Деталей в узле: 2 снято с производства 26 | Art.: F521319 BUSHING, STEERING HANDLE Деталей в узле: 2 снято с производства 27 | Art.: F521079 ручка рулевого управления Деталей в узле: 1 снято с производства 28 | Art.: F1756 STOP NUT Деталей в узле: 1 снято с производства 29 | Art.: F390137 рукоятка ручки рулевого управления Деталей в узле: 1 снято с производства 30 | Art.: F1789 заглушка трубки Деталей в узле: 1 снято с производства 31 | Art.: F1107 FILL HD M. SCREW, 1/4 - 20 X 3/4 Деталей в узле: 2 цена по запросу
32 | Art.: F1890 HEX WASHER HD TAPTITE SCREW, 1/4 - 20 X 5/8 Деталей в узле: 1 снято с производства 33 | Art.: SLOTTED FILL HD SCREW, 1/4 - 20 X 1 1/4 Деталей в узле: 4 34 | Art.: F8559 посадочный штифт Деталей в узле: 2 цена по запросу
35 | Art.: F36634 Винт шатуна Деталей в узле: 2 снято с производства 36 | Art.: F521579 SEAL, CRANKSHAFT SPLINE Деталей в узле: 1 снято с производства 37 | Art.: SEAL, CRANKSHAFT LOWER Деталей в узле: 1 цена по запросу 38 | Art.: F2A521018 CRANKSHAFT W/SLINGER AND LOWER BEARING Деталей в узле: 1 снято с производства 39 | Art.: F521013 BEARING, CRANKSHAFT UPPER Деталей в узле: 1 снято с производства 40 | Art.: SEAL, CRANKSHAFT UPPER Деталей в узле: 1 цена по запросу 41 | Art.: прокладка головки блока Деталей в узле: 1 42 | Art.: F521518 головка блока Деталей в узле: 1 снято с производства 43 | Art.: SPARK PLUG (L-7-J) Деталей в узле: 1 цена по запросу 44 | Art.: PLAIN WASHER Деталей в узле: 2 цена по запросу 45 | Art.: F1426 HEX HD SCREW W/LOCKWASHER, 1/4 - 20 X 7/16 Деталей в узле: 2 |
