35 H.P. 45 H.P.
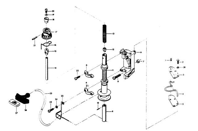
HAND STARTER MODEL 360 HA
HAND STARTER MODEL 360 HA
| № | Артикул | Наименование | Деталей в узле | Комментарий | Цена | |
| 1 | PAN HD SCREW, 10 - 32 X 3/8 | 2 | снято с производства | |||
| 2 | HEX CAP SCREW, 1/4 - 20 X 5/8 | 2 | цена по запросу | |||
| 3 | STARTER INTERLOCK TOP PLATE | 1 | ||||
| 4 | STARTER INTERLOCK ARM | 1 | снято с производства | |||
| 5 | STARTER INTERLOCK BACK PLATE | 1 | ||||
| 6 | STARTER MOUNTING BRACKET | 1 | снято с производства | |||
| 7 | проставка | 3 | снято с производства | |||
| 8 | FILL HD SCREW, 5/16 - 18 X 1 1/2 | 3 | ||||
| 9 | STARTER RETAINER EXTENSION | 1 | снято с производства | |||
| 10 | SPRING PIN | 1 | цена по запросу | |||
| 11 | STARTER SPOOL | 1 | снято с производства | |||
| 12 | Фиксатор пружины стартера | 1 | снято с производства | |||
| 13 | SPRING STARTER REWIND | 1 | снято с производства | |||
| 14 | STARTER ROPE GUIDE POST | 1 | снято с производства | |||
| 15 | STARTER REWIND SPRING DRIVE | 1 | снято с производства | |||
| 16 | SPRING STARTER PINION | 1 | снято с производства | |||
| 17 | STARTER PINION GEAR | 1 | цена по запросу | |||
| 18 | STARTER INTERLOCK GUIDE | 1 | снято с производства | |||
| 19 | BOWED SPRING WASHER | 1 | снято с производства | |||
| 20 | FILL HD SCREW, 1/4 - 20 X 3/8 | 1 | снято с производства | |||
| 21 | STARTER PINION PIN | 1 | снято с производства | |||
| 22 | FILL HD SCREW, 1/4 - 20 X 7/8 | 4 | снято с производства | |||
| 23 | STARTER ROPE GUIDE | 1 | снято с производства | |||
| 24 | EXTERNAL TOOTH LOCKWASHER | 1 | снято с производства | |||
| 25 | трос стартера | 1 | снято с производства | |||
| 26 | STARTER ROPE HANDLE | 1 | снято с производства | |||
| 27 | STARTER ROPE HANDLE RETAINER | 1 | снято с производства | |||
| 28 | SPRING LOCKWASHER | 2 | цена по запросу | |||
| 1 | Art.: F1927 PAN HD SCREW, 10 - 32 X 3/8 Деталей в узле: 2 снято с производства 2 | Art.: HEX CAP SCREW, 1/4 - 20 X 5/8 Деталей в узле: 2 цена по запросу 3 | Art.: -46430 STARTER INTERLOCK TOP PLATE Деталей в узле: 1 4 | Art.: F46003-1 STARTER INTERLOCK ARM Деталей в узле: 1 снято с производства 5 | Art.: -46429 STARTER INTERLOCK BACK PLATE Деталей в узле: 1 6 | Art.: FA40427-3 STARTER MOUNTING BRACKET Деталей в узле: 1 снято с производства 7 | Art.: 88359 проставка Деталей в узле: 3 снято с производства 8 | Art.: -1047 FILL HD SCREW, 5/16 - 18 X 1 1/2 Деталей в узле: 3 9 | Art.: F191971 STARTER RETAINER EXTENSION Деталей в узле: 1 снято с производства 10 | Art.: SPRING PIN Деталей в узле: 1 цена по запросу 11 | Art.: F191239 STARTER SPOOL Деталей в узле: 1 снято с производства 12 | Art.: F191737 Фиксатор пружины стартера Деталей в узле: 1 снято с производства 13 | Art.: F901970 SPRING STARTER REWIND Деталей в узле: 1 снято с производства 14 | Art.: F901710 STARTER ROPE GUIDE POST Деталей в узле: 1 снято с производства 15 | Art.: F901739 STARTER REWIND SPRING DRIVE Деталей в узле: 1 снято с производства 16 | Art.: F901424-1 SPRING STARTER PINION Деталей в узле: 1 снято с производства 17 | Art.: STARTER PINION GEAR Деталей в узле: 1 цена по запросу 18 | Art.: F46001 STARTER INTERLOCK GUIDE Деталей в узле: 1 снято с производства 19 | Art.: BOWED SPRING WASHER Деталей в узле: 1 снято с производства 20 | Art.: F1097 FILL HD SCREW, 1/4 - 20 X 3/8 Деталей в узле: 1 снято с производства 21 | Art.: F40425 STARTER PINION PIN Деталей в узле: 1 снято с производства 22 | Art.: FILL HD SCREW, 1/4 - 20 X 7/8 Деталей в узле: 4 |
